ALPHA ONE GEN II STERNDRIVE AND TRANSOM ASSEMBLY
насос и мотор (верхнее крепление резервуара, исполнение II - 14336A25)
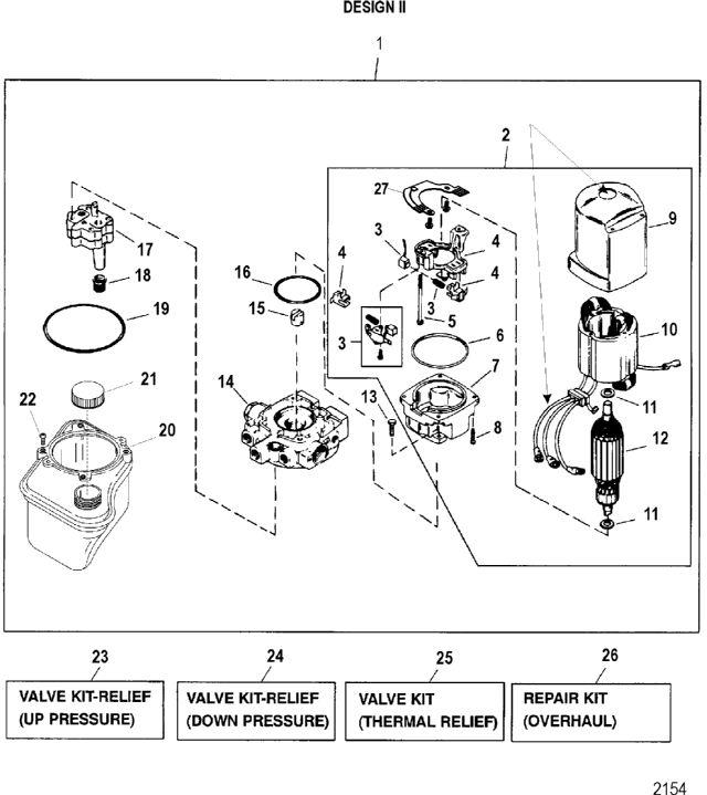
насос и мотор (верхнее крепление резервуара, исполнение II - 14336A25)
| № | Артикул | Наименование | Деталей в узле | Комментарий | Цена | |
| 1 | PUMP/MOTOR ASSEMBLY | 1 | (DESIGN-II -Etched Manufacturing Numbers On Top Of Motor Cover And Wires Will Have White Straight Line) | цена по запросу | ||
| 2 | MOTOR ASSEMBLY (Complete) | 1 | (DESIGN-II -Etched Manufacturing Numbers On Top Of Motor Cover And Wires Will Have White Straight Line) | 47250 руб. | ||
| 3 | комплект контактной щетки | 1 | 7300 руб. | |||
| 4 | держатель контактной щетки в сборе | 1 | 1940 руб. | |||
| 5 | SCREW, Brush Holder | 2 | снято с производства | |||
| 6 | уплотнительное кольцо | 1 | 1650 руб. | |||
| 7 | NSS | NOT SOLD SEPARATE, END CAP ASSEMBLY | 1 | |||
| 8 | винт | 4 | снято с производства | |||
| 9 | NSS | NOT SOLD SEPARATE, COVER ASSEMBLY | 1 | |||
| 10 | NSS | NOT SOLD SEPARATE, FIELD and FRAME ASSEMBLY | 1 | |||
| 11 | NSS | NOT SOLD SEPARATE, WASHER,Thrust | 2 | |||
| 12 | NSS | не продается по отдельности, сердечник | 1 | |||
| 13 | винт | 2 | 280 руб. | |||
| 14 | переходник в сборе | 1 | 64700 руб. | |||
| 15 | муфта | 1 | 8900 руб. | |||
| 16 | уплотнительное кольцо | 1 | (Motor End) | 1340 руб. | ||
| 17 | Насос в сборе | 1 | (Includes Screws) | 66550 руб. | ||
| 18 | Фильтр | 2 | 1320 руб. | |||
| 19 | уплотнительное кольцо | 1 | (Reservoir End) | 2690 руб. | ||
| 20 | комплект резервуара | 1 | (With Filters-Ref 18 and O-Ring Ref 19) | 14030 руб. | ||
| 21 | CAP, Oil Reservoir | 1 | снято с производства | |||
| 22 | винт (#8-32) | 4 | 550 руб. | |||
| 23 | VALVE KIT, Relief (Up Pressure) | 1 | 15040 руб. | |||
| 24 | VALVE KIT, Relief (Down Pressure) | 1 | 17330 руб. | |||
| 25 | VALVE KIT, Relief (Thermal Relief) | 1 | 9070 руб. | |||
| 26 | REPAIR KIT (Overhaul) | 1 | 25430 руб. | |||
| 27 | BOARD ASSEMBLY, Circuit - Radio Frequency Interference Filter | 1 | цена по запросу | |||
| 1 | PUMP/MOTOR ASSEMBLY ((DESIGN-II -Etched Manufacturing Numbers On Top Of Motor Cover And Wires Will Have White Straight Line))Деталей в узле: 1 цена по запросу 2 | Art.: 891736T MOTOR ASSEMBLY (Complete) ((DESIGN-II -Etched Manufacturing Numbers On Top Of Motor Cover And Wires Will Have White Straight Line))Деталей в узле: 1 3 | Art.: 891737 комплект контактной щетки Деталей в узле: 1 4 | Art.: 891738 держатель контактной щетки в сборе Деталей в узле: 1 5 | Art.: 10-891739 SCREW, Brush Holder Деталей в узле: 2 снято с производства 6 | Art.: 25-891740 уплотнительное кольцо Деталей в узле: 1 7 | Art.: -NSS NOT SOLD SEPARATE, END CAP ASSEMBLY Деталей в узле: 1 8 | Art.: 10-891741 винт Деталей в узле: 4 снято с производства 9 | Art.: -NSS NOT SOLD SEPARATE, COVER ASSEMBLY Деталей в узле: 1 10 | Art.: -NSS NOT SOLD SEPARATE, FIELD and FRAME ASSEMBLY Деталей в узле: 1 11 | Art.: -NSS NOT SOLD SEPARATE, WASHER,Thrust Деталей в узле: 2 12 | Art.: -NSS не продается по отдельности, сердечник Деталей в узле: 1 13 | Art.: 10-823444 винт Деталей в узле: 2 14 | Art.: 808728T переходник в сборе Деталей в узле: 1 15 | Art.: 803852 муфта Деталей в узле: 1 16 | Art.: 25-89498 уплотнительное кольцо ((Motor End))Деталей в узле: 1 17 | Art.: 18529 Насос в сборе ((Includes Screws))Деталей в узле: 1 18 | Art.: 35-89496 Фильтр Деталей в узле: 2 19 | Art.: 25-17645 уплотнительное кольцо ((Reservoir End))Деталей в узле: 1 |
