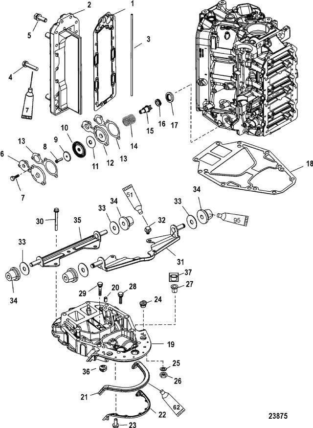
135/150/175 DFI - 2.5L
выпускной коллектор и выпускная плита
выпускной коллектор и выпускная плита
| № | Артикул | Наименование | Деталей в узле | Комментарий | Цена | |
| 1 | Прокладка | 1 | 4770 руб. | |||
| 2 | PLATE ASSEMBLY, Exhaust Divider | 1 | 48340 руб. | |||
| 3 | уплотнение (12 1/2") | 1 | 1110 руб. | |||
| 4 | винт и шайба (0.312-18 x 1.500) | 16 | 240 руб. | |||
| 5 | винт (0.312-18 x 1.00) | 2 | 200 руб. | |||
| 6 | COVER, Relief Valve | 1 | 8150 руб. | |||
| 7 | винт (0.312-18 x 1.375) | 4 | 200 руб. | |||
| 8 | винт (#10-16 x 0.750) | 1 | 200 руб. | |||
| 9 | шайба | 1 | 270 руб. | |||
| 10 | Диафрагма | 1 | 2190 руб. | |||
| 11 | водяной дефлектор | 1 | 380 руб. | |||
| 12 | Пластина | 1 | 6260 руб. | |||
| 13 | Прокладка | 2 | 340 руб. | |||
| 14 | SPRING, (Stainless Steel) | 1 | 200 руб. | |||
| 15 | тарельчатый клапан | 1 | 1290 руб. | |||
| 16 | резиновая втулка | 1 | 350 руб. | |||
| 17 | опора | 1 | 350 руб. | |||
| 18 | Прокладка | 1 | 1820 руб. | |||
| 19 | выпускная плита | 1 | 55230 руб. | |||
| 20 | посадочный штифт без отверстия (0.375 x 0.625) | 2 | 270 руб. | |||
| 21 | Уплотнение | 1 | 6180 руб. | |||
| 22 | кронштейн | 1 | 1330 руб. | |||
| 23 | Винт (#10-16 x 0.500) | 8 | 200 руб. | |||
| 24 | резиновая втулка | 1 | 4190 руб. | |||
| 25 | шайба (0.406 x 0.734 x 0.063) | 4 | 150 руб. | |||
| 26 | гайка | 6 | 720 руб. | |||
| 27 | вкладыш | 1 | Non-Jet | 460 руб. | ||
| 28 | винт (0.312-18 x 1.250) | 1 | 340 руб. | |||
| 29 | винт (0.312-18 x 2.50) | 1 | 730 руб. | |||
| 30 | SCREW, (.375-16 x 3.500) | 3 | 1220 руб. | |||
| 31 | Кронштейн передний | 1 | 22610 руб. | |||
| 32 | винт (0.3125-18 x 0.50) | 4 | 440 руб. | |||
| 33 | шайба | 4 | 570 руб. | |||
| 34 | резиновая втулка | 4 | 1250 руб. | |||
| 35 | Задний кронштейн в сборе | 1 | 21200 руб. | |||
| 36 | резиновая втулка | 1 | 540 руб. | |||
| 37 | пробка | 1 | Jet | 100 руб. | ||
| - | силовая головка в сборе | 1 | 135/150/Jet 110 | 1658360 руб. | ||
| - | Набор прокладок двигателя | 1 | 32390 руб. | |||
| - | силовая головка в сборе | 1 | 175 | 1662340 руб. | ||
| 1 | Art.: 27-190506 Прокладка Деталей в узле: 1 2 | Art.: 828343A05 PLATE ASSEMBLY, Exhaust Divider Деталей в узле: 1 3 | Art.: 26-814754 уплотнение (12 1/2") Деталей в узле: 1 4 | Art.: 10-8263561 винт и шайба (0.312-18 x 1.500) Деталей в узле: 16 5 | Art.: 10-881190 винт (0.312-18 x 1.00) Деталей в узле: 2 6 | Art.: COVER, Relief Valve Деталей в узле: 1 7 | Art.: 10-31984 винт (0.312-18 x 1.375) Деталей в узле: 4 8 | Art.: 10-69570 винт (#10-16 x 0.750) Деталей в узле: 1 9 | Art.: 12-76451 шайба Деталей в узле: 1 10 | Art.: 144791 Диафрагма Деталей в узле: 1 11 | Art.: 16496 водяной дефлектор Деталей в узле: 1 12 | Art.: 16497A1 Пластина Деталей в узле: 1 13 | Art.: 27-78690002 Прокладка Деталей в узле: 2 14 | Art.: 24-42996 SPRING, (Stainless Steel) Деталей в узле: 1 15 | Art.: 14480 тарельчатый клапан Деталей в узле: 1 16 | Art.: 25-64872 резиновая втулка Деталей в узле: 1 17 | Art.: 65848 опора Деталей в узле: 1 18 | Art.: 27-991764 Прокладка Деталей в узле: 1 19 | Art.: 850814T4 выпускная плита Деталей в узле: 1 20 | Art.: 17-43044 посадочный штифт без отверстия (0.375 x 0.625) Деталей в узле: 2 21 | Art.: Уплотнение Деталей в узле: 1 22 | Art.: 680101 кронштейн Деталей в узле: 1 23 | Art.: 10-878608 Винт (#10-16 x 0.500) Деталей в узле: 8 24 | Art.: 25-19565002 резиновая втулка Деталей в узле: 1 25 | Art.: 12-20553 шайба (0.406 x 0.734 x 0.063) Деталей в узле: 4 26 | Art.: 11-69254 гайка Деталей в узле: 6 27 | Art.: 23-27132 вкладыш (Non-Jet)Деталей в узле: 1 28 | Art.: 10-66727 винт (0.312-18 x 1.250) Деталей в узле: 1 29 | Art.: 10-68783 винт (0.312-18 x 2.50) Деталей в узле: 1 30 | Art.: 10-898833 SCREW, (.375-16 x 3.500) Деталей в узле: 3 31 | Art.: 812905T Кронштейн передний Деталей в узле: 1 32 | Art.: 10-8055571 винт (0.3125-18 x 0.50) Деталей в узле: 4 33 | Art.: 12-187031 шайба Деталей в узле: 4 34 | Art.: 25-18778001 резиновая втулка Деталей в узле: 4 35 | Art.: 18578T09 Задний кронштейн в сборе Деталей в узле: 1 36 | Art.: 25-12602002 резиновая втулка Деталей в узле: 1 37 | Art.: 19-8M0033787 пробка (Jet)Деталей в узле: 1 - | Art.: 879808T07 силовая головка в сборе (135/150/Jet 110)Деталей в узле: 1 - | Art.: Набор прокладок двигателя Деталей в узле: 1 - | Art.: 879809T07 силовая головка в сборе (175)Деталей в узле: 1 | |||||||||||||||||||||||||||||||||||||||||
