200/225/250 (3.0L) SEAPRO/MARATHON EFI
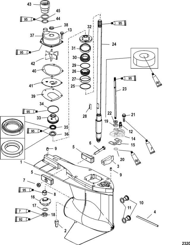
корпус редуктора, вертикальный вал - стандартное и обратное вращение
корпус редуктора, вертикальный вал - стандартное и обратное вращение
| № | Артикул | Наименование | Деталей в узле | Комментарий | Цена | |
| 1 | Корпус редуктора в сборе | 1 | 303290 руб. | |||
| 2 | стержень | 1 | 260 руб. | |||
| 3 | Блок фильтра | 1 | 2260 руб. | |||
| 4 | трубка Пито | 1 | 5170 руб. | |||
| 5 | анод | 2 | 1570 руб. | |||
| 6 | Винт (M6 x 40) | 1 | 390 руб. | |||
| 7 | Гайка (М6), нержавеющая сталь | 1 | 350 руб. | |||
| 8 | роликовый подшипник в сборе | 1 | 12030 руб. | |||
| 9 | посадочный штифт без отверстия (0.375 x 0.625) | 2 | 270 руб. | |||
| 10 | комплект сливного винтов (0.375-16 x 0.250) | 2 | 760 руб. | |||
| 11 | Уплотнение | 2 | цена по запросу | |||
| 12 | фиттинг | 1 | 760 руб. | |||
| 13 | Винт (M6 x 16) | 4 | 240 руб. | |||
| 14 | крышка | 1 | 17760 руб. | |||
| 15 | Прокладка | 1 | 800 руб. | |||
| 16 | NSS | NOT SOLD SEPARATE, Pinion Gear (1.75:1 - 12/21)(Part of 43-859321A3 or 43-828695A1) | 1 | |||
| 17 | шайба | 1 | 150 руб. | |||
| 18 | гайка (0.625-18) | 1 | 800 руб. | |||
| 19 | Сальник | 1 | 1910 руб. | |||
| 20 | уплотнительное кольцо (0.799) | 1 | (Orange) | цена по запросу | ||
| 20 | уплотнительное кольцо (799 x 0.103) | 1 | (Black) | 180 руб. | ||
| 21 | Винт (M6 x 16) | 2 | 240 руб. | |||
| 22 | шайба | 1 | 110 руб. | |||
| 23 | вал механизма переключения передач | 1 | 13190 руб. | |||
| 24 | Вертикальный вал | 1 | (XX-Long) | 107910 руб. | ||
| 24 | Вертикальный вал | 1 | (X-Long) | 59760 руб. | ||
| 24 | Вертикальный вал | 1 | (Long) | 63190 руб. | ||
| 25 | регулировочная прокладка в сборе | AR | снято с производства | |||
| 26 | конический роликовый подшипник | 1 | цена по запросу | |||
| 27 | NSS | ке продается по отдельности, крышка | 1 | |||
| 28 | шпонка | 1 | цена по запросу | |||
| 29 | набор регулировочных прокладок | AR | снято с производства | |||
| 30 | роликовый подшипник | 1 | цена по запросу | |||
| 31 | NSS | ке продается по отдельности, крышка | 1 | |||
| 32 | фиксатор | 1 | 700 руб. | |||
| 33 | опора в сборе | 1 | цена по запросу | |||
| 34 | уплотнительное кольцо (2.175 x 0.175) | 1 | (Orange) | 50 руб. | ||
| 34 | уплотнительное кольцо (2.175 x 0.103) | 1 | (Black) | 50 руб. | ||
| 35 | Сальник | 1 | цена по запросу | |||
| 36 | Сальник | 1 | цена по запросу | |||
| 37 | комплект корпуса, верхняя часть водяного насоса | 1 | 11890 руб. | |||
| 38 | Уплотнительный комплект | 1 | 870 руб. | |||
| 39 | Прокладка | 1 | 1230 руб. | |||
| 40 | Прокладка | 1 | 510 руб. | |||
| 41 | Пластина основания | 1 | 1520 руб. | |||
| 42 | Крыльчатка | 1 | 4410 руб. | |||
| 43 | муфта в сборе | 1 | 4280 руб. | |||
| 44 | уплотнительное кольцо (0.796 x 0.139) | 1 | цена по запросу | |||
| 45 | улотнительное кольцо (1.046) | 1 | цена по запросу | |||
| - | Набор уплотнений корпуса редуктора | 1 | 5890 руб. | |||
| - | ремонтный комплект водяного насоса | 1 | 20650 руб. | |||
| - | GEAR HOUSING ASSEMBLY, Complete (4.75 Inch/120.65 mm Torpedo Diameter) | 1 | (Counter Rotation-XX-Long) | 636060 руб. | ||
| - | GEAR HOUSING ASSEMBLY, Complete (4.75 Inch/120.65 mm Torpedo Diameter) | 1 | (Counter Rotation-X-Long) | цена по запросу | ||
| - | GEAR HOUSING ASSEMBLY, Complete (4.75 Inch/120.65 mm Torpedo Diameter) | 1 | (Standard-XX-Long) | 539750 руб. | ||
| - | GEAR HOUSING ASSEMBLY, Complete (4.75 Inch/120.65 mm Torpedo Diameter) | 1 | (Standard-X-Long) | цена по запросу | ||
| - | GEAR HOUSING ASSEMBLY, Complete (4.75 Inch/120.65 mm Torpedo Diameter) | 1 | (Standard-Long) | цена по запросу | ||
| - | Ремокомплект водяного насоса, крыльчатка | 1 | 8910 руб. | |||
| 1 | Art.: 1623-859399T18 Корпус редуктора в сборе Деталей в узле: 1 2 | Art.: 17-379721 стержень Деталей в узле: 1 3 | Art.: Блок фильтра Деталей в узле: 1 4 | Art.: 859402 трубка Пито Деталей в узле: 1 5 | Art.: 826134Q анод Деталей в узле: 2 6 | Art.: 10-4000333 Винт (M6 x 40) Деталей в узле: 1 7 | Art.: 11-401386 Гайка (М6), нержавеющая сталь Деталей в узле: 1 8 | Art.: 31-42647A1 роликовый подшипник в сборе Деталей в узле: 1 9 | Art.: 17-43044 посадочный штифт без отверстия (0.375 x 0.625) Деталей в узле: 2 10 | Art.: комплект сливного винтов (0.375-16 x 0.250) Деталей в узле: 2 11 | Art.: 12-191833 Уплотнение Деталей в узле: 2 цена по запросу
12 | Art.: 22-881866 фиттинг Деталей в узле: 1 13 | Art.: 10-1993716 Винт (M6 x 16) Деталей в узле: 4 14 | Art.: 858934 крышка Деталей в узле: 1 15 | Art.: 27-858935 Прокладка Деталей в узле: 1 16 | Art.: -NSS NOT SOLD SEPARATE, Pinion Gear (1.75:1 - 12/21)(Part of 43-859321A3 or 43-828695A1) Деталей в узле: 1 17 | Art.: 12-92721 шайба Деталей в узле: 1 18 | Art.: 11-35921 гайка (0.625-18) Деталей в узле: 1 19 | Art.: Сальник Деталей в узле: 1 20 | Art.: 25-36318 уплотнительное кольцо (0.799) ((Orange))Деталей в узле: 1 цена по запросу
20 | Art.: 25-896522 уплотнительное кольцо (799 x 0.103) ((Black))Деталей в узле: 1 21 | Art.: 10-1993716 Винт (M6 x 16) Деталей в узле: 2 22 | Art.: 12-77674 шайба Деталей в узле: 1 23 | Art.: 824145 вал механизма переключения передач Деталей в узле: 1 24 | Art.: 45-881943 Вертикальный вал ((XX-Long))Деталей в узле: 1 24 | Art.: 45-881942 Вертикальный вал ((X-Long))Деталей в узле: 1 24 | Art.: 45-881938 Вертикальный вал ((Long))Деталей в узле: 1 25 | Art.: 15-38657A1 регулировочная прокладка в сборе Деталей в узле: AR снято с производства 26 | Art.: 31-48939A2 конический роликовый подшипник Деталей в узле: 1 цена по запросу
27 | Art.: -NSS ке продается по отдельности, крышка Деталей в узле: 1 28 | Art.: шпонка Деталей в узле: 1 цена по запросу
29 | Art.: 15-42637A1 набор регулировочных прокладок Деталей в узле: AR снято с производства 30 | Art.: 31-36387A1 роликовый подшипник Деталей в узле: 1 цена по запросу
31 | Art.: -NSS ке продается по отдельности, крышка Деталей в узле: 1 32 | Art.: 8245191 фиксатор Деталей в узле: 1 33 | Art.: 807929A1 опора в сборе Деталей в узле: 1 цена по запросу
34 | Art.: уплотнительное кольцо (2.175 x 0.175) ((Orange))Деталей в узле: 1 34 | Art.: уплотнительное кольцо (2.175 x 0.103) ((Black))Деталей в узле: 1 35 | Art.: 26-66302 Сальник Деталей в узле: 1 цена по запросу
36 | Art.: 26-66302 Сальник Деталей в узле: 1 цена по запросу
37 | Art.: 817275A2 комплект корпуса, верхняя часть водяного насоса Деталей в узле: 1 38 | Art.: 26-816575A2 Уплотнительный комплект Деталей в узле: 1 39 | Art.: 27-430331 Прокладка Деталей в узле: 1 40 | Art.: 27-8172771 Прокладка Деталей в узле: 1 41 | Art.: Пластина основания Деталей в узле: 1 42 | Art.: Крыльчатка Деталей в узле: 1 43 | Art.: 832942A1 муфта в сборе Деталей в узле: 1 44 | Art.: 25-21836 уплотнительное кольцо (0.796 x 0.139) Деталей в узле: 1 цена по запросу
45 | Art.: 25-35027 улотнительное кольцо (1.046) Деталей в узле: 1 цена по запросу
- | Art.: 26-816575A4 Набор уплотнений корпуса редуктора Деталей в узле: 1 - | Art.: 817275A5 ремонтный комплект водяного насоса Деталей в узле: 1 - | Art.: 1623-859399T17 GEAR HOUSING ASSEMBLY, Complete (4.75 Inch/120.65 mm Torpedo Diameter) ((Counter Rotation-XX-Long))Деталей в узле: 1 - | Art.: 1623-859399T16 GEAR HOUSING ASSEMBLY, Complete (4.75 Inch/120.65 mm Torpedo Diameter) ((Counter Rotation-X-Long))Деталей в узле: 1 цена по запросу
- | Art.: 1623-859399T15 GEAR HOUSING ASSEMBLY, Complete (4.75 Inch/120.65 mm Torpedo Diameter) ((Standard-XX-Long))Деталей в узле: 1 - | Art.: 1623-859399T14 GEAR HOUSING ASSEMBLY, Complete (4.75 Inch/120.65 mm Torpedo Diameter) ((Standard-X-Long))Деталей в узле: 1 цена по запросу
- | Art.: 1623-859399T13 GEAR HOUSING ASSEMBLY, Complete (4.75 Inch/120.65 mm Torpedo Diameter) ((Standard-Long))Деталей в узле: 1 цена по запросу
- | Art.: Ремокомплект водяного насоса, крыльчатка Деталей в узле: 1 | ||||||||||||||||||||||||||||||||||||||||||||||||||||||||||
