40/50 (3 CYLINDER) 2-STROKE
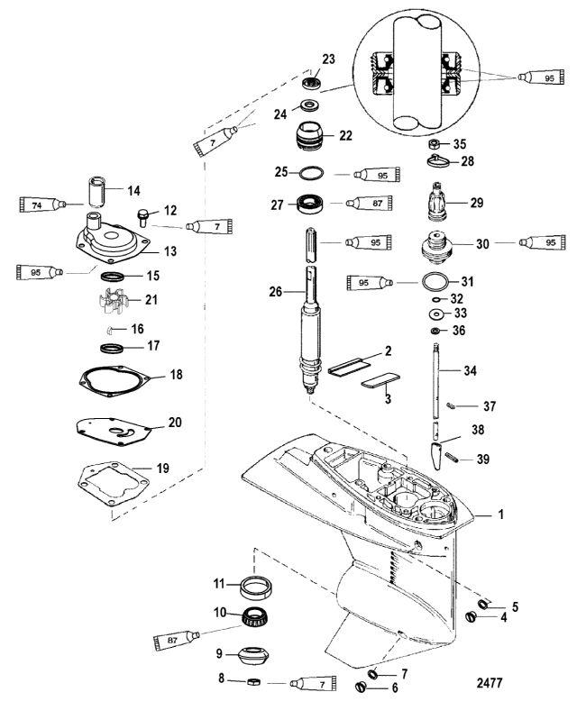
корпус редуктора, вертикальный вал - передаточное отношение 1.83:1
корпус редуктора, вертикальный вал - передаточное отношение 1.83:1
| № | Артикул | Наименование | Деталей в узле | Комментарий | Цена | |
| 1 | Корпус редуктора в сборе | 1 | (Basic-Black) | 119340 руб. | ||
| 2 | Сальник с пластиной в сборе | 1 | 660 руб. | |||
| 3 | NSS | Не продается по отдельности, пластина | 1 | |||
| 4 | комплект сливного винта (.375-16 X .25) | 1 | 760 руб. | |||
| 5 | шайба | 1 | цена по запросу | |||
| 6 | комплект сливного винтов (0.375-16 x 0.250) | 1 | 760 руб. | |||
| 6 | комплект магнитной сливной пробки | 1 | 1290 руб. | |||
| 7 | шайба | 1 | цена по запросу | |||
| 7 | Уплотнение | 1 | цена по запросу | |||
| 8 | гайка (0.437-20) | 1 | 650 руб. | |||
| 9 | ведущая шестерня (12 зубьев) | 1 | 25600 руб. | |||
| 10 | Подшипник в сборе | 1 | 7080 руб. | |||
| 11 | NSS | ке продается по отдельности, крышка | 1 | |||
| 12 | Винт (M6 x 16) | 4 | 170 руб. | |||
| 13 | корпус верхней части водяного насоса в сборе | 1 | 15110 руб. | |||
| 14 | Уплотнение | 1 | 2400 руб. | |||
| 15 | шайба | 1 | снято с производства | |||
| 16 | шпонка | 1 | цена по запросу | |||
| 17 | шайба | 1 | снято с производства | |||
| 18 | прокладка водяного насоса верхняя | 1 | 560 руб. | |||
| 19 | прокладка водяного насоса нижняя | 1 | цена по запросу | |||
| 20 | Пластина основания | 1 | 2080 руб. | |||
| 21 | Крыльчатка | 1 | 4100 руб. | |||
| 22 | основание водяного насоса в сборе | 1 | 10810 руб. | |||
| 23 | Уплотнение | 1 | 1020 руб. | |||
| 24 | Уплотнение | 1 | 800 руб. | |||
| 25 | уплотнительное кольцо (1.421 x 0.139) | 1 | 220 руб. | |||
| 26 | Вертикальный вал | 1 | (Short) | 115840 руб. | ||
| 26 | Вертикальный вал | 1 | (Long) | 135850 руб. | ||
| 27 | Шариковый подшипник | 1 | 5890 руб. | |||
| 28 | ленточный хомут | 1 | снято с производства | |||
| 29 | защитный чехол | 1 | 1680 руб. | |||
| 30 | фиксатор | 1 | 2350 руб. | |||
| 31 | уплотнительное кольцо (1.609 x .139) | 1 | 300 руб. | |||
| 32 | уплотнительное кольцо (.239 x .174) | 1 | 330 руб. | |||
| 33 | шайба | 1 | 580 руб. | |||
| 34 | вал механизма переключения передач | 1 | (Long) | 24650 руб. | ||
| 34 | вал механизма переключения передач | 1 | (Short) | 24430 руб. | ||
| 35 | Гайка (М6), нержавеющая сталь | 1 | 230 руб. | |||
| 36 | шайба (0.281 x 0.500 x 0.060) нержавеющая сталь | 1 | цена по запросу | |||
| 37 | стержень (.078 x .437) | 1 | 490 руб. | |||
| 38 | кулачок механизма переключения передач | 1 | 16600 руб. | |||
| 39 | стержень (.125 x .625) | 1 | 120 руб. | |||
| - | Набор прокладок | 1 | 10360 руб. | |||
| - | Уплотнительный комплект | 1 | 11190 руб. | |||
| - | корпус редуктора в сборе (черный, короткий) | 1 | (3.44 Inch/87.37 mm Torpedo Diameter) | 402230 руб. | ||
| - | корпус редуктора в сборе (черный, длинный) | 1 | (3.44 Inch/87.37 mm Torpedo Diameter) | 483380 руб. | ||
| - | Ремкомплект водяной помпы | 1 | 8570 руб. | |||
| 1 | Art.: 1682-821306T12 Корпус редуктора в сборе ((Basic-Black))Деталей в узле: 1 2 | Art.: 818226A1 Сальник с пластиной в сборе Деталей в узле: 1 3 | Art.: -NSS Не продается по отдельности, пластина Деталей в узле: 1 4 | Art.: комплект сливного винта (.375-16 X .25) Деталей в узле: 1 5 | Art.: шайба Деталей в узле: 1 цена по запросу
6 | Art.: комплект сливного винтов (0.375-16 x 0.250) Деталей в узле: 1 6 | комплект магнитной сливной пробки Деталей в узле: 1 7 | Art.: шайба Деталей в узле: 1 цена по запросу
7 | Art.: 12-191833 Уплотнение Деталей в узле: 1 цена по запросу
8 | Art.: 11-55910 гайка (0.437-20) Деталей в узле: 1 9 | Art.: 43-822161T2 ведущая шестерня (12 зубьев) Деталей в узле: 1 10 | Art.: 31-821321A2 Подшипник в сборе Деталей в узле: 1 11 | Art.: -NSS ке продается по отдельности, крышка Деталей в узле: 1 12 | Art.: 10-8248324 Винт (M6 x 16) Деталей в узле: 4 13 | Art.: 46-821351A3 корпус верхней части водяного насоса в сборе Деталей в узле: 1 14 | Art.: 8235471 Уплотнение Деталей в узле: 1 15 | Art.: 12-866451 шайба Деталей в узле: 1 снято с производства 16 | Art.: шпонка Деталей в узле: 1 цена по запросу
17 | Art.: 12-866451 шайба Деталей в узле: 1 снято с производства 18 | Art.: 27-822189 прокладка водяного насоса верхняя Деталей в узле: 1 19 | Art.: 27-822217 прокладка водяного насоса нижняя Деталей в узле: 1 цена по запросу
20 | Art.: 8213542 Пластина основания Деталей в узле: 1 21 | Art.: Крыльчатка Деталей в узле: 1 22 | Art.: 46-821307A2 основание водяного насоса в сборе Деталей в узле: 1 23 | Art.: 26-821309 Уплотнение Деталей в узле: 1 24 | Art.: 26-821310 Уплотнение Деталей в узле: 1 25 | Art.: 25-821308 уплотнительное кольцо (1.421 x 0.139) Деталей в узле: 1 26 | Art.: 45-822466A1 Вертикальный вал ((Short))Деталей в узле: 1 26 | Art.: 45-822159T1 Вертикальный вал ((Long))Деталей в узле: 1 27 | Art.: 30-821311 Шариковый подшипник Деталей в узле: 1 28 | Art.: 823548T ленточный хомут Деталей в узле: 1 снято с производства 29 | Art.: 822158 защитный чехол Деталей в узле: 1 30 | Art.: 821827 фиксатор Деталей в узле: 1 31 | Art.: 25-26855 уплотнительное кольцо (1.609 x .139) Деталей в узле: 1 32 | Art.: 25-85594 уплотнительное кольцо (.239 x .174) Деталей в узле: 1 33 | Art.: 12-814803 шайба Деталей в узле: 1 34 | Art.: 821319A1 вал механизма переключения передач ((Long))Деталей в узле: 1 34 | Art.: 822453A1 вал механизма переключения передач ((Short))Деталей в узле: 1 35 | Art.: 11-400212 Гайка (М6), нержавеющая сталь Деталей в узле: 1 36 | Art.: 12-29245 шайба (0.281 x 0.500 x 0.060) нержавеющая сталь Деталей в узле: 1 цена по запросу
37 | Art.: 17-85593 стержень (.078 x .437) Деталей в узле: 1 38 | Art.: 8213161 кулачок механизма переключения передач Деталей в узле: 1 39 | Art.: 17-822369 стержень (.125 x .625) Деталей в узле: 1 - | Art.: 27-828553A97 Набор прокладок Деталей в узле: 1 - | Art.: 823547A2 Уплотнительный комплект Деталей в узле: 1 - | Art.: 1682-821306T26 корпус редуктора в сборе (черный, короткий) ((3.44 Inch/87.37 mm Torpedo Diameter))Деталей в узле: 1 - | Art.: 1682-821306T28 корпус редуктора в сборе (черный, длинный) ((3.44 Inch/87.37 mm Torpedo Diameter))Деталей в узле: 1 - | Art.: 821354A2 Ремкомплект водяной помпы Деталей в узле: 1 | |||||||||||||||||||||||||||||||||||||||||||||||||
