BRAVO I-II-III
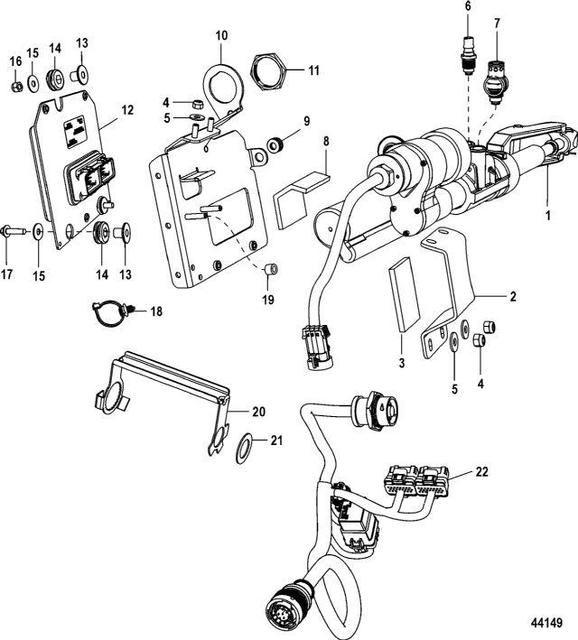
Steering Actuator, Axius (Gen II)
Steering Actuator, Axius (Gen II)
| № | Артикул | Наименование | Деталей в узле | Комментарий | Цена | |
| 1 | STEERING ACTUATOR ASSEMBLY | 1 | цена по запросу | |||
| 2 | BRACKET, TVM Clamp | 1 | 2750 руб. | |||
| 3 | PAD, Isolation | 1 | 690 руб. | |||
| 4 | Гайка (М6), нержавеющая сталь | 4 | 360 руб. | |||
| 5 | шайба | 4 | цена по запросу | |||
| 6 | фиттинг | 1 | 1380 руб. | |||
| 7 | фиттинг | 1 | 4630 руб. | |||
| 8 | PAD, Isolation | 1 | 560 руб. | |||
| 9 | GROMMET, (.285 Inside Diameter) | 1 | 80 руб. | |||
| 10 | BRACKET, TVM Mounting | 1 | 15410 руб. | |||
| 11 | гайка из черного нейлона (1.500-18) | 1 | 650 руб. | |||
| 12 | MODULE - TVM | 1 | 143830 руб. | |||
| 13 | вкладыш | 3 | 570 руб. | |||
| 14 | резиновая втулка | 3 | 300 руб. | |||
| 15 | Шайба (0.265 x 0.750 x 0.048), нержавеющая сталь | 3 | 230 руб. | |||
| 16 | Гайка (М6), нержавеющая сталь | 1 | 360 руб. | |||
| 17 | Винт (M6 x 25) | 2 | 360 руб. | |||
| 18 | зажим ленточного хомута | 4 | 340 руб. | |||
| 19 | проставка | 2 | 2850 руб. | |||
| 20 | WASHER ASSEMBLY | 1 | 10080 руб. | |||
| 21 | WASHER, (.78 x 1.25 x .05) Stainless Steel | 1 | 1720 руб. | |||
| 22 | HARNESS, Thrust Vector Module | 1 | 45950 руб. | |||
| - | STEERING ACTUATOR ASSEMBLY, Complete | 2 | цена по запросу | |||
| 1 | Art.: 8M0047043 STEERING ACTUATOR ASSEMBLY Деталей в узле: 1 цена по запросу
| ||||||||||||||||||||||||||||||||||||||||||||
| 2 | Art.: 8M2018451 BRACKET, TVM Clamp Деталей в узле: 1 3 | Art.: 8M2020078 PAD, Isolation Деталей в узле: 1 4 | Art.: 11-401366 Гайка (М6), нержавеющая сталь Деталей в узле: 4 5 | Art.: 12-4002316 шайба Деталей в узле: 4 цена по запросу
6 | Art.: 22-865414001 фиттинг Деталей в узле: 1 7 | Art.: 22-865415 фиттинг Деталей в узле: 1 8 | Art.: 8M2020077 PAD, Isolation Деталей в узле: 1 9 | Art.: 25-8M2019104 GROMMET, (.285 Inside Diameter) Деталей в узле: 1 10 | Art.: 8M0047525 BRACKET, TVM Mounting Деталей в узле: 1 11 | Art.: 11-889664 гайка из черного нейлона (1.500-18) Деталей в узле: 1 12 | Art.: 8M0047524 MODULE - TVM Деталей в узле: 1 13 | Art.: 23-856954 вкладыш Деталей в узле: 3 14 | Art.: 25-834985 резиновая втулка Деталей в узле: 3 15 | Art.: 12-65567 Шайба (0.265 x 0.750 x 0.048), нержавеющая сталь Деталей в узле: 3 16 | Art.: 11-401366 Гайка (М6), нержавеющая сталь Деталей в узле: 1 17 | Art.: 10-82130025 Винт (M6 x 25) Деталей в узле: 2 18 | Art.: 54-899145 зажим ленточного хомута Деталей в узле: 4 19 | Art.: 23-822392 проставка Деталей в узле: 2 20 | Art.: 14-879150A34 WASHER ASSEMBLY Деталей в узле: 1 21 | Art.: 12-8M2010068 WASHER, (.78 x 1.25 x .05) Stainless Steel Деталей в узле: 1 22 | Art.: HARNESS, Thrust Vector Module Деталей в узле: 1 - | Art.: 8M8025732 STEERING ACTUATOR ASSEMBLY, Complete Деталей в узле: 2 цена по запросу
| |||||||||||||||||||||||
