BRAVO I-II-III
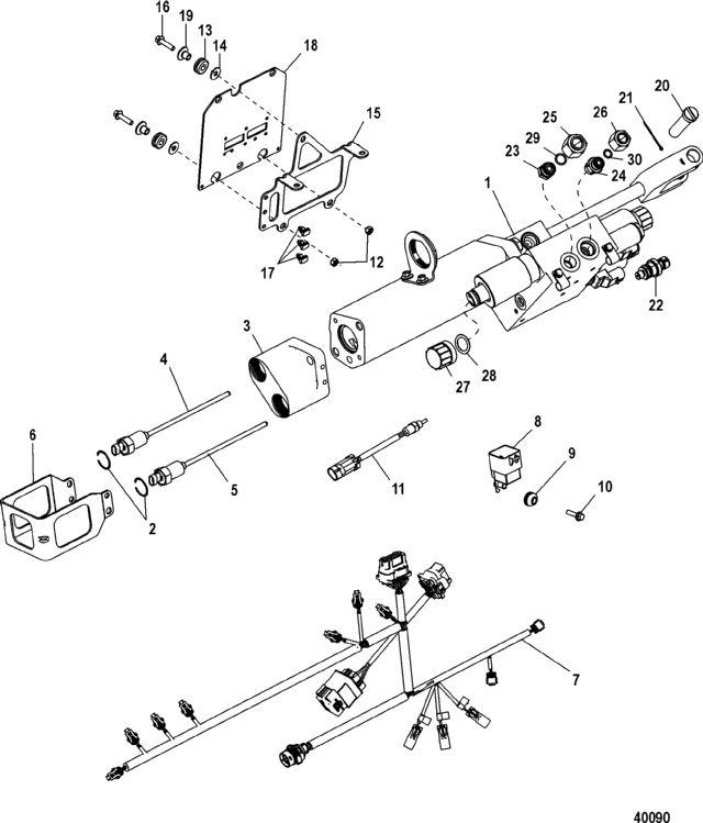
Steering Actuator, Axius (Gen I), Sensors w/ E-Clip/End Cap
Steering Actuator, Axius (Gen I), Sensors w/ E-Clip/End Cap
| № | Артикул | Наименование | Деталей в узле | Комментарий | Цена | |
| 1 | STEERING ACTUATOR ASSEMBLY, Starboard | 1 | (Gas) (Refer to Service Bulletin SMC-09-06) | снято с производства | ||
| 1 | STEERING ACTUATOR ASSEMBLY, Port | 1 | (Gas) (Refer to Service Bulletin SMC-09-06) | снято с производства | ||
| 1 | STEERING ACTUATOR ASSEMBLY, Starboard | 1 | (Diesel) | не посталяется заказывайте 8M0057413 | ||
| 1 | STEERING ACTUATOR ASSEMBLY, Port | 1 | (Diesel) | не посталяется заказывайте 8M0057413 | ||
| 2 | NSS | NOT SOLD SEPARATE, E-Clip | 2 | |||
| 3 | NSS | NOT SOLD SEPARATE, END CAP, Position Sensor | 1 | |||
| 4 | SENSOR, Position, Secondary-Decreasing | 1 | 79230 руб. | |||
| 5 | SENSOR, Position, Primary-Decreasing | 1 | 83400 руб. | |||
| 6 | NSS | NOT SOLD SEPARATE, BRACKET, Position Sensor Guard | 1 | |||
| 7 | жгут | 1 | 61900 руб. | |||
| 8 | NSS | NOT SOLD SEPARATE, RELAY | 1 | |||
| 9 | NSS | не продается по отдельности, резиновая втулка | 1 | |||
| 10 | NSS | Не продается по отдельности, винт | 1 | |||
| 11 | датчик в сборе | 1 | цена по запросу | |||
| 12 | NSS | не продается по отдельности, гайка | 3 | |||
| 13 | резиновая втулка | 3 | 300 руб. | |||
| 14 | Шайба (0.265 x 0.750 x 0.048), нержавеющая сталь | 3 | 230 руб. | |||
| 15 | NSS | Не продается по отдельности, кронштейн | 1 | |||
| 16 | NSS | Не продается по отдельности, винт | 3 | |||
| 17 | зажим | 3 | 200 руб. | |||
| 18 | NSS | NOT SOLD SEPARATE, THRUST VECTOR MODULE | 1 | |||
| 19 | вкладыш | 3 | 590 руб. | |||
| 20 | Штифт с головкой и отверстием полд шплинт | 1 | 25230 руб. | |||
| 21 | PIN, Cotter | 1 | 440 руб. | |||
| 22 | TRANSDUCER | 3 | цена по запросу | |||
| 23 | FITTING, Adapter (-6ORF TO -8ORB), 90 Degree | 1 | (Diesel) | 14380 руб. | ||
| 23 | FITTING, (-6) ORF TO ( -8) ORB, Straight | 1 | (Gas) | 30580 руб. | ||
| 24 | FITTING, Adapter (-6ORF TO -8ORB) | 1 | 7260 руб. | |||
| 25 | Крышка | 1 | 1340 руб. | |||
| 26 | Крышка | 1 | 2420 руб. | |||
| 27 | гайка | 3 | 1340 руб. | |||
| 28 | уплотнительное кольцо | 3 | цена по запросу | |||
| 29 | уплотнительное кольцо (0.489 x 0.070) | 10 | 110 руб. | |||
| 30 | уплотнительное кольцо | 10 | 1080 руб. | |||
| - | DUST CAP KIT | 1 | (Refer to Service Bulletin SMC-09-06) | цена по запросу | ||
| 1 | Art.: 8M2016465 STEERING ACTUATOR ASSEMBLY, Starboard ((Gas) (Refer to Service Bulletin SMC-09-06))Деталей в узле: 1 снято с производства 1 | Art.: 8M2016466 STEERING ACTUATOR ASSEMBLY, Port ((Gas) (Refer to Service Bulletin SMC-09-06))Деталей в узле: 1 снято с производства 1 | Art.: STEERING ACTUATOR ASSEMBLY, Starboard ((Diesel))Деталей в узле: 1 не посталяется заказывайте 8M0057413 1 | Art.: STEERING ACTUATOR ASSEMBLY, Port ((Diesel))Деталей в узле: 1 не посталяется заказывайте 8M0057413 2 | Art.: -NSS NOT SOLD SEPARATE, E-Clip Деталей в узле: 2 3 | Art.: -NSS NOT SOLD SEPARATE, END CAP, Position Sensor Деталей в узле: 1 4 | Art.: 879194A06 SENSOR, Position, Secondary-Decreasing Деталей в узле: 1 5 | Art.: 879194A07 SENSOR, Position, Primary-Decreasing Деталей в узле: 1 6 | Art.: -NSS NOT SOLD SEPARATE, BRACKET, Position Sensor Guard Деталей в узле: 1 7 | Art.: 84-879288A07 жгут Деталей в узле: 1 8 | Art.: -NSS NOT SOLD SEPARATE, RELAY Деталей в узле: 1 9 | Art.: -NSS не продается по отдельности, резиновая втулка Деталей в узле: 1 10 | Art.: -NSS Не продается по отдельности, винт Деталей в узле: 1 11 | Art.: 8M0010146 датчик в сборе Деталей в узле: 1 цена по запросу
12 | Art.: -NSS не продается по отдельности, гайка Деталей в узле: 3 13 | Art.: 25-834985 резиновая втулка Деталей в узле: 3 14 | Art.: 12-65567 Шайба (0.265 x 0.750 x 0.048), нержавеющая сталь Деталей в узле: 3 15 | Art.: -NSS Не продается по отдельности, кронштейн Деталей в узле: 1 16 | Art.: -NSS Не продается по отдельности, винт Деталей в узле: 3 17 | Art.: 54-892448 зажим Деталей в узле: 3 18 | Art.: -NSS NOT SOLD SEPARATE, THRUST VECTOR MODULE Деталей в узле: 1 19 | Art.: 23-856954 вкладыш Деталей в узле: 3 20 | Art.: 17-8M2016468 Штифт с головкой и отверстием полд шплинт Деталей в узле: 1 21 | Art.: 18-8M2014663 PIN, Cotter Деталей в узле: 1 22 | Art.: 8M0007569 TRANSDUCER Деталей в узле: 3 цена по запросу
23 | Art.: 22-8M2008375 FITTING, Adapter (-6ORF TO -8ORB), 90 Degree ((Diesel))Деталей в узле: 1 23 | Art.: 22-8M2007090 FITTING, (-6) ORF TO ( -8) ORB, Straight ((Gas))Деталей в узле: 1 24 | Art.: 22-8M2015982 FITTING, Adapter (-6ORF TO -8ORB) Деталей в узле: 1 25 | Art.: 19-8M2013299 Крышка Деталей в узле: 1 26 | Art.: 19-8M2013298 Крышка Деталей в узле: 1 27 | Art.: 11-8M2013313 гайка Деталей в узле: 3 28 | Art.: 25-8M2013312 уплотнительное кольцо Деталей в узле: 3 цена по запросу
29 | Art.: 25-8M2001117 уплотнительное кольцо (0.489 x 0.070) Деталей в узле: 10 30 | Art.: 22-8M2004603 уплотнительное кольцо Деталей в узле: 10 - | Art.: 879172A19 DUST CAP KIT ((Refer to Service Bulletin SMC-09-06))Деталей в узле: 1 цена по запросу
| ||||||||||||||||||||||||||||||||||||
