REMOTE CONTROL SYSTEMS AND COMPONENTS
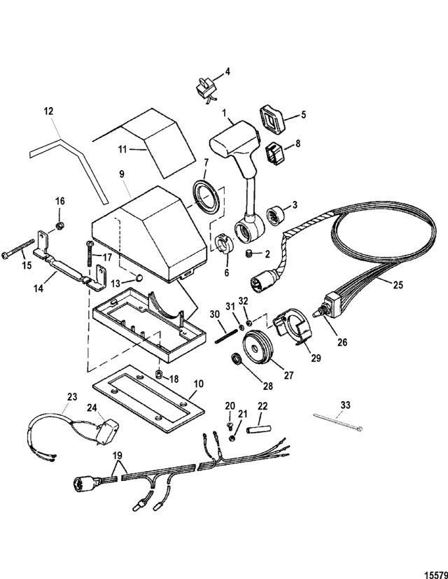
Remote Control Console (Single)(88688A25 - A27)
Remote Control Console (Single)(88688A25 - A27)
| № | Артикул | Наименование | Деталей в узле | Комментарий | Цена | |
| 1 | HANDLE ASSEMBLY, Control | 1 | 12290 руб. | |||
| 2 | SCREW, (.312-18 x .375) | 1 | 270 руб. | |||
| 3 | Кнопка | 1 | 510 руб. | |||
| 4 | SWITCH, Paddle | 1 | (Outboard and Mercruiser) | 4700 руб. | ||
| 5 | COVER, Knob | 1 | (Non Trim) | 590 руб. | ||
| 5 | COVER, Trim | 1 | (Outboard and Mercruiser) | 1790 руб. | ||
| 6 | ROTATOR | 1 | (Outboard and Mercruiser) | 410 руб. | ||
| 7 | Диск | 1 | 2930 руб. | |||
| 8 | PLUG, Knob | 1 | (Quanitity 2 for Non Trim) | 600 руб. | ||
| 9 | крышка в сборе | 1 | 6870 руб. | |||
| 10 | Прокладка | 1 | 480 руб. | |||
| 11 | DECAL, Port Mounted | 1 | 990 руб. | |||
| 12 | DECAL, Shift Indicator | 1 | снято с производства | |||
| 13 | буфер | 1 | цена по запросу | |||
| 14 | BRACKET, Console Mount | 2 | цена по запросу | |||
| 15 | винт (#10-32 x 2.25) | 2 | 160 руб. | |||
| 16 | гайка (#10-32) | 2 | цена по запросу | |||
| 17 | винт (#10-32 x 1.50) | 4 | 160 руб. | |||
| 18 | WELL NUT, (#10-32) | 4 | (Outboard and Mercruiser) | 210 руб. | ||
| 19 | жгут проводов | 1 | (Outboard) | цена по запросу | ||
| 20 | винт (#10-32 x 0.250) | 2 | 130 руб. | |||
| 21 | гайка и стопорная шайба (#10-32) | 2 | 200 руб. | |||
| 22 | изолятор (2") | 2 | 340 руб. | |||
| 23 | SWITCH/HARNESS ASSEMBLY, Neutral Start | 1 | 6330 руб. | |||
| 24 | SWITCH, Micro | 1 | цена по запросу | |||
| 25 | жгут проводов | 1 | (Mercruiser) | снято с производства | ||
| 26 | SWITCH, Toggle | 1 | (Mercruiser) | 3880 руб. | ||
| 27 | PLATE ASSEMBLY, Switch Mounting | 1 | (Mercruiser) | цена по запросу | ||
| 28 | гайка (0.468-32) | 1 | (Mercruiser) | 1080 руб. | ||
| 29 | BRACKET, Switch Mounting | 1 | (Mercruiser) | 1850 руб. | ||
| 30 | шпилька (#10-32 x 2.00) | 2 | (Mercruiser) | 760 руб. | ||
| 31 | шайба (0.200 x 0.440 x 0.032) | 2 | (Mercruiser) | 110 руб. | ||
| 32 | гайка (#10-32), нержавеющая сталь | 2 | (Mercruiser) | 60 руб. | ||
| 33 | ленточный хомут (8") | 1 | 40 руб. | |||
| - | дистанционное управление | 1 | (Outboard) | 62280 руб. | ||
| - | дистанционное управление | 1 | (Mercruiser) | 65660 руб. | ||
| - | дистанционное управление | 1 | (Non Trim) | 121920 руб. | ||
| 1 | Art.: 815544A2 HANDLE ASSEMBLY, Control Деталей в узле: 1 2 | Art.: 10-43490 SCREW, (.312-18 x .375) Деталей в узле: 1 3 | Art.:  Кнопка Деталей в узле: 1 4 | Art.:  SWITCH, Paddle  ((Outboard and Mercruiser))Деталей в узле: 1 5 | Art.: 190294 COVER, Knob  ((Non Trim))Деталей в узле: 1 5 | Art.:  COVER, Trim  ((Outboard and Mercruiser))Деталей в узле: 1 6 | Art.: 814322 ROTATOR  ((Outboard and Mercruiser))Деталей в узле: 1 7 | Art.: 88568 Диск Деталей в узле: 1 8 | Art.: 19-19027 PLUG, Knob  ((Quanitity 2 for Non Trim))Деталей в узле: 1 9 | Art.: 14389A2 крышка в сборе Деталей в узле: 1 10 | Art.:  Прокладка Деталей в узле: 1 11 | Art.:  DECAL, Port Mounted Деталей в узле: 1 12 | Art.: 37-14517 DECAL, Shift Indicator Деталей в узле: 1 снято с производства 13 | Art.: 98529 буфер Деталей в узле: 1 цена по запросу 
										14 | Art.: 14385 BRACKET, Console Mount Деталей в узле: 2 цена по запросу 
										15 | Art.: 10-89044 винт (#10-32 x 2.25) Деталей в узле: 2 16 | Art.:  гайка (#10-32) Деталей в узле: 2 цена по запросу 
										17 | Art.: 10-66687 винт (#10-32 x 1.50) Деталей в узле: 4 18 | Art.: 11-42290 WELL NUT, (#10-32)  ((Outboard and Mercruiser))Деталей в узле: 4 19 | Art.: 84-812605A1 жгут проводов  ((Outboard))Деталей в узле: 1 цена по запросу 
										20 | Art.: 10-24231 винт (#10-32 x 0.250) Деталей в узле: 2 21 | Art.: 11-27164 гайка и стопорная шайба (#10-32) Деталей в узле: 2 22 | Art.: 85-623594 изолятор (2") Деталей в узле: 2 23 | Art.:  SWITCH/HARNESS ASSEMBLY, Neutral Start Деталей в узле: 1 24 | Art.: 87-817724 SWITCH, Micro Деталей в узле: 1 цена по запросу 
										25 | Art.: 84-812606A1 жгут проводов  ((Mercruiser))Деталей в узле: 1 снято с производства 26 | Art.: 87-19731 SWITCH, Toggle  ((Mercruiser))Деталей в узле: 1 27 | Art.: 85218A5 PLATE ASSEMBLY, Switch Mounting  ((Mercruiser))Деталей в узле: 1 цена по запросу 
										28 | Art.: 49440 гайка (0.468-32)  ((Mercruiser))Деталей в узле: 1 29 | Art.: 76424 BRACKET, Switch Mounting  ((Mercruiser))Деталей в узле: 1 30 | Art.: 16-55422 шпилька (#10-32 x 2.00)  ((Mercruiser))Деталей в узле: 2 31 | Art.: 12-24676 шайба (0.200 x 0.440 x 0.032)  ((Mercruiser))Деталей в узле: 2 32 | Art.: 11-68219 гайка (#10-32), нержавеющая сталь  ((Mercruiser))Деталей в узле: 2 33 | Art.: 54-816311T ленточный хомут (8") Деталей в узле: 1  | 
