200/225/250/275/300 4-STROKE VERADO (6 CYLINDER)
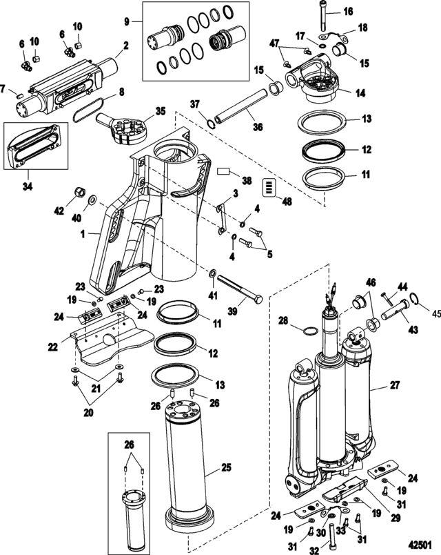
механизм гидроводъема Power Trim и цилиндр механизма рулевого управления
механизм гидроводъема Power Trim и цилиндр механизма рулевого управления
| № | Артикул | Наименование | Деталей в узле | Комментарий | Цена | |
| 1 | пьедестал | 1 | 179210 руб. | |||
| 2 | комплект цилиндра механизма рулевого управления | 1 | (Standard) | снято с производства | ||
| 3 | фиксатор | 2 | цена по запросу | |||
| 4 | шайба | 4 | 240 руб. | |||
| 5 | Винт (M8 x 30) | 4 | 3070 руб. | |||
| 6 | колено | 1 | (Standard) | 6920 руб. | ||
| 7 | виниловая выпускная крышка | 2 | (Standard) | 130 руб. | ||
| 8 | Уплотнение | 1 | цена по запросу | |||
| 9 | уплотнительный комплект цилиндра механизма рулевого управления | 1 | 15660 руб. | |||
| 10 | крышка фиттинга | 2 | (Standard) | 4360 руб. | ||
| 11 | Подшипник | 2 | цена по запросу | |||
| 12 | Уплотнение | 2 | цена по запросу | |||
| 13 | Подшипник | 2 | цена по запросу | |||
| 14 | головка рулевого управления | 1 | 147650 руб. | |||
| 15 | BEARING, (1.25 Inch) | 2 | 5470 руб. | |||
| 16 | винт (M14 x 105) | 6 | 5080 руб. | |||
| 17 | шайба | 7 | цена по запросу | |||
| 18 | Кабель в сборе | 1 | 2480 руб. | |||
| 19 | шайба | 6 | цена по запросу | |||
| 20 | Винт (М8 х 20) | 2 | 350 руб. | |||
| 21 | шайба | 2 | 520 руб. | |||
| 22 | PLATE, Deflector (Black) | 1 | 18810 руб. | |||
| 22 | PLATE, Deflector (Silver) | 1 | снято с производства | |||
| 23 | Винт (M6 x 14) | 2 | 280 руб. | |||
| 24 | анод | 4 | 4160 руб. | |||
| 25 | труба рулевого управления | 1 | цена по запросу | |||
| 26 | посадочный штифт (.375 x .875) | 6/8 | 1590 руб. | |||
| 27 | механизм гидроподъема Power Trim в сборе | 1 | снято с производства | |||
| 28 | уплотнительное кольцо | 1 | цена по запросу | |||
| 29 | анод | 1 | 8440 руб. | |||
| 30 | шайба | 6 | 2630 руб. | |||
| 31 | болт | 4 | 300 руб. | |||
| 32 | винт | 6 | 5010 руб. | |||
| 33 | Кабель в сборе | 1 | 1080 руб. | |||
| 34 | крышка | 1 | (Counter Rotation) | цена по запросу | ||
| 35 | рычаг рулевого управления | 1 | 51160 руб. | |||
| 36 | штифт регулировки наклона | 1 | 17250 руб. | |||
| 37 | стопорное кольцо | 1 | 740 руб. | |||
| 38 | NSS | Не продается по отдельности, маркировка - серийный номер | 1 | |||
| 39 | винт (.500-20 x 5.500) | 4 | 1450 руб. | |||
| 40 | Шайба (1.5 x 3.05 x 0.13), нержавеющая сталь | 4 | цена по запросу | |||
| 41 | шайба | 4 | цена по запросу | |||
| 42 | Гайка (0.500-20) | 4 | 720 руб. | |||
| 43 | стержень | 2 | цена по запросу | |||
| 44 | Штифт 3-кулачковый | 2 | 570 руб. | |||
| 45 | стопорное кольцо | 2 | 550 руб. | |||
| 46 | подшипник (.625") | 4 | SN# 1B733555 & Below | 790 руб. | ||
| 46 | BEARING, Flanged Journal | 4 | SN# 1B733556 & Up | 990 руб. | ||
| 47 | пробка | 2 | 550 руб. | |||
| 48 | наклейка - предупреждение | 1 | 100 руб. | |||
| - | NSS | NOT SOLD SEPARATE, Transom Assembly | 1 | |||
| 1 | Art.: пьедестал Деталей в узле: 1 2 | Art.: 896500A01 комплект цилиндра механизма рулевого управления ((Standard))Деталей в узле: 1 снято с производства 3 | Art.: 893409 фиксатор Деталей в узле: 2 цена по запросу
4 | Art.: 12-895853 шайба Деталей в узле: 4 5 | Art.: 10-88509530 Винт (M8 x 30) Деталей в узле: 4 6 | Art.: 22-889552 колено ((Standard))Деталей в узле: 1 7 | Art.: 889550 виниловая выпускная крышка ((Standard))Деталей в узле: 2 8 | Art.: 26-880667 Уплотнение Деталей в узле: 1 цена по запросу
9 | Art.: уплотнительный комплект цилиндра механизма рулевого управления Деталей в узле: 1 10 | Art.: 22-892524 крышка фиттинга ((Standard))Деталей в узле: 2 11 | Art.: 31-8806621 Подшипник Деталей в узле: 2 цена по запросу
12 | Art.: 26-880661 Уплотнение Деталей в узле: 2 цена по запросу
13 | Art.: 31-8806561 Подшипник Деталей в узле: 2 цена по запросу
14 | Art.: 880654T03 головка рулевого управления Деталей в узле: 1 15 | Art.: 31-8806551 BEARING, (1.25 Inch) Деталей в узле: 2 16 | Art.: 10-885094105 винт (M14 x 105) Деталей в узле: 6 17 | Art.: 12-885112 шайба Деталей в узле: 7 цена по запросу
18 | Art.: 88238T23 Кабель в сборе Деталей в узле: 1 19 | Art.: 12-889545 шайба Деталей в узле: 6 цена по запросу
20 | Art.: 10-4010720 Винт (М8 х 20) Деталей в узле: 2 21 | Art.: 12-72397 шайба Деталей в узле: 2 22 | Art.: 8M0045157 PLATE, Deflector (Black) Деталей в узле: 1 22 | Art.: 896120T PLATE, Deflector (Silver) Деталей в узле: 1 снято с производства 23 | Art.: 10-4000327 Винт (M6 x 14) Деталей в узле: 2 24 | Art.: 893404 анод Деталей в узле: 4 25 | Art.: труба рулевого управления Деталей в узле: 1 цена по запросу
26 | Art.: 17-885111 посадочный штифт (.375 x .875) Деталей в узле: 6/8 27 | Art.: механизм гидроподъема Power Trim в сборе Деталей в узле: 1 снято с производства 28 | Art.: 25-895854 уплотнительное кольцо Деталей в узле: 1 цена по запросу
29 | Art.: 880653 анод Деталей в узле: 1 30 | Art.: 12-889549 шайба Деталей в узле: 6 31 | Art.: 10-889543016 болт Деталей в узле: 4 32 | Art.: 10-88510450 винт Деталей в узле: 6 33 | Art.: 88238T24 Кабель в сборе Деталей в узле: 1 34 | Art.: 893405T крышка ((Counter Rotation))Деталей в узле: 1 цена по запросу
35 | Art.: 880665T01 рычаг рулевого управления Деталей в узле: 1 36 | Art.: 17-895390 штифт регулировки наклона Деталей в узле: 1 37 | Art.: стопорное кольцо Деталей в узле: 1 38 | Art.: -NSS Не продается по отдельности, маркировка - серийный номер Деталей в узле: 1 39 | Art.: винт (.500-20 x 5.500) Деталей в узле: 4 40 | Art.: 12-28421 Шайба (1.5 x 3.05 x 0.13), нержавеющая сталь Деталей в узле: 4 цена по запросу
41 | Art.: 12-895062 шайба Деталей в узле: 4 цена по запросу
42 | Art.: 11-82671117 Гайка (0.500-20) Деталей в узле: 4 43 | Art.: 17-884889002 стержень Деталей в узле: 2 цена по запросу
44 | Art.: 17-821539 Штифт 3-кулачковый Деталей в узле: 2 45 | Art.: 53-895304 стопорное кольцо Деталей в узле: 2 46 | Art.: 31-8806641 подшипник (.625") (SN# 1B733555 & Below)Деталей в узле: 4 46 | Art.: BEARING, Flanged Journal (SN# 1B733556 & Up)Деталей в узле: 4 47 | Art.: 19-95925 пробка Деталей в узле: 2 48 | Art.: 37-8M0043059 наклейка - предупреждение Деталей в узле: 1 - | Art.: -NSS NOT SOLD SEPARATE, Transom Assembly Деталей в узле: 1 | ||||||||||||||||||||||||||||||||||||||||||||||||||||
