75 AND 90 H.P.
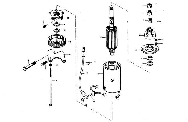
STARTER
STARTER
| № | Артикул | Наименование | Деталей в узле | Комментарий | Цена | |
| 1 | NUT, STOP RETAINING | 1 | снято с производства | |||
| 2 | STOP, PINION | 1 | снято с производства | |||
| 3 | Пружина | 1 | снято с производства | |||
| 4 | муфта сцепления в сборе | 1 | снято с производства | |||
| 5 | HEAD ASSEMBLY DRIVE END | 1 | снято с производства | |||
| 6 | HEX NUT, 1/4 - 20 | 2 | цена по запросу | |||
| 7 | PLAIN WASHER | 2 | цена по запросу | |||
| 8 | THRUST WASHER PACKAGE | 1 | снято с производства | |||
| 9 | сердечник | 1 | снято с производства | |||
| 10 | FRAME AND FIELD ASSEMBLY | 1 | снято с производства | |||
| 11 | BRUSH TERMINAL SET | 1 | цена по запросу | |||
| 12 | HEX LOCK NUT, 1/4 - 20 | 1 | снято с производства | |||
| 13 | THRU BOLT PACKAGE | 1 | снято с производства | |||
| 14 | стопорная шайба | 2 | снято с производства | |||
| 15 | HEX HD SCREW, 1/4 - 20 X 5/8 | 1 | цена по запросу | |||
| 16 | HEX CAP SCREW, 3/8 - 16 X 3 1/4 | 1 | снято с производства | |||
| 17 | STARTER BRACKET, LOWER | 1 | снято с производства | |||
| 18 | HEAD ASSEMBLY, COMMUTATOR END | 1 | ||||
| 19 | Набор пружин | 1 | цена по запросу | |||
| 20 | BRUSH PLATE AND HOLDER | 1 | цена по запросу | |||
| 21 | STARTER LEAD WIRE | 1 | цена по запросу | |||
| 22 | зажим | 1 | снято с производства | |||
| 23 | BENDIX | 1 | снято с производства | |||
| - | STARTER COMPLETE | 1 | снято с производства | |||
| 1 | Art.: NUT, STOP RETAINING Деталей в узле: 1 снято с производства 2 | Art.: F15112 STOP, PINION Деталей в узле: 1 снято с производства 3 | Art.: F15080 Пружина Деталей в узле: 1 снято с производства 4 | Art.: муфта сцепления в сборе Деталей в узле: 1 снято с производства 5 | Art.: F15021-1 HEAD ASSEMBLY DRIVE END Деталей в узле: 1 снято с производства 6 | Art.: HEX NUT, 1/4 - 20 Деталей в узле: 2 цена по запросу 7 | Art.: PLAIN WASHER Деталей в узле: 2 цена по запросу 8 | Art.: F15073 THRUST WASHER PACKAGE Деталей в узле: 1 снято с производства 9 | Art.: F15099 сердечник Деталей в узле: 1 снято с производства 10 | Art.: F15101 FRAME AND FIELD ASSEMBLY Деталей в узле: 1 снято с производства 11 | Art.: BRUSH TERMINAL SET Деталей в узле: 1 цена по запросу 12 | Art.: HEX LOCK NUT, 1/4 - 20 Деталей в узле: 1 снято с производства 13 | Art.: F15035 THRU BOLT PACKAGE Деталей в узле: 1 снято с производства 14 | Art.: F8060 стопорная шайба Деталей в узле: 2 снято с производства 15 | Art.: HEX HD SCREW, 1/4 - 20 X 5/8 Деталей в узле: 1 цена по запросу 16 | Art.: HEX CAP SCREW, 3/8 - 16 X 3 1/4 Деталей в узле: 1 |
