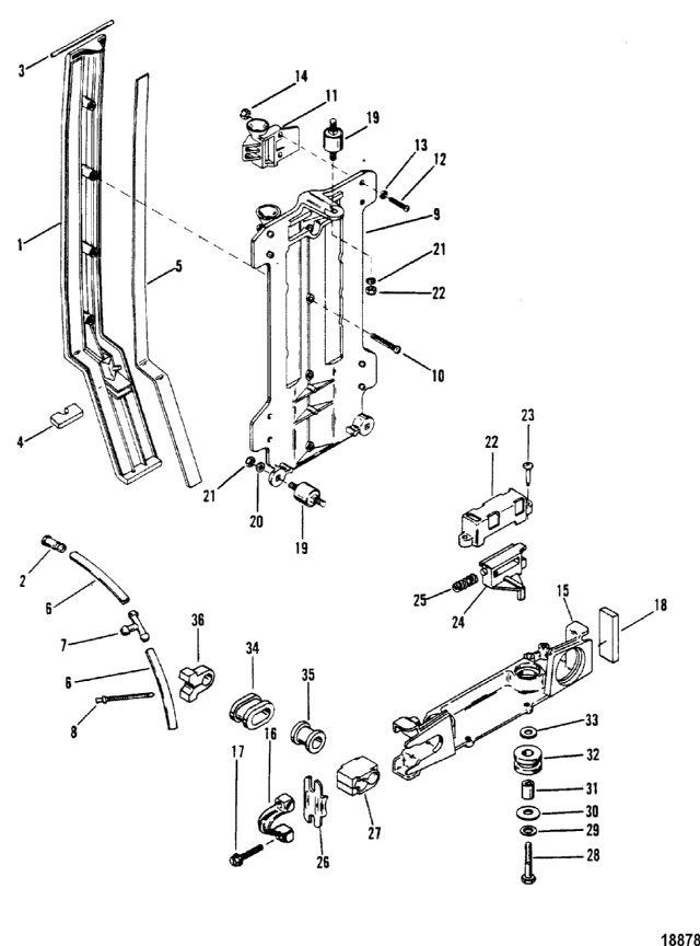
150 H.P. XR-2 MARATHON MAGNUM (V-6) (1978-1985 COMBINED BOOK)
кронштейны крепления колпака
кронштейны крепления колпака
| № | Артикул | Наименование | Деталей в узле | Комментарий | Цена | |
| 1 | Кронштейн задней части колпака | 1 | (BLACK) | снято с производства | ||
| 1 | Кронштейн задней части колпака | 1 | (GRAY) | снято с производства | ||
| 2 | распылитель | 1 | цена по запросу | |||
| 3 | Уплотнение | 1 | снято с производства | |||
| 4 | Уплотнение | 1 | снято с производства | |||
| 5 | Уплотнение | 2 | снято с производства | |||
| 6 | LINE, (57.00 Inches Bulk), TELL TALE | 2 | цена по запросу | |||
| 7 | тройник | 1 | SN# ME-586677/MA-5940581 & Up | 2430 руб. | ||
| 8 | ленточный хомут (14") | 2 | 150 руб. | |||
| 9 | Кронштейн в сборе | 1 | снято с производства | |||
| 10 | винт (#10-32 x 1.50) | 4 | 150 руб. | |||
| 11 | Корпус | 2 | (PORT) | снято с производства | ||
| 11 | Корпус | 2 | (STARBOARD) | снято с производства | ||
| 12 | винт (1") | 8 | цена по запросу | |||
| 13 | шайба | 8 | 180 руб. | |||
| 14 | гайка (0.250-28) | 8 | 120 руб. | |||
| 15 | кронштейн | 1 | SN# ME-6443213/MA-6443818 & Up | снято с производства | ||
| 15 | кронштейн | 1 | SN# ME-5866777/MA-5940581 THRU ME-6443212/MA-6443817 | снято с производства | ||
| 15 | кронштейн | 1 | SN# ME-5866776/MA-5940580 & Below | снято с производства | ||
| 16 | фиксатор | 1 | SN# 6616990 & Below | снято с производства | ||
| 16 | фиксатор | 1 | SN# 6616991 & Up | снято с производства | ||
| 17 | винт (#10-24 x 1.00) | 2 | снято с производства | |||
| 18 | Уплотнение | 1 | снято с производства | |||
| 19 | Крепление | 3 | 7990 руб. | |||
| 20 | шайба | 6 | 900 руб. | |||
| 21 | гайка (0.250-28) | 6 | 120 руб. | |||
| 22 | Корпус | 1 | 3120 руб. | |||
| 23 | винт (10-16 x .75) | 2 | 200 руб. | |||
| 24 | защелка | 1 | SN# ME-6443212/MA-6443817 & Below | снято с производства | ||
| 24 | защелка колпака | 1 | SN# ME-6443213/MA-6443818 & Up | снято с производства | ||
| 25 | Пружина | 1 | цена по запросу | |||
| 26 | Пластина | 1 | SN# ME-5866776/MA-5940580 & Below | снято с производства | ||
| 26 | Пластина | 1 | SN# ME-6443213/MA-6443818 & Up | снято с производства | ||
| 27 | фиксатор | 1 | SN# ME-6443213/MA-6443818 & Up | снято с производства | ||
| 28 | винт (0.250-20 x 1.375) | 2 | SN# ME-6443213/MA-6443818 & Up | 390 руб. | ||
| 29 | шайба маленькая | 4 | SN# ME-6443213/MA-6443818 & Up | цена по запросу | ||
| 30 | шайба большая | 4 | SN# ME-6443213/MA-6443818 & Up | цена по запросу | ||
| 31 | вкладыш | 2 | SN# ME-6443213/MA-6443818 & Up | снято с производства | ||
| 32 | резиновая втулка | 2 | SN# ME-6443213/MA-6443818 & Up | снято с производства | ||
| 33 | шайба | 2 | SN# ME-6443213/MA-6443818 & Up | цена по запросу | ||
| 34 | резиновая втулка | 2 | SN# ME-6443212/MA-6443817 & Below | снято с производства | ||
| 35 | резиновая втулка | 1 | SN# ME-5866776/MA-5940580 & Below | снято с производства | ||
| 36 | Уплотнение | 1 | SN# ME-5432021 & Below | снято с производства | ||
| 1 | Art.: 76258A2 Кронштейн задней части колпака ((BLACK))Деталей в узле: 1 снято с производства 1 | Art.: 76258A3 Кронштейн задней части колпака ((GRAY))Деталей в узле: 1 снято с производства 2 | Art.: 22-76256 распылитель Деталей в узле: 1 цена по запросу
3 | Art.: 67984 Уплотнение Деталей в узле: 1 снято с производства 4 | Art.: 67228 Уплотнение Деталей в узле: 1 снято с производства 5 | Art.: 67999 Уплотнение Деталей в узле: 2 снято с производства 6 | LINE, (57.00 Inches Bulk), TELL TALE Деталей в узле: 2 цена по запросу 7 | Art.: тройник (SN# ME-586677/MA-5940581 & Up)Деталей в узле: 1 8 | Art.: 61990 ленточный хомут (14") Деталей в узле: 2 9 | Art.: 86386A1 Кронштейн в сборе Деталей в узле: 1 снято с производства 10 | Art.: 10-66687 винт (#10-32 x 1.50) Деталей в узле: 4 11 | Art.: 85651 Корпус ((PORT))Деталей в узле: 2 снято с производства 11 | Art.: 85650 Корпус ((STARBOARD))Деталей в узле: 2 снято с производства 12 | Art.: винт (1") Деталей в узле: 8 цена по запросу 13 | Art.: 12-20583 шайба Деталей в узле: 8 14 | Art.: гайка (0.250-28) Деталей в узле: 8 15 | Art.: 99424 кронштейн (SN# ME-6443213/MA-6443818 & Up)Деталей в узле: 1 снято с производства 15 | Art.: 92009T кронштейн (SN# ME-5866777/MA-5940581 THRU ME-6443212/MA-6443817)Деталей в узле: 1 снято с производства 15 | Art.: 88623A1 кронштейн (SN# ME-5866776/MA-5940580 & Below)Деталей в узле: 1 снято с производства 16 | Art.: 88621 фиксатор (SN# 6616990 & Below)Деталей в узле: 1 снято с производства 16 | Art.: фиксатор (SN# 6616991 & Up)Деталей в узле: 1 снято с производства 17 | Art.: 10-89900 винт (#10-24 x 1.00) Деталей в узле: 2 снято с производства 18 | Art.: 67260 Уплотнение Деталей в узле: 1 снято с производства 19 | Art.: 90435 Крепление Деталей в узле: 3 20 | Art.: 12-21249 шайба Деталей в узле: 6 21 | Art.: гайка (0.250-28) Деталей в узле: 6 22 | Art.: 67241 Корпус Деталей в узле: 1 23 | Art.: 10-92051 винт (10-16 x .75) Деталей в узле: 2 24 | Art.: 76264 защелка (SN# ME-6443212/MA-6443817 & Below)Деталей в узле: 1 снято с производства 24 | Art.: 87608 защелка колпака (SN# ME-6443213/MA-6443818 & Up)Деталей в узле: 1 снято с производства 25 | Art.: 24-60295 Пружина Деталей в узле: 1 цена по запросу
26 | Art.: 88622 Пластина (SN# ME-5866776/MA-5940580 & Below)Деталей в узле: 1 снято с производства 26 | Art.: 88622 Пластина (SN# ME-6443213/MA-6443818 & Up)Деталей в узле: 1 снято с производства 27 | Art.: 99391 фиксатор (SN# ME-6443213/MA-6443818 & Up)Деталей в узле: 1 снято с производства 28 | Art.: 10-69067 винт (0.250-20 x 1.375) (SN# ME-6443213/MA-6443818 & Up)Деталей в узле: 2 29 | Art.: шайба маленькая (SN# ME-6443213/MA-6443818 & Up)Деталей в узле: 4 цена по запросу 30 | Art.: шайба большая (SN# ME-6443213/MA-6443818 & Up)Деталей в узле: 4 цена по запросу 31 | Art.: 23-88180 вкладыш (SN# ME-6443213/MA-6443818 & Up)Деталей в узле: 2 снято с производства 32 | Art.: 25-88033 резиновая втулка (SN# ME-6443213/MA-6443818 & Up)Деталей в узле: 2 |
