35 HP (1987) FORCE
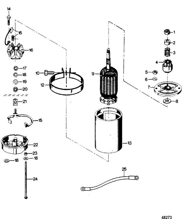
Electric Starter
Electric Starter
| № | Артикул | Наименование | Деталей в узле | Комментарий | Цена | |
| 1 | STOP NUT, Pinion, PINION | 1 | 7050 руб. | |||
| 2 | STOP, Pinion | 1 | 7050 руб. | |||
| 3 | SPRING, Anti-Drift | 1 | 7050 руб. | |||
| 4 | DRIVE, Pinion | 1 | снято с производства | |||
| 5 | гайка (.250-20) нержавеющая сталь | 2 | цена по запросу | |||
| 6 | стопорная шайба (0.250) | 2 | цена по запросу | |||
| 7 | CAP, Drive End | 1 | снято с производства | |||
| 8 | упорная шайба | 1 | снято с производства | |||
| 9 | сердечник | 1 | снято с производства | |||
| 10 | винт (0.250-20 x 0.750) | 1 | цена по запросу | |||
| 11 | WASHER, Plain | 1 | цена по запросу | |||
| 12 | CLAMP, STARTER MOTOR | 1 | снято с производства | |||
| 14 | SCREW, BRUSH HOLDER | 2 | снято с производства | |||
| 15 | комплект контактной щетки | 1 | снято с производства | |||
| 16 | держатель контактной щетки | 1 | снято с производства | |||
| 17 | NUT, HOT LEAD | 1 | снято с производства | |||
| 18 | стопорная шайба | 3 | цена по запросу | |||
| 19 | шайба | 1 | цена по запросу | |||
| 20 | шайба | 1 | снято с производства | |||
| 21 | изолятор | 1 | цена по запросу | |||
| 22 | CAP, COMMUTATOR END | 1 | снято с производства | |||
| 23 | SPACER WASHER, THRU BOLT | 1 | снято с производства | |||
| 24 | стяжной болт | 2 | цена по запросу | |||
| 25 | Кабель стартера в сборе | 1 | снято с производства | |||
| - | STARTER MOTOR ASSEMBLY (NOT SHOWN) | 1 | снято с производства | |||
| 1 | STOP NUT, Pinion, PINION Деталей в узле: 1 2 | STOP, Pinion Деталей в узле: 1 3 | SPRING, Anti-Drift Деталей в узле: 1 4 | Art.: F15150 DRIVE, Pinion Деталей в узле: 1 снято с производства 5 | Art.:  гайка (.250-20) нержавеющая сталь Деталей в узле: 2 цена по запросу 6 | Art.:  стопорная шайба (0.250) Деталей в узле: 2 цена по запросу 7 | Art.: F15154 CAP, Drive End Деталей в узле: 1 снято с производства 8 | Art.: F15155 упорная шайба Деталей в узле: 1 снято с производства 9 | Art.: F15156-1 сердечник Деталей в узле: 1 снято с производства 10 | Art.:  винт (0.250-20 x 0.750) Деталей в узле: 1 цена по запросу 11 | Art.:  WASHER, Plain Деталей в узле: 1 цена по запросу 12 | Art.: F460573 CLAMP, STARTER MOTOR Деталей в узле: 1 снято с производства 14 | Art.: F15158 SCREW, BRUSH HOLDER Деталей в узле: 2 снято с производства 15 | комплект контактной щетки Деталей в узле: 1 снято с производства 16 | держатель контактной щетки Деталей в узле: 1 снято с производства 17 | Art.: F15162 NUT, HOT LEAD Деталей в узле: 1 снято с производства 18 | Art.:  стопорная шайба Деталей в узле: 3 цена по запросу 19 | Art.:  шайба Деталей в узле: 1 цена по запросу 20 | Art.:  шайба Деталей в узле: 1 снято с производства 21 | Art.:  изолятор Деталей в узле: 1 цена по запросу 22 | Art.: F15163 CAP, COMMUTATOR END Деталей в узле: 1 снято с производства 23 | Art.: F15153 SPACER WASHER, THRU BOLT Деталей в узле: 1 снято с производства 24 | Art.:  стяжной болт Деталей в узле: 2 цена по запросу 25 | Art.: 84-F85908-1 Кабель стартера в сборе Деталей в узле: 1 снято с производства - | Art.:  STARTER MOTOR ASSEMBLY (NOT SHOWN) Деталей в узле: 1 снято с производства | ||||||||||||||||||||||||||
