8/9.9 (209CC) 4-STROKE
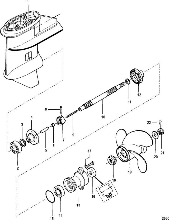
корпус редуктора, вал гребного винта (не для BigFoot)
корпус редуктора, вал гребного винта (не для BigFoot)
| № | Артикул | Наименование | Деталей в узле | Комментарий | Цена | |
| 1 | Корпус редуктора в сборе | 1 | цена по запросу | |||
| 2 | Шариковый подшипник | 1 | 2290 руб. | |||
| 3 | регулировочная прокладка (0.15) | AR | 660 руб. | |||
| 3 | регулировочная прокладка (0.1) | AR | 450 руб. | |||
| 4 | Шестерня переднего хода | 1 | цена по запросу | |||
| 5 | толкатель кулачка | 1 | 720 руб. | |||
| 6 | Фиксатор пружины | 1 | 320 руб. | |||
| 7 | муфта сцепления | 1 | 12080 руб. | |||
| 8 | стержень муфты сцепления | 1 | 110 руб. | |||
| 9 | пружина (58 мм) | 1 | 130 руб. | |||
| 10 | вал гребного винта | 1 | 10890 руб. | |||
| 11 | шайба | 1 | 300 руб. | |||
| 12 | Шестерня заднего хода | 1 | цена по запросу | |||
| 13 | подшипник опоры в сборе | 1 | снято с производства | |||
| 14 | Шариковый подшипник | 1 | 2190 руб. | |||
| 15 | уплотнительное кольцо | 1 | 330 руб. | |||
| 16 | Сальник | 1 | 510 руб. | |||
| 17 | Болт (M6 x 20) | 2 | 260 руб. | |||
| 18 | упорный держатель | 1 | цена по запросу | |||
| 19 | гребной винт (8.9 x 10) | OPT. | снято с производства | |||
| 19 | гребной винт (8.9 x 8.3) | 1 | 9.9 Horsepower | 15910 руб. | ||
| 19 | гребной винт (8.5 x 6.5) | OPT. | цена по запросу | |||
| 19 | гребной винт (8.9 x 7) | OPT. | 15910 руб. | |||
| 19 | гребной винт (8.5 x 7.5) | 1 | 8 Horsepower | 15910 руб. | ||
| 20 | шайба | 1 | 170 руб. | |||
| 21 | Гайка гребного винта | 1 | цена по запросу | |||
| 22 | шплинт | 1 | цена по запросу | |||
| - | редуктор в сборе | 1 | Short | цена по запросу | ||
| - | редуктор в сборе | 1 | Long | цена по запросу | ||
| - | Нижний набор прокладок | 1 | цена по запросу | |||
| 1 | Art.: 1668-895154T01 Корпус редуктора в сборе Деталей в узле: 1 цена по запросу
| ||||||||||||||||||||||||||||||||||||||||||||||||||||||||||
| 2 | Art.: 30-8037331 Шариковый подшипник Деталей в узле: 1 3 | Art.: 15-813277 регулировочная прокладка (0.15) Деталей в узле: AR 3 | Art.: 15-16141 регулировочная прокладка (0.1) Деталей в узле: AR 4 | Art.: 43-8037391 Шестерня переднего хода Деталей в узле: 1 цена по запросу
5 | Art.: 16152 толкатель кулачка Деталей в узле: 1 6 | Art.: 8537642 Фиксатор пружины Деталей в узле: 1 7 | Art.: 52-8037451 муфта сцепления Деталей в узле: 1 8 | Art.: 17-16150 стержень муфты сцепления Деталей в узле: 1 9 | Art.: 24-892777002 пружина (58 мм) Деталей в узле: 1 10 | Art.: вал гребного винта Деталей в узле: 1 11 | Art.: 12-16140 шайба Деталей в узле: 1 12 | Art.: 43-8037411 Шестерня заднего хода Деталей в узле: 1 цена по запросу
13 | Art.: 803732T03 подшипник опоры в сборе Деталей в узле: 1 снято с производства 14 | Art.: 30-16128 Шариковый подшипник Деталей в узле: 1 15 | Art.: 25-16131 уплотнительное кольцо Деталей в узле: 1 16 | Art.: 26-16130 Сальник Деталей в узле: 1 17 | Art.: 10-167051 Болт (M6 x 20) Деталей в узле: 2 18 | Art.: упорный держатель Деталей в узле: 1 цена по запросу
19 | Art.: гребной винт (8.9 x 10) Деталей в узле: OPT. снято с производства 19 | Art.: гребной винт (8.9 x 8.3) (9.9 Horsepower)Деталей в узле: 1 19 | Art.: гребной винт (8.5 x 6.5) Деталей в узле: OPT. цена по запросу
19 | Art.: гребной винт (8.9 x 7) Деталей в узле: OPT. 19 | Art.: гребной винт (8.5 x 7.5) (8 Horsepower)Деталей в узле: 1 20 | Art.: 12-16146 шайба Деталей в узле: 1 21 | Art.: 11-16147 Гайка гребного винта Деталей в узле: 1 цена по запросу
22 | Art.: 18-815026 шплинт Деталей в узле: 1 цена по запросу
- | редуктор в сборе (Short)Деталей в узле: 1 цена по запросу
- | редуктор в сборе (Long)Деталей в узле: 1 цена по запросу
- | Art.: Нижний набор прокладок Деталей в узле: 1 цена по запросу | ||||||||||||||||||||||||||||||
