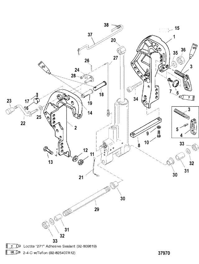
40/50 H.P. JET 30 (3 CYL.)
кронштейн крепления двигателя
кронштейн крепления двигателя
| № | Артикул | Наименование | Деталей в узле | Комментарий | Цена | |
| 1 | кронштейн крепления двигателя | 1 | (BLACK) PORT | 50220 руб. | ||
| 1 | кронштейн крепления двигателя | 1 | (GRAY) PORT | снято с производства | ||
| 2 | кронштейн крепления двигателя | 1 | (BLACK) STARBOARD | 49280 руб. | ||
| 2 | кронштейн крепления двигателя | 1 | (GRAY) STARBOARD | снято с производства | ||
| 3 | струбцинный винт с откидной ручкой в сборе | 2 | MANUAL | 19450 руб. | ||
| 4 | NSS | не продается по отдельности, ручка | 2 | MANUAL | ||
| 5 | NSS | не продается по отдельности, заклепка | 2 | MANUAL | ||
| 6 | шайба | 2 | MANUAL | 1650 руб. | ||
| 7 | винт с 6-тигранным плечиком | 2 | MANUAL | 340 руб. | ||
| 8 | анод | 1 | 1720 руб. | |||
| 9 | шайба (0.281 x 0.500 x 0.060) нержавеющая сталь | 2 | цена по запросу | |||
| 10 | Винт (M6 x 25) | 2 | цена по запросу | |||
| 11 | Гайка (0.500-20) | 2 | 760 руб. | |||
| 12 | Шайба (1.5 x 3.05 x 0.13), нержавеющая сталь | 2 | цена по запросу | |||
| 13 | винт (0.500-20 x 4.00) | 2 | 2920 руб. | |||
| 14 | наклейка фиксатора наклона | 1 | 520 руб. | |||
| 15 | NSS | не продается по отдельности, наклейка - предупреждение | 1 | |||
| 16 | Крышка | 1 | цена по запросу | |||
| 17 | стержень (0.125 x 0.75") | 1 | 580 руб. | |||
| 18 | вкладыш | 1 | снято с производства | |||
| 19 | стержень | 1 | снято с производства | |||
| 20 | Гидропривод | 1 | GAS ASSIST TRIM | цена по запросу | ||
| 21 | Кабель в сборе | 1 | GAS ASSIST TRIM | 1400 руб. | ||
| 22 | рычаг механизма наклона | 1 | GAS ASSIST TRIM | 7950 руб. | ||
| 23 | головка ручки наклона | 1 | GAS ASSIST TRIM | 1490 руб. | ||
| 24 | плечо рычага | 1 | GAS ASSIST TRIM | 1330 руб. | ||
| 25 | пружинная шайба | 1 | GAS ASSIST TRIM | 230 руб. | ||
| 26 | стержень (0.125 x 0.75") | 1 | GAS ASSIST TRIM | 580 руб. | ||
| 27 | приводная штанга | 1 | GAS ASSIST TRIM | 4590 руб. | ||
| 28 | гайка (#10-32) | 1 | GAS ASSIST TRIM | цена по запросу | ||
| 29 | PIN, Anchor (14 mm) | 1 | GAS ASSIST TRIM & POWER TRIM MOUNTING | 10810 руб. | ||
| 30 | вкладыш | 2 | GAS ASSIST TRIM & POWER TRIM MOUNTING | 2350 руб. | ||
| 31 | вкладыш | 2 | GAS ASSIST TRIM & POWER TRIM MOUNTING | 2850 руб. | ||
| 32 | шайба | 2 | GAS ASSIST TRIM & POWER TRIM MOUNTING | 450 руб. | ||
| 33 | гайка (M14) | 2 | GAS ASSIST TRIM & POWER TRIM MOUNTING | 970 руб. | ||
| 34 | винт (M10 x 40) нержавеющая сталь | 2 | GAS ASSIST TRIM & POWER TRIM MOUNTING | 1650 руб. | ||
| 35 | шайба | 2 | GAS ASSIST TRIM & POWER TRIM MOUNTING | 310 руб. | ||
| 36 | Гайка (М10) | 2 | GAS ASSIST TRIM & POWER TRIM MOUNTING | цена по запросу | ||
| 37 | стержень | 1 | NON POWER TRIM | снято с производства | ||
| 38 | Пружина | 1 | NON POWER TRIM | 230 руб. | ||
| 1 | Art.: кронштейн крепления двигателя ((BLACK) PORT)Деталей в узле: 1 1 | Art.: 3411-821773A2 кронштейн крепления двигателя ((GRAY) PORT)Деталей в узле: 1 снято с производства 2 | Art.: кронштейн крепления двигателя ((BLACK) STARBOARD)Деталей в узле: 1 2 | Art.: кронштейн крепления двигателя ((GRAY) STARBOARD)Деталей в узле: 1 снято с производства 3 | Art.: 10-818883A1 струбцинный винт с откидной ручкой в сборе (MANUAL)Деталей в узле: 2 4 | Art.: -NSS не продается по отдельности, ручка (MANUAL)Деталей в узле: 2 5 | Art.: -NSS не продается по отдельности, заклепка (MANUAL)Деталей в узле: 2 6 | Art.: 12-818884 шайба (MANUAL)Деталей в узле: 2 7 | Art.: 10-768042 винт с 6-тигранным плечиком (MANUAL)Деталей в узле: 2 8 | Art.: анод Деталей в узле: 1 9 | Art.: 12-29245 шайба (0.281 x 0.500 x 0.060) нержавеющая сталь Деталей в узле: 2 цена по запросу
10 | Art.: 10-4000330 Винт (M6 x 25) Деталей в узле: 2 цена по запросу
11 | Art.: Гайка (0.500-20) Деталей в узле: 2 12 | Art.: 12-28421 Шайба (1.5 x 3.05 x 0.13), нержавеющая сталь Деталей в узле: 2 цена по запросу
13 | Art.: 10-814259 винт (0.500-20 x 4.00) Деталей в узле: 2 14 | Art.: 37-830253 наклейка фиксатора наклона Деталей в узле: 1 15 | Art.: -NSS не продается по отдельности, наклейка - предупреждение Деталей в узле: 1 16 | Art.: 822401 Крышка Деталей в узле: 1 цена по запросу
17 | Art.: 17-25319 стержень (0.125 x 0.75") Деталей в узле: 1 18 | Art.: 23-823589 вкладыш Деталей в узле: 1 снято с производства 19 | Art.: 17-8224001 стержень Деталей в узле: 1 снято с производства 20 | Art.: Гидропривод (GAS ASSIST TRIM)Деталей в узле: 1 цена по запросу
21 | Art.: 88238A11 Кабель в сборе (GAS ASSIST TRIM)Деталей в узле: 1 22 | Art.: 828924 рычаг механизма наклона (GAS ASSIST TRIM)Деталей в узле: 1 23 | Art.: головка ручки наклона (GAS ASSIST TRIM)Деталей в узле: 1 24 | Art.: 828930 плечо рычага (GAS ASSIST TRIM)Деталей в узле: 1 25 | Art.: 13-31030 пружинная шайба (GAS ASSIST TRIM)Деталей в узле: 1 26 | Art.: 17-25319 стержень (0.125 x 0.75") (GAS ASSIST TRIM)Деталей в узле: 1 27 | Art.: 8289961 приводная штанга (GAS ASSIST TRIM)Деталей в узле: 1 28 | Art.: гайка (#10-32) (GAS ASSIST TRIM)Деталей в узле: 1 цена по запросу
29 | Art.: PIN, Anchor (14 mm) (GAS ASSIST TRIM & POWER TRIM MOUNTING)Деталей в узле: 1 30 | Art.: 23-822482 вкладыш (GAS ASSIST TRIM & POWER TRIM MOUNTING)Деталей в узле: 2 31 | Art.: 23-822484 вкладыш (GAS ASSIST TRIM & POWER TRIM MOUNTING)Деталей в узле: 2 32 | Art.: 12-825190 шайба (GAS ASSIST TRIM & POWER TRIM MOUNTING)Деталей в узле: 2 33 | Art.: гайка (M14) (GAS ASSIST TRIM & POWER TRIM MOUNTING)Деталей в узле: 2 34 | Art.: 10-4009040 винт (M10 x 40) нержавеющая сталь (GAS ASSIST TRIM & POWER TRIM MOUNTING)Деталей в узле: 2 35 | Art.: 12-4002319 шайба (GAS ASSIST TRIM & POWER TRIM MOUNTING)Деталей в узле: 2 36 | Art.: Гайка (М10) (GAS ASSIST TRIM & POWER TRIM MOUNTING)Деталей в узле: 2 цена по запросу 37 | Art.: 17-853923A1 стержень (NON POWER TRIM)Деталей в узле: 1 снято с производства 38 | Art.: 24-821461 Пружина (NON POWER TRIM)Деталей в узле: 1 | |||||||||||||||||||||||||||||||||||||||||
