6/8/SAILMATE 9.9/SAILPOWER 15 H.P.
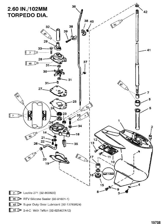
корпус редуктора, вертикальный вал, передаточное отношение - 2.00:1
корпус редуктора, вертикальный вал, передаточное отношение - 2.00:1
| № | Артикул | Наименование | Деталей в узле | Комментарий | Цена | |
| 1 | GEAR HOUSING ASSEMBLY, Basic-Gray | 1 | (GRAY) | снято с производства | ||
| 1 | GEAR HOUSING ASSEMBLY, Basic-Black | 1 | (BLACK) | 86480 руб. | ||
| 1 | Корпус редуктора в сборе | 1 | (TRACKER GRAPHITE GRAY) | снято с производства | ||
| 2 | вкладыш (0.31 x 0.45 x 0.50) | 1 | 260 руб. | |||
| 3 | FITTING KIT, Magnetic, Plug Fill/Drain | 1 | цена по запросу | |||
| 4 | WASHER, Fiber | 1 | цена по запросу | |||
| 5 | втулка в сборе | 1 | 4380 руб. | |||
| 6 | втулка | 1 | 1790 руб. | |||
| 7 | вкладыш | 1 | 2410 руб. | |||
| 8 | винт (0.375-16 x 0.250) | 1 | цена по запросу | |||
| 9 | WASHER, Fiber | 1 | цена по запросу | |||
| 10 | Экран | 1 | 700 руб. | |||
| 11 | винт (0.250-14 x 0.88) | 2 | 490 руб. | |||
| 12 | анод в сборе | 1 | 1090 руб. | |||
| 13 | винт (0.250-14 x 0.88) | 1 | 490 руб. | |||
| 14 | Уплотнение | 1 | 140 руб. | |||
| 15 | GEAR, Pinion - 13-26 (13 TEETH) | 1 | 11090 руб. | |||
| 16 | шайба | 1 | 530 руб. | |||
| 17 | роликовый подшипник | 1 | 3570 руб. | |||
| 18 | основание водяного насоса в сборе | 1 | 5430 руб. | |||
| 19 | Прокладка | 1 | 640 руб. | |||
| 20 | Уплотнение | 1 | 560 руб. | |||
| 21 | фиксатор | 1 | 190 руб. | |||
| 22 | Винт (#10-16 x 0.500) | 1 | 210 руб. | |||
| 23 | кольцо с квадратным сечением | 1 | 260 руб. | |||
| 24 | Сальник | 2 | 1090 руб. | |||
| 25 | прокладка пластины водяного насоса | 1 | 520 руб. | |||
| 26 | Водяная труба в сборе | 1 | 2940 руб. | |||
| 27 | Пластина основания | 1 | 1640 руб. | |||
| 28 | крышка в сборе | 1 | 3770 руб. | |||
| 29 | Уплотнение | 1 | 730 руб. | |||
| 30 | Крыльчатка | 1 | 4240 руб. | |||
| 31 | шпонка в сборе | 1 | 490 руб. | |||
| 32 | Направляющая | 1 | 1190 руб. | |||
| 33 | Винт (М6 х 30) | 5 | цена по запросу | |||
| 34 | шайба (0.281 x 0.500 x 0.060) нержавеющая сталь | 1 | цена по запросу | |||
| 35 | кулачок | 1 | 1950 руб. | |||
| 36 | вал механизма переключения передач | 1 | (LONG) | 13110 руб. | ||
| 36 | вал механизма переключения передач | 1 | (SHORT) | 10620 руб. | ||
| 37 | Е-обазная стопорная шайба | 1 | 110 руб. | |||
| 38 | Направляющая | 2 | 7260 руб. | |||
| 39 | винт (M5 x 25) нержавеющая сталь | 1 | 260 руб. | |||
| 40 | гайка (M5) | 1 | 520 руб. | |||
| 41 | Вертикальный вал | 1 | (SHORT) | 38140 руб. | ||
| 41 | Вертикальный вал | 1 | (LONG) | 47630 руб. | ||
| 42 | упорная шайба | 1 | 460 руб. | |||
| - | комплект водяного насоса | 1 | 16950 руб. | |||
| - | Уплотнительный комплект | 1 | 8760 руб. | |||
| - | Корпус редуктора в сборе | 1 | (SHORT) BLACK | 211290 руб. | ||
| - | Корпус редуктора в сборе | 1 | (LONG) BLACK | 190830 руб. | ||
| - | Корпус редуктора в сборе | 1 | (SHORT) GRAY | снято с производства | ||
| - | Корпус редуктора в сборе | 1 | (LONG) GRAY | не посталяется заказывайте 8833T15 | ||
| - | редуктор в сборе | 1 | (TRACKER GRAPHITE GRAY) | снято с производства | ||
| - | Набор прокладок двигателя | 1 | 15630 руб. | |||
| 1 | Art.: 1666-8833A18 GEAR HOUSING ASSEMBLY, Basic-Gray ((GRAY))Деталей в узле: 1 снято с производства 1 | Art.: GEAR HOUSING ASSEMBLY, Basic-Black ((BLACK))Деталей в узле: 1 1 | Art.: 1666-8833A20 Корпус редуктора в сборе ((TRACKER GRAPHITE GRAY))Деталей в узле: 1 снято с производства 2 | Art.: 23-12009 вкладыш (0.31 x 0.45 x 0.50) Деталей в узле: 1 3 | FITTING KIT, Magnetic, Plug Fill/Drain Деталей в узле: 1 цена по запросу 4 | WASHER, Fiber Деталей в узле: 1 цена по запросу 5 | Art.: 822244A1 втулка в сборе Деталей в узле: 1 6 | Art.: 23-823944 втулка Деталей в узле: 1 7 | Art.: 23-823943 вкладыш Деталей в узле: 1 8 | винт (0.375-16 x 0.250) Деталей в узле: 1 цена по запросу 9 | WASHER, Fiber Деталей в узле: 1 цена по запросу 10 | Art.: 35-421991 Экран Деталей в узле: 1 11 | Art.: 10-13954 винт (0.250-14 x 0.88) Деталей в узле: 2 12 | Art.: анод в сборе Деталей в узле: 1 13 | Art.: 10-13954 винт (0.250-14 x 0.88) Деталей в узле: 1 14 | Art.: 26-42133 Уплотнение Деталей в узле: 1 15 | Art.: 43-8219251 GEAR, Pinion - 13-26 (13 TEETH) Деталей в узле: 1 16 | Art.: 12-41369 шайба Деталей в узле: 1 17 | Art.: 31-22756 роликовый подшипник Деталей в узле: 1 18 | Art.: основание водяного насоса в сборе Деталей в узле: 1 19 | Art.: Прокладка Деталей в узле: 1 20 | Art.: 26-33613 Уплотнение Деталей в узле: 1 21 | Art.: 42375 фиксатор Деталей в узле: 1 22 | Art.: 10-48408 Винт (#10-16 x 0.500) Деталей в узле: 1 23 | Art.: 25-822236 кольцо с квадратным сечением Деталей в узле: 1 24 | Art.: 26-413651 Сальник Деталей в узле: 2 25 | Art.: прокладка пластины водяного насоса Деталей в узле: 1 26 | Art.: 32-42185A1 Водяная труба в сборе Деталей в узле: 1 27 | Art.: 42200 Пластина основания Деталей в узле: 1 28 | Art.: 46-42089A2 крышка в сборе Деталей в узле: 1 29 | Art.: 26-421021 Уплотнение Деталей в узле: 1 30 | Art.: Крыльчатка Деталей в узле: 1 31 | Art.: шпонка в сборе Деталей в узле: 1 32 | Art.: 444671 Направляющая Деталей в узле: 1 33 | Art.: 10-8248327 Винт (М6 х 30) Деталей в узле: 5 цена по запросу
34 | Art.: 12-29245 шайба (0.281 x 0.500 x 0.060) нержавеющая сталь Деталей в узле: 1 цена по запросу
35 | Art.: 42039 кулачок Деталей в узле: 1 36 | Art.: вал механизма переключения передач ((LONG))Деталей в узле: 1 36 | Art.: вал механизма переключения передач ((SHORT))Деталей в узле: 1 37 | Art.: 53-42389 Е-обазная стопорная шайба Деталей в узле: 1 38 | Art.: Направляющая Деталей в узле: 2 39 | Art.: 10-40011109 винт (M5 x 25) нержавеющая сталь Деталей в узле: 1 40 | Art.: гайка (M5) Деталей в узле: 1 41 | Art.: 45-823389 Вертикальный вал ((SHORT))Деталей в узле: 1 41 | Art.: 45-823390 Вертикальный вал ((LONG))Деталей в узле: 1 42 | Art.: 12-822248 упорная шайба Деталей в узле: 1 - | Art.: 46-42089A5 комплект водяного насоса Деталей в узле: 1 - | Art.: 26-41365A3 Уплотнительный комплект Деталей в узле: 1 - | Art.: Корпус редуктора в сборе ((SHORT) BLACK)Деталей в узле: 1 - | Art.: Корпус редуктора в сборе ((LONG) BLACK)Деталей в узле: 1 - | Art.: Корпус редуктора в сборе ((SHORT) GRAY)Деталей в узле: 1 снято с производства - | Art.: Корпус редуктора в сборе ((LONG) GRAY)Деталей в узле: 1 не посталяется заказывайте 8833T15 - | Art.: редуктор в сборе ((TRACKER GRAPHITE GRAY))Деталей в узле: 1 снято с производства - | Art.: 27-42364A92 Набор прокладок двигателя Деталей в узле: 1 | |||||||||||||||||||||||||||||||||||||||||||||||||||||||
