200/225/250 (3.0L) SEAPRO/MARATHON EFI
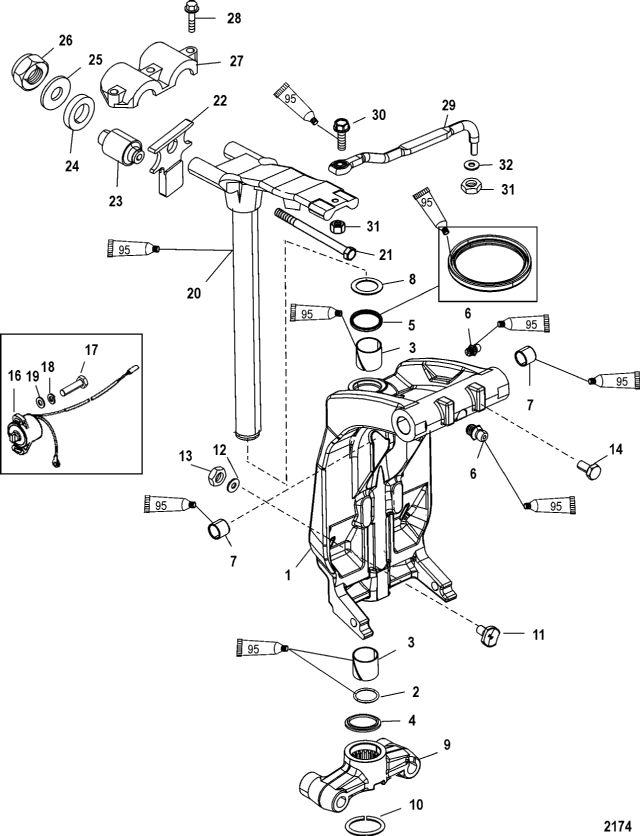
поворотный кронштейн и рычаг рулевого управления
поворотный кронштейн и рычаг рулевого управления
| № | Артикул | Наименование | Деталей в узле | Комментарий | Цена | |
| 1 | поворотный кронштейн в сборе, черный | 1 | 245880 руб. | |||
| 2 | уплотнительное кольцо | 1 | цена по запросу | |||
| 3 | вкладыш | 2 | 4010 руб. | |||
| 4 | проставка | 1 | 1600 руб. | |||
| 5 | Нижний сальник | 1 | 4340 руб. | |||
| 6 | пресс-масленка | 2 | цена по запросу | |||
| 7 | вкладыш | 2 | 1020 руб. | |||
| 8 | упорная шайба | 1 | 790 руб. | |||
| 9 | YOKE, Bottom | 1 | (Stainless Steel) | 73940 руб. | ||
| 9 | YOKE, Bottom | 1 | (Carbon Steel) | 42020 руб. | ||
| 10 | стопорное кольцо | 1 | 500 руб. | |||
| 11 | STRIKER PLATE | 2 | 1540 руб. | |||
| 12 | стопорная шайба (0.375) | 2 | 230 руб. | |||
| 13 | гайка (.375-24) | 2 | 500 руб. | |||
| 14 | Винт (0.250-28 x 0.500) | 2 | 180 руб. | |||
| 15 | NSS | Не продается по отдельности, маркировка - серийный номер | 1 | |||
| 16 | датчик трима в сборе | 1 | не посталяется заказывайте ORDER8M0098273 | |||
| 17 | Винт (#10-24 x 0.750) | 2 | 210 руб. | |||
| 18 | Стопорная шайба (#10), нержавеющая сталь | 2 | 120 руб. | |||
| 19 | Шайба (0.203 x 0.406 x 0.040) | 2 | 200 руб. | |||
| 20 | SWIVEL PIN ASSEMBLY, Steering Arm | 1 | (Carbon Steel) | снято с производства | ||
| 20 | SWIVEL PIN ASSEMBLY, Steering Arm - Stainless Steel | 1 | (Stainless Steel) | цена по запросу | ||
| 21 | винт (M12 x 190) | 2 | цена по запросу | |||
| 22 | буфер | 1 | SN# 0T979999 & Below | 1720 руб. | ||
| 22 | буфер | 1 | SN# 0T980000 & Up | 1720 руб. | ||
| 23 | крепление верхнее | 2 | 10960 руб. | |||
| 24 | шайба | 2 | 560 руб. | |||
| 25 | шайба | 2 | 840 руб. | |||
| 26 | Гайка (М12) | 2 | 640 руб. | |||
| 27 | зажим | 1 | 6630 руб. | |||
| 28 | Винт (M8 x 35) | 3 | 480 руб. | |||
| 29 | приводная штанга в сборе | 1 | 14420 руб. | |||
| 30 | Винт (0.375-24 x 1.250) | 1 | 2230 руб. | |||
| 31 | Гайка (0.375-24), нержавеющая сталь | 2 | цена по запросу | |||
| 32 | Шайба (0.390 x 0.625 x 0.062), нержавеющая сталь | 2 | 70 руб. | |||
| 1 | Art.: поворотный кронштейн в сборе, черный Деталей в узле: 1 2 | Art.: 25-33504 уплотнительное кольцо Деталей в узле: 1 цена по запросу
3 | Art.: 23-818764 вкладыш Деталей в узле: 2 4 | Art.: 23-816039 проставка Деталей в узле: 1 5 | Art.: 26-87735 Нижний сальник Деталей в узле: 1 6 | Art.: 22-74036 пресс-масленка Деталей в узле: 2 цена по запросу
7 | Art.: 23-821207 вкладыш Деталей в узле: 2 8 | Art.: 12-816432 упорная шайба Деталей в узле: 1 9 | Art.: YOKE, Bottom ((Stainless Steel))Деталей в узле: 1 9 | Art.: 814084F1 YOKE, Bottom ((Carbon Steel))Деталей в узле: 1 10 | Art.: 53-67684 стопорное кольцо Деталей в узле: 1 11 | Art.: STRIKER PLATE Деталей в узле: 2 12 | Art.: 13-58643 стопорная шайба (0.375) Деталей в узле: 2 13 | Art.: 11-46335 гайка (.375-24) Деталей в узле: 2 14 | Art.: 10-64014 Винт (0.250-28 x 0.500) Деталей в узле: 2 15 | Art.: -NSS Не продается по отдельности, маркировка - серийный номер Деталей в узле: 1 16 | Art.: датчик трима в сборе Деталей в узле: 1 не посталяется заказывайте ORDER8M0098273 17 | Art.: 10-852368 Винт (#10-24 x 0.750) Деталей в узле: 2 18 | Art.: 13-26996 Стопорная шайба (#10), нержавеющая сталь Деталей в узле: 2 19 | Art.: 12-89302 Шайба (0.203 x 0.406 x 0.040) Деталей в узле: 2 20 | Art.: 17-67706A55 SWIVEL PIN ASSEMBLY, Steering Arm ((Carbon Steel))Деталей в узле: 1 снято с производства 20 | Art.: 17-826432A2 SWIVEL PIN ASSEMBLY, Steering Arm - Stainless Steel ((Stainless Steel))Деталей в узле: 1 цена по запросу
21 | Art.: винт (M12 x 190) Деталей в узле: 2 цена по запросу
22 | Art.: буфер (SN# 0T979999 & Below)Деталей в узле: 1 22 | Art.: 824998001 буфер (SN# 0T980000 & Up)Деталей в узле: 1 23 | Art.: 8163851 крепление верхнее Деталей в узле: 2 24 | Art.: 12-8154371 шайба Деталей в узле: 2 25 | Art.: 12-815436 шайба Деталей в узле: 2 26 | Art.: 11-896963 Гайка (М12) Деталей в узле: 2 27 | Art.: зажим Деталей в узле: 1 28 | Art.: 10-81893435 Винт (M8 x 35) Деталей в узле: 3 29 | Art.: приводная штанга в сборе Деталей в узле: 1 30 | Art.: 10-849838 Винт (0.375-24 x 1.250) Деталей в узле: 1 31 | Art.: 11-826709113 Гайка (0.375-24), нержавеющая сталь Деталей в узле: 2 цена по запросу
32 | Art.: 12-37828 Шайба (0.390 x 0.625 x 0.062), нержавеющая сталь Деталей в узле: 2 | ||||||||||||||||||||||||||||||||||||
