350/350 PRO/400R VERADO (4-STROKE)(6 CYLINDER)
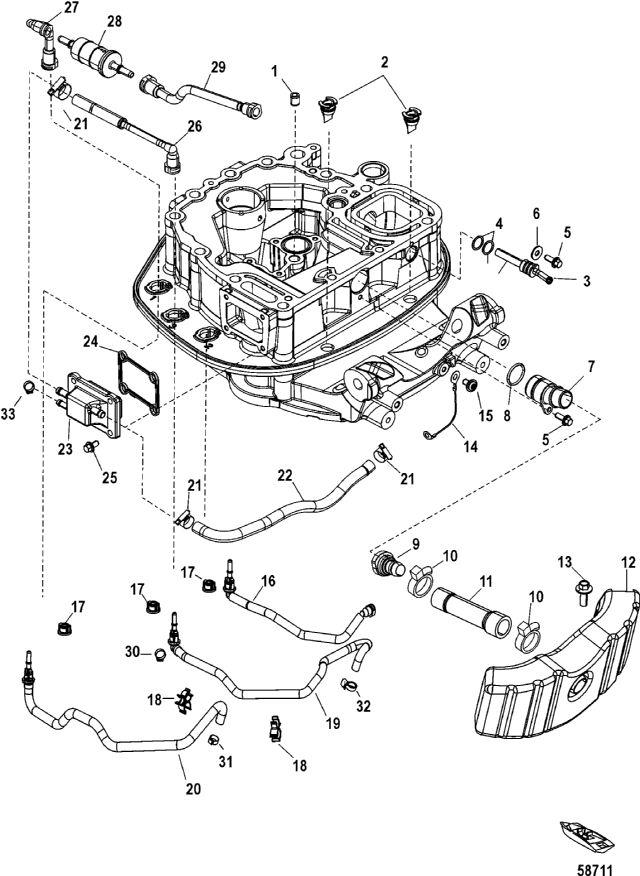
Adaptor Plate Hose Routings
Adaptor Plate Hose Routings
| № | Артикул | Наименование | Деталей в узле | Комментарий | Цена | |
| 1 | посадочный штифт (12 мм) | 1 | 340 руб. | |||
| 2 | сливной колпак | 2 | 170 руб. | |||
| 3 | комплект фиттинга | 1 | 5590 руб. | |||
| 4 | O-RING, (14 X 1.78 MM) | 2 | 170 руб. | |||
| 5 | винт (M6 x 12 мм) нержавеющая сталь | 1 | 260 руб. | |||
| 6 | шайба | 1 | цена по запросу | |||
| 7 | FITTING KIT, Idle Exhaust | 1 | 810 руб. | |||
| 8 | уплотнительное кольцо (0.924 x 0.103) | 1 | 180 руб. | |||
| 9 | фиттинг | 1 | 880 руб. | |||
| 10 | ленточный хомут (8") | 2 | 30 руб. | |||
| 11 | HOSE, Idle Exhaust | 1 | 4630 руб. | |||
| 12 | PLENUM, Exhaust | 1 | 10510 руб. | |||
| 13 | Винт (M6 x 16) | 2 | 240 руб. | |||
| 14 | Кабель в сборе | 1 | 420 руб. | |||
| 15 | SCREW, M6 X 1 X 12 | 1 | 420 руб. | |||
| 16 | HOSE, Manifold Reference , Lower | 1 | цена по запросу | |||
| 17 | резиновая втулка | 1 | 230 руб. | |||
| 18 | CLIP, Retaining, 3 Hose | 2 | цена по запросу | |||
| 19 | HOSE, Water In, Lower | 1 | цена по запросу | |||
| 20 | HOSE, Fuel Out, Fuel Supply Module | 1 | 10510 руб. | |||
| 21 | зажим червячного колеса | 3 | 740 руб. | |||
| 22 | TUBING, (.312) (70 Inches Bulk), Cut to 21 Inches | 1 | 9390 руб. | |||
| 23 | Корпус коллектора | 1 | 2270 руб. | |||
| 24 | Уплотнение | 1 | 620 руб. | |||
| 25 | винт (M6 x 16 мм) нержавеющая сталь | 4 | 300 руб. | |||
| 26 | Водяной шланг впускной верхний | 1 | 3720 руб. | |||
| 27 | HOSE, Hi Pressure Filter | 1 | цена по запросу | |||
| 28 | FILTER, Fuel In-Line | 1 | 2170 руб. | |||
| 29 | HOSE, Hi Pressure Filter to Fuel Rail | 1 | цена по запросу | |||
| 30 | CLAMP, (15.7) | 1 | цена по запросу | |||
| 31 | зажим | 1 | цена по запросу | |||
| 32 | ленточный хомут (8") | 1 | 30 руб. | |||
| 33 | зажим (8") | 1 | 220 руб. | |||
| - | силовой агрегат без навесного оборудования, коллекторов и маховика | 1 | 2519320 руб. | |||
| - | набор прокладок силового агрегата | 1 | 83880 руб. | |||
| 1 | Art.: 17-884474001 посадочный штифт (12 мм) Деталей в узле: 1 2 | Art.: 888819002 сливной колпак Деталей в узле: 2 3 | Art.: 22-888461A01 комплект фиттинга Деталей в узле: 1 4 | Art.: 25-892446 O-RING, (14 X 1.78 MM) Деталей в узле: 2 5 | Art.: винт (M6 x 12 мм) нержавеющая сталь Деталей в узле: 1 6 | Art.: 12-4002316 шайба Деталей в узле: 1 цена по запросу
7 | Art.: 22-889792A01 FITTING KIT, Idle Exhaust Деталей в узле: 1 8 | Art.: 25-889828 уплотнительное кольцо (0.924 x 0.103) Деталей в узле: 1 9 | Art.: 22-889846 фиттинг Деталей в узле: 1 10 | Art.: 54-816311T ленточный хомут (8") Деталей в узле: 2 11 | Art.: 32-888981001 HOSE, Idle Exhaust Деталей в узле: 1 12 | Art.: 892384T PLENUM, Exhaust Деталей в узле: 1 13 | Art.: 10-4006731 Винт (M6 x 16) Деталей в узле: 2 14 | Art.: 88238A21 Кабель в сборе Деталей в узле: 1 15 | Art.: 10-8M0098784 SCREW, M6 X 1 X 12 Деталей в узле: 1 16 | Art.: 32-8M0084774 HOSE, Manifold Reference , Lower Деталей в узле: 1 цена по запросу
17 | Art.: 25-884546 резиновая втулка Деталей в узле: 1 18 | Art.: 54-8M0097735 CLIP, Retaining, 3 Hose Деталей в узле: 2 цена по запросу
19 | Art.: 32-8M0084552 HOSE, Water In, Lower Деталей в узле: 1 цена по запросу
20 | Art.: 32-8M0084660 HOSE, Fuel Out, Fuel Supply Module Деталей в узле: 1 21 | Art.: 54-815504104 зажим червячного колеса Деталей в узле: 3 22 | Art.: TUBING, (.312) (70 Inches Bulk), Cut to 21 Inches Деталей в узле: 1 23 | Art.: 892562T01 Корпус коллектора Деталей в узле: 1 24 | Art.: 892117 Уплотнение Деталей в узле: 1 25 | Art.: винт (M6 x 16 мм) нержавеющая сталь Деталей в узле: 4 26 | Art.: 32-887756 Водяной шланг впускной верхний Деталей в узле: 1 27 | Art.: 32-8M0087104 HOSE, Hi Pressure Filter Деталей в узле: 1 цена по запросу
28 | Art.: 35-879885Q FILTER, Fuel In-Line Деталей в узле: 1 29 | Art.: 32-8M0087122 HOSE, Hi Pressure Filter to Fuel Rail Деталей в узле: 1 цена по запросу
30 | Art.: 54-13791 CLAMP, (15.7) Деталей в узле: 1 цена по запросу
31 | Art.: 54-855697 зажим Деталей в узле: 1 цена по запросу
32 | Art.: 54-816311T ленточный хомут (8") Деталей в узле: 1 33 | Art.: 54-895851 зажим (8") Деталей в узле: 1 - | Art.: 61-896966A06 силовой агрегат без навесного оборудования, коллекторов и маховика Деталей в узле: 1 - | Art.: 27-880552A08 набор прокладок силового агрегата Деталей в узле: 1 | ||||||||||||||||||||||||||||||||||||
