200/225/250/275 4-STROKE VERADO
нижняя пластина переходника
нижняя пластина переходника
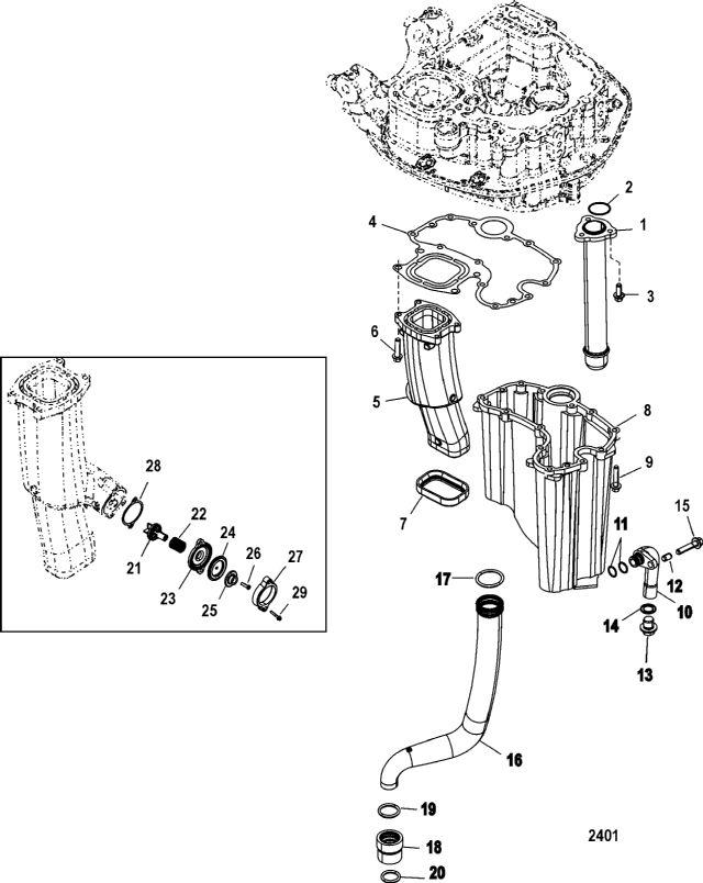
| № | Артикул | Наименование | Деталей в узле | Комментарий | Цена | |
| 1 | Маслозаборник в сборе | 1 | 11570 руб. | |||
| 2 | уплотнительное кольцо (1.239 x .070) | 1 | 330 руб. | |||
| 3 | винт (M6 x 25 мм) нержавеющая сталь | 3 | 280 руб. | |||
| 4 | Прокладка поддона картера | 1 | 1600 руб. | |||
| 5 | выпускная труба в сборе | 1 | цена по запросу | |||
| 6 | винт (M8 x 35 мм) | 4 | 470 руб. | |||
| 7 | уплотнение выпускной трубы | 1 | 1480 руб. | |||
| 8 | Маслянный поддон картера в сборе | 1 | 30850 руб. | |||
| 9 | винт (M6 x 20 мм) нержавеющая сталь | 12 | 340 руб. | |||
| 10 | труба слива масла в сборе | 1 | (Long) | 7150 руб. | ||
| 10 | труба слива масла в сборе | 1 | (X-Long/XX-Long) | 7930 руб. | ||
| 11 | O-RING, 14 X 1.78 MM | 2 | 160 руб. | |||
| 12 | посадочный штифт | 1 | 490 руб. | |||
| 13 | пробка слива масла в сборе | 1 | 2100 руб. | |||
| 14 | уплотнение сливной пробки | 1 | цена по запросу | |||
| 15 | винт (M6 x 20 мм) нержавеющая сталь | 1 | 340 руб. | |||
| 16 | водяная труба в сборе (20") | 1 | (Long) | 8630 руб. | ||
| 16 | водяная труба в сборе (25") | 1 | (X-Long) | 9590 руб. | ||
| 16 | водяная труба в сборе (30") | 1 | (XX-Long) | 9280 руб. | ||
| 17 | уплотнительное кольцо | 1 | 1030 руб. | |||
| 18 | муфта | 1 | цена по запросу | |||
| 19 | уплотнительное кольцо (0.921 x 0.139) | 1 | цена по запросу | |||
| 20 | уплотнительное кольцо (0.796 x 0.139) | 1 | цена по запросу | |||
| 21 | тарельчатый клапан в сборе | 1 | 7020 руб. | |||
| 22 | SPRING, (Black) | 1 | 750 руб. | |||
| 23 | фиксатор | 1 | 6230 руб. | |||
| 24 | Диафрагма | 1 | 900 руб. | |||
| 25 | шайба | 1 | 1190 руб. | |||
| 26 | винт (#10-16 x 0.750) | 1 | 190 руб. | |||
| 27 | крышка тарельчатого клапана | 1 | 2270 руб. | |||
| 28 | прокладка тарельчатого клапана | 1 | 3940 руб. | |||
| 29 | SCREW, (M6 x 35 MM) Stainless Steel | 2 | 490 руб. | |||
| - | силовая головка в сборе | 1 | снято с производства | |||
| - | набор прокладок силового агрегата | 1 | 43130 руб. | |||
| 1 | Art.: 887623T03 Маслозаборник в сборе Деталей в узле: 1 2 | Art.: уплотнительное кольцо (1.239 x .070) Деталей в узле: 1 3 | Art.: винт (M6 x 25 мм) нержавеющая сталь Деталей в узле: 3 4 | Art.: 27-889618001 Прокладка поддона картера Деталей в узле: 1 5 | Art.: 880626T01 выпускная труба в сборе Деталей в узле: 1 цена по запросу
6 | Art.: винт (M8 x 35 мм) Деталей в узле: 4 7 | Art.: 26-880629 уплотнение выпускной трубы Деталей в узле: 1 8 | Art.: 880639T Маслянный поддон картера в сборе Деталей в узле: 1 9 | Art.: винт (M6 x 20 мм) нержавеющая сталь Деталей в узле: 12 10 | Art.: 887753A02 труба слива масла в сборе ((Long))Деталей в узле: 1 10 | Art.: труба слива масла в сборе ((X-Long/XX-Long))Деталей в узле: 1 11 | Art.: 25-892446 O-RING, 14 X 1.78 MM Деталей в узле: 2 12 | Art.: 17-892228 посадочный штифт Деталей в узле: 1 13 | Art.: 888592005 пробка слива масла в сборе Деталей в узле: 1 14 | Art.: 26-888593 уплотнение сливной пробки Деталей в узле: 1 цена по запросу
15 | Art.: винт (M6 x 20 мм) нержавеющая сталь Деталей в узле: 1 16 | Art.: 32-885541A01 водяная труба в сборе (20") ((Long))Деталей в узле: 1 16 | Art.: 32-885541A02 водяная труба в сборе (25") ((X-Long))Деталей в узле: 1 16 | Art.: 32-885541A03 водяная труба в сборе (30") ((XX-Long))Деталей в узле: 1 17 | Art.: 25-892445 уплотнительное кольцо Деталей в узле: 1 18 | Art.: 22-887987A1 муфта Деталей в узле: 1 цена по запросу
19 | Art.: 25-90196 уплотнительное кольцо (0.921 x 0.139) Деталей в узле: 1 цена по запросу
20 | Art.: 25-21836 уплотнительное кольцо (0.796 x 0.139) Деталей в узле: 1 цена по запросу
21 | Art.: тарельчатый клапан в сборе Деталей в узле: 1 22 | Art.: 24-64878 SPRING, (Black) Деталей в узле: 1 23 | Art.: 893385001 фиксатор Деталей в узле: 1 24 | Art.: 648771 Диафрагма Деталей в узле: 1 25 | Art.: 889706 шайба Деталей в узле: 1 26 | Art.: 10-69570 винт (#10-16 x 0.750) Деталей в узле: 1 27 | Art.: 893384001 крышка тарельчатого клапана Деталей в узле: 1 28 | Art.: 27-889561 прокладка тарельчатого клапана Деталей в узле: 1 29 | Art.: 10-88552535 SCREW, (M6 x 35 MM) Stainless Steel Деталей в узле: 2 - | Art.: 61-895247A06 силовая головка в сборе Деталей в узле: 1 снято с производства - | Art.: набор прокладок силового агрегата Деталей в узле: 1 | |||||||||||||||||||||||||||||||||||
