150 H.P. XR-2 MARATHON MAGNUM (V-6) (1978-1985 COMBINED BOOK)
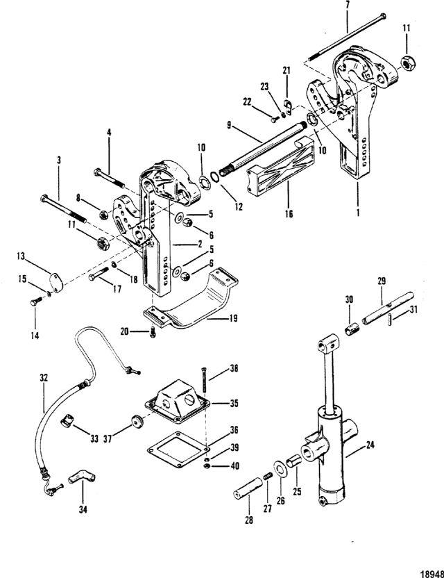
кронштейны крепления к транцу (сер.№ ME-5503247/MA-5600162 до 6616990)
кронштейны крепления к транцу (сер.№ ME-5503247/MA-5600162 до 6616990)
| № | Артикул | Наименование | Деталей в узле | Комментарий | Цена | |
| 1 | кронштейн крепления к транцу | 1 | (BLACK)(PORT ) | снято с производства | ||
| 1 | кронштейн крепления к транцу | 1 | (GRAY)(PORT ) | снято с производства | ||
| 2 | кронштейн крепления к транцу | 1 | (BLACK)(STARBOARD ) | снято с производства | ||
| 2 | кронштейн крепления к транцу | 1 | (GRAY)(STARBOARD ) | снято с производства | ||
| 3 | винт (.500-20 x 6.500) | 2 | 2300 руб. | |||
| 4 | Винт (0.500-20 x 4.500) | 2 | цена по запросу | |||
| 5 | Шайба (1.5 x 3.05 x 0.13), нержавеющая сталь | 4 | цена по запросу | |||
| 6 | гайка (0.500-20) нержавеющая сталь | 4 | 1780 руб. | |||
| 7 | болт (.500-20 x 11.00) | 1 | 7870 руб. | |||
| 8 | Гайка (0.500-20) | 1 | 410 руб. | |||
| 9 | труба механизма наклона | 1 | снято с производства | |||
| 10 | шайба | 2 | 750 руб. | |||
| 11 | Гайка (0.875-14) | 1 | цена по запросу | |||
| 11 | гайка | 1 | (1"-14-BLACK) | цена по запросу | ||
| 11 | гайка | 1 | (1"-14-GRAY) | снято с производства | ||
| 12 | уплотнительное кольцо (0.612 x 0.103) | 1 | 180 руб. | |||
| 13 | Пластина | 2 | 7830 руб. | |||
| 14 | винт (0.250-20 x 0.750) | 4 | 220 руб. | |||
| 15 | шайба (0.281 x 0.500 x 0.060) нержавеющая сталь | 1 | цена по запросу | |||
| 16 | проставка | 1 | цена по запросу | |||
| 17 | винт (0.250-20 x 2.00) | 4 | 350 руб. | |||
| 18 | шайба (0.281 x 0.500 x 0.060) нержавеющая сталь | 4 | цена по запросу | |||
| 19 | Пластина в сборе | 1 | 10420 руб. | |||
| 20 | винт (0.250-20 x 0.875) | 4 | цена по запросу | |||
| 21 | зажим | 4 | 570 руб. | |||
| 22 | винт (#10-24 x .500) | 4 | 310 руб. | |||
| 23 | Стопорная шайба (#10), нержавеющая сталь | 4 | 120 руб. | |||
| 24 | цилиндр системы гидроподъема в сборе | 1 | снято с производства | |||
| 25 | вкладыш | 2 | снято с производства | |||
| 26 | шайба | 2 | 700 руб. | |||
| 27 | Пружина | 2 | 1020 руб. | |||
| 28 | палец шарнира | 2 | 10500 руб. | |||
| 29 | Вал | 1 | снято с производства | |||
| 30 | Подшипник | 2 | 5550 руб. | |||
| 31 | стержень | 1 | 200 руб. | |||
| 32 | Шланг | 1 | (PORT) | 46110 руб. | ||
| 32 | Шланг | 1 | (STARBOARD) | 46840 руб. | ||
| 33 | резиновая втулка | 2 | 540 руб. | |||
| 34 | соединитель | 1 | снято с производства | |||
| 35 | крышка | 1 | 4970 руб. | |||
| 36 | Прокладка | 1 | 1160 руб. | |||
| 37 | резиновая втулка | 1 | 500 руб. | |||
| 38 | винт (#10-32 x 1.250) | 4 | цена по запросу | |||
| 38 | винт (#10-32 x 2.00) нержавеющая сталь | 4 | 350 руб. | |||
| 39 | Стопорная шайба (#10), нержавеющая сталь | 4 | 120 руб. | |||
| 40 | гайка (#10-32), нержавеющая сталь | 4 | 60 руб. | |||
| - | Ремкомплект | 1 | 18100 руб. | |||
| 1 | Art.: 1494-7476T1 кронштейн крепления к транцу ((BLACK)(PORT ))Деталей в узле: 1 снято с производства 1 | Art.: 1494-7476T6 кронштейн крепления к транцу ((GRAY)(PORT ))Деталей в узле: 1 снято с производства 2 | Art.: 1495-7478T1 кронштейн крепления к транцу ((BLACK)(STARBOARD ))Деталей в узле: 1 снято с производства 2 | Art.: 1495-7478T6 кронштейн крепления к транцу ((GRAY)(STARBOARD ))Деталей в узле: 1 снято с производства 3 | Art.: 10-677552 винт (.500-20 x 6.500) Деталей в узле: 2 4 | Art.: 10-677551 Винт (0.500-20 x 4.500) Деталей в узле: 2 цена по запросу
5 | Art.: 12-28421 Шайба (1.5 x 3.05 x 0.13), нержавеющая сталь Деталей в узле: 4 цена по запросу
6 | Art.: 11-35000 гайка (0.500-20) нержавеющая сталь Деталей в узле: 4 7 | Art.: 10-87180 болт (.500-20 x 11.00) Деталей в узле: 1 8 | Art.: Гайка (0.500-20) Деталей в узле: 1 9 | Art.: труба механизма наклона Деталей в узле: 1 снято с производства 10 | Art.: 13-88750 шайба Деталей в узле: 2 11 | Art.: Гайка (0.875-14) Деталей в узле: 1 цена по запросу 11 | Art.: гайка ((1"-14-BLACK))Деталей в узле: 1 цена по запросу 11 | гайка ((1"-14-GRAY))Деталей в узле: 1 снято с производства 12 | Art.: 25-45711 уплотнительное кольцо (0.612 x 0.103) Деталей в узле: 1 13 | Art.: Пластина Деталей в узле: 2 14 | Art.: 10-28636 винт (0.250-20 x 0.750) Деталей в узле: 4 15 | Art.: 12-29245 шайба (0.281 x 0.500 x 0.060) нержавеющая сталь Деталей в узле: 1 цена по запросу
16 | Art.: 85035T проставка Деталей в узле: 1 цена по запросу
17 | Art.: 10-70732 винт (0.250-20 x 2.00) Деталей в узле: 4 18 | Art.: 12-29245 шайба (0.281 x 0.500 x 0.060) нержавеющая сталь Деталей в узле: 4 цена по запросу
19 | Art.: 89949A1 Пластина в сборе Деталей в узле: 1 20 | Art.: винт (0.250-20 x 0.875) Деталей в узле: 4 цена по запросу 21 | Art.: 54-88512 зажим Деталей в узле: 4 22 | Art.: 10-88829 винт (#10-24 x .500) Деталей в узле: 4 23 | Art.: 13-26996 Стопорная шайба (#10), нержавеющая сталь Деталей в узле: 4 24 | Art.: 79610A6 цилиндр системы гидроподъема в сборе Деталей в узле: 1 снято с производства 25 | Art.: 23-86489 вкладыш Деталей в узле: 2 снято с производства 26 | Art.: 12-85022 шайба Деталей в узле: 2 27 | Art.: 24-30316 Пружина Деталей в узле: 2 28 | Art.: палец шарнира Деталей в узле: 2 29 | Art.: 85024 Вал Деталей в узле: 1 снято с производства 30 | Art.: 23-86637 Подшипник Деталей в узле: 2 31 | Art.: 17-91862 стержень Деталей в узле: 1 32 | Art.: 32-89024A1 Шланг ((PORT))Деталей в узле: 1 32 | Art.: 32-89023A2 Шланг ((STARBOARD))Деталей в узле: 1 33 | резиновая втулка Деталей в узле: 2 34 | Art.: 22-87207 соединитель Деталей в узле: 1 |
