200/225/250/275/300 4-STROKE VERADO (6 CYLINDER)
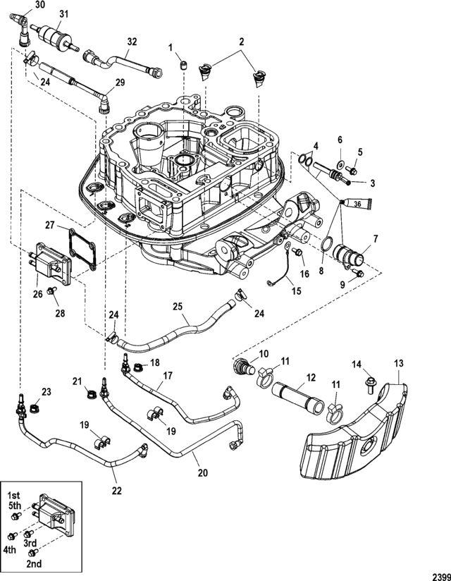
Adaptor Plate Hose Routings
Adaptor Plate Hose Routings
| № | Артикул | Наименование | Деталей в узле | Комментарий | Цена | |
| 1 | посадочный штифт (12 мм) | 1 | 320 руб. | |||
| 2 | сливной колпак | 2 | 160 руб. | |||
| 3 | комплект фиттинга | 1 | 5310 руб. | |||
| 4 | O-RING, (14 X 1.78 MM) | 2 | 160 руб. | |||
| 5 | винт (M6 x 12 мм) нержавеющая сталь | 1 | 250 руб. | |||
| 6 | шайба | 1 | цена по запросу | |||
| 7 | FITTING KIT, Idle Exhaust | 1 | 770 руб. | |||
| 8 | уплотнительное кольцо (0.924 x 0.103) | 1 | 170 руб. | |||
| 9 | винт (M6 x 12 мм) нержавеющая сталь | 1 | 250 руб. | |||
| 10 | фиттинг | 1 | 840 руб. | |||
| 11 | ленточный хомут (8") | 2 | 30 руб. | |||
| 12 | HOSE, Idle Exhaust | 1 | 4400 руб. | |||
| 13 | PLENUM, Exhaust | 1 | 9990 руб. | |||
| 14 | Винт (M6 x 16) | 2 | 230 руб. | |||
| 15 | Кабель в сборе | 1 | 400 руб. | |||
| 16 | винт (M6 x 13) нержавеющая сталь | 1 | 280 руб. | |||
| 17 | Шланг коллектора нижний | 1 | 6380 руб. | |||
| 18 | резиновая втулка | 1 | 220 руб. | |||
| 19 | зажим | 2 | 170 руб. | |||
| 20 | Водяной шланг впускной нижний | 1 | 6450 руб. | |||
| 21 | резиновая втулка | 1 | 220 руб. | |||
| 22 | выпускной шланг модуля подачи топлива | 1 | SN# 1B792493 & Below | цена по запросу | ||
| 22 | выпускной шланг модуля подачи топлива | 1 | SN# 1B792494 & Up | 5390 руб. | ||
| 23 | резиновая втулка | 1 | 220 руб. | |||
| 24 | зажим червячного колеса | 3 | 700 руб. | |||
| 25 | TUBING, (.312) (70.00 Inches Bulk), Cut to 21 Inches | 1 | 8920 руб. | |||
| 26 | Корпус коллектора | 1 | 2160 руб. | |||
| 27 | Уплотнение | 1 | 590 руб. | |||
| 28 | винт (M6 x 16 мм) нержавеющая сталь | 4 | 280 руб. | |||
| 29 | Водяной шланг впускной верхний | 1 | 3540 руб. | |||
| 30 | шланг фильтра высокого давления | 1 | SN# 1B792493 & Below | цена по запросу | ||
| 30 | шланг фильтра высокого давления | 1 | SN# 1B792494 & Up | цена по запросу | ||
| 31 | Топливный фильтр | 1 | 2070 руб. | |||
| 32 | Шланг высокого давления от фильтра к топливной направляющей | 1 | SN# 1B792493 & Below | цена по запросу | ||
| 32 | Шланг высокого давления от фильтра к топливной направляющей | 1 | SN# 1B792494 & Up | цена по запросу | ||
| - | набор прокладок силового агрегата | 1 | 43130 руб. | |||
| - | силовая головка в сборе | 1 | 2173980 руб. | |||
| 1 | Art.: 17-884474001 посадочный штифт (12 мм) Деталей в узле: 1 2 | Art.: 888819002 сливной колпак Деталей в узле: 2 3 | Art.: 22-888461A01 комплект фиттинга Деталей в узле: 1 4 | Art.: 25-892446 O-RING, (14 X 1.78 MM) Деталей в узле: 2 5 | Art.: винт (M6 x 12 мм) нержавеющая сталь Деталей в узле: 1 6 | Art.: 12-4002316 шайба Деталей в узле: 1 цена по запросу
7 | Art.: 22-889792A01 FITTING KIT, Idle Exhaust Деталей в узле: 1 8 | Art.: 25-889828 уплотнительное кольцо (0.924 x 0.103) Деталей в узле: 1 9 | Art.: винт (M6 x 12 мм) нержавеющая сталь Деталей в узле: 1 10 | Art.: 22-889846 фиттинг Деталей в узле: 1 11 | Art.: 54-816311T ленточный хомут (8") Деталей в узле: 2 12 | Art.: 32-888981001 HOSE, Idle Exhaust Деталей в узле: 1 13 | Art.: 892384T PLENUM, Exhaust Деталей в узле: 1 14 | Art.: 10-4006731 Винт (M6 x 16) Деталей в узле: 2 15 | Art.: 88238A21 Кабель в сборе Деталей в узле: 1 16 | Art.: 10-40011126 винт (M6 x 13) нержавеющая сталь Деталей в узле: 1 17 | Шланг коллектора нижний Деталей в узле: 1 18 | Art.: 25-884546 резиновая втулка Деталей в узле: 1 19 | Art.: 888523001 зажим Деталей в узле: 2 20 | Водяной шланг впускной нижний Деталей в узле: 1 21 | Art.: 25-884546 резиновая втулка Деталей в узле: 1 22 | выпускной шланг модуля подачи топлива (SN# 1B792493 & Below)Деталей в узле: 1 цена по запросу 22 | выпускной шланг модуля подачи топлива (SN# 1B792494 & Up)Деталей в узле: 1 23 | Art.: 25-884546 резиновая втулка Деталей в узле: 1 24 | Art.: 54-815504104 зажим червячного колеса Деталей в узле: 3 25 | TUBING, (.312) (70.00 Inches Bulk), Cut to 21 Inches Деталей в узле: 1 26 | Art.: 892562T01 Корпус коллектора Деталей в узле: 1 27 | Art.: 892117 Уплотнение Деталей в узле: 1 28 | Art.: винт (M6 x 16 мм) нержавеющая сталь Деталей в узле: 4 29 | Art.: 32-887756 Водяной шланг впускной верхний Деталей в узле: 1 30 | шланг фильтра высокого давления (SN# 1B792493 & Below)Деталей в узле: 1 цена по запросу 30 | шланг фильтра высокого давления (SN# 1B792494 & Up)Деталей в узле: 1 цена по запросу
31 | Art.: Топливный фильтр Деталей в узле: 1 32 | Шланг высокого давления от фильтра к топливной направляющей (SN# 1B792493 & Below)Деталей в узле: 1 цена по запросу 32 | Шланг высокого давления от фильтра к топливной направляющей (SN# 1B792494 & Up)Деталей в узле: 1 цена по запросу
- | Art.: набор прокладок силового агрегата Деталей в узле: 1 - | Art.: 61-895247A07 силовая головка в сборе Деталей в узле: 1 | ||||||||||||||||||||||||||||||||||||||
