6/8/SAILMATE 9.9/SAILPOWER 15 H.P.
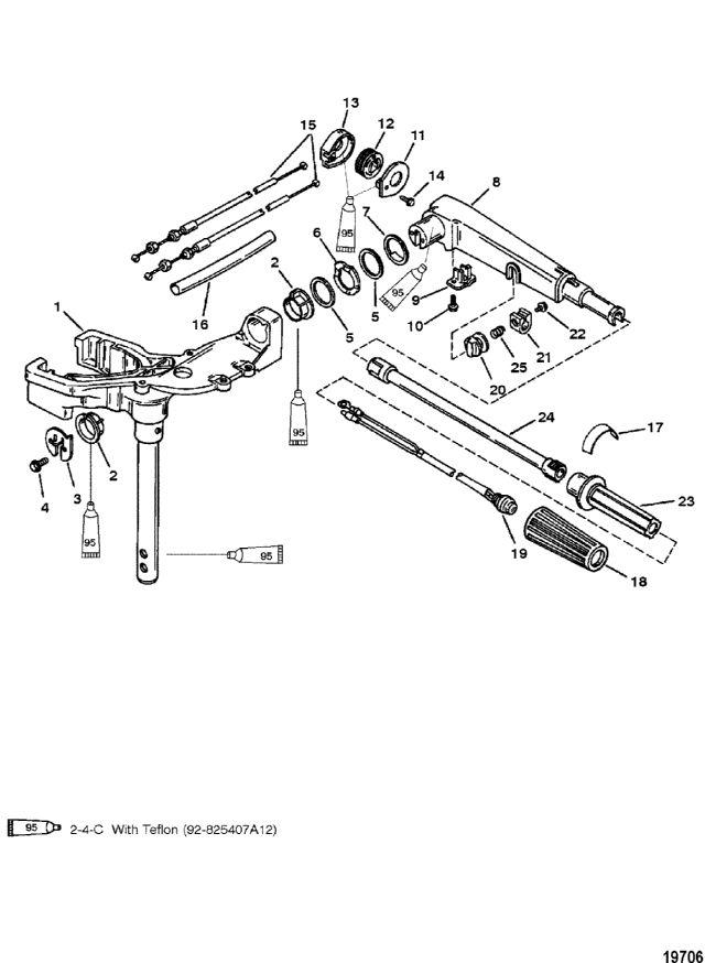
головка поворотного кронштейна и ручка рулевого управления
головка поворотного кронштейна и ручка рулевого управления
| № | Артикул | Наименование | Деталей в узле | Комментарий | Цена | |
| 1 | головка поворотного кронштейна | 1 | (BLACK) | 52850 руб. | ||
| 1 | головка поворотного кронштейна | 1 | (GRAY) | снято с производства | ||
| 1 | головка поворотного кронштейна | 1 | (TRACKER GRAPHITE GRAY) | цена по запросу | ||
| 2 | вкладыш | 2 | 2290 руб. | |||
| 3 | PLATE, Tiller Handle | 1 | (USE WITH 6MM SCREWS REF #4) | снято с производства | ||
| 3 | Пластина | 1 | (USE WITH 5MM SCREWS REF #4) | 1160 руб. | ||
| 4 | винт (M5 x 16), нержавеющая сталь | 2 | 240 руб. | |||
| 4 | Винт (M6 x 16) | 2 | 230 руб. | |||
| 5 | шайба | 2 | 200 руб. | |||
| 6 | пружинная шайба | 1 | 980 руб. | |||
| 7 | шайба | 1 | 2000 руб. | |||
| 8 | рычаг-плечо рукоятки рулевого управления | 1 | (BLACK) | 18510 руб. | ||
| 8 | рычаг-плечо рукоятки рулевого управления | 1 | (GRAY) | не посталяется заказывайте 821468A66 | ||
| 9 | фиксатор | 1 | 400 руб. | |||
| 10 | винт (M5 x 16), нержавеющая сталь | 1 | 240 руб. | |||
| 11 | комплект крышки | 1 | (HANDLE SHIFT) | 16160 руб. | ||
| 11 | комплект крышки | 1 | (SIDE SHIFT) | 12830 руб. | ||
| 12 | ролик | 1 | 4720 руб. | |||
| 13 | NSS | NOT SOLD SEPARATE, Pulley Case (PART OF REF. #11) | 1 | |||
| 14 | Винт (#10-16 x 0.500) | 1 | 190 руб. | |||
| 15 | кабель дросселя | 2 | (HANDLE SHIFT) | 6140 руб. | ||
| 15 | кабель дросселя | 2 | (SIDE SHIFT) | 4260 руб. | ||
| 16 | втулка | 1 | (HANDLE SHIFT) | 180 руб. | ||
| 16 | втулка (12") | 1 | (SIDE SHIFT) | 200 руб. | ||
| 17 | Наклейка | 1 | (HANDLE SHIFT) | 1140 руб. | ||
| 17 | Наклейка | 1 | (SIDE SHIFT) | 1140 руб. | ||
| 18 | рукоятка | 1 | цена по запросу | |||
| 19 | кнопка/выключатель стоп в сборе | 1 | цена по запросу | |||
| 20 | головка ручки дросселя | 1 | 2330 руб. | |||
| 21 | Фиксатор дроссельной заслонки | 1 | 920 руб. | |||
| 22 | Винт (M6 x 25) | 1 | цена по запросу | |||
| 23 | рукоятка дроссельной заслонки | 1 | (HANDLE SHIFT) | 6020 руб. | ||
| 23 | рукоятка дроссельной заслонки | 1 | (SIDE SHIFT) | 3470 руб. | ||
| 24 | румпельная трубка | 1 | 11010 руб. | |||
| 25 | Пружина | 1 | 440 руб. | |||
| 1 | Art.: 42213A24 головка поворотного кронштейна ((BLACK))Деталей в узле: 1 1 | Art.: 42213A25 головка поворотного кронштейна ((GRAY))Деталей в узле: 1 снято с производства 1 | Art.: 42213A26 головка поворотного кронштейна ((TRACKER GRAPHITE GRAY))Деталей в узле: 1 цена по запросу
2 | Art.: 23-823939 вкладыш Деталей в узле: 2 3 | Art.: 822147 PLATE, Tiller Handle ((USE WITH 6MM SCREWS REF #4))Деталей в узле: 1 снято с производства 3 | Art.: 8221471 Пластина ((USE WITH 5MM SCREWS REF #4))Деталей в узле: 1 4 | Art.: 10-40011107 винт (M5 x 16), нержавеющая сталь Деталей в узле: 2 4 | Art.: 10-4006731 Винт (M6 x 16) Деталей в узле: 2 5 | Art.: 12-822145 шайба Деталей в узле: 2 6 | Art.: 13-826792 пружинная шайба Деталей в узле: 1 7 | Art.: 12-822146 шайба Деталей в узле: 1 8 | рычаг-плечо рукоятки рулевого управления ((BLACK))Деталей в узле: 1 8 | Art.: рычаг-плечо рукоятки рулевого управления ((GRAY))Деталей в узле: 1 не посталяется заказывайте 821468A66 9 | Art.: 822441 фиксатор Деталей в узле: 1 10 | Art.: 10-40011107 винт (M5 x 16), нержавеющая сталь Деталей в узле: 1 11 | Art.: 822148A3 комплект крышки ((HANDLE SHIFT))Деталей в узле: 1 11 | Art.: 822148A2 комплект крышки ((SIDE SHIFT))Деталей в узле: 1 12 | Art.: 822150 ролик Деталей в узле: 1 13 | Art.: -NSS NOT SOLD SEPARATE, Pulley Case (PART OF REF. #11) Деталей в узле: 1 14 | Art.: Винт (#10-16 x 0.500) Деталей в узле: 1 15 | Art.: кабель дросселя ((HANDLE SHIFT))Деталей в узле: 2 15 | Art.: 432426 кабель дросселя ((SIDE SHIFT))Деталей в узле: 2 16 | Art.: 85-9600910 втулка ((HANDLE SHIFT))Деталей в узле: 1 16 | Art.: 85-960099 втулка (12") ((SIDE SHIFT))Деталей в узле: 1 17 | Art.: 37-8242002 Наклейка ((HANDLE SHIFT))Деталей в узле: 1 17 | Art.: Наклейка ((SIDE SHIFT))Деталей в узле: 1 18 | Art.: рукоятка Деталей в узле: 1 цена по запросу
19 | Art.: кнопка/выключатель стоп в сборе Деталей в узле: 1 цена по запросу
20 | Art.: головка ручки дросселя Деталей в узле: 1 21 | Art.: Фиксатор дроссельной заслонки Деталей в узле: 1 22 | Art.: 10-4000330 Винт (M6 x 25) Деталей в узле: 1 цена по запросу
23 | Art.: 822429 рукоятка дроссельной заслонки ((HANDLE SHIFT))Деталей в узле: 1 |
