15/18 HP (2 CYLINDER) INTERNATIONAL
дистанционное управление
дистанционное управление
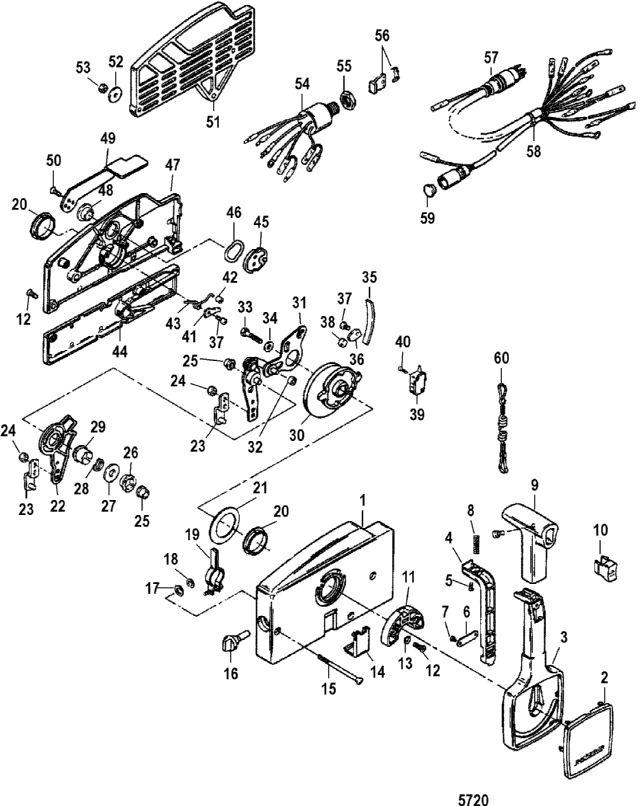
| № | Артикул | Наименование | Деталей в узле | Комментарий | Цена | |
| 1 | комплект передней части корпуса | 1 | цена по запросу | |||
| 2 | Крышка в сборе | 1 | снято с производства | |||
| 3 | рычаг | 1 | снято с производства | |||
| 4 | LOCK ARM | 1 | снято с производства | |||
| 5 | винт (M5 x 10) | 2 | 110 руб. | |||
| 6 | BRACKET, Lock Bar Support | 1 | 170 руб. | |||
| 7 | Винт (M4 x 10) | 2 | 180 руб. | |||
| 8 | Пружина | 1 | 150 руб. | |||
| 9 | рукоятка | 1 | цена по запросу | |||
| 10 | пробка | 1 | цена по запросу | |||
| 11 | HOLDER, Neutral Lock | 1 | 650 руб. | |||
| 12 | Винт (M5 x 18) | 7 | 190 руб. | |||
| 13 | LOCKWASHER, External | 2 | 90 руб. | |||
| 14 | крышка | 1 | 570 руб. | |||
| 15 | Винт (M6 x 110) | 3 | 370 руб. | |||
| 16 | BRAKE ADJUSTER | 1 | цена по запросу | |||
| 17 | шайба | 1 | 90 руб. | |||
| 18 | стопорное кольцо | 1 | 110 руб. | |||
| 19 | ARM ASSEMBLY, Brake | 1 | цена по запросу | |||
| 20 | подшипник (внутренний диаметр 1 3/4") | 2 | 180 руб. | |||
| 21 | шайба | 1 | 150 руб. | |||
| 22 | GEAR SHIFT ASSEMBLY | 1 | цена по запросу | |||
| 23 | зажим в сборе | 2 | 450 руб. | |||
| 24 | гайка (M5) | 2 | 550 руб. | |||
| 25 | подшипник (0.36" внутренний диаметр) | 2 | 220 руб. | |||
| 26 | подшипник (внутренний диаметр 3/4") | 1 | 220 руб. | |||
| 27 | шайба | 1 | 150 руб. | |||
| 28 | стопорная шайба | 1 | снято с производства | |||
| 29 | подшипник (0.87" внутренний диаметр) | 1 | снято с производства | |||
| 30 | приводная шестерня | 1 | снято с производства | |||
| 31 | пластина и шпилька в сборе | 1 | 5060 руб. | |||
| 32 | ROLLER, Cam | 1 | 210 руб. | |||
| 33 | Винт (M8 x 30) | 1 | 290 руб. | |||
| 34 | шайба | 1 | цена по запросу | |||
| 35 | Пружина | 5 | 220 руб. | |||
| 36 | зажим | 1 | цена по запросу | |||
| 37 | винт (M4 x 6) | 1 | 110 руб. | |||
| 38 | ROLLER, Detent | 1 | 170 руб. | |||
| 39 | переключатель в сборе | 1 | 1710 руб. | |||
| 40 | винт (M3 x 16) | 2 | 110 руб. | |||
| 41 | зажим | 1 | 210 руб. | |||
| 42 | ролик | 1 | 220 руб. | |||
| 43 | Пружина | 1 | 220 руб. | |||
| 44 | крышка нижняя | 1 | цена по запросу | |||
| 45 | Барабан в сборе | 1 | 1220 руб. | |||
| 46 | пружинная шайба | 1 | 90 руб. | |||
| 47 | крышка верхняя | 1 | 3810 руб. | |||
| 48 | поднипник (внутренний диаметр .81") | 1 | 220 руб. | |||
| 49 | рычаг в сборе | 1 | 3050 руб. | |||
| 50 | винт (M5 x 12) | 2 | 180 руб. | |||
| 51 | проставка | 1 | 1480 руб. | |||
| 52 | Шайба (0.255 x 0.620 x 0.030), нержавеющая сталь | 3 | 330 руб. | |||
| 53 | Гайка (М6) | 3 | 290 руб. | |||
| 54 | SWITCH ASSEMBLY, Ignition (See Below for Keys) | 1 | 6110 руб. | |||
| 55 | NUT, Special - Chrome Brass | 1 | 710 руб. | |||
| 56 | COVER ASSEMBLY, Key | 2 | 420 руб. | |||
| 57 | жгут проводов | 1 | 19600 руб. | |||
| 58 | ленточный хомут (8") | 1 | 30 руб. | |||
| 59 | пробка | 1 | 110 руб. | |||
| 60 | шнур аварийного выключения двигателя в сборе | 1 | снято с производства | |||
| - | ключ зажигания (2B) | 1 | 470 руб. | |||
| - | ключ зажигания (2A) | 1 | 470 руб. | |||
| - | ключ зажигания (1A) | 1 | 470 руб. | |||
| - | ключ зажигания (2C) | 1 | 490 руб. | |||
| - | ключ зажигания (2D) | 1 | 470 руб. | |||
| - | ключ зажигания (2E) | 1 | 470 руб. | |||
| - | ключ зажигания (1F) | 1 | 470 руб. | |||
| - | ключ зажигания (1C) | 1 | 470 руб. | |||
| - | дистанционное управление (с наклейками Quicksilver) | 1 | цена по запросу | |||
| - | ключ зажигания (1E) | 1 | 470 руб. | |||
| - | ключ зажигания (1D) | 1 | 470 руб. | |||
| - | ключ зажигания (1B) | 1 | 470 руб. | |||
| - | ключ зажигания (2F) | 1 | 470 руб. | |||
| 1 | Art.: 16910A1 комплект передней части корпуса Деталей в узле: 1 цена по запросу
| ||||||||||||||||||||||||||||||||||||||||||||||||||||||||||||||||||||||||||||||||||||||||||||||||||||||||||||||||||||||||||||||||
| 2 | Art.: 16916A1 Крышка в сборе Деталей в узле: 1 снято с производства 3 | Art.: 16913T рычаг Деталей в узле: 1 снято с производства 4 | Art.: 16915 LOCK ARM Деталей в узле: 1 снято с производства 5 | Art.: 10-40056105 винт (M5 x 10) Деталей в узле: 2 6 | Art.: 16921 BRACKET, Lock Bar Support Деталей в узле: 1 7 | Art.: 10-4005685 Винт (M4 x 10) Деталей в узле: 2 8 | Art.: 24-16924 Пружина Деталей в узле: 1 9 | Art.: 16914 рукоятка Деталей в узле: 1 цена по запросу
10 | Art.: 17016 пробка Деталей в узле: 1 цена по запросу
11 | Art.: HOLDER, Neutral Lock Деталей в узле: 1 12 | Art.: 10-40118107 Винт (M5 x 18) Деталей в узле: 7 13 | Art.: 13-16923 LOCKWASHER, External Деталей в узле: 2 14 | Art.: 16917 крышка Деталей в узле: 1 15 | Art.: Винт (M6 x 110) Деталей в узле: 3 16 | Art.: 16920 BRAKE ADJUSTER Деталей в узле: 1 цена по запросу
17 | Art.: 12-16896 шайба Деталей в узле: 1 18 | Art.: 53-13194 стопорное кольцо Деталей в узле: 1 19 | Art.: 16895 ARM ASSEMBLY, Brake Деталей в узле: 1 цена по запросу
20 | Art.: 23-16875 подшипник (внутренний диаметр 1 3/4") Деталей в узле: 2 21 | Art.: 12-16874 шайба Деталей в узле: 1 22 | Art.: 16918A3 GEAR SHIFT ASSEMBLY Деталей в узле: 1 цена по запросу
23 | Art.: 54-85899A1 зажим в сборе Деталей в узле: 2 24 | Art.: гайка (M5) Деталей в узле: 2 25 | Art.: 23-16871 подшипник (0.36" внутренний диаметр) Деталей в узле: 2 26 | Art.: 23-16868 подшипник (внутренний диаметр 3/4") Деталей в узле: 1 27 | Art.: 12-16870 шайба Деталей в узле: 1 28 | Art.: 13-16872 стопорная шайба Деталей в узле: 1 снято с производства 29 | Art.: 23-16869 подшипник (0.87" внутренний диаметр) Деталей в узле: 1 снято с производства 30 | Art.: 16892T приводная шестерня Деталей в узле: 1 снято с производства 31 | Art.: 850723A2 пластина и шпилька в сборе Деталей в узле: 1 32 | Art.: 16873 ROLLER, Cam Деталей в узле: 1 33 | Art.: 10-4007154 Винт (M8 x 30) Деталей в узле: 1 34 | Art.: 12-12038 шайба Деталей в узле: 1 цена по запросу
35 | Art.: 24-16882 Пружина Деталей в узле: 5 36 | Art.: 16880 зажим Деталей в узле: 1 цена по запросу
37 | Art.: 10-4005683 винт (M4 x 6) Деталей в узле: 1 38 | Art.: 16879 ROLLER, Detent Деталей в узле: 1 39 | Art.: переключатель в сборе Деталей в узле: 1 40 | Art.: 10-4005647 винт (M3 x 16) Деталей в узле: 2 41 | Art.: 16886 зажим Деталей в узле: 1 42 | Art.: 16884 ролик Деталей в узле: 1 43 | Art.: 24-16888 Пружина Деталей в узле: 1 44 | Art.: 16912T крышка нижняя Деталей в узле: 1 цена по запросу
45 | Art.: 16883 Барабан в сборе Деталей в узле: 1 46 | Art.: 13-16922 пружинная шайба Деталей в узле: 1 47 | Art.: 16911T крышка верхняя Деталей в узле: 1 48 | Art.: 23-16887 поднипник (внутренний диаметр .81") Деталей в узле: 1 49 | Art.: 16919A1 рычаг в сборе Деталей в узле: 1 50 | Art.: 10-40118106 винт (M5 x 12) Деталей в узле: 2 51 | Art.: 17063T проставка Деталей в узле: 1 52 | Art.: 12-35280 Шайба (0.255 x 0.620 x 0.030), нержавеющая сталь Деталей в узле: 3 53 | Art.: 11-401196 Гайка (М6) Деталей в узле: 3 54 | Art.: 87-17009A5 SWITCH ASSEMBLY, Ignition (See Below for Keys) Деталей в узле: 1 55 | Art.: NUT, Special - Chrome Brass Деталей в узле: 1 56 | Art.: 90468A1 COVER ASSEMBLY, Key Деталей в узле: 2 57 | Art.: 84-850731A2 жгут проводов Деталей в узле: 1 58 | Art.: ленточный хомут (8") Деталей в узле: 1 59 | Art.: 19-11023 пробка Деталей в узле: 1 60 | Art.: шнур аварийного выключения двигателя в сборе Деталей в узле: 1 снято с производства - | Art.: 894918 ключ зажигания (2B) Деталей в узле: 1 - | Art.: 894917 ключ зажигания (2A) Деталей в узле: 1 - | Art.: 894911 ключ зажигания (1A) Деталей в узле: 1 - | Art.: 894919 ключ зажигания (2C) Деталей в узле: 1 - | Art.: 8949110 ключ зажигания (2D) Деталей в узле: 1 - | Art.: 8949111 ключ зажигания (2E) Деталей в узле: 1 |
