7.5 /9.8 H.P.
← |
Электрические компоненты
Электрические компоненты
| № | Артикул | Наименование | Деталей в узле | Комментарий | Цена | |
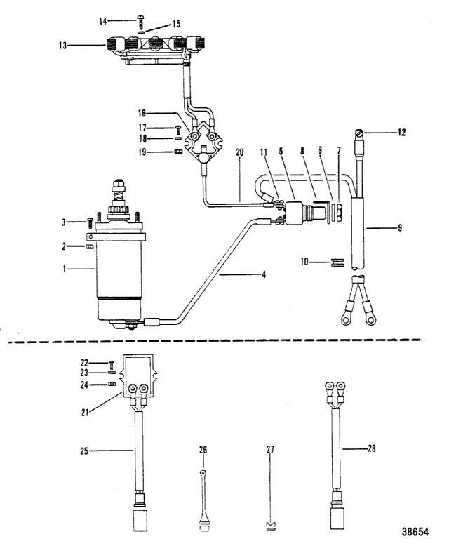
| 1 | Стартер в сборе | 1 | снято с производства | |||
| 2 | винт (.312-18 x 1.500) | 2 | снято с производства | |||
| 3 | LOCKWASHER, (.312), STARTER MOTOR SCREW | 2 | цена по запросу | |||
| 4 | WIRE ASSEMBLY, STARTING SWITCH (YELLOW) | 1 | снято с производства | |||
| 5 | SWITCH ASSEMBLY, Starting | 1 | снято с производства | |||
| 6 | WASHER, STARTING SWITCH | 1 | снято с производства | |||
| 7 | NUT, STARTING SWITCH | 1 | снято с производства | |||
| 8 | PROTECTOR, STARTING SWITCH | 1 | снято с производства | |||
| 9 | аккумуляторный кабель в сборе | 1 | 13810 руб. | |||
| 10 | резиновая втулка аккумуляторного кабеля | 1 | 1030 руб. | |||
| 11 | SCREW, (.190-32 x .312), BATTERY CABLE ATTACHING | 1 | 130 руб. | |||
| 12 | SCREW, (.250-20 x .500), BATTERY CABLE ATTACHING | 1 | 130 руб. | |||
| 13 | LIGHTING STATOR ASSEMBLY | 1 | BELGIUM | снято с производства | ||
| 13 | LIGHTING STATOR ASSEMBLY | 1 | снято с производства | |||
| 14 | SCREW, LIGHTING STATOR ATTACHING (1-5/8") | 2 | снято с производства | |||
| 15 | LOCKWASHER, (#10) Stainless Steel, LIGHTING STATOR SCREW | 2 | 120 руб. | |||
| 16 | выпрямитель в сборе | 1 | цена по запросу | |||
| 17 | SCREW, (#10-16 x .500), RECTIFIER | 2 | 230 руб. | |||
| 18 | проставка винта выпрямителя | 1 | снято с производства | |||
| 19 | NUT, (#10-32) Brass, RECTIFIER TERMINAL | 3 | 180 руб. | |||
| 20 | провод в сборе | 1 | снято с производства | |||
| 21 | Регулятор напряжения | 1 | BELGIUM | снято с производства | ||
| 22 | винт (#10-16 x 1.12) | 2 | BELGIUM | 230 руб. | ||
| 23 | проставка винта регулятора напряжения | 2 | BELGIUM | снято с производства | ||
| 24 | NUT, (#10-32) Brass, VOLTAGE REGULATOR TERMINAL | 2 | BELGIUM | 180 руб. | ||
| 25 | HARNESS ASSEMBLY (BLACK/RED) | 1 | BELGIUM | 6030 руб. | ||
| 26 | пробка жгута | 1 | BELGIUM | 960 руб. | ||
| 27 | PLUG, HARNESS TO BOTTOM COWL | 1 | BELGIUM | 690 руб. | ||
| 28 | HARNESS ASSEMBLY, LIGHTING (EXTERNAL) | 1 | BELGIUM | снято с производства | ||
| 1 | Art.: 50-78011 Стартер в сборе Деталей в узле: 1 снято с производства 2 | Art.: 10-55511 винт (.312-18 x 1.500) Деталей в узле: 2 снято с производства 3 | Art.: 13-26993 LOCKWASHER, (.312), STARTER MOTOR SCREW Деталей в узле: 2 цена по запросу
4 | Art.: 84-76741A1 WIRE ASSEMBLY, STARTING SWITCH (YELLOW) Деталей в узле: 1 снято с производства 5 | Art.: 87-73883 SWITCH ASSEMBLY, Starting Деталей в узле: 1 снято с производства 6 | Art.: 12-30516 WASHER, STARTING SWITCH Деталей в узле: 1 снято с производства 7 | Art.: 11-74394 NUT, STARTING SWITCH Деталей в узле: 1 снято с производства 8 | Art.: 74515 PROTECTOR, STARTING SWITCH Деталей в узле: 1 снято с производства 9 | Art.: 84-72535A4 аккумуляторный кабель в сборе Деталей в узле: 1 10 | Art.: 25-86361 резиновая втулка аккумуляторного кабеля Деталей в узле: 1 11 | Art.: 10-45742 SCREW, (.190-32 x .312), BATTERY CABLE ATTACHING Деталей в узле: 1 12 | Art.: 10-98253 SCREW, (.250-20 x .500), BATTERY CABLE ATTACHING Деталей в узле: 1 13 | Art.: LIGHTING STATOR ASSEMBLY (BELGIUM)Деталей в узле: 1 снято с производства 13 | Art.: LIGHTING STATOR ASSEMBLY Деталей в узле: 1 снято с производства 14 | Art.: 10-73696 SCREW, LIGHTING STATOR ATTACHING (1-5/8") Деталей в узле: 2 снято с производства 15 | Art.: 13-26996 LOCKWASHER, (#10) Stainless Steel, LIGHTING STATOR SCREW Деталей в узле: 2 16 | выпрямитель в сборе Деталей в узле: 1 цена по запросу 17 | Art.: 10-48408 SCREW, (#10-16 x .500), RECTIFIER Деталей в узле: 2 18 | Art.: 23-62769 проставка винта выпрямителя Деталей в узле: 1 снято с производства 19 | Art.: 11-45076 NUT, (#10-32) Brass, RECTIFIER TERMINAL Деталей в узле: 3 20 | Art.: 84-61393A9 провод в сборе Деталей в узле: 1 снято с производства 21 | Art.: Регулятор напряжения (BELGIUM)Деталей в узле: 1 снято с производства 22 | Art.: 10-92799 винт (#10-16 x 1.12) (BELGIUM)Деталей в узле: 2 23 | Art.: 23-62769 проставка винта регулятора напряжения (BELGIUM)Деталей в узле: 2 снято с производства 24 | Art.: 11-45076 NUT, (#10-32) Brass, VOLTAGE REGULATOR TERMINAL (BELGIUM)Деталей в узле: 2 25 | Art.: 84-74725A2 HARNESS ASSEMBLY (BLACK/RED) (BELGIUM)Деталей в узле: 1 26 | Art.: 71663 пробка жгута (BELGIUM)Деталей в узле: 1 27 | Art.: 74361 PLUG, HARNESS TO BOTTOM COWL (BELGIUM)Деталей в узле: 1 28 | Art.: 84-65017A4 HARNESS ASSEMBLY, LIGHTING (EXTERNAL) (BELGIUM)Деталей в узле: 1 снято с производства | ||||||||||||||||||||||||||||||
