MARK 35A MERC 300/350
← |
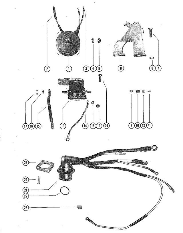
RECTIFIER, STARTER SOLENOID AND WIRING HARNESS
RECTIFIER, STARTER SOLENOID AND WIRING HARNESS
| № | Артикул | Наименование | Деталей в узле | Комментарий | Цена | |
| 1 | выпрямитель в сборе | 1,1,1 | снято с производства | |||
| 2 | SLEEVE, RECTIFIER LEAD (RED) | 1,1,1 | снято с производства | |||
| 3 | DISCONNECT, KNIFE SPLICE - RECTIFIER LEAD WIRES | 3,3,3 | снято с производства | |||
| 4 | стопорная шайба винта крепления выпрямителя | 1,1,1 | цена по запросу | |||
| 5 | гайка винта крепления выпрямителя | 1,1,1 | снято с производства | |||
| 6 | кронштейн крепления выпрямителя | 1,1,1 | снято с производства | |||
| 7 | винт крепления кронштейна выпрямителя к нижней части колпака | 2,2,2 | снято с производства | |||
| 8 | гайка винта крепления ронштейна | 2,2,2 | 180 руб. | |||
| 9 | CLAMP, LEAD WIRE TO RECTIFIER BRACKET - UPPER (1/4") | 2,2, | 350 руб. | |||
| 9 | CLAMP, LEAD WIRE TO RECTIFIER BRACKET - UPPER (1/4") | ,,1 | 350 руб. | |||
| 10 | CLAMP, LEAD WIRE TO RECTIFIER BRACKET - LOWER (3/8") | ,,1 | 510 руб. | |||
| 11 | SCREW, LEAD WIRE CLAMP TO BRACKET | 2,2,2 | цена по запросу | |||
| 12 | D-образная шайба винта крепления зажима | 2,2,2 | 130 руб. | |||
| 13 | Соленоид стартера | 1,1,1 | снято с производства | |||
| 14 | GROUND STRAP ASSEMBLY, SOLENOID TO STARTER | 1,1,1 | снято с производства | |||
| 15 | WIRE, STRTER TO STARTER SOLENOID | 1,1,1 | снято с производства | |||
| 16 | LOCKWASHER, SOLENOID TERMINAL (5/16") | 2,2,2 | цена по запросу | |||
| 17 | NUT, SOLENOID TERMINAL - INSIDE (5/16") | 1,1,1 | цена по запросу | |||
| 17 | NUT, CAP - SOLENOID TERMINAL - OUTSIDE (5/16") | 1,1,1 | снято с производства | |||
| 18 | LOCKWASHER, SOLENOID TERMINAL (#10) | 1,1,1 | 120 руб. | |||
| 19 | NUT, SOLENOID TERMINAL (#10) | 2,2,2 | цена по запросу | |||
| 20 | SCREW, SOLENOID TO STARTER MOTOR | 2,2,2 | снято с производства | |||
| 21 | WIRING HARNESS (INTERNAL) | 1,1,1 | снято с производства | |||
| 22 | SPRING, GARTER - INTERNAL WIRING HARNESS | 1,1,1 | снято с производства | |||
| 23 | PLATE, BACKING - WIRING HARNESS | 1,1,1 | 1890 руб. | |||
| 24 | SCREW, BACKING PLATE TO BOTTOM COWL | 4,4,4 | цена по запросу | |||
| 25 | "S" CLIP, WIRING HARNESS LEADS TO BOTTOM COWL | 3,3,3 | снято с производства | |||
| - | LOCKWASHER, SOLENOID FATENING SCREW | 2,, | 100 руб. | |||
| 1 | Art.: выпрямитель в сборе Деталей в узле: 1,1,1 снято с производства 2 | Art.: SLEEVE, RECTIFIER LEAD (RED) Деталей в узле: 1,1,1 снято с производства 3 | Art.: 22647 DISCONNECT, KNIFE SPLICE - RECTIFIER LEAD WIRES Деталей в узле: 3,3,3 снято с производства 4 | Art.: 13-26993 стопорная шайба винта крепления выпрямителя Деталей в узле: 1,1,1 цена по запросу
5 | Art.: 11-21929 гайка винта крепления выпрямителя Деталей в узле: 1,1,1 снято с производства 6 | Art.: 28597 кронштейн крепления выпрямителя Деталей в узле: 1,1,1 снято с производства 7 | Art.: 10-21091 винт крепления кронштейна выпрямителя к нижней части колпака Деталей в узле: 2,2,2 снято с производства 8 | Art.: 11-24652 гайка винта крепления ронштейна Деталей в узле: 2,2,2 9 | Art.: 54-24836 CLAMP, LEAD WIRE TO RECTIFIER BRACKET - UPPER (1/4") Деталей в узле: 2,2, 9 | Art.: 54-24836 CLAMP, LEAD WIRE TO RECTIFIER BRACKET - UPPER (1/4") Деталей в узле: ,,1 10 | Art.: 54-22740 CLAMP, LEAD WIRE TO RECTIFIER BRACKET - LOWER (3/8") Деталей в узле: ,,1 11 | Art.: SCREW, LEAD WIRE CLAMP TO BRACKET Деталей в узле: 2,2,2 цена по запросу 12 | D-образная шайба винта крепления зажима Деталей в узле: 2,2,2 13 | Art.: Соленоид стартера Деталей в узле: 1,1,1 снято с производства 14 | Art.: 28016A1 GROUND STRAP ASSEMBLY, SOLENOID TO STARTER Деталей в узле: 1,1,1 снято с производства 15 | WIRE, STRTER TO STARTER SOLENOID Деталей в узле: 1,1,1 снято с производства 16 | Art.: 13-26993 LOCKWASHER, SOLENOID TERMINAL (5/16") Деталей в узле: 2,2,2 цена по запросу
17 | Art.: NUT, SOLENOID TERMINAL - INSIDE (5/16") Деталей в узле: 1,1,1 цена по запросу 17 | Art.: 11-26062 NUT, CAP - SOLENOID TERMINAL - OUTSIDE (5/16") Деталей в узле: 1,1,1 снято с производства 18 | Art.: 13-26996 LOCKWASHER, SOLENOID TERMINAL (#10) Деталей в узле: 1,1,1 19 | Art.: NUT, SOLENOID TERMINAL (#10) Деталей в узле: 2,2,2 цена по запросу 20 | Art.: 10-29238 SCREW, SOLENOID TO STARTER MOTOR Деталей в узле: 2,2,2 |
