90 HP A-MODELS (1990) FORCE
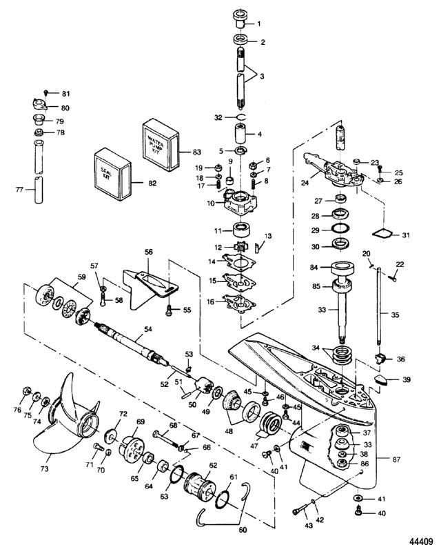
Gear Housing, 25 Inch Models
Gear Housing, 25 Inch Models
| № | Артикул | Наименование | Деталей в узле | Комментарий | Цена | |
| 1 | SEAL, DRIVESHAFT SPLINE | 1 | 350 руб. | |||
| 2 | RETAINER, DRIVESHAFT SPLINE SEAL | 1 | снято с производства | |||
| 3 | DRIVESHAFT, 25.00 Inch, UPPER | 1 | снято с производства | |||
| 4 | COUPLING, DRIVESHAFT | 1 | снято с производства | |||
| 5 | Уплотнение | 1 | цена по запросу | |||
| 6 | гайка (0.250-28) | 4 | цена по запросу | |||
| 7 | шайба | 4 | цена по запросу | |||
| 8 | шпилька | 4 | цена по запросу | |||
| 9 | SEAL, WATER LINE | 1 | 570 руб. | |||
| 10 | BODY, WATER PUMP | 1 | цена по запросу | |||
| 11 | Палец-вкладыш | 1 | 4090 руб. | |||
| 12 | Крыльчатка | 1 | 4990 руб. | |||
| 13 | шпонка | 1 | 2810 руб. | |||
| 14 | Прокладка | 1 | 290 руб. | |||
| 15 | Пластина | 1 | 2600 руб. | |||
| 16 | Прокладка | 1 | 260 руб. | |||
| 17 | шпилька | 1 | снято с производства | |||
| 18 | шайба | 1 | снято с производства | |||
| 19 | гайка (#10-32) | 1 | цена по запросу | |||
| 20 | шплинт | 1 | 100 руб. | |||
| 22 | стержень | 1 | 550 руб. | |||
| 23 | SEAL, SHIFT ROD | 1 | 880 руб. | |||
| 24 | COVER, GEAT HOUSING W/SEAL | 1 | снято с производства | |||
| 25 | винт (0.250-20 x 0.875) | 4 | цена по запросу | |||
| 26 | стопорная шайба (0.250) | 4 | цена по запросу | |||
| 27 | Уплотнение | 1 | цена по запросу | |||
| 28 | Уплотнение | 1 | цена по запросу | |||
| 29 | Уплотнение | 1 | цена по запросу | |||
| 30 | фиксатор | 1 | цена по запросу | |||
| 31 | Уплотнение | 1 | цена по запросу | |||
| 32 | стопорное кольцо | 1 | снято с производства | |||
| 33 | Вертикальный вал нижний | 1 | снято с производства | |||
| 34 | SHIM (.002) | A/R | снято с производства | |||
| 35 | ROD, LOWER SHIFT | 1 | снято с производства | |||
| 36 | муфта | 1 | снято с производства | |||
| 37 | Подшипник | 1 | 12030 руб. | |||
| 38 | шайба | 1 | цена по запросу | |||
| 39 | PLUG, PITOT | 1 | снято с производства | |||
| 40 | винт | 3 | цена по запросу | |||
| 41 | шайба | 3 | цена по запросу | |||
| 42 | Уплотнение | 1 | цена по запросу | |||
| 43 | PIN, Gear Shift Arm Pivot | 1 | цена по запросу | |||
| 44 | SCREW, (.312-18 x 3.25) | 6 | 1100 руб. | |||
| 45 | Стопорная шайба (0.312) | 7 | цена по запросу | |||
| 46 | SCREW, (.625-18 x 1.00) | 1 | снято с производства | |||
| 47 | SHIM (.002) | A/R | снято с производства | |||
| 48 | GEAR, FORWARD (27 TOOTH) | 1 | цена по запросу | |||
| 49 | SPACER (.050) | A/R | снято с производства | |||
| 50 | муфта сцепления | 1 | 51140 руб. | |||
| 51 | стержень пружины | 1 | снято с производства | |||
| 52 | стержень | 1 | снято с производства | |||
| 53 | YOKE | 1 | 8200 руб. | |||
| 54 | PROPELLER SHAFT ASSEMBLY | 1 | снято с производства | |||
| 55 | фиксатор | 1 | цена по запросу | |||
| 56 | SNOUT, EXHAUST | 1 | цена по запросу | |||
| 57 | шайба | 1 | снято с производства | |||
| 58 | винт (0.312-18 x 1.00) | 1 | цена по запросу | |||
| 59 | GEAR ASSEMBLY, REVERSE W/BEARING (27 TOOTH) | 1 | снято с производства | |||
| 60 | стопорное кольцо | 1 | снято с производства | |||
| 61 | Уплотнение | 1 | цена по запросу | |||
| 62 | SPOOL ASSEMBLY, PROPELLER SHAFT W/BEARING AND SEALS | 1 | снято с производства | |||
| 63 | Уплотнение | 1 | цена по запросу | |||
| 64 | Подшипник | 1 | цена по запросу | |||
| 65 | Уплотнение | 1 | 4140 руб. | |||
| 66 | Уплотнение | 4 | цена по запросу | |||
| 67 | шайба | 4 | цена по запросу | |||
| 68 | BOLT, (5/16-18 X 4.25) | 4 | снято с производства | |||
| 69 | ANODE, Anti Corrosion | 1 | снято с производства | |||
| 70 | стопорная шайба (0.250) | 2 | цена по запросу | |||
| 71 | SCREW, (.25-20 x .875) | 2 | снято с производства | |||
| 72 | SPACER, PROPELLER | 1 | снято с производства | |||
| 74 | WASHER, PROP SPLINE | 1 | снято с производства | |||
| 75 | WASHER, (.750) | 1 | цена по запросу | |||
| 76 | гайка (0.750-16) | 1 | 2050 руб. | |||
| 77 | LINE, Water Inlet, 25 Inch | 1 | снято с производства | |||
| 78 | GROMMET, WATER LINE | 1 | 500 руб. | |||
| 79 | SEAL, WATER LINE | 1 | цена по запросу | |||
| 80 | BRACKET, WATER LINE | 1 | снято с производства | |||
| 81 | винт (0.250-20 x 0.750) | 2 | цена по запросу | |||
| 82 | Уплотнительный комплект | 1 | цена по запросу | |||
| 83 | комплект водяного насоса | 1 | цена по запросу | |||
| 84 | CUP, BEARING | 1 | снято с производства | |||
| 85 | Подшипник | 1 | 18980 руб. | |||
| 86 | гайка ведущей шестерни | 1 | цена по запросу | |||
| 87 | GEAR HOUSING ASSEMBLY, Lower | 1 | цена по запросу | |||
| - | SHIM (.010) | A/R | снято с производства | |||
| - | SHIM (.005) | A/R | снято с производства | |||
| - | SHIM (.003) | A/R | снято с производства | |||
| - | SHIM, (.003) (.003) | A/R | снято с производства | |||
| - | SHIM (.005) | A/R | снято с производства | |||
| - | SPACER (.060) | A/R | снято с производства | |||
| - | SPACER (.070) | A/R | снято с производства | |||
| - | SPACER (.080) | A/R | снято с производства | |||
| - | SHIM (.010) | A/R | снято с производства | |||
| - | Корпус редуктора в сборе | 1 | снято с производства | |||
| 1 | Art.: SEAL, DRIVESHAFT SPLINE Деталей в узле: 1 2 | Art.: 23-F438271 RETAINER, DRIVESHAFT SPLINE SEAL Деталей в узле: 1 снято с производства 3 | Art.: 45-F693128 DRIVESHAFT, 25.00 Inch, UPPER Деталей в узле: 1 снято с производства 4 | Art.: F694125 COUPLING, DRIVESHAFT Деталей в узле: 1 снято с производства 5 | Art.: F694736 Уплотнение Деталей в узле: 1 цена по запросу
6 | Art.: гайка (0.250-28) Деталей в узле: 4 цена по запросу 7 | Art.: шайба Деталей в узле: 4 цена по запросу 8 | Art.: шпилька Деталей в узле: 4 цена по запросу 9 | Art.: 26-F694735-1 SEAL, WATER LINE Деталей в узле: 1 10 | Art.: BODY, WATER PUMP Деталей в узле: 1 цена по запросу 11 | Art.: F694564-1 Палец-вкладыш Деталей в узле: 1 12 | Крыльчатка Деталей в узле: 1 13 | Art.: 28-F694498 шпонка Деталей в узле: 1 14 | Art.: 27-F694031 Прокладка Деталей в узле: 1 15 | Art.: F699562 Пластина Деталей в узле: 1 16 | Art.: 27-F694830 Прокладка Деталей в узле: 1 17 | Art.: 16-F694211 шпилька Деталей в узле: 1 снято с производства 18 | Art.: 12-F8143 шайба Деталей в узле: 1 снято с производства 19 | Art.: гайка (#10-32) Деталей в узле: 1 цена по запросу 20 | Art.: 18-F1015 шплинт Деталей в узле: 1 22 | Art.: 17-F85372 стержень Деталей в узле: 1 23 | Art.: SEAL, SHIFT ROD Деталей в узле: 1 24 | Art.: FA721706 COVER, GEAT HOUSING W/SEAL Деталей в узле: 1 снято с производства 25 | Art.: винт (0.250-20 x 0.875) Деталей в узле: 4 цена по запросу 26 | Art.: стопорная шайба (0.250) Деталей в узле: 4 цена по запросу 27 | Art.: Уплотнение Деталей в узле: 1 цена по запросу 28 | Art.: Уплотнение Деталей в узле: 1 цена по запросу 29 | Art.: Уплотнение Деталей в узле: 1 цена по запросу 30 | Art.: фиксатор Деталей в узле: 1 цена по запросу 31 | Art.: Уплотнение Деталей в узле: 1 цена по запросу 32 | Art.: стопорное кольцо Деталей в узле: 1 снято с производства 33 | Art.: Вертикальный вал нижний Деталей в узле: 1 снято с производства 34 | Art.: F9280 SHIM (.002) Деталей в узле: A/R снято с производства 35 | Art.: F523705-1 ROD, LOWER SHIFT Деталей в узле: 1 снято с производства 36 | Art.: FA84621-1 муфта Деталей в узле: 1 снято с производства 37 | Art.: Подшипник Деталей в узле: 1 38 | Art.: шайба Деталей в узле: 1 цена по запросу 39 | Art.: PLUG, PITOT Деталей в узле: 1 снято с производства 40 | винт Деталей в узле: 3 цена по запросу 41 | Art.: шайба Деталей в узле: 3 цена по запросу 42 | Art.: Уплотнение Деталей в узле: 1 цена по запросу 43 | PIN, Gear Shift Arm Pivot Деталей в узле: 1 цена по запросу
44 | Art.: 10-F1491 SCREW, (.312-18 x 3.25) Деталей в узле: 6 45 | Art.: Стопорная шайба (0.312) Деталей в узле: 7 цена по запросу 46 | Art.: 10-F1858 SCREW, (.625-18 x 1.00) Деталей в узле: 1 снято с производства 47 | Art.: F9284 SHIM (.002) Деталей в узле: A/R снято с производства 48 | GEAR, FORWARD (27 TOOTH) Деталей в узле: 1 цена по запросу
49 | Art.: F2310 SPACER (.050) Деталей в узле: A/R снято с производства 50 | муфта сцепления Деталей в узле: 1 51 | стержень пружины Деталей в узле: 1 снято с производства 52 | Art.: 17-F84871-1 стержень Деталей в узле: 1 снято с производства 53 | Art.: F90619-2 YOKE Деталей в узле: 1 54 | Art.: 44-FA694098 PROPELLER SHAFT ASSEMBLY Деталей в узле: 1 снято с производства 55 | Art.: фиксатор Деталей в узле: 1 цена по запросу
56 | Art.: SNOUT, EXHAUST Деталей в узле: 1 цена по запросу 57 | Art.: 12-F1856 шайба Деталей в узле: 1 снято с производства 58 | Art.: винт (0.312-18 x 1.00) Деталей в узле: 1 цена по запросу 59 | Art.: GEAR ASSEMBLY, REVERSE W/BEARING (27 TOOTH) Деталей в узле: 1 снято с производства 60 | Art.: 53-F523411 стопорное кольцо Деталей в узле: 1 снято с производства 61 | Art.: Уплотнение Деталей в узле: 1 цена по запросу 62 | Art.: SPOOL ASSEMBLY, PROPELLER SHAFT W/BEARING AND SEALS Деталей в узле: 1 снято с производства 63 | Art.: 25-F24278 Уплотнение Деталей в узле: 1 цена по запросу
64 | Art.: Подшипник Деталей в узле: 1 цена по запросу 65 | Art.: 26-F506118-1 Уплотнение Деталей в узле: 1 66 | Art.: Уплотнение Деталей в узле: 4 цена по запросу 67 | Art.: шайба Деталей в узле: 4 цена по запросу 68 | Art.: 10-F1885 BOLT, (5/16-18 X 4.25) Деталей в узле: 4 снято с производства 69 | Art.: FA523485 ANODE, Anti Corrosion Деталей в узле: 1 снято с производства 70 | Art.: стопорная шайба (0.250) Деталей в узле: 2 цена по запросу 71 | Art.: 10-F1112 SCREW, (.25-20 x .875) Деталей в узле: 2 снято с производства 72 | Art.: F694099 SPACER, PROPELLER Деталей в узле: 1 снято с производства 74 | Art.: 12-F523282 WASHER, PROP SPLINE Деталей в узле: 1 снято с производства 75 | Art.: 12-F8167 WASHER, (.750) Деталей в узле: 1 цена по запросу
76 | гайка (0.750-16) Деталей в узле: 1 77 | Art.: 32-F500244 LINE, Water Inlet, 25 Inch Деталей в узле: 1 снято с производства 78 | Art.: GROMMET, WATER LINE Деталей в узле: 1 79 | Art.: 25-F84342 SEAL, WATER LINE Деталей в узле: 1 цена по запросу
80 | Art.: F692117 BRACKET, WATER LINE Деталей в узле: 1 снято с производства 81 | Art.: винт (0.250-20 x 0.750) Деталей в узле: 2 цена по запросу 82 | Art.: Уплотнительный комплект Деталей в узле: 1 цена по запросу 83 | Art.: комплект водяного насоса Деталей в узле: 1 |
