REMOTE CONTROL SYSTEMS AND COMPONENTS
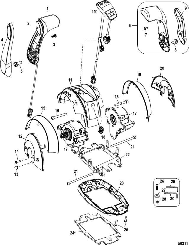
Remote Control-DTS, Dual Handle/Console With Can Pad
Remote Control-DTS, Dual Handle/Console With Can Pad
| № | Артикул | Наименование | Деталей в узле | Комментарий | Цена | |
| 1 | HANDLE ASSEMBLY, ERC Dual with Trim (Black/Chrome) Port, Includes Trim Switch Assembly | 1 | 45040 руб. | |||
| 2 | TRIM SWITCH ASSEMBLY, Dual | 1 | 12110 руб. | |||
| 3 | винт (.164-18 x .375) | 1 | 110 руб. | |||
| 4 | HANDLE COVER, Port with Trim- Chrome | 1 | 2760 руб. | |||
| 5 | Винт (М8 х 20) | 1 | цена по запросу | |||
| 6 | HANDLE ASSEMBLY, ERC Dual w/o Trim (Black/Chrome) STBD | 1 | 33900 руб. | |||
| 7 | винт (.164-18 x .375) | 1 | цена по запросу | |||
| 8 | Винт (М8 х 20) | 1 | цена по запросу | |||
| 9 | HANDLE COVER, Starboard w/o Trim- Chrome | 1 | 3300 руб. | |||
| 10 | ERC CAN PAD ASSEMBLY, Dual Non Trim | 1 | 41450 руб. | |||
| 10 | ERC CAN PAD ASSEMBLY, Dual with Trim | 1 | 39740 руб. | |||
| 11 | COVER, Dual (Black/Chrome) | 1 | 2280 руб. | |||
| 12 | SIDE COVER, Dual Port (Black) | 1 | 1520 руб. | |||
| 13 | PLUG, ERC Adjustment | 4 | 270 руб. | |||
| 14 | Винт (М4 х 16) | 4 | цена по запросу | |||
| 15 | SIDE TRIM COVER, Dual / Triple / Quad ERC Port | 1 | 2270 руб. | |||
| 16 | винт (M6 x 45) | 2 | 1620 руб. | |||
| 17 | MODULE ASSEMBLY, Shift and Throttle | 2 | 31850 руб. | |||
| 18 | DECAL, M-ICON | 1 | 510 руб. | |||
| 19 | SIDE TRIM COVER, Dual / Triple / Quad ERC STBD | 1 | 2270 руб. | |||
| 20 | SIDE COVER, Dual Starboard (Black) | 1 | 1520 руб. | |||
| 21 | Винт (M6 x 110) | 2 | 800 руб. | |||
| 22 | NSS  | NOT SOLD SEPARATE, ERC Mount Bracket | 1 | |||
| 23 | BASE HOUSING ASSEMBLY, Dual ERC | 1 | 3420 руб. | |||
| 24 | GASKET, Dual ERC Base | 1 | цена по запросу | |||
| 25 | винт (#10-16 x 0.750) | 4 | 200 руб. | |||
| 26 | Винт (M6 x 40) | 4 | 300 руб. | |||
| 27 | шайба | 4 | цена по запросу | |||
| 28 | Гайка (М6), нержавеющая сталь | 4 | 350 руб. | |||
| 29 | WRENCH, Allen (2.5 mm) | 1 | цена по запросу | |||
| 30 | WRENCH, Allen (5.0 mm) | 1 | цена по запросу | |||
| - | REMOTE CONTROL, Dual With Trim in Handle | 1 | 213320 руб. | |||
| - | SENSOR, Throttle/Shift | 1 | 24460 руб. | |||
| - | NYLINER, Flanged | 1 | 660 руб. | |||
| 1 | Art.: 8M0099030 HANDLE ASSEMBLY, ERC Dual with Trim (Black/Chrome) Port, Includes Trim Switch Assembly Деталей в узле: 1 2 | Art.: 87-8M0103029 TRIM SWITCH ASSEMBLY, Dual Деталей в узле: 1 3 | Art.: 10-58376 винт (.164-18 x .375) Деталей в узле: 1 4 | Art.: 8M0080013 HANDLE COVER, Port with Trim- Chrome Деталей в узле: 1 5 | Art.: 10-40011148 Винт (М8 х 20) Деталей в узле: 1 цена по запросу 
										6 | Art.: 8M0080080 HANDLE ASSEMBLY, ERC Dual w/o Trim (Black/Chrome) STBD Деталей в узле: 1 7 | Art.: 10-8M0080328 винт (.164-18 x .375) Деталей в узле: 1 цена по запросу 
										8 | Art.: 10-40011148 Винт (М8 х 20) Деталей в узле: 1 цена по запросу 
										9 | Art.: 8M0080021 HANDLE COVER, Starboard w/o Trim- Chrome Деталей в узле: 1 10 | Art.: 87-8M0080026 ERC CAN PAD ASSEMBLY, Dual Non Trim Деталей в узле: 1 10 | Art.: 87-8M0099024 ERC CAN PAD ASSEMBLY, Dual with Trim Деталей в узле: 1 11 | Art.: 8M0080082 COVER, Dual (Black/Chrome) Деталей в узле: 1 12 | Art.: 8M0080023 SIDE COVER, Dual Port (Black) Деталей в узле: 1 13 | Art.: 19-8M0069457 PLUG, ERC Adjustment Деталей в узле: 4 14 | Art.: 10-8M0081495 Винт (М4 х 16) Деталей в узле: 4 цена по запросу 
										15 | Art.: 8M0080172 SIDE TRIM COVER, Dual / Triple / Quad ERC Port Деталей в узле: 1 16 | Art.: 10-4008845 винт (M6 x 45) Деталей в узле: 2 17 | Art.: 877724A02 MODULE ASSEMBLY, Shift and Throttle Деталей в узле: 2 18 | Art.: 37-8M6001063 DECAL, M-ICON Деталей в узле: 1 19 | Art.: 8M0080173 SIDE TRIM COVER, Dual / Triple / Quad  ERC STBD Деталей в узле: 1 20 | Art.: 8M0080022 SIDE COVER, Dual Starboard (Black) Деталей в узле: 1 21 | Art.: 10-40088110 Винт (M6 x 110) Деталей в узле: 2 22 | Art.: -NSS NOT SOLD SEPARATE, ERC Mount Bracket Деталей в узле: 1 23 | Art.: 8M0080020 BASE HOUSING ASSEMBLY, Dual ERC Деталей в узле: 1 24 | Art.: 27-8M0065047 GASKET, Dual ERC Base Деталей в узле: 1 цена по запросу 
										25 | Art.: 10-69570 винт (#10-16 x 0.750) Деталей в узле: 4 26 | Art.: 10-4008840 Винт (M6 x 40) Деталей в узле: 4 27 | Art.: 12-4002316 шайба Деталей в узле: 4 цена по запросу 
										28 | Art.: 11-401386 Гайка (М6), нержавеющая сталь Деталей в узле: 4 29 | Art.: 91-88849025 WRENCH, Allen (2.5 mm) Деталей в узле: 1 цена по запросу 
										30 | Art.: 91-88849050 WRENCH, Allen (5.0 mm) Деталей в узле: 1 цена по запросу 
										- | Art.: 8M0092821 REMOTE CONTROL, Dual With Trim in Handle Деталей в узле: 1  | 
