MERC 1500
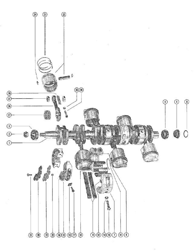
коленчатый вал, поршни и шатуны
коленчатый вал, поршни и шатуны
| № | Артикул | Наименование | Деталей в узле | Комментарий | Цена | |
| 1 | Коленчатый вал в сборе | 1 | снято с производства | |||
| 2 | гайка крепления маховика к коленчатому валу | 1 | 1340 руб. | |||
| 3 | BEARING, BALL - UPPER | 1 | 23320 руб. | |||
| 4 | BEARING, BALL - LOWER | 1 | 6840 руб. | |||
| 5 | опора уплотнительного кольца в сборе | 1 | 2340 руб. | |||
| 6 | PACKING, CARRIER | 1 | 380 руб. | |||
| 7 | центральный коренной вкладыш в сборе | 2 | UNITED STATES 3751849 AND BELOW AUSTRALIA 8013389 AND BELOW CANADA 7024372 AND BELOW | снято с производства | ||
| 7 | центральный коренной вкладыш в сборе | 2 | UNITED STATES 3751850 AND UP AUSTRALIA 8013390 AND UP CANADA 7024373 AND UP | снято с производства | ||
| 8 | посадочный штифт центрального коренного вкладыша | 4 | цена по запросу | |||
| 9 | BEARNG, NEEDLE - OUTER RACE | 112 | цена по запросу | |||
| 10 | обойма внешняя (пара) | 2 | 21380 руб. | |||
| 11 | RING, SNAP - OUTER RACE | 2 | снято с производства | |||
| 12 | DOWEL PIN, STEPPED | 2 | снято с производства | |||
| 13 | SCREW, CENTER MAIN BEARING CLAMPING (1 1/4") | 4 | снято с производства | |||
| 14 | NUT, BEARING CLAMPING SCREW | 4 | цена по запросу | |||
| 15 | MAIN BEARING ASSEMBLY, VALVE TYPE | 3 | UNITED STATES 3751849 AND BELOW AUSTRALIA 8013389 AND BELOW CANADA 7024372 AND BELOW | снято с производства | ||
| 15 | MAIN BEARING ASSEMBLY, VALVE TYPE | 3 | UNITED STATES 3751850 AND UP AUSTRALIA 8013390 AND UP CANADA 7024373 AND UP | снято с производства | ||
| 16 | посадочный штифт коренного вкладыша | 6 | цена по запросу | |||
| 17 | винт зажима коренного вкладыша (9/16") | 6 | снято с производства | |||
| 18 | гайка винта зажима коренного вкладыша | 6 | снято с производства | |||
| 19 | REED SET, MATCHED - MAIN BEARING | 3 | 300100 руб. | |||
| 20 | REED STOP, MAIN BEARING REED VALVES | 12 | снято с производства | |||
| 21 | SCREW, REED STOP MOUNTING (1 3/8") | 30 | снято с производства | |||
| 22 | NUT, REED STOP SCREW | 30 | снято с производства | |||
| 23 | Поршень и поршневой палец в сборе | 6 | цена по запросу | |||
| 24 | Стопорное кольцо поршневого пальца | 12 | 290 руб. | |||
| 25 | RING, PISTON (1/16" THICK) | 2 | UNITED STATES 3751849 AND BELOW AUSTRALIA 8013389 AND BELOW CANADA 7024372 AND BELOW | снято с производства | ||
| 25 | RING, PISTON (1/16" THICK) | 2 | UNITED STATES 3751850 AND UP AUSTRALIA 8013390 AND UP CANADA 7024373 AND UP | 29230 руб. | ||
| 26 | CONNECTING ROD AND CAP ASSEMBLY | 6 | снято с производства | |||
| 27 | BEARING ASSEMBLY, CRANKPIN | 6 | цена по запросу | |||
| 28 | Винт шатуна | 12 | снято с производства | |||
| 29 | Гайка винта шатуна | 12 | цена по запросу | |||
| 30 | игольчатый подшипник поршневого пальца | 174 | цена по запросу | |||
| 31 | WASHER, NEEDLE LOCATING | 12 | 1310 руб. | |||
| - | PISTON AND PISTON PIN ASSSEMBLY | 6 | .015 OVERSIZE PISTONS AND RINGS | цена по запросу | ||
| - | RING, PISTON (1/16" THICK) | 2 | .015 OVERSIZE PISTONS AND RINGS UNITED STATES 3751849 AND BELOW AUSTRALIA 8013389 AND BELOW CANADA 7024372 AND BELOW | снято с производства | ||
| - | RING, PISTON (1/16" THICK) | 2 | .015 OVERSIZE PISTONS AND RINGS UNITED STATES 3751850 AND UP AUSTRALIA 8013390 AND UP CANADA 7024373 AND UP | цена по запросу | ||
| 1 | Коленчатый вал в сборе Деталей в узле: 1 снято с производства 2 | Art.: 11-52901 гайка крепления маховика к коленчатому валу Деталей в узле: 1 3 | Art.: BEARING, BALL - UPPER Деталей в узле: 1 4 | Art.: BEARING, BALL - LOWER Деталей в узле: 1 5 | Art.: 54196A6 опора уплотнительного кольца в сборе Деталей в узле: 1 6 | Art.: 65800 PACKING, CARRIER Деталей в узле: 1 7 | Art.: 535-3190A2 центральный коренной вкладыш в сборе (UNITED STATES 3751849 AND BELOW AUSTRALIA 8013389 AND BELOW CANADA 7024372 AND BELOW)Деталей в узле: 2 снято с производства 7 | Art.: 535-5397A4 центральный коренной вкладыш в сборе (UNITED STATES 3751850 AND UP AUSTRALIA 8013390 AND UP CANADA 7024373 AND UP)Деталей в узле: 2 снято с производства 8 | Art.: 17-20032 посадочный штифт центрального коренного вкладыша Деталей в узле: 4 цена по запросу
9 | Art.: BEARNG, NEEDLE - OUTER RACE Деталей в узле: 112 цена по запросу 10 | Art.: обойма внешняя (пара) Деталей в узле: 2 11 | Art.: 53-26933 RING, SNAP - OUTER RACE Деталей в узле: 2 снято с производства 12 | Art.: 17-47246 DOWEL PIN, STEPPED Деталей в узле: 2 снято с производства 13 | Art.: 10-22968 SCREW, CENTER MAIN BEARING CLAMPING (1 1/4") Деталей в узле: 4 снято с производства 14 | Art.: NUT, BEARING CLAMPING SCREW Деталей в узле: 4 цена по запросу 15 | Art.: MAIN BEARING ASSEMBLY, VALVE TYPE (UNITED STATES 3751849 AND BELOW AUSTRALIA 8013389 AND BELOW CANADA 7024372 AND BELOW)Деталей в узле: 3 снято с производства 15 | Art.: 540-5266A4 MAIN BEARING ASSEMBLY, VALVE TYPE (UNITED STATES 3751850 AND UP AUSTRALIA 8013390 AND UP CANADA 7024373 AND UP)Деталей в узле: 3 снято с производства 16 | Art.: 17-20032 посадочный штифт коренного вкладыша Деталей в узле: 6 цена по запросу
17 | Art.: 10-45775 винт зажима коренного вкладыша (9/16") Деталей в узле: 6 снято с производства 18 | Art.: 11-45774 гайка винта зажима коренного вкладыша Деталей в узле: 6 снято с производства 19 | Art.: 34-65312A1 REED SET, MATCHED - MAIN BEARING Деталей в узле: 3 20 | Art.: 34-65319 REED STOP, MAIN BEARING REED VALVES Деталей в узле: 12 снято с производства 21 | Art.: 10-62204 SCREW, REED STOP MOUNTING (1 3/8") Деталей в узле: 30 снято с производства 22 | Art.: 11-53153 NUT, REED STOP SCREW Деталей в узле: 30 снято с производства 23 | Поршень и поршневой палец в сборе Деталей в узле: 6 цена по запросу 24 | Art.: Стопорное кольцо поршневого пальца Деталей в узле: 12 25 | Art.: 39-64715A12 RING, PISTON (1/16" THICK) (UNITED STATES 3751849 AND BELOW AUSTRALIA 8013389 AND BELOW CANADA 7024372 AND BELOW)Деталей в узле: 2 снято с производства 25 | Art.: RING, PISTON (1/16" THICK) (UNITED STATES 3751850 AND UP AUSTRALIA 8013390 AND UP CANADA 7024373 AND UP)Деталей в узле: 2 26 | Art.: CONNECTING ROD AND CAP ASSEMBLY Деталей в узле: 6 снято с производства 27 | Art.: 31-62596A1 BEARING ASSEMBLY, CRANKPIN Деталей в узле: 6 цена по запросу
28 | Art.: 10-54803 Винт шатуна Деталей в узле: 12 снято с производства 29 | Art.: 11-49091 Гайка винта шатуна Деталей в узле: 12 цена по запросу
30 | Art.: 29-47270 игольчатый подшипник поршневого пальца Деталей в узле: 174 цена по запросу
31 | Art.: WASHER, NEEDLE LOCATING Деталей в узле: 12 - | PISTON AND PISTON PIN ASSSEMBLY (.015 OVERSIZE PISTONS AND RINGS)Деталей в узле: 6 цена по запросу - | Art.: 39-49839A12 RING, PISTON (1/16" THICK) (.015 OVERSIZE PISTONS AND RINGS UNITED STATES 3751849 AND BELOW AUSTRALIA 8013389 AND BELOW CANADA 7024372 AND BELOW)Деталей в узле: 2 снято с производства - | Art.: RING, PISTON (1/16" THICK) (.015 OVERSIZE PISTONS AND RINGS UNITED STATES 3751850 AND UP AUSTRALIA 8013390 AND UP CANADA 7024373 AND UP)Деталей в узле: 2 цена по запросу
| ||||||||||||||||||||||||||||||||||||||
