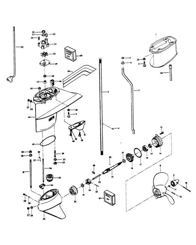
30 H.P.
Корпус редуктора
Корпус редуктора
| № | Артикул | Наименование | Деталей в узле | Комментарий | Цена | |
| 1 | EXTENSION, MOTOR LEG | 1 | снято с производства | |||
| 2 | HEX CAP SCREW, 3/8 - 16 X 1-1/8 | 8 | цена по запросу | |||
| 3 | DRIVESHAFT FOR STANDARD SHAFT MODELS | 1 | снято с производства | |||
| 4 | DRIVE PIN, WATER PUMP IMPELLER | 1 | 560 руб. | |||
| 5 | SEAL, INLET WATER LINE UPPER | 1 | цена по запросу | |||
| 6 | PLAIN WASHER | 1 | цена по запросу | |||
| 7 | INLET WATER LINE FOR STANDARD SHAFT MODELS | 1 | снято с производства | |||
| 8 | PROPELLER (ACCESSORY ITEM) | 1 | снято с производства | |||
| 9 | PROP NUT W/SEAL AND COTTER PIN | 1 | 1710 руб. | |||
| 10 | шплинт | 1 | цена по запросу | |||
| 11 | SEAL, PROPELLER NUT | 1 | цена по запросу | |||
| 12 | PROPELLER PIN, PACK OF 6 W/COTTER PIN | 1 | цена по запросу | |||
| 13 | HEX SOCKET HD CAP SCREW, 5/16 - 18 X 9/16 | 2 | цена по запросу | |||
| 14 | PROP SHAFT BEARING CAGE | 1 | W/ITEMS 15 AND 16 | цена по запросу | ||
| 15 | SEAL, PROPELLER SHAFT | 1 | 1210 руб. | |||
| 16 | шариковый подшипник вала гребного винта | 1 | 11930 руб. | |||
| 17 | SEAL, PROPELLER SHAFT BEARING CAGE | 1 | цена по запросу | |||
| 18 | BEVEL GEAR REAR W/BUSHING | 1 | цена по запросу | |||
| 19 | упорная шайба | 2 | цена по запросу | |||
| 20 | BALL, PROPELLER SHAFT | 1 | снято с производства | |||
| 21 | вал гребного винта | 1 | цена по запросу | |||
| 22 | GEAR SHIFT ARM PIN | 1 | цена по запросу | |||
| 23 | SPRING PIN | 1 | снято с производства | |||
| 24 | муфта сцепления | 1 | 21370 руб. | |||
| 25 | BEVEL GEAR FRONT W/BEARING | 1 | снято с производства | |||
| 26 | GEAR HOUSING LOWER W/PLUG, WASHER AND THRUST BEARING CUP | 1 | снято с производства | |||
| 27 | Пробка корпуса редуктора | 2 | цена по запросу | |||
| 28 | WASHER, GEAR HOUSING PLUG | 2 | цена по запросу | |||
| 29 | GEAR SHIFT ARM PIN | 1 | цена по запросу | |||
| 30 | SEAL, "O" RING | 1 | цена по запросу | |||
| 31 | STUD, LONG | 1 | снято с производства | |||
| 32 | SPRING LOCKWASHER | 10 | цена по запросу | |||
| 33 | HEX NUT | 2 | цена по запросу | |||
| 34 | GEAR SHIFT ARM | 1 | цена по запросу | |||
| 35 | BEVEL PINION W/BEARING | 1 | снято с производства | |||
| 36 | GEAR SHIFT ROD LOWER | 1 | снято с производства | |||
| 37 | шплинт | 1 | 100 руб. | |||
| 38 | PIN, GEAR SHIFT ROD LOWER | 1 | 550 руб. | |||
| 39 | STUD, SHORT | 1 | цена по запросу | |||
| 40 | RETAINER, SNOUT | 1 | цена по запросу | |||
| 41 | EXHAUST SNOUT | 1 | снято с производства | |||
| 43 | уплотнение корпуса редуктора | 1 | 680 руб. | |||
| 44 | GEAR HOUSING UPPER | 1 | W/ITEMS 27, 28, 41, 45, 46, 47, AND 48 | снято с производства | ||
| 45 | SEAL, SHIFT ROD LOWER | 1 | 880 руб. | |||
| 46 | SCREEN, WATER INLET | 1 | 600 руб. | |||
| 47 | BEARING, DRIVESHAFT UPPER | 1 | снято с производства | |||
| 48 | SEAL, DRIVESHAFT | 1 | снято с производства | |||
| 49 | WATER PUMP BACK PLATE | 1 | цена по запросу | |||
| 50 | WATER PUMP IMPELLER | 1 | цена по запросу | |||
| 51 | WATER PUMP BODY | 1 | W/ITEM 52 | снято с производства | ||
| 52 | уплотнение водяного насоса | 1 | снято с производства | |||
| 53 | SEAL, INLET WATER LINE LOWER | 1 | снято с производства | |||
| 54 | HEX HD CAP SCREW, 1/4 - 20 X 1-1/4 | 4 | 310 руб. | |||
| 55 | GEAR SHIFT ROD INTERMEDIATE FOR STANDARD SHAFT MODELS | 1 | снято с производства | |||
| 56 | EXTENSION, INLET WATER LINE | 1 | снято с производства | |||
| 57 | DISC, WATER PUMP LOCATING | 1 | снято с производства | |||
| 58 | YOKE, GEAR SHIFT ARM | 1 | цена по запросу | |||
| 59 | HEX SOCKET HD CAP SCREW, 5/16 - 18 X 1 | 1 | цена по запросу | |||
| 60 | Комплект водяного насоса | 1 | снято с производства | |||
| 61 | комплект уплотнения корпуса редуктора | 1 | INCLUDES ALL ITEMS MARKED WITH A DOUBLE ASTERISK (**) | снято с производства | ||
| 62 | DECAL, LEG - PORT | 1 | ||||
| - | GEAR SHIFT ROD INTERMEDIATE FOR LONG SHAFT MODELS | 1 | снято с производства | |||
| - | DRIVESHAFT FOR LONG SHAFT MODELS | 1 | снято с производства | |||
| - | LOWER GEAR HOUSING COMPLETE (NOT SHOWN) | 1 | INCLUDES ALL ITEMS MARKED WITH AN ASTERISK (*) ORIGINAL FORCE P/N C458054-1 | снято с производства | ||
| - | DECAL, LEG - STARBOARD | 1 | ||||
| 1 | Art.: F458845 EXTENSION, MOTOR LEG Деталей в узле: 1 снято с производства 2 | Art.: HEX CAP SCREW, 3/8 - 16 X 1-1/8 Деталей в узле: 8 цена по запросу 3 | Art.: F458128 DRIVESHAFT FOR STANDARD SHAFT MODELS Деталей в узле: 1 снято с производства 4 | Art.: F901563 DRIVE PIN, WATER PUMP IMPELLER Деталей в узле: 1 5 | Art.: SEAL, INLET WATER LINE UPPER Деталей в узле: 1 цена по запросу 6 | Art.: PLAIN WASHER Деталей в узле: 1 цена по запросу 7 | Art.: F458244-1 INLET WATER LINE FOR STANDARD SHAFT MODELS Деталей в узле: 1 снято с производства 8 | Art.: PROPELLER (ACCESSORY ITEM) Деталей в узле: 1 снято с производства 9 | Art.: FA94094-2 PROP NUT W/SEAL AND COTTER PIN Деталей в узле: 1 10 | Art.: шплинт Деталей в узле: 1 цена по запросу 11 | Art.: SEAL, PROPELLER NUT Деталей в узле: 1 цена по запросу 12 | Art.: FK247 PROPELLER PIN, PACK OF 6 W/COTTER PIN Деталей в узле: 1 цена по запросу
13 | Art.: F1263 HEX SOCKET HD CAP SCREW, 5/16 - 18 X 9/16 Деталей в узле: 2 цена по запросу
14 | PROP SHAFT BEARING CAGE (W/ITEMS 15 AND 16)Деталей в узле: 1 цена по запросу
15 | Art.: SEAL, PROPELLER SHAFT Деталей в узле: 1 16 | Art.: шариковый подшипник вала гребного винта Деталей в узле: 1 17 | Art.: SEAL, PROPELLER SHAFT BEARING CAGE Деталей в узле: 1 цена по запросу 18 | BEVEL GEAR REAR W/BUSHING Деталей в узле: 1 цена по запросу 19 | Art.: упорная шайба Деталей в узле: 2 цена по запросу 20 | Art.: F366727 BALL, PROPELLER SHAFT Деталей в узле: 1 снято с производства 21 | Art.: 44-819500A3 вал гребного винта Деталей в узле: 1 цена по запросу
22 | Art.: F90871-3 GEAR SHIFT ARM PIN Деталей в узле: 1 цена по запросу
23 | Art.: F2097 SPRING PIN Деталей в узле: 1 снято с производства 24 | муфта сцепления Деталей в узле: 1 25 | BEVEL GEAR FRONT W/BEARING Деталей в узле: 1 снято с производства 26 | Art.: 1600-817804A3 GEAR HOUSING LOWER W/PLUG, WASHER AND THRUST BEARING CUP Деталей в узле: 1 снято с производства 27 | Пробка корпуса редуктора Деталей в узле: 2 цена по запросу 28 | Art.: WASHER, GEAR HOUSING PLUG Деталей в узле: 2 цена по запросу 29 | GEAR SHIFT ARM PIN Деталей в узле: 1 цена по запросу
30 | Art.: SEAL, "O" RING Деталей в узле: 1 цена по запросу 31 | Art.: F97008-1 STUD, LONG Деталей в узле: 1 снято с производства 32 | Art.: SPRING LOCKWASHER Деталей в узле: 10 цена по запросу 33 | Art.: HEX NUT Деталей в узле: 2 цена по запросу 34 | Art.: 817796A2 GEAR SHIFT ARM Деталей в узле: 1 цена по запросу
35 | Art.: F2A458266 BEVEL PINION W/BEARING Деталей в узле: 1 снято с производства 36 | Art.: GEAR SHIFT ROD LOWER Деталей в узле: 1 снято с производства 37 | Art.: F1015 шплинт Деталей в узле: 1 38 | Art.: F85372 PIN, GEAR SHIFT ROD LOWER Деталей в узле: 1 39 | Art.: STUD, SHORT Деталей в узле: 1 цена по запросу 40 | Art.: RETAINER, SNOUT Деталей в узле: 1 цена по запросу
41 | Art.: EXHAUST SNOUT Деталей в узле: 1 снято с производства 43 | Art.: уплотнение корпуса редуктора Деталей в узле: 1 44 | Art.: FA502554 GEAR HOUSING UPPER (W/ITEMS 27, 28, 41, 45, 46, 47, AND 48)Деталей в узле: 1 снято с производства 45 | Art.: SEAL, SHIFT ROD LOWER Деталей в узле: 1 46 | Art.: SCREEN, WATER INLET Деталей в узле: 1 47 | Art.: F458057 BEARING, DRIVESHAFT UPPER Деталей в узле: 1 снято с производства 48 | Art.: F458307 SEAL, DRIVESHAFT Деталей в узле: 1 снято с производства 49 | Art.: WATER PUMP BACK PLATE Деталей в узле: 1 цена по запросу 50 | Art.: WATER PUMP IMPELLER Деталей в узле: 1 цена по запросу 51 | Art.: WATER PUMP BODY (W/ITEM 52)Деталей в узле: 1 снято с производства 52 | Art.: F458736 уплотнение водяного насоса Деталей в узле: 1 снято с производства 53 | Art.: FA510914 SEAL, INLET WATER LINE LOWER Деталей в узле: 1 снято с производства 54 | Art.: F2030 HEX HD CAP SCREW, 1/4 - 20 X 1-1/4 Деталей в узле: 4 55 | Art.: FA434616 GEAR SHIFT ROD INTERMEDIATE FOR STANDARD SHAFT MODELS Деталей в узле: 1 снято с производства 56 | Art.: FS901244 EXTENSION, INLET WATER LINE Деталей в узле: 1 снято с производства 57 | Art.: F513388 DISC, WATER PUMP LOCATING Деталей в узле: 1 снято с производства 58 | Art.: YOKE, GEAR SHIFT ARM Деталей в узле: 1 цена по запросу 59 | Art.: HEX SOCKET HD CAP SCREW, 5/16 - 18 X 1 Деталей в узле: 1 цена по запросу 60 | Art.: FK1053 Комплект водяного насоса Деталей в узле: 1 снято с производства 61 | Art.: FK1068 комплект уплотнения корпуса редуктора (INCLUDES ALL ITEMS MARKED WITH A DOUBLE ASTERISK (**))Деталей в узле: 1 снято с производства 62 | Art.: -A467392 DECAL, LEG - PORT Деталей в узле: 1 - | Art.: FA435616 GEAR SHIFT ROD INTERMEDIATE FOR LONG SHAFT MODELS Деталей в узле: 1 снято с производства - | Art.: F462128 DRIVESHAFT FOR LONG SHAFT MODELS Деталей в узле: 1 снято с производства - | Art.: 1600-817896A2 LOWER GEAR HOUSING COMPLETE (NOT SHOWN) (INCLUDES ALL ITEMS MARKED WITH AN ASTERISK (*) ORIGINAL FORCE P/N C458054-1)Деталей в узле: 1 снято с производства - | Art.: -A467391 DECAL, LEG - STARBOARD Деталей в узле: 1 | ||||||||||||||||||||||||||||||||||||||||||||||||||||||||||||||||||
