25 H.P.
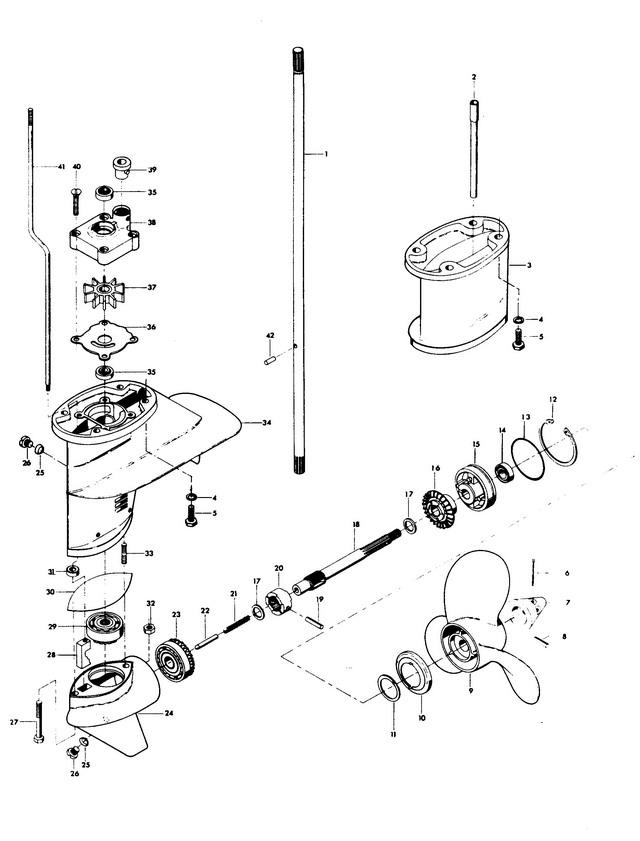
Корпус редуктора
Корпус редуктора
| № | Артикул | Наименование | Деталей в узле | Комментарий | Цена | |
| 1 | DRIVESHAFT FOR STANDARD SHAFT MODELS | 1 | снято с производства | |||
| 2 | EXTENSION, INLET WATER LINE | 1 | снято с производства | |||
| 3 | MOTOR LEG EXTENSION | 1 | снято с производства | |||
| 4 | SPRING LOCKWASHER | 8 | цена по запросу | |||
| 5 | HEX CAP SCREW, 5/16 - 18 X 1 1/4 | 8 | цена по запросу | |||
| 6 | шплинт | 1 | снято с производства | |||
| 7 | гайка гребного винта | 1 | цена по запросу | |||
| 8 | PROPELLER PIN PACK OF 3 W/COTTER PIN | 1 | 1720 руб. | |||
| 9 | PROPELLER (ACCESSORY ITEM) | 1 | ||||
| 10 | WEED GUARD | 1 | снято с производства | |||
| 11 | RETAINING RING, WEED GUARD | 1 | снято с производства | |||
| 12 | стопорное кольцо | 1 | снято с производства | |||
| 13 | SEAL, PROP SHAFT BEARING CAGE | 1 | цена по запросу | |||
| 14 | SEAL, PROPELLER SHAFT | 1 | цена по запросу | |||
| 15 | PROP SHAFT BEARING CAGE | 1 | W/BEARING AND ITEM 14 | снято с производства | ||
| 16 | BEVEL GEAR REAR W/BEARING | 1 | снято с производства | |||
| 17 | THRUST WASHER, BEVEL GEAR | 2 | снято с производства | |||
| 18 | вал гребного винта | 1 | снято с производства | |||
| 19 | SPRING PIN | 1 | снято с производства | |||
| 20 | муфта сцепления | 1 | снято с производства | |||
| 21 | CLUTCH SPRING | 1 | снято с производства | |||
| 22 | CLUTCH SHIFT PIN | 1 | снято с производства | |||
| 23 | BEVEL GEAR FRONT W/BEARING | 1 | снято с производства | |||
| 24 | GEAR HOUSING LOWER W/PLUG AND WASHER | 1 | снято с производства | |||
| 25 | WASHER, GEAR HOUSING PLUG | 2 | цена по запросу | |||
| 26 | Пробка корпуса редуктора | 2 | цена по запросу | |||
| 27 | HEX SOCKET HD CAP SCREW, 5/16 - 18 X 2 5/16 | 1 | снято с производства | |||
| 28 | CLUTCH SHIFT CAM | 1 | снято с производства | |||
| 29 | BEVEL PINION W/BEARING | 1 | снято с производства | |||
| 30 | уплотнение корпуса редуктора | 1 | снято с производства | |||
| 31 | SEAL, GEAR SHIFT ROD LOWER | 1 | 890 руб. | |||
| 32 | FINISHED HEX NUT, 5/16 - 18 | 1 | цена по запросу | |||
| 33 | шпилька корпуса редуктора | 1 | снято с производства | |||
| 34 | GEAR HOUSING UPPER | 1 | W/ITEMS 25, 26, 31 AND 35 | |||
| 35 | SEAL, DRIVESHAFT AND WATER PUMP | 2 | 1500 руб. | |||
| 36 | BACK PLATE, WATER PUMP | 1 | 2020 руб. | |||
| 37 | Крыльчатка водяного насоса | 1 | цена по запросу | |||
| 38 | WATER PUMP BODY | 1 | W/ITEM 35 ORIGINAL FORCE P/N A343060-1 | снято с производства | ||
| 39 | SEAL, WATER LINE LOWER | 1 | снято с производства | |||
| 40 | FLAT HD SCREW, 1/4 - 20 X 1 1/8 | 4 | снято с производства | |||
| 41 | GEAR SHIFT ROD LOWER FOR STANDARD SHAFT MODELS | 1 | снято с производства | |||
| 42 | DRIVE PIN, WATER PUMP IMPELLER | 1 | 270 руб. | |||
| - | GEAR SHIFT ROD LOWER FOR LONG SHAFT MODELS | 1 | снято с производства | |||
| - | DRIVESHAFT FOR LONG SHAFT MODELS | 1 | снято с производства | |||
| - | LOWER GEAR HOUSING COMPLETE (NOT SHOWN) | 1 | (INCLUDES ALL ITEMS MARKED WITH AN ASTERISK (*) ORIGINAL FORCE P/N C461054-1 | снято с производства | ||
| 1 | Art.: F436128 DRIVESHAFT FOR STANDARD SHAFT MODELS Деталей в узле: 1 снято с производства 2 | Art.: FS901244 EXTENSION, INLET WATER LINE Деталей в узле: 1 снято с производства 3 | Art.: F461845 MOTOR LEG EXTENSION Деталей в узле: 1 снято с производства 4 | Art.: SPRING LOCKWASHER Деталей в узле: 8 цена по запросу 5 | Art.: HEX CAP SCREW, 5/16 - 18 X 1 1/4 Деталей в узле: 8 цена по запросу 6 | Art.: F1024 шплинт Деталей в узле: 1 снято с производства 7 | Art.: гайка гребного винта Деталей в узле: 1 цена по запросу 8 | Art.: FA324101 PROPELLER PIN PACK OF 3 W/COTTER PIN Деталей в узле: 1 9 | Art.: -P346 PROPELLER (ACCESSORY ITEM) Деталей в узле: 1 10 | Art.: F54262 WEED GUARD Деталей в узле: 1 снято с производства 11 | Art.: F53983 RETAINING RING, WEED GUARD Деталей в узле: 1 снято с производства 12 | Art.: F50411 стопорное кольцо Деталей в узле: 1 снято с производства 13 | Art.: SEAL, PROP SHAFT BEARING CAGE Деталей в узле: 1 цена по запросу 14 | Art.: SEAL, PROPELLER SHAFT Деталей в узле: 1 цена по запросу 15 | Art.: FA324298 PROP SHAFT BEARING CAGE (W/BEARING AND ITEM 14)Деталей в узле: 1 снято с производства 16 | Art.: FA437662 BEVEL GEAR REAR W/BEARING Деталей в узле: 1 снято с производства 17 | Art.: F456717 THRUST WASHER, BEVEL GEAR Деталей в узле: 2 снято с производства 18 | Art.: FA437098 вал гребного винта Деталей в узле: 1 снято с производства 19 | Art.: F1970 SPRING PIN Деталей в узле: 1 снято с производства 20 | Art.: F437521 муфта сцепления Деталей в узле: 1 снято с производства 21 | Art.: F437719 CLUTCH SPRING Деталей в узле: 1 снято с производства 22 | Art.: F901728 CLUTCH SHIFT PIN Деталей в узле: 1 снято с производства 23 | Art.: FA437023 BEVEL GEAR FRONT W/BEARING Деталей в узле: 1 снято с производства 24 | Art.: FK78054-4 GEAR HOUSING LOWER W/PLUG AND WASHER Деталей в узле: 1 снято с производства 25 | Art.: WASHER, GEAR HOUSING PLUG Деталей в узле: 2 цена по запросу 26 | Пробка корпуса редуктора Деталей в узле: 2 цена по запросу 27 | Art.: F1888 HEX SOCKET HD CAP SCREW, 5/16 - 18 X 2 5/16 Деталей в узле: 1 снято с производства 28 | Art.: F901721 CLUTCH SHIFT CAM Деталей в узле: 1 снято с производства 29 | Art.: FA78266-1 BEVEL PINION W/BEARING Деталей в узле: 1 снято с производства 30 | Art.: F483555 уплотнение корпуса редуктора Деталей в узле: 1 снято с производства 31 | Art.: SEAL, GEAR SHIFT ROD LOWER Деталей в узле: 1 32 | Art.: FINISHED HEX NUT, 5/16 - 18 Деталей в узле: 1 цена по запросу 33 | Art.: F901008 шпилька корпуса редуктора Деталей в узле: 1 снято с производства 34 | Art.: -A1905543 GEAR HOUSING UPPER (W/ITEMS 25, 26, 31 AND 35)Деталей в узле: 1 35 | Art.: F901307-2 SEAL, DRIVESHAFT AND WATER PUMP Деталей в узле: 2 36 | Art.: F341562 BACK PLATE, WATER PUMP Деталей в узле: 1 37 | Art.: Крыльчатка водяного насоса Деталей в узле: 1 цена по запросу 38 | Art.: FK504060 WATER PUMP BODY (W/ITEM 35 ORIGINAL FORCE P/N A343060-1)Деталей в узле: 1 снято с производства 39 | Art.: SEAL, WATER LINE LOWER Деталей в узле: 1 снято с производства 40 | Art.: F1150 FLAT HD SCREW, 1/4 - 20 X 1 1/8 Деталей в узле: 4 снято с производства 41 | Art.: GEAR SHIFT ROD LOWER FOR STANDARD SHAFT MODELS Деталей в узле: 1 снято с производства 42 | Art.: F901563 DRIVE PIN, WATER PUMP IMPELLER Деталей в узле: 1 - | Art.: GEAR SHIFT ROD LOWER FOR LONG SHAFT MODELS Деталей в узле: 1 снято с производства - | Art.: F437128 DRIVESHAFT FOR LONG SHAFT MODELS Деталей в узле: 1 снято с производства - | Art.: 1600-817898A1 LOWER GEAR HOUSING COMPLETE (NOT SHOWN) ((INCLUDES ALL ITEMS MARKED WITH AN ASTERISK (*) ORIGINAL FORCE P/N C461054-1)Деталей в узле: 1 снято с производства | ||||||||||||||||||||||||||||||||||||||||||||||
