150/175/200 (EFI)
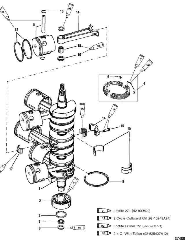
коленчатый вал, поршни и шатуны
коленчатый вал, поршни и шатуны
| № | Артикул | Наименование | Деталей в узле | Комментарий | Цена | |
| 1 | Коленчатый вал в сборе | 1 | цена по запросу | |||
| 2 | шариковый подшипник нижний | 1 | 19680 руб. | |||
| 3 | Кольцо | 1 | 300 руб. | |||
| 4 | GEAR SEGMENT KIT, Drive | 1 | BROWN GEAR | 12810 руб. | ||
| 4 | GEAR SEGMENT KIT, Drive | 1 | GRAY GEAR | 12810 руб. | ||
| 5 | SCREW, (#6-32 x .620) Socket Head | 2 | GRAY GEAR | цена по запросу | ||
| 5 | SCREW, (#6-32 x .630) Socket Button Head | 2 | BROWN GEAR | 400 руб. | ||
| 6 | NUT, Special (#6-32) | 2 | BROWN GEAR | 460 руб. | ||
| 6 | специальная гайка (#6-32) | 2 | GRAY GEAR | цена по запросу | ||
| 7 | опора в сборе | 1 | 2340 руб. | |||
| 8 | PACKING | 1 | 380 руб. | |||
| 9 | уплотнительное кольцо | 7 | 1660 руб. | |||
| 10 | комплект подшипника | 2 | 17690 руб. | |||
| 11 | поршень в сборе (увеличение 0.015) | AR | (PORT) | снято с производства | ||
| 11 | поршень в сборе (стандарт) | 3 | (PORT) | 25230 руб. | ||
| 11 | поршень в сборе (увеличение 0.015) | AR | (STARBOARD) | 33460 руб. | ||
| 11 | поршень в сборе (стандарт) | 3 | (STARBOARD) | 23840 руб. | ||
| 12 | комплект поршневых колец (стандарт) | 1 | 41250 руб. | |||
| 12 | комплект поршневых колец (увеличение 0.015) | 2 | 52180 руб. | |||
| 13 | стопорное кольцо | 12 | 290 руб. | |||
| 14 | Комплект шатунов | 6 | 81030 руб. | |||
| 15 | винт (0.312-24 x 0.875) | 12 | 2080 руб. | |||
| 16 | шайба | 12 | 630 руб. | |||
| 17 | комплект подшипника | 6 | цена по запросу | |||
| 18 | Игольчатый подшипник | 174 | цена по запросу | |||
| - | Набор прокладок двигателя | 1 | 29780 руб. | |||
| - | силовая головка в сборе | 1 | (150) | снято с производства | ||
| - | силовая головка в сборе | 1 | (175) | снято с производства | ||
| - | силовая головка в сборе | 1 | (200) | снято с производства | ||
| 1 | Art.: Коленчатый вал в сборе Деталей в узле: 1 цена по запросу
| ||||||||||||||||||||||||||||||||||||||||||||||||
| 2 | Art.: шариковый подшипник нижний Деталей в узле: 1 3 | Art.: 53-67446 Кольцо Деталей в узле: 1 4 | GEAR SEGMENT KIT, Drive (BROWN GEAR)Деталей в узле: 1 4 | Art.: GEAR SEGMENT KIT, Drive (GRAY GEAR)Деталей в узле: 1 5 | Art.: 10-813073 SCREW, (#6-32 x .620) Socket Head (GRAY GEAR)Деталей в узле: 2 цена по запросу
5 | Art.: 10-854812 SCREW, (#6-32 x .630) Socket Button Head (BROWN GEAR)Деталей в узле: 2 6 | Art.: 11-854811 NUT, Special (#6-32) (BROWN GEAR)Деталей в узле: 2 6 | Art.: 11-813134 специальная гайка (#6-32) (GRAY GEAR)Деталей в узле: 2 цена по запросу
7 | Art.: 54196A6 опора в сборе Деталей в узле: 1 8 | Art.: 65800 PACKING Деталей в узле: 1 9 | Art.: уплотнительное кольцо Деталей в узле: 7 10 | Art.: 31-16756A6 комплект подшипника Деталей в узле: 2 11 | Art.: 785-9737A10 поршень в сборе (увеличение 0.015) ((PORT))Деталей в узле: AR снято с производства 11 | Art.: поршень в сборе (стандарт) ((PORT))Деталей в узле: 3 11 | Art.: поршень в сборе (увеличение 0.015) ((STARBOARD))Деталей в узле: AR 11 | Art.: поршень в сборе (стандарт) ((STARBOARD))Деталей в узле: 3 12 | Art.: 39-822321A12 комплект поршневых колец (стандарт) Деталей в узле: 1 12 | Art.: 39-822321A1 комплект поршневых колец (увеличение 0.015) Деталей в узле: 2 13 | Art.: стопорное кольцо Деталей в узле: 12 14 | Art.: Комплект шатунов Деталей в узле: 6 15 | Art.: 10-763491 винт (0.312-24 x 0.875) Деталей в узле: 12 16 | Art.: шайба Деталей в узле: 12 17 | Art.: комплект подшипника Деталей в узле: 6 цена по запросу
18 | Art.: 29-822553 Игольчатый подшипник Деталей в узле: 174 цена по запросу
- | Art.: 27-815791A92 Набор прокладок двигателя Деталей в узле: 1 |
