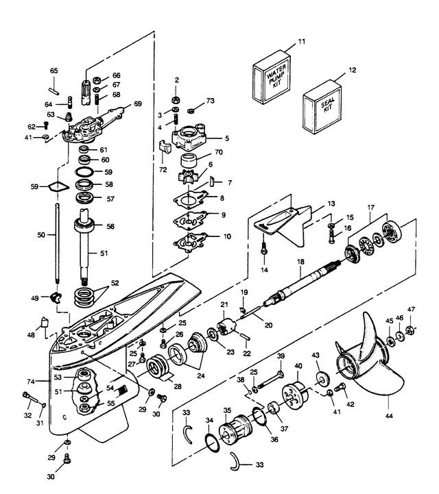
FORCE 1989 85 H.P. "A" MODEL L-DRIVE
Корпус редуктора
Корпус редуктора
| № | Артикул | Наименование | Деталей в узле | Комментарий | Цена | |
| 2 | NUT, 1/4 - 28 | 4 | цена по запросу | |||
| 3 | шайба | 4 | цена по запросу | |||
| 4 | шпилька | 4 | цена по запросу | |||
| 5 | BODY, WATER PUMP W/INSERT | 1 | 8230 руб. | |||
| 6 | Крыльчатка | 1 | 4990 руб. | |||
| 7 | шпонка | 1 | 2810 руб. | |||
| 8 | прокладка водяного насоса верхняя | 1 | 290 руб. | |||
| 9 | Пластина | 1 | цена по запросу | |||
| 10 | нижняя прокладка водяного насоса | 1 | 260 руб. | |||
| 11 | KIT, WATER PUMP | 1 | цена по запросу | |||
| 12 | KIT, LOWER UNIT SEAL | 1 | цена по запросу | |||
| 13 | SNOUT, EXHAUST | 1 | снято с производства | |||
| 14 | фиксатор | 1 | цена по запросу | |||
| 15 | шайба | 1 | снято с производства | |||
| 16 | SCREW, 5/16 - 18 X 1 | 1 | цена по запросу | |||
| 17 | GEAR, REVERSE W/BEARING | 1 | снято с производства | |||
| 18 | вал гребного винта | 1 | снято с производства | |||
| 19 | YOKE | 1 | 8200 руб. | |||
| 20 | PIN, GEAR SHIFT | 1 | снято с производства | |||
| 21 | муфта сцепления | 1 | 51140 руб. | |||
| 22 | SPRING PIN | 1 | снято с производства | |||
| 23 | SPACER (.060) | A/R | снято с производства | |||
| 24 | GEAR, FORWARD W/BEARING AND CUP | 1 | цена по запросу | |||
| 25 | шайба | 11 | цена по запросу | |||
| 26 | SCREW, 5/16 - 18 X 1 | 1 | снято с производства | |||
| 27 | SCREW, 5/16 - 18 X 3-1/4 | 6 | 1100 руб. | |||
| 28 | SHIM (.002) | A/R | снято с производства | |||
| 29 | шайба | 3 | цена по запросу | |||
| 30 | пробка | 3 | цена по запросу | |||
| 31 | Уплотнение | 1 | цена по запросу | |||
| 32 | PIN, GEAR SHIFT | 1 | цена по запросу | |||
| 33 | стопорное кольцо | 2 | снято с производства | |||
| 34 | Уплотнение | 1 | цена по запросу | |||
| 35 | SPOOL, PROPELLER SHAFT W/BEARING AND SEAL | 1 | снято с производства | |||
| 36 | Уплотнение | 1 | цена по запросу | |||
| 37 | Уплотнение | 1 | 4140 руб. | |||
| 38 | Уплотнение | 4 | цена по запросу | |||
| 39 | SCREW, 5/16 - 18 X 4-1/4 | 4 | снято с производства | |||
| 40 | ANODE, ANTI-CORROSION | 1 | снято с производства | |||
| 41 | стопорная шайба | 6 | цена по запросу | |||
| 42 | SCREW, 1/4 - 20 X 7/8 | 2 | снято с производства | |||
| 43 | проставка | 1 | снято с производства | |||
| 45 | WASHER, PROP SPLINE | 1 | снято с производства | |||
| 46 | шайба | 1 | 360 руб. | |||
| 47 | STOP NUT, 3/4 - 16 | 1 | 1710 руб. | |||
| 48 | PLUG, PITOT TUBE | 1 | снято с производства | |||
| 49 | COUPLING, GEAR SHIFT | 1 | снято с производства | |||
| 50 | Тяга управления | 1 | снято с производства | |||
| 51 | DRIVESHAFT W/BEARING AND PINION GEAR | 1 | снято с производства | |||
| 52 | SHIM (.002) | A/R | снято с производства | |||
| 53 | Подшипник | 1 | 12030 руб. | |||
| 54 | шайба | 1 | цена по запросу | |||
| 55 | NUT, PINION | 1 | цена по запросу | |||
| 56 | BEARING (CONE) | 1 | 18980 руб. | |||
| 57 | CUP, BEARING | 1 | снято с производства | |||
| 58 | RETAINER, BEARING | 1 | цена по запросу | |||
| 59 | Уплотнение | 2 | цена по запросу | |||
| 60 | Уплотнение | 1 | цена по запросу | |||
| 61 | Уплотнение | 1 | цена по запросу | |||
| 62 | SCREW, 1/4 - 20 X 7/8 | 4 | цена по запросу | |||
| 63 | BELLOWS | 1 | снято с производства | |||
| 64 | CONNECTOR, SHIFT ROD | 1 | снято с производства | |||
| 65 | SHAFT, SHIFT ROD | 1 | снято с производства | |||
| 66 | NUT, 10 - 32 | 1 | цена по запросу | |||
| 67 | шайба | 1 | цена по запросу | |||
| 68 | шпилька | 1 | снято с производства | |||
| 69 | Крышка корпуса редуктора | 1 | снято с производства | |||
| 71 | вставка водяного насоса | 1 | 4090 руб. | |||
| 72 | Уплотнение выпуска | 1 | снято с производства | |||
| 73 | Прокладка | 1 | 330 руб. | |||
| 74 | Корпус редуктора | 1 | цена по запросу | |||
| - | GEAR HOUSING COMPLETE | 1 | цена по запросу | |||
| - | SHIM (.005) | A/R | снято с производства | |||
| - | SHIM (.010) | A/R | снято с производства | |||
| - | SHIM (.003) | A/R | снято с производства | |||
| - | SPACER (.080) | A/R | снято с производства | |||
| - | SPACER (.070) | A/R | снято с производства | |||
| - | SHIM (.005) | A/R | снято с производства | |||
| - | SHIM (.003) | A/R | снято с производства | |||
| - | SHIM (.010) | A/R | снято с производства | |||
| - | TY-RAP (NOT SHOWN) | 1 | 30 руб. | |||
| 2 | Art.: NUT, 1/4 - 28 Деталей в узле: 4 цена по запросу 3 | Art.: шайба Деталей в узле: 4 цена по запросу 4 | Art.: шпилька Деталей в узле: 4 цена по запросу 5 | Art.: 46-817978A2 BODY, WATER PUMP W/INSERT Деталей в узле: 1 6 | Крыльчатка Деталей в узле: 1 7 | Art.: F694498 шпонка Деталей в узле: 1 8 | Art.: F694031 прокладка водяного насоса верхняя Деталей в узле: 1 9 | Art.: F694562 Пластина Деталей в узле: 1 цена по запросу
10 | Art.: F694830 нижняя прокладка водяного насоса Деталей в узле: 1 11 | Art.: KIT, WATER PUMP Деталей в узле: 1 цена по запросу 12 | Art.: KIT, LOWER UNIT SEAL Деталей в узле: 1 цена по запросу 13 | Art.: SNOUT, EXHAUST Деталей в узле: 1 снято с производства 14 | Art.: фиксатор Деталей в узле: 1 цена по запросу
15 | Art.: F1856 шайба Деталей в узле: 1 снято с производства 16 | Art.: SCREW, 5/16 - 18 X 1 Деталей в узле: 1 цена по запросу 17 | Art.: GEAR, REVERSE W/BEARING Деталей в узле: 1 снято с производства 18 | Art.: 44-817962A2 вал гребного винта Деталей в узле: 1 снято с производства 19 | Art.: F90619-2 YOKE Деталей в узле: 1 20 | Art.: F84871-1 PIN, GEAR SHIFT Деталей в узле: 1 снято с производства 21 | муфта сцепления Деталей в узле: 1 22 | SPRING PIN Деталей в узле: 1 снято с производства 23 | Art.: F2290 SPACER (.060) Деталей в узле: A/R снято с производства 24 | GEAR, FORWARD W/BEARING AND CUP Деталей в узле: 1 цена по запросу
25 | Art.: шайба Деталей в узле: 11 цена по запросу 26 | Art.: F1858 SCREW, 5/16 - 18 X 1 Деталей в узле: 1 снято с производства 27 | Art.: F1491 SCREW, 5/16 - 18 X 3-1/4 Деталей в узле: 6 28 | Art.: F9284 SHIM (.002) Деталей в узле: A/R снято с производства 29 | Art.: шайба Деталей в узле: 3 цена по запросу 30 | пробка Деталей в узле: 3 цена по запросу 31 | Art.: Уплотнение Деталей в узле: 1 цена по запросу 32 | PIN, GEAR SHIFT Деталей в узле: 1 цена по запросу
33 | Art.: F523411 стопорное кольцо Деталей в узле: 2 снято с производства 34 | Art.: Уплотнение Деталей в узле: 1 цена по запросу 35 | Art.: SPOOL, PROPELLER SHAFT W/BEARING AND SEAL Деталей в узле: 1 снято с производства 36 | Art.: F24278 Уплотнение Деталей в узле: 1 цена по запросу
37 | Art.: F506118-1 Уплотнение Деталей в узле: 1 38 | Art.: Уплотнение Деталей в узле: 4 цена по запросу 39 | Art.: F1885 SCREW, 5/16 - 18 X 4-1/4 Деталей в узле: 4 снято с производства 40 | Art.: FA523485 ANODE, ANTI-CORROSION Деталей в узле: 1 снято с производства 41 | Art.: стопорная шайба Деталей в узле: 6 цена по запросу 42 | Art.: F1112 SCREW, 1/4 - 20 X 7/8 Деталей в узле: 2 снято с производства 43 | Art.: F694099 проставка Деталей в узле: 1 снято с производства 45 | Art.: F523282 WASHER, PROP SPLINE Деталей в узле: 1 снято с производства 46 | Art.: F1866 шайба Деталей в узле: 1 47 | Art.: F7048 STOP NUT, 3/4 - 16 Деталей в узле: 1 48 | Art.: PLUG, PITOT TUBE Деталей в узле: 1 снято с производства 49 | Art.: FA84621-1 COUPLING, GEAR SHIFT Деталей в узле: 1 снято с производства 50 | Art.: F694705 Тяга управления Деталей в узле: 1 снято с производства 51 | Art.: DRIVESHAFT W/BEARING AND PINION GEAR Деталей в узле: 1 снято с производства 52 | Art.: F9280 SHIM (.002) Деталей в узле: A/R снято с производства 53 | Art.: Подшипник Деталей в узле: 1 54 | Art.: шайба Деталей в узле: 1 цена по запросу 55 | Art.: NUT, PINION Деталей в узле: 1 цена по запросу 56 | BEARING (CONE) Деталей в узле: 1 57 | Art.: F694056 CUP, BEARING Деталей в узле: 1 снято с производства 58 | Art.: RETAINER, BEARING Деталей в узле: 1 цена по запросу 59 | Art.: Уплотнение Деталей в узле: 2 цена по запросу 60 | Art.: Уплотнение Деталей в узле: 1 цена по запросу 61 | Art.: Уплотнение Деталей в узле: 1 цена по запросу 62 | Art.: SCREW, 1/4 - 20 X 7/8 Деталей в узле: 4 цена по запросу 63 | Art.: BELLOWS Деталей в узле: 1 снято с производства 64 | Art.: CONNECTOR, SHIFT ROD Деталей в узле: 1 снято с производства 65 | Art.: F695871 SHAFT, SHIFT ROD Деталей в узле: 1 снято с производства 66 | Art.: NUT, 10 - 32 Деталей в узле: 1 цена по запросу 67 | Art.: шайба Деталей в узле: 1 цена по запросу 68 | Art.: F694211 шпилька Деталей в узле: 1 снято с производства 69 | Art.: FK721706 Крышка корпуса редуктора Деталей в узле: 1 снято с производства 71 | Art.: F694564-1 вставка водяного насоса Деталей в узле: 1 72 | Art.: F698735-1 Уплотнение выпуска Деталей в узле: 1 снято с производства 73 | Art.: F695830 Прокладка Деталей в узле: 1 74 | Корпус редуктора Деталей в узле: 1 цена по запросу - | GEAR HOUSING COMPLETE Деталей в узле: 1 цена по запросу - | Art.: F9278 SHIM (.005) Деталей в узле: A/R |
