FORCE 1989 125 H.P. "B" MODELS
дистанционное управление
дистанционное управление
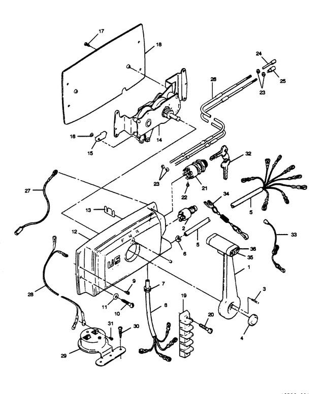
| № | Артикул | Наименование | Деталей в узле | Комментарий | Цена | |
| 1 | LEVER W/TRIM SWITCH | 1 | снято с производства | |||
| 2 | SWITCH (EMERGENCY STOP) | 1 | снято с производства | |||
| 3 | SCREW (LEVER TO ACTUATOR) | 4 | цена по запросу | |||
| 4 | PLUG (WARM-UP BUTTON) | 1 | снято с производства | |||
| 5 | CABLE (15-1/2 REMOTE ELECT.) | 1 | цена по запросу | |||
| 6 | CLAMP (REMOTE ELECT. CABLE) | 1 | снято с производства | |||
| 7 | GROMMET (REMOTE ACCESSORY CABLE) | 1 | снято с производства | |||
| 8 | CABLE ACCESSORY | 1 | снято с производства | |||
| 9 | SCREW (COVER TO ACTUATOR) | 2 | снято с производства | |||
| 10 | SCREW (CONTROL MOUNTING) | 4 | снято с производства | |||
| 11 | WASHER (CONTROL MTG. SCREWS) | 4 | снято с производства | |||
| 12 | COVER (ASSEMBLY - REMOTE CONTROL) | 1 | снято с производства | |||
| 13 | RETAINER (REMOTE CABLE) | 1 | снято с производства | |||
| 14 | ACTUATOR (ASSEMBLY - REMOTE CONTROL) | 1 | цена по запросу | |||
| 15 | CONNECTOR (CABLE - REMOTE CONTROL) | 2 | снято с производства | |||
| 16 | RING (RETAINING) | 2 | снято с производства | |||
| 17 | SCREW (PLATE TO ACTUATOR) | 2 | цена по запросу | |||
| 18 | PLATE (REMOTE CONTROL) | 1 | снято с производства | |||
| 19 | BLOCK (TERMINAL) | 1 | цена по запросу | |||
| 20 | SCREW (TERMINAL BLOCK) | 2 | цена по запросу | |||
| 21 | SWITCH (ACCESSORY ITEM) | 1 | W/ITEMS 22 AND 32 | 5800 руб. | ||
| 22 | SCREW (IGN. SWITCH WIRE TERMINAL) | 6 | цена по запросу | |||
| 23 | STOP NUTS (CABLE END) | 4 | цена по запросу | |||
| 24 | CONNECTOR (THROTTLE) | 1 | цена по запросу | |||
| 25 | CONNECTOR (SHIFT) | 1 | 2520 руб. | |||
| 26 | REMOTE CONTROL CABLE (SPECIFY LENGTH - X) | 1 | ||||
| 27 | WIRE (IGN. SWITCH TO ACC. TERMINAL BLOCK) | 1 | снято с производства | |||
| 28 | CABLE, OVERHEAT BUZZER | 1 | цена по запросу | |||
| 29 | BUZZER, OVERHEAT (ACCESSORY ITEM) | 1 | снято с производства | |||
| 30 | SCREW, PAN HD., 8-3/4 | 2 | цена по запросу | |||
| 31 | SCREW, RD. HD., SELF-TAPPING, 6 - 32 X 1/4 | 8 | цена по запросу | |||
| 32 | IGNITION KEY - NO LETTER OR STAMPED A | 1 | 560 руб. | |||
| 33 | LANYARD, STOP SWITCH (CUP TYPE) | 1 | снято с производства | |||
| 34 | LANYARD, STOP SWITCH (FORK TYPE) | 1 | снято с производства | |||
| 35 | SWITCH W/WIRES | 1 | снято с производства | |||
| 36 | BUTTON PLATE KIT (INCLUDES RUBBER BOOT) | 1 | снято с производства | |||
| - | IGNITION KEY - STAMPED E | 1 | 560 руб. | |||
| - | IGNITION KEY - STAMPED D | 1 | 450 руб. | |||
| - | IGNITION KEY - STAMPED C | 1 | 560 руб. | |||
| - | IGNITION KEY - STAMPED B | 1 | 560 руб. | |||
| - | CABLE (19 REMOTE ELECT. - 10 WIRE) | - | снято с производства | |||
| - | CABLE (22 REMOTE ELECT. - 10 WIRE) | - | снято с производства | |||
| - | CABLE (25 REMOTE ELECT. - 10 WIRE) | - | снято с производства | |||
| - | CABLE (7 EXTENSION FOR 10 WIRE REMOTE ELECTRIC CABLE) | - | снято с производства | |||
| - | REMOTE CONTROL COMPLETE - WIRED FOR POWER TRIM | - | снято с производства | |||
| 1 | Art.: F660611 LEVER W/TRIM SWITCH Деталей в узле: 1 снято с производства 2 | Art.: FK681602 SWITCH (EMERGENCY STOP) Деталей в узле: 1 снято с производства 3 | Art.: F660165 SCREW (LEVER TO ACTUATOR) Деталей в узле: 4 цена по запросу
4 | Art.: F660332 PLUG (WARM-UP BUTTON) Деталей в узле: 1 снято с производства 5 | CABLE (15-1/2 REMOTE ELECT.) Деталей в узле: 1 цена по запросу
6 | Art.: F660446 CLAMP (REMOTE ELECT. CABLE) Деталей в узле: 1 снято с производства 7 | Art.: F660504 GROMMET (REMOTE ACCESSORY CABLE) Деталей в узле: 1 снято с производства 8 | Art.: F660353 CABLE ACCESSORY Деталей в узле: 1 снято с производства 9 | Art.: F660480 SCREW (COVER TO ACTUATOR) Деталей в узле: 2 снято с производства 10 | Art.: F660732 SCREW (CONTROL MOUNTING) Деталей в узле: 4 снято с производства 11 | Art.: F660595 WASHER (CONTROL MTG. SCREWS) Деталей в узле: 4 снято с производства 12 | Art.: F660995 COVER (ASSEMBLY - REMOTE CONTROL) Деталей в узле: 1 снято с производства 13 | Art.: F660642 RETAINER (REMOTE CABLE) Деталей в узле: 1 снято с производства 14 | Art.: F660327 ACTUATOR (ASSEMBLY - REMOTE CONTROL) Деталей в узле: 1 цена по запросу
15 | Art.: F660141-1 CONNECTOR (CABLE - REMOTE CONTROL) Деталей в узле: 2 снято с производства 16 | Art.: F660411 RING (RETAINING) Деталей в узле: 2 снято с производства 17 | Art.: F660751 SCREW (PLATE TO ACTUATOR) Деталей в узле: 2 цена по запросу
18 | Art.: F660911 PLATE (REMOTE CONTROL) Деталей в узле: 1 снято с производства 19 | Art.: BLOCK (TERMINAL) Деталей в узле: 1 цена по запросу
20 | Art.: F1741 SCREW (TERMINAL BLOCK) Деталей в узле: 2 цена по запросу
21 | Art.: SWITCH (ACCESSORY ITEM) (W/ITEMS 22 AND 32)Деталей в узле: 1 22 | Art.: F1280 SCREW (IGN. SWITCH WIRE TERMINAL) Деталей в узле: 6 цена по запросу
23 | Art.: STOP NUTS (CABLE END) Деталей в узле: 4 цена по запросу 24 | Art.: FA58976-1 CONNECTOR (THROTTLE) Деталей в узле: 1 цена по запросу
25 | Art.: F58685-2 CONNECTOR (SHIFT) Деталей в узле: 1 26 | Art.: -F195/__ REMOTE CONTROL CABLE (SPECIFY LENGTH - X) Деталей в узле: 1 27 | Art.: F660664 WIRE (IGN. SWITCH TO ACC. TERMINAL BLOCK) Деталей в узле: 1 снято с производства 28 | Art.: CABLE, OVERHEAT BUZZER Деталей в узле: 1 цена по запросу
29 | Art.: F5H073-1 BUZZER, OVERHEAT (ACCESSORY ITEM) Деталей в узле: 1 снято с производства 30 | Art.: F1741 SCREW, PAN HD., 8-3/4 Деталей в узле: 2 цена по запросу
31 | Art.: SCREW, RD. HD., SELF-TAPPING, 6 - 32 X 1/4 Деталей в узле: 8 цена по запросу 32 | Art.: 8177821 IGNITION KEY - NO LETTER OR STAMPED A Деталей в узле: 1 33 | Art.: LANYARD, STOP SWITCH (CUP TYPE) Деталей в узле: 1 снято с производства 34 | LANYARD, STOP SWITCH (FORK TYPE) Деталей в узле: 1 снято с производства 35 | Art.: F17864 SWITCH W/WIRES Деталей в узле: 1 снято с производства 36 | Art.: F17863 BUTTON PLATE KIT (INCLUDES RUBBER BOOT) Деталей в узле: 1 снято с производства - | Art.: 8179291 IGNITION KEY - STAMPED E Деталей в узле: 1 - | Art.: 8179281 IGNITION KEY - STAMPED D Деталей в узле: 1 - | Art.: 8178911 IGNITION KEY - STAMPED C Деталей в узле: 1 - | Art.: 8178831 IGNITION KEY - STAMPED B Деталей в узле: 1 - | Art.: CABLE (19 REMOTE ELECT. - 10 WIRE) Деталей в узле: - снято с производства - | Art.: CABLE (22 REMOTE ELECT. - 10 WIRE) Деталей в узле: - снято с производства - | Art.: CABLE (25 REMOTE ELECT. - 10 WIRE) Деталей в узле: - |
