6/8/SAILMATE 9.9/SAILPOWER 15 H.P.
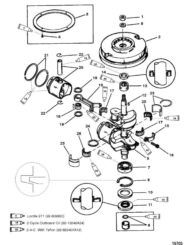
Crankshaft(15)(9.9-S/N-USA-0G112450/BEL-9831800 and Up)
Crankshaft(15)(9.9-S/N-USA-0G112450/BEL-9831800 and Up)
| № | Артикул | Наименование | Деталей в узле | Комментарий | Цена | |
| 1 | гайка (M14) | 1 | 380 руб. | |||
| 2 | маховик в сборе | 1 | 37810 руб. | |||
| 3 | зубчатое кольцо | 1 | ELECTRIC | 34570 руб. | ||
| 4 | винт (M5 x 13) | 4 | ELECTRIC | 150 руб. | ||
| 5 | Коленчатый вал в сборе | 1 | 276020 руб. | |||
| 6 | SLEEVE (INCLUDES O-RING) | 1 | 2860 руб. | |||
| 7 | Шариковый подшипник | 1 | 3990 руб. | |||
| 8 | шайба (0.610 внутренний диамтер x 0.890 внешний диаметр x 0.062) | 1 | 200 руб. | |||
| 9 | стопорное кольцо | 1 | 330 руб. | |||
| 10 | шайба | 1 | 430 руб. | |||
| 11 | Нижний сальник | 1 | 2500 руб. | |||
| 12 | сегментная шпонка | 1 | 220 руб. | |||
| 13 | роликовый подшипник | 1 | 3570 руб. | |||
| 14 | SEAL, Oil - Upper, UPPER | 1 | 2500 руб. | |||
| 15 | шатун в сборе | 2 | 69020 руб. | |||
| 16 | Винт (M5 x 16) | 4 | цена по запросу | |||
| 17 | роликовый подшипник в сборе | 3 | 5070 руб. | |||
| 18 | Игольчатый подшипник | 48 | 40 руб. | |||
| 19 | Упорный подшипник | 4 | 710 руб. | |||
| 20 | поршень в сборе (стандарт) | 2 | 27170 руб. | |||
| 20 | поршень в сборе (увеличение .015) | 2 | 26930 руб. | |||
| 21 | набор поршневых колец (стандарт) | 1 | 8830 руб. | |||
| 21 | RING SET, Piston (.015 O.S.) | 2 | 9210 руб. | |||
| 22 | Стопорное кольцо | 4 | 230 руб. | |||
| 23 | Подшипник | 1 | 13590 руб. | |||
| 24 | Уплотнение | 1 | 1070 руб. | |||
| 25 | роликовый подшипник в сборе | 1 | 5070 руб. | |||
| - | силовая головка в сборе | 1 | (15) SN# USA-0G112449/BEL-9831799 & Below | снято с производства | ||
| - | силовая головка в сборе | 1 | (15) SN# USA-0G112450/BEL-9831800 & Up | 858310 руб. | ||
| - | силовая головка в сборе | 1 | (9.9) SN# USA-0G112450/BEL-9831800 & Up | 858310 руб. | ||
| 1 | Art.: 11-818591 гайка (M14) Деталей в узле: 1 2 | маховик в сборе Деталей в узле: 1 3 | Art.: 43-99301 зубчатое кольцо (ELECTRIC)Деталей в узле: 1 4 | Art.: винт (M5 x 13) (ELECTRIC)Деталей в узле: 4 5 | Art.: Коленчатый вал в сборе Деталей в узле: 1 6 | Art.: 818630A1 SLEEVE (INCLUDES O-RING) Деталей в узле: 1 7 | Art.: 30-41341 Шариковый подшипник Деталей в узле: 1 8 | Art.: 12-824451 шайба (0.610 внутренний диамтер x 0.890 внешний диаметр x 0.062) Деталей в узле: 1 9 | Art.: 53-42132 стопорное кольцо Деталей в узле: 1 10 | Art.: 12-13031 шайба Деталей в узле: 1 11 | Art.: 26-125661 Нижний сальник Деталей в узле: 1 12 | Art.: 28-20094 сегментная шпонка Деталей в узле: 1 13 | Art.: роликовый подшипник Деталей в узле: 1 14 | Art.: 26-125671 SEAL, Oil - Upper, UPPER Деталей в узле: 1 15 | Art.: 637-8477A2 шатун в сборе Деталей в узле: 2 16 | Art.: 10-823460 Винт (M5 x 16) Деталей в узле: 4 цена по запросу
17 | Art.: 31-42076A1 роликовый подшипник в сборе Деталей в узле: 3 18 | Art.: 29-42186 Игольчатый подшипник Деталей в узле: 48 19 | Art.: Упорный подшипник Деталей в узле: 4 20 | Art.: поршень в сборе (стандарт) Деталей в узле: 2 20 | Art.: 784-9747A4 поршень в сборе (увеличение .015) Деталей в узле: 2 21 | Art.: 39-18212A4 набор поршневых колец (стандарт) Деталей в узле: 1 21 | Art.: 39-18212A1 RING SET, Piston (.015 O.S.) Деталей в узле: 2 22 | Art.: 40-422021 Стопорное кольцо Деталей в узле: 4 23 | Art.: 17794A1 Подшипник Деталей в узле: 1 24 | Art.: 26-818901 Уплотнение Деталей в узле: 1 25 | Art.: 31-42076A1 роликовый подшипник в сборе Деталей в узле: 1 - | Art.: силовая головка в сборе ((15) SN# USA-0G112449/BEL-9831799 & Below)Деталей в узле: 1 |
