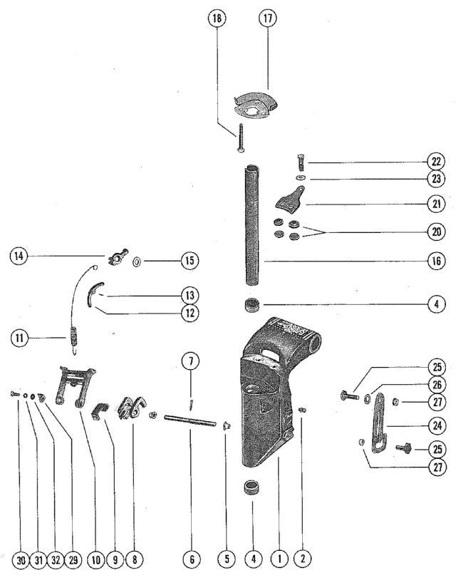
MERC 110
поворотный кронштейн в сборе
поворотный кронштейн в сборе
| № | Артикул | Наименование | Деталей в узле | Комментарий | Цена | |
| 1 | поворотный кронштейн в сборе | 1 | снято с производства | |||
| 2 | пресс-масленка поворотного кронштейна | 3 | цена по запросу | |||
| 4 | вкладыш поворотного кронштейна | 2 | снято с производства | |||
| 5 | нейлоновый вкладыш тяги рычага фиксатора заднего хода | 2 | 700 руб. | |||
| 6 | ROD, REVERSE LOCK TO SWIVEL BRACKET | 1 | снято с производства | |||
| 7 | шплинт крепления рычага фиксатора заднего хода к тяге | 1 | 360 руб. | |||
| 8 | LEVER, REVERSEL LOCK | 1 | снято с производства | |||
| 9 | фиксатор тяги фиксатора заднего хода | 1 | снято с производства | |||
| 10 | BRACKET, TROLL | 1 | снято с производства | |||
| 11 | SPRING, EXTENSION - TROLL BRACKET | 1 | снято с производства | |||
| 12 | направляющая пружины | 1 | снято с производства | |||
| 13 | шпонка направляющей пружины | 1 | 580 руб. | |||
| 14 | LEVER, CONTROL- TROLL BRACKET | 1 | снято с производства | |||
| 15 | WASHER, WAVE - TROLL BRACKET LEVER | 1 | снято с производства | |||
| 16 | TUBE, SWIVEL BRACKET TO SADDLE | 1 | снято с производства | |||
| 17 | CO-PILOT DISC | 1 | снято с производства | |||
| 18 | SCREW, CO-PILOT DISC TO SADDLE | 3 | 350 руб. | |||
| 20 | DISC,FRICTION-CLAMP PLATE AND SWIVEL BRACKET | 4 | 980 руб. | |||
| 21 | PLATE ASSEMBLY, CLAMP - CO-PILOT | 1 | снято с производства | |||
| 22 | регулировочный винт прижимной пластины | 1 | снято с производства | |||
| 23 | шайба регулировочного винта прижимной пластины | 1 | 230 руб. | |||
| 24 | рычаг фиксатора наклона в сборе | 1 | снято с производства | |||
| 25 | винт рычага фиксатора наклона | 2 | цена по запросу | |||
| 26 | WASHER, WAVE - LEVER ANCHOR SCREW | 1 | 230 руб. | |||
| 27 | гайка винта рычага фиксатора наклона | 2 | 770 руб. | |||
| 29 | STOP, REVERSE LOCK | 1 | снято с производства | |||
| 30 | винт крепления фиксатора заднего хода к поворотному кронштейну | 1 | снято с производства | |||
| 31 | LOCKWASHER, REVERSE STOP SCREW | 1 | 90 руб. | |||
| 32 | WASHER, REVERSE STOP SCREW | 1 | 270 руб. | |||
| 1 | Art.: поворотный кронштейн в сборе Деталей в узле: 1 снято с производства 2 | Art.: 22-74036 пресс-масленка поворотного кронштейна Деталей в узле: 3 цена по запросу
4 | Art.: 23-64028 вкладыш поворотного кронштейна Деталей в узле: 2 снято с производства 5 | Art.: 23-26841 нейлоновый вкладыш тяги рычага фиксатора заднего хода Деталей в узле: 2 6 | Art.: 71419 ROD, REVERSE LOCK TO SWIVEL BRACKET Деталей в узле: 1 снято с производства 7 | Art.: 18-45882 шплинт крепления рычага фиксатора заднего хода к тяге Деталей в узле: 1 8 | Art.: LEVER, REVERSEL LOCK Деталей в узле: 1 снято с производства 9 | Art.: 61007 фиксатор тяги фиксатора заднего хода Деталей в узле: 1 снято с производства 10 | Art.: BRACKET, TROLL Деталей в узле: 1 снято с производства 11 | Art.: 24-63630 SPRING, EXTENSION - TROLL BRACKET Деталей в узле: 1 снято с производства 12 | Art.: 63554 направляющая пружины Деталей в узле: 1 снято с производства 13 | Art.: 17-25319 шпонка направляющей пружины Деталей в узле: 1 14 | Art.: LEVER, CONTROL- TROLL BRACKET Деталей в узле: 1 снято с производства 15 | Art.: 13-63631 WASHER, WAVE - TROLL BRACKET LEVER Деталей в узле: 1 снято с производства 16 | Art.: 66559 TUBE, SWIVEL BRACKET TO SADDLE Деталей в узле: 1 снято с производства 17 | Art.: 77334 CO-PILOT DISC Деталей в узле: 1 снято с производства 18 | Art.: 10-78038 SCREW, CO-PILOT DISC TO SADDLE Деталей в узле: 3 20 | Art.: 20203 DISC,FRICTION-CLAMP PLATE AND SWIVEL BRACKET Деталей в узле: 4 21 | Art.: 72845A1 PLATE ASSEMBLY, CLAMP - CO-PILOT Деталей в узле: 1 снято с производства 22 | Art.: 10-36154 регулировочный винт прижимной пластины Деталей в узле: 1 снято с производства 23 | Art.: 12-35462 шайба регулировочного винта прижимной пластины Деталей в узле: 1 24 | Art.: 63310A1 рычаг фиксатора наклона в сборе Деталей в узле: 1 |
