MERC 3.4L EFI
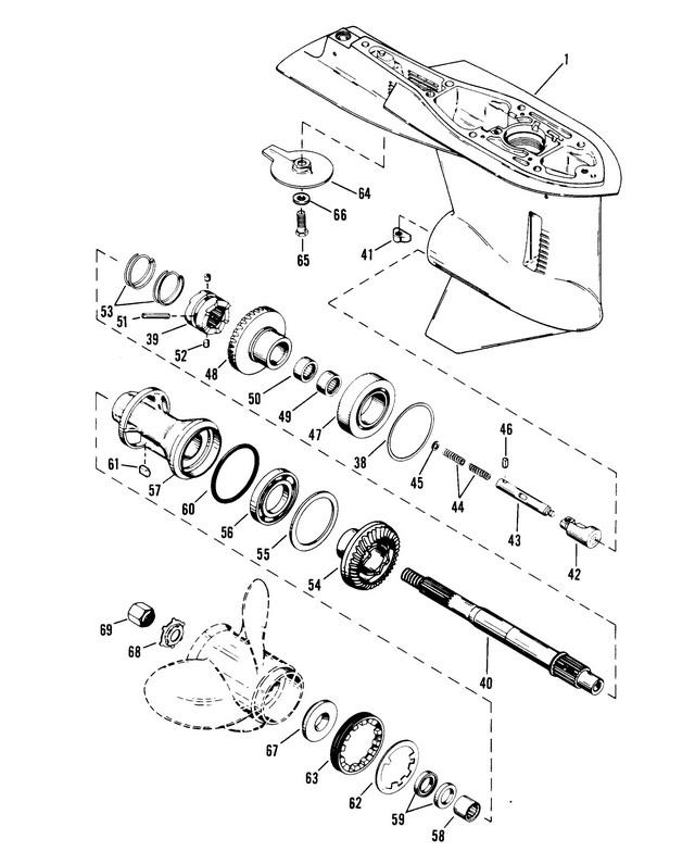
корпус редуктора, вал гребного винта
корпус редуктора, вал гребного винта
| № | Артикул | Наименование | Деталей в узле | Комментарий | Цена | |
| 1 | корпус редуктора в сборе (основа) | 1 | снято с производства | |||
| 38 | SHIM, BEARING OUTER RACE (.002-3-5-10) | AR | 1730 руб. | |||
| 39 | RATCHET, SLIDING CLUTCH | 1 | снято с производства | |||
| 40 | вал гребного винта | 1 | снято с производства | |||
| 41 | SHIFT CAM RHR | 1 | 1490 руб. | |||
| 42 | FOLLOWER, CAM RHR | 1 | 35000 руб. | |||
| 43 | ROD, CLUTCH ACTUATOR RHR | 1 | снято с производства | |||
| 44 | SPRING, COMPRESSION RHR | 2 | снято с производства | |||
| 45 | WASHER, COMPRESSION SPRING RHR | 1 | 210 руб. | |||
| 46 | PIN, SPRING LOCATOR RHR | 1 | 390 руб. | |||
| 47 | ROLLER BEARING ASSEMBLY RHR | 1 | 16260 руб. | |||
| 48 | FORWARD GEAR ASSEMBLY LHR | 1 | снято с производства | |||
| 48 | FORWARD GEAR ASSEMBLY RHR | 1 | снято с производства | |||
| 49 | ROLLER BEARING, FORWARD GEAR RHR | 1 | 3530 руб. | |||
| 50 | ROLLER BEARING, FORWARD GEAR RHR | 1 | снято с производства | |||
| 51 | CROSS PIN, RATCHET TO PROPELLER SHAFT RHR | 1 | 770 руб. | |||
| 52 | DENTENT PIN, RATCHET RHR | 2 | 2600 руб. | |||
| 53 | SPRING, RETAINING - CROSS PIN RHR | 2 | 1300 руб. | |||
| 54 | REVERSE GEAR (PART OF 43-99492A3) RHR | 1 | ||||
| 55 | RING, THRUST - BEARING CARRIER RHR | 1 | 1830 руб. | |||
| 55 | THRUST WASHER, BEARING CARRIER LHR | 1 | снято с производства | |||
| 56 | BALL BEARING, - REVERSE GEAR RHR | 1 | цена по запросу | |||
| 57 | BEARING CARRIER ASSEMBLY (LHR) | 1 | снято с производства | |||
| 57 | BEARING CARRIER ASSEMBLY (RHR) | 1 | снято с производства | |||
| 58 | роликовый подшипник подшипника опоры | 1 | 3780 руб. | |||
| 59 | сальник подшипника опоры | 2 | 2580 руб. | |||
| 60 | уплотнительное кольцо подшипника опоры | 1 | цена по запросу | |||
| 61 | KEY, LOCATING - BEARING CARRIER | 1 | 290 руб. | |||
| 62 | стопорная шайба крышки корпуса редуктора | 1 | 1580 руб. | |||
| 63 | Крышка корпуса редуктора | 1 | цена по запросу | |||
| 64 | крышка анода | 1 | снято с производства | |||
| 65 | винт крышки анода | 1 | 230 руб. | |||
| 66 | WASHER, ANODE COVER SCREW | 1 | цена по запросу | |||
| 67 | упорная втулка | 1 | цена по запросу | |||
| 68 | стопорная шайба гайки гребного винта | 1 | 610 руб. | |||
| 69 | гайка гребного винта | 1 | 2050 руб. | |||
| - | GEAR HOUSING ASSEMBLY, (X-LONG) LHR | 1 | снято с производства | |||
| - | GEAR HOUSING ASSEMBLY, (LONG) LHR | 1 | снято с производства | |||
| - | GEAR HOUSING ASSEMBLY, (X-LONG) RHR | 1 | снято с производства | |||
| - | GEAR HOUSING ASSEMBLY, (LONG) RHR | 1 | снято с производства | |||
| - | DOWEL PIN LHR | 1 | снято с производства | |||
| - | SLEEVE, GEAR TO SHAFT LHR | 1 | снято с производства | |||
| - | RING, SLEEVE RETAINER LHR | 1 | снято с производства | |||
| - | ROLLER BEARING ASSEMBLY LHR | 1 | 16260 руб. | |||
| - | ADAPTOR, BEARING TO SHAFT LHR | 1 | снято с производства | |||
| 1 | Art.: корпус редуктора в сборе (основа) Деталей в узле: 1 снято с производства 38 | Art.: 15-47397A1 SHIM, BEARING OUTER RACE (.002-3-5-10) Деталей в узле: AR 39 | RATCHET, SLIDING CLUTCH Деталей в узле: 1 снято с производства 40 | Art.: 44-98597 вал гребного винта Деталей в узле: 1 снято с производства 41 | Art.: SHIFT CAM RHR Деталей в узле: 1 42 | Art.: 89594A1 FOLLOWER, CAM RHR Деталей в узле: 1 43 | ROD, CLUTCH ACTUATOR RHR Деталей в узле: 1 снято с производства 44 | Art.: 24-88579 SPRING, COMPRESSION RHR Деталей в узле: 2 снято с производства 45 | Art.: 12-78910 WASHER, COMPRESSION SPRING RHR Деталей в узле: 1 46 | Art.: PIN, SPRING LOCATOR RHR Деталей в узле: 1 47 | Art.: 31-78172A1 ROLLER BEARING ASSEMBLY RHR Деталей в узле: 1 48 | Art.: 43-99492A3 FORWARD GEAR ASSEMBLY LHR Деталей в узле: 1 снято с производства 48 | Art.: 43-99492A3 FORWARD GEAR ASSEMBLY RHR Деталей в узле: 1 снято с производства 49 | Art.: ROLLER BEARING, FORWARD GEAR RHR Деталей в узле: 1 50 | Art.: 31-88583 ROLLER BEARING, FORWARD GEAR RHR Деталей в узле: 1 снято с производства 51 | Art.: CROSS PIN, RATCHET TO PROPELLER SHAFT RHR Деталей в узле: 1 52 | Art.: 17-78909 DENTENT PIN, RATCHET RHR Деталей в узле: 2 53 | Art.: 24-78962 SPRING, RETAINING - CROSS PIN RHR Деталей в узле: 2 54 | Art.: -N.S.S. REVERSE GEAR (PART OF 43-99492A3) RHR Деталей в узле: 1 55 | Art.: RING, THRUST - BEARING CARRIER RHR Деталей в узле: 1 55 | Art.: 12-96180 THRUST WASHER, BEARING CARRIER LHR Деталей в узле: 1 снято с производства 56 | Art.: BALL BEARING, - REVERSE GEAR RHR Деталей в узле: 1 цена по запросу 57 | Art.: 96178A1 BEARING CARRIER ASSEMBLY (LHR) Деталей в узле: 1 снято с производства 57 | Art.: 88603A4 BEARING CARRIER ASSEMBLY (RHR) Деталей в узле: 1 снято с производства 58 | Art.: роликовый подшипник подшипника опоры Деталей в узле: 1 59 | Art.: сальник подшипника опоры Деталей в узле: 2 60 | Art.: 25-31534 уплотнительное кольцо подшипника опоры Деталей в узле: 1 цена по запросу
61 | Art.: 28-30281 KEY, LOCATING - BEARING CARRIER Деталей в узле: 1 62 | Art.: 14-79447 стопорная шайба крышки корпуса редуктора Деталей в узле: 1 63 | Art.: Крышка корпуса редуктора Деталей в узле: 1 цена по запросу
64 | Art.: 89026 крышка анода Деталей в узле: 1 снято с производства 65 | Art.: 10-47462 винт крышки анода Деталей в узле: 1 66 | Art.: WASHER, ANODE COVER SCREW Деталей в узле: 1 цена по запросу
67 | упорная втулка Деталей в узле: 1 цена по запросу 68 | стопорная шайба гайки гребного винта Деталей в узле: 1 69 | Art.: гайка гребного винта Деталей в узле: 1 - | Art.: GEAR HOUSING ASSEMBLY, (X-LONG) LHR Деталей в узле: 1 снято с производства - | Art.: GEAR HOUSING ASSEMBLY, (LONG) LHR Деталей в узле: 1 снято с производства - | Art.: GEAR HOUSING ASSEMBLY, (X-LONG) RHR Деталей в узле: 1 снято с производства - | Art.: GEAR HOUSING ASSEMBLY, (LONG) RHR Деталей в узле: 1 снято с производства - | Art.: 17-74840 DOWEL PIN LHR Деталей в узле: 1 снято с производства - | Art.: 23-96176 SLEEVE, GEAR TO SHAFT LHR Деталей в узле: 1 снято с производства - | Art.: 53-96177 RING, SLEEVE RETAINER LHR Деталей в узле: 1 снято с производства - | Art.: 31-78172A1 ROLLER BEARING ASSEMBLY LHR Деталей в узле: 1 - | Art.: 96175 ADAPTOR, BEARING TO SHAFT LHR Деталей в узле: 1 снято с производства | ||||||||||||||||||||||||||||||||||||||||||||||
