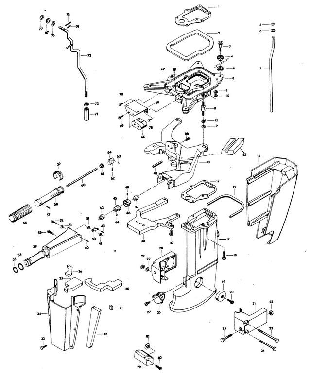
20 HP
MOTOR LEG
MOTOR LEG
| № | Артикул | Наименование | Деталей в узле | Комментарий | Цена | |
| 1 | GASKET, CYLINDER EXHAUST | 1 | снято с производства | |||
| 2 | PACKING, SUPPORT PLATE | 1 | снято с производства | |||
| 3 | FASTENER, SUPPORT PLATE MOUNT | 4 | снято с производства | |||
| 4 | MOUNT, SUPPORT PLATE | 8 | снято с производства | |||
| 5 | SEAL, WATER LINE UPPER | 1 | цена по запросу | |||
| 6 | PLAIN WASHER | 1 | цена по запросу | |||
| 7 | INLET WATER LINE | 1 | снято с производства | |||
| 8 | PLATE, SHOCK MOUNT | 1 | снято с производства | |||
| 9 | HEX NUT, 3/8 - 16 | 4 | цена по запросу | |||
| 10 | PLAIN WASHER | 2 | цена по запросу | |||
| 11 | MOUNT, SIDE UPPER | 2 | снято с производства | |||
| 12 | TAB, SHOCK MOUNT SIDE | 2 | снято с производства | |||
| 13 | PLATE, KINGPIN MOUNTING | 1 | снято с производства | |||
| 14 | GASKET, LEG EXHAUST | 1 | снято с производства | |||
| 15 | PACKING, LEG COVER REAR | 2 | снято с производства | |||
| 16 | LEG COVER REAR W/PACKING | 1 | снято с производства | |||
| 17 | MOTOR LEG | 1 | снято с производства | |||
| 18 | SCREW, MOTOR LEG TO CYLINDER | 6 | снято с производства | |||
| 19 | SHOCK MOUNT, LOWER SIDE | 2 | снято с производства | |||
| 20 | HEX SOCKET HD CAP SCREW, 5/16 - 18 X 9/16 | 2 | цена по запросу | |||
| 21 | COVER, SHOCK MOUNT PORT | 1 | снято с производства | |||
| 22 | HEX NUT, 5/16 - 18 | 4 | цена по запросу | |||
| 23 | HEX CAP SCREW, 5/16 - 18 X 4 3/4 | 1 | снято с производства | |||
| 24 | HEX CAP SCREW, 5/16 - 18 X 4 | 1 | снято с производства | |||
| 25 | HEX CAP SCREW, 5/16 - 18 X 1 3/4 | 2 | цена по запросу | |||
| 26 | SHOCK MOUNT LOWER THRUST | 1 | снято с производства | |||
| 27 | FILL HD SCREW, 5/16 - 18 X 1/2 | 2 | снято с производства | |||
| 28 | COVER, SHOCK MOUNT STARBOARD | 1 | снято с производства | |||
| 29 | SPRING LOCKWASHER | 2 | цена по запросу | |||
| 30 | PACKING, LEG COVER FRONT UPPER PORT | 1 | снято с производства | |||
| 31 | PACKING, LEG COVER FRONT | 3 | цена по запросу | |||
| 32 | PACKING, LEG COVER SIDE | 2 | снято с производства | |||
| 33 | HEX CAP SCREW, 1/4 - 20 X 3/4 | 6 | цена по запросу | |||
| 34 | LEG COVER FRONT W/PACKING | 1 | снято с производства | |||
| 35 | PACKING, LEG COVER FRONT UPPER STARBOARD | 1 | снято с производства | |||
| 36 | PACKING, LEG COVER SIDE UPPER | 2 | снято с производства | |||
| 37 | HEX HD SCREW W/SPRING LOCKWASHER, 5/16 - 18 X 1 | 3 | снято с производства | |||
| 38 | ручка переноски двигателя | 1 | снято с производства | |||
| 39 | ручка рулевого управления | 1 | снято с производства | |||
| 40 | SPRING PIN | 1 | цена по запросу | |||
| 41 | HEX LOCK NUT | 1 | снято с производства | |||
| 42 | SPRING PIN | 1 | снято с производства | |||
| 43 | BEARING, STEERING HANDLE GEAR | 1 | снято с производства | |||
| 44 | HEX SOCKET HEADLESS SET SCREW, 5/16 - 24 X 1/4 | 1 | снято с производства | |||
| 45 | GEAR, STEERING HANDLE | 1 | W/ILLUS. 44 | снято с производства | ||
| 46 | GEAR, MAGNETO CONTROL SHAFT | 1 | снято с производства | |||
| 47 | BEARING, MAGNETO CONTROL SHAFT | 1 | снято с производства | |||
| 48 | SPRING PIN | 1 | снято с производства | |||
| 49 | SOCKET HD CAP SCREW, 10 - 24 X 3/4 | 1 | снято с производства | |||
| 50 | RETAINING WASHER STEERING HANDLE PIVOT | 1 | снято с производства | |||
| 51 | WASHER, STEERING HANDLE PIVOT BOLT | 2 | снято с производства | |||
| 52 | STEERING HANDLE PIVOT BOLT | 1 | снято с производства | |||
| 53 | SCREW, TILLER IDLE STOP | 1 | снято с производства | |||
| 54 | SEAL, STEERING HANDLE GRIP | 1 | цена по запросу | |||
| 55 | SEAL, STEERING HANDLE GRIP | 1 | цена по запросу | |||
| 56 | втулка | 1 | снято с производства | |||
| 57 | SPRING PIN | 1 | цена по запросу | |||
| 58 | рукоятка ручки рулевого управления | 1 | W/ILLUS. 56 | снято с производства | ||
| 59 | INDICATOR, SPEED CONTROL | 1 | снято с производства | |||
| 60 | SHAFT, STEERING HANDLE | 1 | снято с производства | |||
| 61 | BEARING, STEERING HANDLE SHAFT | 1 | цена по запросу | |||
| 62 | SCREW, THROTTLE STOP | 1 | снято с производства | |||
| 63 | SPRING PIN | 1 | цена по запросу | |||
| 64 | THROTTLE STOP | 1 | снято с производства | |||
| 65 | SHOCK MOUNT UPPER THRUST | 1 | цена по запросу | |||
| 66 | FLAT HD SCREW, 1/4 - 28 X 5/8 | 2 | снято с производства | |||
| 67 | Подшипник | 2 | цена по запросу | |||
| 68 | BRACKET, SHOCK MOUNT UPPER THRUST | 1 | снято с производства | |||
| 69 | HEX HD SCREW W/SPRING LOCKWASHER, 1/4 - 28 X 5/8 | 2 | снято с производства | |||
| 70 | HEX SLOT HD SCREW W/LOCKWASHER, 1/4 - 20 X 3/4 | 2 | цена по запросу | |||
| 71 | COUPLING, GEAR SHIFT ROD | 1 | 5180 руб. | |||
| 72 | HEX NUT | 1 | цена по запросу | |||
| 73 | GEAR SHIFT ROD UPPER | 1 | снято с производства | |||
| 74 | SPRING PIN | 1 | цена по запросу | |||
| 75 | шплинт | 1 | снято с производства | |||
| 76 | BOWED SPRING WASHER | 1 | снято с производства | |||
| 77 | PLAIN WASHER | 1 | цена по запросу | |||
| 78 | HEX CAP SCREW, 1/4 - 20 X 5/8 | 2 | снято с производства | |||
| 79 | COVER, KING PIN MOUNTING PLATE (ALT. START) | 1 | снято с производства | |||
| 80 | PAN HD SCREW 1/4 - 20 X 1-1/4 (ALT. START) | 2 | снято с производства | |||
| 81 | SPEED NUT 1/4 - 20 (ALT. START) | 2 | снято с производства | |||
| 82 | PAD, KING PIN MOUNTING | 1 | снято с производства | |||
| - | INDICATOR SPEED CONTROL - CANADA | 1 | снято с производства | |||
| 1 | Art.: F458279 GASKET, CYLINDER EXHAUST Деталей в узле: 1 снято с производства 2 | Art.: F183756-1 PACKING, SUPPORT PLATE Деталей в узле: 1 снято с производства 3 | Art.: F458887 FASTENER, SUPPORT PLATE MOUNT Деталей в узле: 4 снято с производства 4 | Art.: F458347 MOUNT, SUPPORT PLATE Деталей в узле: 8 снято с производства 5 | Art.: SEAL, WATER LINE UPPER Деталей в узле: 1 цена по запросу 6 | Art.: PLAIN WASHER Деталей в узле: 1 цена по запросу 7 | Art.: F458244-1 INLET WATER LINE Деталей в узле: 1 снято с производства 8 | Art.: F458963 PLATE, SHOCK MOUNT Деталей в узле: 1 снято с производства 9 | Art.: HEX NUT, 3/8 - 16 Деталей в узле: 4 цена по запросу 10 | Art.: PLAIN WASHER Деталей в узле: 2 цена по запросу 11 | Art.: F458962 MOUNT, SIDE UPPER Деталей в узле: 2 снято с производства 12 | Art.: F458076 TAB, SHOCK MOUNT SIDE Деталей в узле: 2 снято с производства 13 | Art.: 817809A1 PLATE, KINGPIN MOUNTING Деталей в узле: 1 снято с производства 14 | Art.: F458453 GASKET, LEG EXHAUST Деталей в узле: 1 снято с производства 15 | Art.: F458322 PACKING, LEG COVER REAR Деталей в узле: 2 снято с производства 16 | Art.: 818057A1 LEG COVER REAR W/PACKING Деталей в узле: 1 снято с производства 17 | Art.: F458133 MOTOR LEG Деталей в узле: 1 снято с производства 18 | Art.: F458166-2 SCREW, MOTOR LEG TO CYLINDER Деталей в узле: 6 снято с производства 19 | Art.: F462962 SHOCK MOUNT, LOWER SIDE Деталей в узле: 2 снято с производства 20 | Art.: F1263 HEX SOCKET HD CAP SCREW, 5/16 - 18 X 9/16 Деталей в узле: 2 цена по запросу
21 | Art.: F458973-1 COVER, SHOCK MOUNT PORT Деталей в узле: 1 снято с производства 22 | Art.: HEX NUT, 5/16 - 18 Деталей в узле: 4 цена по запросу 23 | Art.: F2006 HEX CAP SCREW, 5/16 - 18 X 4 3/4 Деталей в узле: 1 снято с производства 24 | Art.: F2007 HEX CAP SCREW, 5/16 - 18 X 4 Деталей в узле: 1 снято с производства 25 | Art.: HEX CAP SCREW, 5/16 - 18 X 1 3/4 Деталей в узле: 2 цена по запросу 26 | Art.: F183346-1 SHOCK MOUNT LOWER THRUST Деталей в узле: 1 снято с производства 27 | Art.: F1129 FILL HD SCREW, 5/16 - 18 X 1/2 Деталей в узле: 2 снято с производства 28 | Art.: F458972-1 COVER, SHOCK MOUNT STARBOARD Деталей в узле: 1 снято с производства 29 | Art.: SPRING LOCKWASHER Деталей в узле: 2 цена по запросу 30 | Art.: F458320 PACKING, LEG COVER FRONT UPPER PORT Деталей в узле: 1 снято с производства 31 | Art.: PACKING, LEG COVER FRONT Деталей в узле: 3 цена по запросу 32 | Art.: F458312 PACKING, LEG COVER SIDE Деталей в узле: 2 снято с производства 33 | Art.: HEX CAP SCREW, 1/4 - 20 X 3/4 Деталей в узле: 6 цена по запросу 34 | Art.: 818056A2 LEG COVER FRONT W/PACKING Деталей в узле: 1 снято с производства 35 | Art.: F458324 PACKING, LEG COVER FRONT UPPER STARBOARD Деталей в узле: 1 снято с производства 36 | Art.: F458315 PACKING, LEG COVER SIDE UPPER Деталей в узле: 2 снято с производства 37 | Art.: F1745 HEX HD SCREW W/SPRING LOCKWASHER, 5/16 - 18 X 1 Деталей в узле: 3 снято с производства 38 | Art.: F385647 ручка переноски двигателя Деталей в узле: 1 снято с производства 39 | Art.: ручка рулевого управления Деталей в узле: 1 снято с производства 40 | Art.: F1664 SPRING PIN Деталей в узле: 1 цена по запросу
41 | Art.: F1812 HEX LOCK NUT Деталей в узле: 1 снято с производства 42 | Art.: F8550 SPRING PIN Деталей в узле: 1 снято с производства 43 | Art.: F295689 BEARING, STEERING HANDLE GEAR Деталей в узле: 1 снято с производства 44 | Art.: F1954 HEX SOCKET HEADLESS SET SCREW, 5/16 - 24 X 1/4 Деталей в узле: 1 снято с производства 45 | Art.: FA413815 GEAR, STEERING HANDLE (W/ILLUS. 44)Деталей в узле: 1 снято с производства 46 | Art.: F288691 GEAR, MAGNETO CONTROL SHAFT Деталей в узле: 1 снято с производства 47 | Art.: F288689 BEARING, MAGNETO CONTROL SHAFT Деталей в узле: 1 снято с производства 48 | Art.: F1663 SPRING PIN Деталей в узле: 1 снято с производства 49 | Art.: F1642 SOCKET HD CAP SCREW, 10 - 24 X 3/4 Деталей в узле: 1 снято с производства 50 | Art.: F295457 RETAINING WASHER STEERING HANDLE PIVOT Деталей в узле: 1 снято с производства 51 | Art.: F295175 WASHER, STEERING HANDLE PIVOT BOLT Деталей в узле: 2 снято с производства 52 | Art.: F295080 STEERING HANDLE PIVOT BOLT Деталей в узле: 1 снято с производства 53 | Art.: F458519 SCREW, TILLER IDLE STOP Деталей в узле: 1 снято с производства 54 | Art.: SEAL, STEERING HANDLE GRIP Деталей в узле: 1 цена по запросу 55 | Art.: SEAL, STEERING HANDLE GRIP Деталей в узле: 1 цена по запросу 56 | Art.: втулка Деталей в узле: 1 снято с производства 57 | Art.: SPRING PIN Деталей в узле: 1 цена по запросу 58 | Art.: FA456137 рукоятка ручки рулевого управления (W/ILLUS. 56)Деталей в узле: 1 снято с производства 59 | Art.: F286894-3 INDICATOR, SPEED CONTROL Деталей в узле: 1 снято с производства 60 | Art.: F458688 SHAFT, STEERING HANDLE Деталей в узле: 1 снято с производства 61 | Art.: BEARING, STEERING HANDLE SHAFT Деталей в узле: 1 цена по запросу 62 | Art.: F458690 SCREW, THROTTLE STOP Деталей в узле: 1 снято с производства 63 | Art.: SPRING PIN Деталей в узле: 1 цена по запросу 64 | Art.: F458198 THROTTLE STOP Деталей в узле: 1 снято с производства 65 | Art.: SHOCK MOUNT UPPER THRUST Деталей в узле: 1 цена по запросу 66 | Art.: F1160 FLAT HD SCREW, 1/4 - 28 X 5/8 Деталей в узле: 2 снято с производства 67 | Art.: Подшипник Деталей в узле: 2 цена по запросу 68 | Art.: F40956 BRACKET, SHOCK MOUNT UPPER THRUST Деталей в узле: 1 снято с производства 69 | Art.: F1211 HEX HD SCREW W/SPRING LOCKWASHER, 1/4 - 28 X 5/8 Деталей в узле: 2 снято с производства 70 | Art.: HEX SLOT HD SCREW W/LOCKWASHER, 1/4 - 20 X 3/4 Деталей в узле: 2 цена по запросу 71 | Art.: F141704 COUPLING, GEAR SHIFT ROD Деталей в узле: 1 72 | Art.: HEX NUT Деталей в узле: 1 цена по запросу 73 | Art.: F458615 GEAR SHIFT ROD UPPER Деталей в узле: 1 снято с производства 74 | Art.: SPRING PIN Деталей в узле: 1 цена по запросу 75 | Art.: F1020 шплинт Деталей в узле: 1 снято с производства 76 | Art.: F8049 BOWED SPRING WASHER Деталей в узле: 1 снято с производства 77 | Art.: PLAIN WASHER Деталей в узле: 1 цена по запросу
78 | Art.: F1922 HEX CAP SCREW, 1/4 - 20 X 5/8 Деталей в узле: 2 снято с производства 79 | Art.: FA460686 COVER, KING PIN MOUNTING PLATE (ALT. START) Деталей в узле: 1 снято с производства 80 | Art.: F2011 PAN HD SCREW 1/4 - 20 X 1-1/4 (ALT. START) Деталей в узле: 2 снято с производства 81 | Art.: F2018 SPEED NUT 1/4 - 20 (ALT. START) Деталей в узле: 2 снято с производства 82 | Art.: F458345 PAD, KING PIN MOUNTING Деталей в узле: 1 снято с производства - | Art.: 37-F286894-3 INDICATOR SPEED CONTROL - CANADA Деталей в узле: 1 снято с производства | ||||||||||||||||||||||||||||||||||||||||||||||||||||||||||||||||||||||||||||||||||||
