45 H.P.
Корпус редуктора
Корпус редуктора
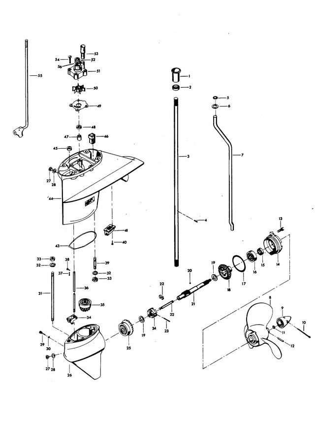
| № | Артикул | Наименование | Деталей в узле | Комментарий | Цена | |
| 1 | защитный чехол | 1 | цена по запросу | |||
| 2 | фиксатор | 1 | цена по запросу | |||
| 3 | DRIVESHAFT W/RETAINER FOR STANDARD SHAFT MODELS | 1 | снято с производства | |||
| 4 | DRIVE PIN, WATER PUMP IMPELLER | 1 | 540 руб. | |||
| 5 | Уплотнение | 1 | цена по запросу | |||
| 6 | PLAIN WASHER | 1 | снято с производства | |||
| 7 | INLET WATER LINE FOR STANDARD SHAFT MODELS | 1 | снято с производства | |||
| 8 | PROPELLER (ACCESSORY ITEM) | 1 | снято с производства | |||
| 9 | PROPELLER NUT W/SEAL AND COTTER PIN | 1 | 1620 руб. | |||
| 10 | COTTER PIN, S.S., 1/8 - 1/2 | 1 | цена по запросу | |||
| 11 | SEAL, PROPELLER NUT | 1 | цена по запросу | |||
| 12 | PROPELLER PIN, PACK OF 6 W/COTTER PIN | 1 | цена по запросу | |||
| 13 | HEX SOCKET HD CAP SCREW, S.S., 5/16 - 18 X 9/16 | 2 | цена по запросу | |||
| 14 | PROPELLER SHAFT BEARING CAGE | 1 | INCLUDES ITEMS 15, 16 AND 17 | цена по запросу | ||
| 15 | SEAL, PROPELLER SHAFT | 1 | 1150 руб. | |||
| 16 | шариковый подшипник вала гребного винта | 1 | 11340 руб. | |||
| 17 | SEAL, PROPELLER SHAFT BEARING CAGE | 1 | цена по запросу | |||
| 18 | BEVEL GEAR REAR W/BEARING | 1 | цена по запросу | |||
| 19 | THRUST WASHER, BEVEL GEAR | 2 | цена по запросу | |||
| 20 | BALL, PROPELLER SHAFT | 1 | снято с производства | |||
| 21 | вал гребного винта | 1 | цена по запросу | |||
| 22 | GEAR SHIFT ARM PIN W/YOKE | 1 | снято с производства | |||
| 23 | SPRING PIN | 1 | снято с производства | |||
| 24 | муфта сцепления | 1 | 20300 руб. | |||
| 25 | BEVEL GEAR FRONT W/BEARING | 1 | снято с производства | |||
| 26 | GEAR HOUSING LOWER W/PLUG, WASHER AND THRUST BEARING CUP | 1 | снято с производства | |||
| 27 | Пробка корпуса редуктора | 2 | цена по запросу | |||
| 28 | WASHER, GEAR HOUSING PLUG | 2 | цена по запросу | |||
| 29 | GEAR SHIFT ARM PIN | 1 | цена по запросу | |||
| 30 | NYLTITE WASHER | 1 | снято с производства | |||
| 31 | STUD, LONG | 1 | снято с производства | |||
| 32 | стопорная шайба | 2 | цена по запросу | |||
| 33 | HEX NUT, S.S., 3/8 - 16 | 2 | цена по запросу | |||
| 34 | GEAR SHIFT ARM | 1 | цена по запросу | |||
| 35 | BEVEL PINION W/BEARING | 1 | 34360 руб. | |||
| 36 | GEAR SHIFT ROD LOWER | 1 | снято с производства | |||
| 37 | шплинт | 1 | 90 руб. | |||
| 38 | PIN, GEAR SHIFT ROD LOWER | 1 | 530 руб. | |||
| 39 | STUD, SHORT | 1 | цена по запросу | |||
| 40 | PAN HD SCREW, 10 - 24 X 9/16 | 2 | 170 руб. | |||
| 41 | ANTI-CORROSION ANODE | 1 | снято с производства | |||
| 43 | уплотнение корпуса редуктора | 1 | 650 руб. | |||
| 44 | GEAR HOUSING UPPER, WASHER, PLUG AND INLET WATER SCREEN | 1 | W/SEAL ORIGINAL FORCE P/N A435554-1 | снято с производства | ||
| 45 | SEAL, SHIFT ROD LOWER | 1 | 830 руб. | |||
| 46 | SCREEN, WATER INLET | 1 | 570 руб. | |||
| 47 | BEARING, DRIVESHAFT UPPER | 1 | снято с производства | |||
| 48 | SEAL, DRIVESHAFT | 1 | 760 руб. | |||
| 49 | WATER PUMP BACK PLATE | 1 | цена по запросу | |||
| 50 | WATER PUMP IMPELLER | 1 | цена по запросу | |||
| 51 | WATER PUMP BODY W/DRIVESHAFT SEAL | 1 | снято с производства | |||
| 52 | DRIVESHAFT SEAL | 1 | 1740 руб. | |||
| 53 | SEAL, INLET WATER LINE, LOWER | 1 | 870 руб. | |||
| 54 | HEX HD SCREW, S.S., 1/4 - 20 X 1 1/4 | 4 | 290 руб. | |||
| 55 | GEAR SHIFT ROD INTERMEDIATE FOR STANDARD SHAFT MODELS | 1 | снято с производства | |||
| 56 | DISC, WATER PUMP | 1 | ||||
| - | GEAR SHIFT ROD INTERMEDIATE FOR LONG SHAFT MODELS | 1 | снято с производства | |||
| - | INLET WATER LINE FOR LONG SHAFT MODELS | 1 | 6200 руб. | |||
| - | DRIVESHAFT W/RETAINER FOR LONG SHAFT MODELS | 1 | цена по запросу | |||
| - | GEAR HOUSING COMPLETE | 1 | INCLUDES ALL ITEMS MARKED WITH AN ASTERISK (*). | цена по запросу | ||
| 1 | Art.: защитный чехол Деталей в узле: 1 цена по запросу
| ||||||||||||||||||||||||||||||||||||||||||||||||||||||||||||||||||||||||||||||||||||||||||||||||||||||||||||||||||
| 2 | Art.: F338271 фиксатор Деталей в узле: 1 цена по запросу
| ||||||||||||||||||||||||||||||||||||||||||||||||||||||||||||||||||||||||||||||||||||||||||||||||||||||||||||||||||
| 3 | Art.: 45-817737A1 DRIVESHAFT W/RETAINER FOR STANDARD SHAFT MODELS Деталей в узле: 1 снято с производства 4 | Art.: F901563 DRIVE PIN, WATER PUMP IMPELLER Деталей в узле: 1 5 | Art.: Уплотнение Деталей в узле: 1 цена по запросу 6 | Art.: F8042 PLAIN WASHER Деталей в узле: 1 снято с производства 7 | Art.: F141244 INLET WATER LINE FOR STANDARD SHAFT MODELS Деталей в узле: 1 снято с производства 8 | PROPELLER (ACCESSORY ITEM) Деталей в узле: 1 снято с производства 9 | Art.: FA94094-2 PROPELLER NUT W/SEAL AND COTTER PIN Деталей в узле: 1 10 | Art.: COTTER PIN, S.S., 1/8 - 1/2 Деталей в узле: 1 цена по запросу 11 | Art.: SEAL, PROPELLER NUT Деталей в узле: 1 цена по запросу 12 | Art.: FK247 PROPELLER PIN, PACK OF 6 W/COTTER PIN Деталей в узле: 1 цена по запросу
13 | Art.: F1263 HEX SOCKET HD CAP SCREW, S.S., 5/16 - 18 X 9/16 Деталей в узле: 2 цена по запросу
14 | PROPELLER SHAFT BEARING CAGE (INCLUDES ITEMS 15, 16 AND 17)Деталей в узле: 1 цена по запросу
15 | Art.: SEAL, PROPELLER SHAFT Деталей в узле: 1 16 | Art.: шариковый подшипник вала гребного винта Деталей в узле: 1 17 | Art.: SEAL, PROPELLER SHAFT BEARING CAGE Деталей в узле: 1 цена по запросу 18 | BEVEL GEAR REAR W/BEARING Деталей в узле: 1 цена по запросу 19 | Art.: THRUST WASHER, BEVEL GEAR Деталей в узле: 2 цена по запросу 20 | Art.: F366727 BALL, PROPELLER SHAFT Деталей в узле: 1 снято с производства 21 | Art.: 44-819500A3 вал гребного винта Деталей в узле: 1 цена по запросу
22 | Art.: FA90871-3 GEAR SHIFT ARM PIN W/YOKE Деталей в узле: 1 снято с производства 23 | Art.: F2097 SPRING PIN Деталей в узле: 1 снято с производства 24 | муфта сцепления Деталей в узле: 1 25 | Art.: BEVEL GEAR FRONT W/BEARING Деталей в узле: 1 снято с производства 26 | GEAR HOUSING LOWER W/PLUG, WASHER AND THRUST BEARING CUP Деталей в узле: 1 снято с производства 27 | Пробка корпуса редуктора Деталей в узле: 2 цена по запросу 28 | Art.: WASHER, GEAR HOUSING PLUG Деталей в узле: 2 цена по запросу 29 | GEAR SHIFT ARM PIN Деталей в узле: 1 цена по запросу 30 | Art.: F8001 NYLTITE WASHER Деталей в узле: 1 снято с производства 31 | Art.: F97008-1 STUD, LONG Деталей в узле: 1 снято с производства 32 | Art.: стопорная шайба Деталей в узле: 2 цена по запросу 33 | Art.: HEX NUT, S.S., 3/8 - 16 Деталей в узле: 2 цена по запросу 34 | Art.: 817796A2 GEAR SHIFT ARM Деталей в узле: 1 цена по запросу
35 | BEVEL PINION W/BEARING Деталей в узле: 1 36 | Art.: GEAR SHIFT ROD LOWER Деталей в узле: 1 снято с производства 37 | Art.: F1015 шплинт Деталей в узле: 1 38 | Art.: F85372 PIN, GEAR SHIFT ROD LOWER Деталей в узле: 1 39 | Art.: STUD, SHORT Деталей в узле: 1 цена по запросу 40 | Art.: PAN HD SCREW, 10 - 24 X 9/16 Деталей в узле: 2 41 | Art.: FA513485 ANTI-CORROSION ANODE Деталей в узле: 1 снято с производства 43 | Art.: уплотнение корпуса редуктора Деталей в узле: 1 44 | Art.: 1600-817871A3 GEAR HOUSING UPPER, WASHER, PLUG AND INLET WATER SCREEN (W/SEAL ORIGINAL FORCE P/N A435554-1)Деталей в узле: 1 снято с производства 45 | Art.: SEAL, SHIFT ROD LOWER Деталей в узле: 1 46 | Art.: SCREEN, WATER INLET Деталей в узле: 1 47 | Art.: F435057 BEARING, DRIVESHAFT UPPER Деталей в узле: 1 снято с производства 48 | Art.: F40307-2 SEAL, DRIVESHAFT Деталей в узле: 1 49 | Art.: WATER PUMP BACK PLATE Деталей в узле: 1 цена по запросу 50 | Art.: WATER PUMP IMPELLER Деталей в узле: 1 цена по запросу 51 | Art.: WATER PUMP BODY W/DRIVESHAFT SEAL Деталей в узле: 1 снято с производства 52 | Art.: F349307 DRIVESHAFT SEAL Деталей в узле: 1 53 | Art.: FA485914 SEAL, INLET WATER LINE, LOWER Деталей в узле: 1 54 | Art.: F2030 HEX HD SCREW, S.S., 1/4 - 20 X 1 1/4 Деталей в узле: 4 55 | Art.: FA434616 GEAR SHIFT ROD INTERMEDIATE FOR STANDARD SHAFT MODELS Деталей в узле: 1 снято с производства 56 | Art.: -485388 DISC, WATER PUMP Деталей в узле: 1 - | Art.: FA435616 GEAR SHIFT ROD INTERMEDIATE FOR LONG SHAFT MODELS Деталей в узле: 1 снято с производства - | Art.: F435244 INLET WATER LINE FOR LONG SHAFT MODELS Деталей в узле: 1 - | Art.: DRIVESHAFT W/RETAINER FOR LONG SHAFT MODELS Деталей в узле: 1 цена по запросу
- | GEAR HOUSING COMPLETE (INCLUDES ALL ITEMS MARKED WITH AN ASTERISK (*).)Деталей в узле: 1 цена по запросу | ||||||||||||||||||||||||||||||||||||||||||||||||||||||||||
