200/225/250/275/300 4-STROKE VERADO (6 CYLINDER)
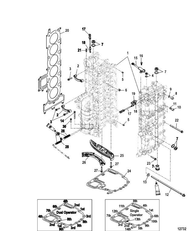
Блок цилиндров
Блок цилиндров
| № | Артикул | Наименование | Деталей в узле | Комментарий | Цена | |
| 1 | Блок цилиндров в сборе | 1 | 583010 руб. | |||
| 2 | Кронштейн крепления стартера | 2 | цена по запросу | |||
| 3 | Винт (М8 х 40) | 4 | 490 руб. | |||
| 4 | пробка (12 мм) | 1 | 1870 руб. | |||
| 5 | посадочный штифт без отверстия (0.375 x 0.625) | 2 | 260 руб. | |||
| 6 | амортизатор | 14 | 430 руб. | |||
| 7 | пробка (24 мм) | 4 | 1770 руб. | |||
| 8 | посадочный штифт (14 мм) | 1 | 440 руб. | |||
| 9 | уплотнительное кольцо | 1 | 160 руб. | |||
| 10 | посадочный штифт (11 мм) | 1 | 480 руб. | |||
| 11 | уплотнительное кольцо | 1 | 160 руб. | |||
| 12 | Винт (М10 х 342) | 14 | 4690 руб. | |||
| 13 | шайба | 14 | 170 руб. | |||
| 14 | винт (M8 x 75) | 1 | цена по запросу | |||
| 15 | датчик | 1 | 14140 руб. | |||
| 16 | винт (M5 x 16), нержавеющая сталь | 2 | 240 руб. | |||
| 17 | датчик в сборе | 2 | цена по запросу | |||
| 18 | уплотнительное кольцо (1.78 x 0.08 мм) | 2 | 1070 руб. | |||
| 19 | датчик давления | 1 | 17880 руб. | |||
| 20 | Прокладка головки | 1 | 18900 руб. | |||
| 21 | стержень | 1 | 1290 руб. | |||
| 22 | винт (M8 x 115) | 12 | цена по запросу | |||
| 23 | Винт (М8 х 50) | 2 | цена по запросу | |||
| 24 | Прокладка между блоком и переходником | 1 | 6160 руб. | |||
| 25 | Неподвижная направляющая | 1 | 6050 руб. | |||
| 26 | Подвижная направляющая | 1 | 7710 руб. | |||
| 27 | винт | 2 | 300 руб. | |||
| 28 | шпилька | 2 | 670 руб. | |||
| 29 | Гайка (М8), нержавеющая сталь | 1 | 270 руб. | |||
| 30 | винт (M8 x 35 мм) | 1 | 470 руб. | |||
| - | набор прокладок силового агрегата | 1 | 43130 руб. | |||
| - | силовая головка в сборе | 1 | 2173980 руб. | |||
| 1 | Art.: 800-880506A12 Блок цилиндров в сборе Деталей в узле: 1 2 | Art.: 8M0041759 Кронштейн крепления стартера Деталей в узле: 2 цена по запросу
3 | Art.: Винт (М8 х 40) Деталей в узле: 4 4 | Art.: 19-889767 пробка (12 мм) Деталей в узле: 1 5 | Art.: 17-43044 посадочный штифт без отверстия (0.375 x 0.625) Деталей в узле: 2 6 | Art.: 23-893392001 амортизатор Деталей в узле: 14 7 | Art.: 19-896951 пробка (24 мм) Деталей в узле: 4 8 | Art.: 17-880524 посадочный штифт (14 мм) Деталей в узле: 1 9 | Art.: 25-884409 уплотнительное кольцо Деталей в узле: 1 10 | Art.: 17-884424 посадочный штифт (11 мм) Деталей в узле: 1 11 | Art.: 25-884423 уплотнительное кольцо Деталей в узле: 1 12 | Art.: Винт (М10 х 342) Деталей в узле: 14 13 | Art.: 12-892573001 шайба Деталей в узле: 14 14 | Art.: 10-88552675 винт (M8 x 75) Деталей в узле: 1 цена по запросу
15 | датчик Деталей в узле: 1 16 | Art.: 10-40011107 винт (M5 x 16), нержавеющая сталь Деталей в узле: 2 17 | Art.: 8M0010146 датчик в сборе Деталей в узле: 2 цена по запросу
18 | Art.: 25-896699 уплотнительное кольцо (1.78 x 0.08 мм) Деталей в узле: 2 19 | Art.: датчик давления Деталей в узле: 1 20 | Art.: Прокладка головки Деталей в узле: 1 21 | Art.: 17-888517 стержень Деталей в узле: 1 22 | Art.: 10-895810115 винт (M8 x 115) Деталей в узле: 12 цена по запросу
23 | Art.: 10-895810050 Винт (М8 х 50) Деталей в узле: 2 цена по запросу
24 | Art.: 27-880624003 Прокладка между блоком и переходником Деталей в узле: 1 25 | Art.: 880559 Неподвижная направляющая Деталей в узле: 1 26 | Art.: 880557 Подвижная направляющая Деталей в узле: 1 27 | Art.: 10-892456045 винт Деталей в узле: 2 28 | Art.: шпилька Деталей в узле: 2 29 | Art.: 11-401388 Гайка (М8), нержавеющая сталь Деталей в узле: 1 30 | Art.: винт (M8 x 35 мм) Деталей в узле: 1 - | Art.: набор прокладок силового агрегата Деталей в узле: 1 - | Art.: 61-895247A07 силовая головка в сборе Деталей в узле: 1 | |||||||||||||||||||||||||||||||||
