8/9.9 (209CC) 4-STROKE
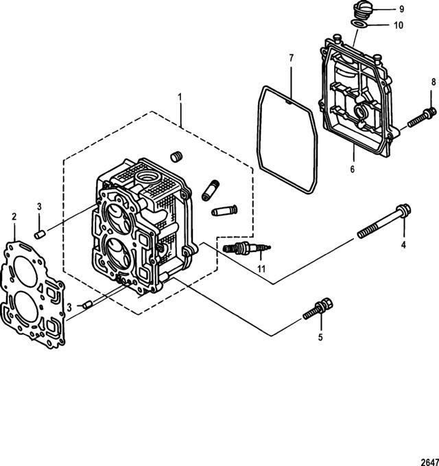
головка блока
головка блока
| № | Артикул | Наименование | Деталей в узле | Комментарий | Цена | |
| 1 | головка блока в сборе | 1 | 77870 руб. | |||
| 2 | Прокладка | 1 | цена по запросу | |||
| 3 | посадочный штифт | 2 | 250 руб. | |||
| 4 | болт | 6 | 410 руб. | |||
| 5 | болт | 3 | 210 руб. | |||
| 6 | крышка головки блока | 1 | Without Decal | 13480 руб. | ||
| 6 | крышка головки блока в сборе | 1 | With Decal | 13480 руб. | ||
| 7 | прокладка крышки головки блока цилиндров | 1 | 730 руб. | |||
| 8 | Болт, нержавеющая сталь | 4 | цена по запросу | |||
| 9 | Крышка масляного фильтра в сборе | 1 | цена по запросу | |||
| 10 | уплотнительное кольцо | 1 | 120 руб. | |||
| 11 | свеча зажигания, NGK#DCPR6E | 2 | цена по запросу | |||
| - | силовая головка в сборе | 1 | SN# 0R310615 & Up | цена по запросу | ||
| - | силовая головка в сборе | 1 | SN# 0R139509 THRU 0R310614 | цена по запросу | ||
| - | силовая головка в сборе | 1 | SN# 0R139508 & Below | цена по запросу | ||
| - | набор прокладок силового агрегата | 1 | 19030 руб. | |||
| - | головка блока в сборе | 1 | SN# 0R139509 & Up | 184010 руб. | ||
| - | наклейка - рекомендуемое масло | 1 | цена по запросу | |||
| - | головка блока в сборе | 1 | SN# 0R139508 & Below | 184010 руб. | ||
| 1 | Art.: 900-835430T03 головка блока в сборе Деталей в узле: 1 2 | Art.: 27-850836001 Прокладка Деталей в узле: 1 цена по запросу
3 | Art.: 17-16119 посадочный штифт Деталей в узле: 2 4 | Art.: болт Деталей в узле: 6 5 | Art.: 10-825009026 болт Деталей в узле: 3 6 | Art.: крышка головки блока (Without Decal)Деталей в узле: 1 6 | Art.: 834954A01 крышка головки блока в сборе (With Decal)Деталей в узле: 1 7 | Art.: 27-803508017 прокладка крышки головки блока цилиндров Деталей в узле: 1 8 | Art.: Болт, нержавеющая сталь Деталей в узле: 4 цена по запросу
9 | Art.: 859578A02 Крышка масляного фильтра в сборе Деталей в узле: 1 цена по запросу
10 | Art.: 25-803513007 уплотнительное кольцо Деталей в узле: 1 11 | Art.: 33-803507 свеча зажигания, NGK#DCPR6E Деталей в узле: 2 цена по запросу
- | Art.: 8M0046065 силовая головка в сборе (SN# 0R310615 & Up)Деталей в узле: 1 цена по запросу
- | Art.: силовая головка в сборе (SN# 0R139509 THRU 0R310614)Деталей в узле: 1 цена по запросу
- | силовая головка в сборе (SN# 0R139508 & Below)Деталей в узле: 1 цена по запросу
- | Art.: 27-835427A04 набор прокладок силового агрегата Деталей в узле: 1 - | Art.: 900-835430T07 головка блока в сборе (SN# 0R139509 & Up)Деталей в узле: 1 - | Art.: 37-892904009 наклейка - рекомендуемое масло Деталей в узле: 1 цена по запросу
- | Art.: головка блока в сборе (SN# 0R139508 & Below)Деталей в узле: 1 | ||||||||||||||||||||
