200/225/250 (3.0L) SEAPRO/MARATHON EFI
управление топливом
управление топливом
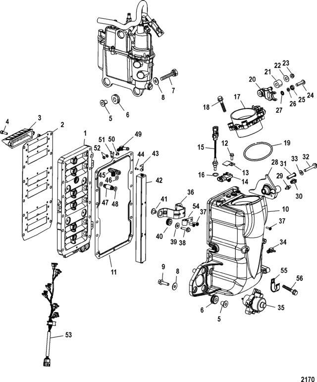
| № | Артикул | Наименование | Деталей в узле | Комментарий | Цена | |
| 1 | пластина переходника | 1 | 49820 руб. | |||
| 2 | Прокладка | 1 | 5550 руб. | |||
| 3 | блок лепестковых клапанов | 6 | 23010 руб. | |||
| 4 | винт (М6) | 12 | 320 руб. | |||
| 5 | вкладыш | 6 | 790 руб. | |||
| 6 | резиновая втулка | 6 | SN# 0T980000 & Up | 350 руб. | ||
| 6 | резиновая втулка | 6 | SN# 0T979999 & Below | 350 руб. | ||
| 7 | Винт (M8 x 35) | 3 | 480 руб. | |||
| 8 | Шайба (0.344 x 1.00 x 0.063) нержавеющая сталь | 6 | 180 руб. | |||
| 9 | Винт (M8 x 30) | 3 | 1140 руб. | |||
| 10 | PLENUM KIT, Air | 1 | 26720 руб. | |||
| 11 | Прокладка | 1 | SN# 0T979999 & Below | 14600 руб. | ||
| 11 | Прокладка | 1 | SN# 0T980000 & Up | 14600 руб. | ||
| 12 | Винт (M6 x 16) | 1 | 240 руб. | |||
| 13 | кронштейн датчика давления воздуха | 1 | 1520 руб. | |||
| 14 | датчик давления воздуха | 1 | 15300 руб. | |||
| 15 | датчик в сборе | 1 | 5060 руб. | |||
| 16 | уплотнительное кольцо (.351 x .072) | 1 | 1130 руб. | |||
| 17 | комплект корпуса дросселя | 1 | 58040 руб. | |||
| 18 | Винт (M6 x 40) | 4 | 750 руб. | |||
| 19 | уплотнительное кольцо | 1 | 4560 руб. | |||
| 20 | рычаг дроссельной заслонки в сборе | 1 | 4950 руб. | |||
| 21 | ролик | 1 | 2030 руб. | |||
| 22 | шайба (0.203 x 0.500 x 0.032) | 1 | цена по запросу | |||
| 23 | гайка (#8-32) нержавеющая сталь | 1 | 320 руб. | |||
| 24 | винт специальный | 1 | цена по запросу | |||
| 25 | чашеобразная шайба | 1 | цена по запросу | |||
| 26 | WASHER, Spool | 1 | снято с производства | |||
| 27 | внешняя стопорная шайба (#10) | 1 | 120 руб. | |||
| 28 | кулачок в сборе | 1 | SN# 0T979999 & Below | цена по запросу | ||
| 28 | кулачок в сборе | 1 | SN# 0T980000 & Up | цена по запросу | ||
| 29 | BALL, Threaded | 1 | 5600 руб. | |||
| 30 | вкладыш | 1 | 1610 руб. | |||
| 31 | вкладыш | 1 | 4130 руб. | |||
| 32 | винт (M8 x 55) нержавеющая сталь | 1 | 530 руб. | |||
| 33 | шайба (0.330 x 0.750 x 0.060) нержавеющая сталь | 1 | 250 руб. | |||
| 34 | фиттинг | 1 | 2110 руб. | |||
| 35 | Насос в сборе | 1 | цена по запросу | |||
| 36 | кронштейн | 2 | цена по запросу | |||
| 37 | Винт (М4 х 16) | 6 | 390 руб. | |||
| 38 | Винт (M6 x 25) | 4 | 360 руб. | |||
| 39 | шайба | 4 | цена по запросу | |||
| 40 | резиновая втулка | 4 | 300 руб. | |||
| 41 | вкладыш | 4 | 340 руб. | |||
| 42 | топливная направляющая | 1 | 16220 руб. | |||
| 43 | фиксатор | 7 | снято с производства | |||
| 44 | винт (#8-32 x 0.380) | 7 | 360 руб. | |||
| 45 | форсунка в сборе | 6 | SN# 0T979999 & Below | 60390 руб. | ||
| 45 | форсунка в сборе | 6 | SN# 0T980000 & Up | 60390 руб. | ||
| 46 | комплект уплотнительных колец | 6 | 7600 руб. | |||
| 47 | Труба | 1 | 7360 руб. | |||
| 48 | уплотнительное кольцо | 2 | 240 руб. | |||
| 49 | фиттинг | 1 | 3680 руб. | |||
| 50 | винт (#10-24 x .375) | 1 | 250 руб. | |||
| 51 | фиксатор | 1 | 1390 руб. | |||
| 52 | уплотнительное кольцо (.239 x .070) | 2 | 170 руб. | |||
| 53 | жгут проводов топливной направляющей | 1 | 41830 руб. | |||
| 54 | зажим | 2 | снято с производства | |||
| 55 | J CLIP (Use where Applicable) | 2 | цена по запросу | |||
| 56 | Винт (M6 x 40) | 12 | 750 руб. | |||
| - | силовая головка в сборе | 1 | (225) | 2001040 руб. | ||
| - | силовая головка в сборе | 1 | (3L Work) | цена по запросу | ||
| - | силовая головка в сборе | 1 | (250) | 2016780 руб. | ||
| - | силовая головка в сборе | 1 | (200) | 2000950 руб. | ||
| - | MANAGEMENT ASSEMBLY, Fuel | 1 | 366020 руб. | |||
| - | набор прокладок силового агрегата | 1 | 22150 руб. | |||
| 1 | Art.: 883951T1 пластина переходника Деталей в узле: 1 2 | Art.: 27-804680 Прокладка Деталей в узле: 1 3 | Art.: 828623T4 блок лепестковых клапанов Деталей в узле: 6 4 | Art.: 10-8555252 винт (М6) Деталей в узле: 12 5 | Art.: 23-855364 вкладыш Деталей в узле: 6 6 | Art.: 25-855362001 резиновая втулка (SN# 0T980000 & Up)Деталей в узле: 6 6 | Art.: резиновая втулка (SN# 0T979999 & Below)Деталей в узле: 6 7 | Art.: 10-81893435 Винт (M8 x 35) Деталей в узле: 3 8 | Art.: 12-817274 Шайба (0.344 x 1.00 x 0.063) нержавеющая сталь Деталей в узле: 6 9 | Art.: 10-81893430 Винт (M8 x 30) Деталей в узле: 3 10 | Art.: 883950T1 PLENUM KIT, Air Деталей в узле: 1 11 | Art.: Прокладка (SN# 0T979999 & Below)Деталей в узле: 1 11 | Art.: 27-804679004 Прокладка (SN# 0T980000 & Up)Деталей в узле: 1 12 | Art.: 10-1993716 Винт (M6 x 16) Деталей в узле: 1 13 | Art.: 884522 кронштейн датчика давления воздуха Деталей в узле: 1 14 | Art.: 854445 датчик давления воздуха Деталей в узле: 1 15 | датчик в сборе Деталей в узле: 1 16 | Art.: уплотнительное кольцо (.351 x .072) Деталей в узле: 1 17 | Art.: 883949T1 комплект корпуса дросселя Деталей в узле: 1 18 | Art.: 10-82130040 Винт (M6 x 40) Деталей в узле: 4 19 | Art.: 25-855426 уплотнительное кольцо Деталей в узле: 1 20 | Art.: 858851A03 рычаг дроссельной заслонки в сборе Деталей в узле: 1 21 | Art.: ролик Деталей в узле: 1 22 | Art.: 12-56681 шайба (0.203 x 0.500 x 0.032) Деталей в узле: 1 цена по запросу
23 | Art.: 11-826709104 гайка (#8-32) нержавеющая сталь Деталей в узле: 1 24 | Art.: 10-889354 винт специальный Деталей в узле: 1 цена по запросу
25 | Art.: 12-881991 чашеобразная шайба Деталей в узле: 1 цена по запросу
26 | Art.: 12-881992 WASHER, Spool Деталей в узле: 1 снято с производства 27 | Art.: 13-69432 внешняя стопорная шайба (#10) Деталей в узле: 1 28 | Art.: кулачок в сборе (SN# 0T979999 & Below)Деталей в узле: 1 цена по запросу
28 | Art.: 858353A08 кулачок в сборе (SN# 0T980000 & Up)Деталей в узле: 1 цена по запросу
29 | Art.: 8235694 BALL, Threaded Деталей в узле: 1 30 | Art.: вкладыш Деталей в узле: 1 31 | Art.: 23-8807371 вкладыш Деталей в узле: 1 32 | Art.: 10-40011155 винт (M8 x 55) нержавеющая сталь Деталей в узле: 1 33 | Art.: 12-56720 шайба (0.330 x 0.750 x 0.060) нержавеющая сталь Деталей в узле: 1 34 | Art.: 22-993211 фиттинг Деталей в узле: 1 35 | Насос в сборе Деталей в узле: 1 цена по запросу
36 | Art.: 883926 кронштейн Деталей в узле: 2 цена по запросу
37 | Art.: 10-883942 Винт (М4 х 16) Деталей в узле: 6 38 | Art.: 10-82130025 Винт (M6 x 25) Деталей в узле: 4 39 | Art.: 12-4002316 шайба Деталей в узле: 4 цена по запросу
40 | Art.: 25-834985 резиновая втулка Деталей в узле: 4 41 | Art.: 23-822003 вкладыш Деталей в узле: 4 42 | Art.: 883952T1 топливная направляющая Деталей в узле: 1 43 | Art.: 8833821 фиксатор Деталей в узле: 7 снято с производства 44 | Art.: 10-840118 винт (#8-32 x 0.380) Деталей в узле: 7 45 | Art.: форсунка в сборе (SN# 0T979999 & Below)Деталей в узле: 6 45 | Art.: 840481T01 форсунка в сборе (SN# 0T980000 & Up)Деталей в узле: 6 46 | Art.: 25-895239A01 комплект уплотнительных колец Деталей в узле: 6 47 | Art.: 8832151 Труба Деталей в узле: 1 48 | Art.: 25-883355 уплотнительное кольцо Деталей в узле: 2 49 | Art.: 22-883940 фиттинг Деталей в узле: 1 50 | Art.: 10-883376 винт (#10-24 x .375) Деталей в узле: 1 51 | Art.: 883382 фиксатор Деталей в узле: 1 52 | Art.: 25-20385 уплотнительное кольцо (.239 x .070) Деталей в узле: 2 53 | Art.: 84-880745T1 жгут проводов топливной направляющей Деталей в узле: 1 54 | Art.: 54-883941 зажим Деталей в узле: 2 снято с производства 55 | Art.: 54-65292 J CLIP (Use where Applicable) Деталей в узле: 2 цена по запросу
56 | Art.: 10-82130040 Винт (M6 x 40) Деталей в узле: 12 - | Art.: силовая головка в сборе ((225))Деталей в узле: 1 - | Art.: силовая головка в сборе ((3L Work))Деталей в узле: 1 цена по запросу
- | Art.: силовая головка в сборе ((250))Деталей в узле: 1 - | Art.: силовая головка в сборе ((200))Деталей в узле: 1 - | Art.: MANAGEMENT ASSEMBLY, Fuel Деталей в узле: 1 - | Art.: 27-832934A00 набор прокладок силового агрегата Деталей в узле: 1 | |||||||||||||||||||||||||||||||||||||||||||||||||||||||||||||||||||
