150/175/200 EFI
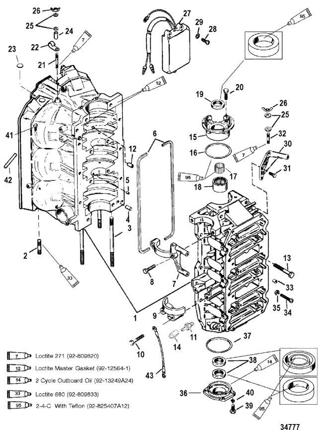
Блок цилиндров и торцевые крышки
Блок цилиндров и торцевые крышки
| № | Артикул | Наименование | Деталей в узле | Комментарий | Цена | |
| 1 | Блок цилиндров | 1 | (150) | снято с производства | ||
| 1 | Блок цилиндров | 1 | (175) | снято с производства | ||
| 1 | Блок цилиндров | 1 | (200) | снято с производства | ||
| 2 | STUD, Powerhead (1-3/4 IN.) | 6 | 1370 руб. | |||
| 3 | STUD, (.375 x 5.620) | 2 | 1190 руб. | |||
| 3 | STUD, (.375 x 6.870) | 2 | 1560 руб. | |||
| 4 | посадочный штифт без отверстия (0.375 x 0.625) | 2 | 270 руб. | |||
| 5 | стержень обоймы подшипника | 2 | 410 руб. | |||
| 6 | Прокладка | 2 | 210 руб. | |||
| 7 | крышка верхняя | 1 | цена по запросу | |||
| 8 | SCREW, (.312-18 x 1.500) Hex Flange | 2 | 180 руб. | |||
| 9 | крышка нижняя | 1 | 3730 руб. | |||
| 10 | SCREW, (.312-18 x 2.00) Hex Flange | 2 | 230 руб. | |||
| 11 | обратный клапан | 1 | цена по запросу | |||
| 12 | вкладыш | 1 | 460 руб. | |||
| 13 | винт (0.375-16 x 3.250) | 8 | 560 руб. | |||
| 13 | винт (0.312-18 x 1.250) | 6 | 200 руб. | |||
| 14 | NSS | не продается по отдельности, пробка | 1 | |||
| 15 | Верхняя торцевая крышка в сборе | 1 | 51300 руб. | |||
| 16 | уплотнительное кольцо (2.800 x 0.103) | 1 | 620 руб. | |||
| 17 | комплект подшипника | 1 | 14700 руб. | |||
| 18 | NSS | NOT SOLD SEPARATE, Race | 1 | |||
| 19 | Уплотнение | 1 | 2490 руб. | |||
| 20 | винт и стопорная шайба (.312-18 x 1.00) | 4 | цена по запросу | |||
| 21 | шпилька (0.190-32 x 1.870) | 1 | цена по запросу | |||
| 22 | J-образный зажим | 1 | 70 руб. | |||
| 23 | NSS | NOT SOLD SEPARATE, Plug-Serial Number | 1 | |||
| 24 | проставка | 1 | 570 руб. | |||
| 25 | шайба (.187 x .500 x .062) неопрен | 3 | цена по запросу | |||
| 26 | барашковая гайка (#10-32) | 3 | 560 руб. | |||
| 27 | IDLE SPEED CONTROL | 1 | цена по запросу | |||
| 28 | винт (#10-32 x 0.875) | 3 | 270 руб. | |||
| 29 | шайба (0.192 x 0.375 x 0.0312), нержавеющая сталь | 3 | 220 руб. | |||
| 30 | кронштейн | 1 | 7250 руб. | |||
| 31 | винт (0.250-20 x 0.750) | 2 | 120 руб. | |||
| 32 | шпилька (#10-32 x 1.00) | 2 | 1190 руб. | |||
| 33 | нейлоновая крышка | 1 | 500 руб. | |||
| 34 | винт (0.250-20 x 2.125) | 1 | 400 руб. | |||
| 35 | Гайка (0.250-20) | 1 | 240 руб. | |||
| 36 | торцевая крышка в сборе | 1 | 35600 руб. | |||
| 37 | уплотнительное кольцо (3.237 x 0.103) | 1 | 510 руб. | |||
| 38 | Уплотнение | 2 | 2490 руб. | |||
| 39 | винт (0.250-20 x 0.750) | 4 | 220 руб. | |||
| 40 | стопорная шайба (0.250), нержавеющая сталь | 4 | 90 руб. | |||
| 41 | угловой фиттинг | 6 | 2850 руб. | |||
| 42 | Крышка | 6 | 560 руб. | |||
| 43 | Кабель в сборе | 1 | 2170 руб. | |||
| - | Набор прокладок двигателя | 1 | 29780 руб. | |||
| - | силовая головка в сборе | 1 | (150) | снято с производства | ||
| - | силовая головка в сборе | 1 | (175) | снято с производства | ||
| - | силовая головка в сборе | 1 | (200) | снято с производства | ||
| 1 | Art.: 884-9763T23 Блок цилиндров ((150))Деталей в узле: 1 снято с производства 1 | Art.: 884-9763T17 Блок цилиндров ((175))Деталей в узле: 1 снято с производства 1 | Art.: 884-9763T61 Блок цилиндров ((200))Деталей в узле: 1 снято с производства 2 | STUD, Powerhead (1-3/4 IN.) Деталей в узле: 6 3 | Art.: STUD, (.375 x 5.620) Деталей в узле: 2 3 | STUD, (.375 x 6.870) Деталей в узле: 2 4 | Art.: 17-43044 посадочный штифт без отверстия (0.375 x 0.625) Деталей в узле: 2 5 | Art.: стержень обоймы подшипника Деталей в узле: 2 6 | Art.: 27-11338 Прокладка Деталей в узле: 2 7 | крышка верхняя Деталей в узле: 1 цена по запросу
8 | Art.: 10-828213 SCREW, (.312-18 x 1.500) Hex Flange Деталей в узле: 2 9 | Art.: 76867 крышка нижняя Деталей в узле: 1 10 | Art.: 10-828214 SCREW, (.312-18 x 2.00) Hex Flange Деталей в узле: 2 11 | обратный клапан Деталей в узле: 1 цена по запросу 12 | Art.: 23-99448 вкладыш Деталей в узле: 1 13 | Art.: 10-66717 винт (0.375-16 x 3.250) Деталей в узле: 8 13 | Art.: 10-74824 винт (0.312-18 x 1.250) Деталей в узле: 6 14 | Art.: -NSS не продается по отдельности, пробка Деталей в узле: 1 15 | Верхняя торцевая крышка в сборе Деталей в узле: 1 16 | Art.: 25-54029 уплотнительное кольцо (2.800 x 0.103) Деталей в узле: 1 17 | Art.: 31-16756A4 комплект подшипника Деталей в узле: 1 18 | Art.: -NSS NOT SOLD SEPARATE, Race Деталей в узле: 1 19 | Art.: 26-41953 Уплотнение Деталей в узле: 1 20 | Art.: винт и стопорная шайба (.312-18 x 1.00) Деталей в узле: 4 цена по запросу 21 | Art.: 16-15094 шпилька (0.190-32 x 1.870) Деталей в узле: 1 цена по запросу
22 | Art.: 54-63153 J-образный зажим Деталей в узле: 1 23 | Art.: -NSS NOT SOLD SEPARATE, Plug-Serial Number Деталей в узле: 1 24 | Art.: 23-67269 проставка Деталей в узле: 1 25 | Art.: 12-49221 шайба (.187 x .500 x .062) неопрен Деталей в узле: 3 цена по запросу
26 | Art.: 11-816874 барашковая гайка (#10-32) Деталей в узле: 3 27 | Art.: 87076A10 IDLE SPEED CONTROL Деталей в узле: 1 цена по запросу
28 | Art.: винт (#10-32 x 0.875) Деталей в узле: 3 29 | Art.: 12-30164 шайба (0.192 x 0.375 x 0.0312), нержавеющая сталь Деталей в узле: 3 30 | Art.: кронштейн Деталей в узле: 1 31 | Art.: 10-49668 винт (0.250-20 x 0.750) Деталей в узле: 2 32 | Art.: шпилька (#10-32 x 1.00) Деталей в узле: 2 33 | Art.: 26852 нейлоновая крышка Деталей в узле: 1 34 | Art.: 10-64022 винт (0.250-20 x 2.125) Деталей в узле: 1 35 | Art.: 11-64015 Гайка (0.250-20) Деталей в узле: 1 36 | Art.: торцевая крышка в сборе Деталей в узле: 1 37 | Art.: 25-62700 уплотнительное кольцо (3.237 x 0.103) Деталей в узле: 1 38 | Art.: 26-41953 Уплотнение Деталей в узле: 2 39 | Art.: 10-28636 винт (0.250-20 x 0.750) Деталей в узле: 4 40 | Art.: 13-26992 стопорная шайба (0.250), нержавеющая сталь Деталей в узле: 4 41 | Art.: 22-822715 угловой фиттинг Деталей в узле: 6 42 | Art.: 22-15026 Крышка Деталей в узле: 6 43 | Art.: 84-88807A20 Кабель в сборе Деталей в узле: 1 - | Art.: 27-815791A92 Набор прокладок двигателя Деталей в узле: 1 |
