30/40 (2 CYLINDER) 2-STROKE
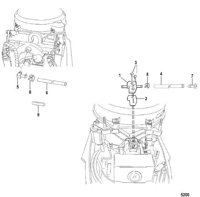
Heater Manifold
Heater Manifold
| № | Артикул | Наименование | Деталей в узле | Комментарий | Цена | |
| 1 | MANIFOLD ASSEMBLY, Heater | 1 | снято с производства | |||
| 2 | Прокладка | 1 | 1080 руб. | |||
| 3 | винт (#8-32 x 0.380) | 2 | 110 руб. | |||
| 4 | HOSE, (.187) (26.00 Inches Bulk) (Cut to 17 Inch Length) | 1 | 3440 руб. | |||
| 5 | штуцер-колено - 90 градусов | 1 | 1790 руб. | |||
| 6 | шланг (0.187, длина 26") | 1 | 3440 руб. | |||
| 7 | фиттинг | 1 | 650 руб. | |||
| 8 | ленточный хомут (8") | AR | 40 руб. | |||
| 9 | Крышка | 2 | 560 руб. | |||
| 1 | Art.: 828155A1 MANIFOLD ASSEMBLY, Heater Деталей в узле: 1 снято с производства 2 | Art.: 27-826138 Прокладка Деталей в узле: 1 3 | Art.: 10-20597 винт (#8-32 x 0.380) Деталей в узле: 2 4 | Art.: 32-9912878 HOSE, (.187) (26.00 Inches Bulk) (Cut to 17 Inch Length) Деталей в узле: 1 5 | Art.: штуцер-колено - 90 градусов Деталей в узле: 1 6 | Art.: 32-9912878 шланг (0.187, длина 26") Деталей в узле: 1 7 | Art.: 19-828167 фиттинг Деталей в узле: 1 8 | Art.: 54-816311T ленточный хомут (8") Деталей в узле: AR 9 | Art.: 22-15026 Крышка Деталей в узле: 2 | ||||||||||
