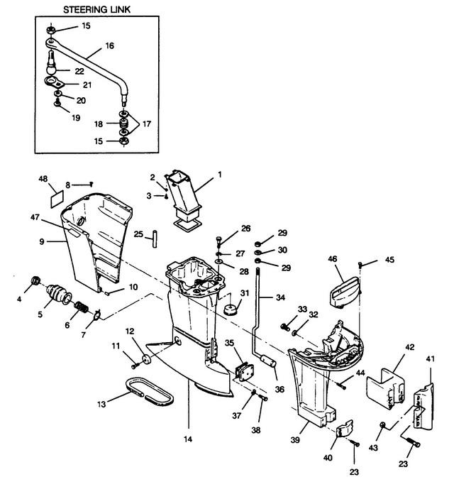
FORCE 1989 85 H.P. "D" MODELS
MOTOR LEG
MOTOR LEG
| № | Артикул | Наименование | Деталей в узле | Комментарий | Цена | |
| 1 | выпускная труба | 1 | снято с производства | |||
| 2 | SPRING LOCKWASHER | 4 | цена по запросу | |||
| 3 | HEX SLOT HD. SCREW, 1/4 - 20 X 3/4 | 4 | цена по запросу | |||
| 4 | Палец-вкладыш | 1 | снято с производства | |||
| 5 | BOOT, IDLE EXHAUST | 1 | 3070 руб. | |||
| 6 | Пружина | 1 | 410 руб. | |||
| 7 | зажим | 1 | цена по запросу | |||
| 8 | пробка | 2 | снято с производства | |||
| 9 | COVER, MOTOR LEG REAR | 1 | цена по запросу | |||
| 10 | SPRING PIN | 2 | цена по запросу | |||
| 11 | HEX SOCKET HD. CAP SCREW, 5/16 - 18 X 9/16 | 2 | цена по запросу | |||
| 12 | MOUNT, LOWER REAR SHOCK | 2 | снято с производства | |||
| 13 | Уплотнение | 1 | снято с производства | |||
| 14 | MOTOR LEG (20 INCH MODELS) | 1 | цена по запросу | |||
| 15 | STOP NUT, 3/8 - 24 | 2 | цена по запросу | |||
| 16 | STEERING LINK KIT | 1 | цена по запросу | |||
| 17 | шайба | 2 | цена по запросу | |||
| 18 | Пружина | 1 | цена по запросу | |||
| 19 | PAN HD. SCREW, 8 - 32 X 1/4 | 1 | цена по запросу | |||
| 20 | SPRING LOCKWASHER | 1 | цена по запросу | |||
| 21 | фиксатор | 1 | снято с производства | |||
| 22 | шпилька | 1 | снято с производства | |||
| 23 | HEX BOLT, 5/16 - 18 X 1 | 8 | цена по запросу | |||
| 24 | уплотнение выпускной трубы | 1 | снято с производства | |||
| 25 | STAND TUBE | 2 | снято с производства | |||
| 26 | HEX HD. SCREW, 3/8 - 16 X 3/4 | 4 | цена по запросу | |||
| 27 | шайба | 2 | цена по запросу | |||
| 28 | WASHER SET | 2 | снято с производства | |||
| 29 | LOCKNUT | 2 | снято с производства | |||
| 30 | шайба | 1 | цена по запросу | |||
| 31 | MOUNT, UPPER SHOCK | 2 | снято с производства | |||
| 32 | SPRING, LOCKWASHER | 2 | цена по запросу | |||
| 33 | HEX HD. SCREW, 3/8 - 16 X 3/4 | 4 | цена по запросу | |||
| 34 | ROD, GEAR SHIFT UPPER (20 INCH MODELS) | 1 | снято с производства | |||
| 35 | MOUNT, LOWER SHOCK | 1 | снято с производства | |||
| 36 | COUPLER, GEAR SHIFT ROD | 1 | цена по запросу | |||
| 37 | SPRING LOCKWASHER | 4 | цена по запросу | |||
| 38 | HEX BOLT, 5/16 - 18 X 7/8 | 4 | цена по запросу | |||
| 39 | COVER, FRONT LEG | 1 | снято с производства | |||
| 40 | CAP, KING PIN (20 INCH MODELS) | 1 | снято с производства | |||
| 41 | CAP, KING PIN (25 INCH MODELS) | 1 | снято с производства | |||
| 42 | COVER, SHOCK MOUNT LOWER (25 INCH MODELS) | 1 | снято с производства | |||
| 43 | HEX NUT, 5/16 - 18 | 4 | цена по запросу | |||
| 44 | HEX HD. CAP SCREW, 1/4 - 20 X 1-1/4 | 6 | 310 руб. | |||
| 45 | HEX HD. SCREW, 10 - 24 X 1/2 | 4 | снято с производства | |||
| 46 | BAFFLE, AIR INTAKE | 1 | снято с производства | |||
| 47 | DECAL (FORCE & MAXUM MODELS) | 2 | снято с производства | |||
| 48 | DECAL (FORCE & MAXUM MODELS) | 1 | снято с производства | |||
| - | DECAL (BAYLINER & SPECTRUM MODELS) | 2 | снято с производства | |||
| - | MOTOR LEG (25 INCH MODELS) | 1 | снято с производства | |||
| - | ROD, GEAR SHIFT UPPER (25 INCH MODELS) | 1 | цена по запросу | |||
| - | DECAL (BAYLINER & SPECTRUM MODELS) | 1 | снято с производства | |||
| 1 | Art.: F85660-1 выпускная труба Деталей в узле: 1 снято с производства 2 | Art.: SPRING LOCKWASHER Деталей в узле: 4 цена по запросу 3 | Art.: HEX SLOT HD. SCREW, 1/4 - 20 X 3/4 Деталей в узле: 4 цена по запросу 4 | Art.: Палец-вкладыш Деталей в узле: 1 снято с производства 5 | BOOT, IDLE EXHAUST Деталей в узле: 1 6 | Art.: F85380 Пружина Деталей в узле: 1 7 | Art.: F85772 зажим Деталей в узле: 1 цена по запросу
8 | Art.: F1729 пробка Деталей в узле: 2 снято с производства 9 | COVER, MOTOR LEG REAR Деталей в узле: 1 цена по запросу 10 | Art.: F1664 SPRING PIN Деталей в узле: 2 цена по запросу
11 | Art.: F1263 HEX SOCKET HD. CAP SCREW, 5/16 - 18 X 9/16 Деталей в узле: 2 цена по запросу
12 | Art.: F438962 MOUNT, LOWER REAR SHOCK Деталей в узле: 2 снято с производства 13 | Art.: F178323 Уплотнение Деталей в узле: 1 снято с производства 14 | MOTOR LEG (20 INCH MODELS) Деталей в узле: 1 цена по запросу 15 | Art.: STOP NUT, 3/8 - 24 Деталей в узле: 2 цена по запросу 16 | Art.: F5H094 STEERING LINK KIT Деталей в узле: 1 цена по запросу
17 | Art.: шайба Деталей в узле: 2 цена по запросу 18 | Art.: F523300-1 Пружина Деталей в узле: 1 цена по запросу
19 | Art.: F1280 PAN HD. SCREW, 8 - 32 X 1/4 Деталей в узле: 1 цена по запросу
20 | Art.: SPRING LOCKWASHER Деталей в узле: 1 цена по запросу 21 | Art.: F523930 фиксатор Деталей в узле: 1 снято с производства 22 | Art.: F523273 шпилька Деталей в узле: 1 снято с производства 23 | Art.: HEX BOLT, 5/16 - 18 X 1 Деталей в узле: 8 цена по запросу 24 | Art.: F439736 уплотнение выпускной трубы Деталей в узле: 1 снято с производства 25 | Art.: STAND TUBE Деталей в узле: 2 снято с производства 26 | Art.: HEX HD. SCREW, 3/8 - 16 X 3/4 Деталей в узле: 4 цена по запросу 27 | Art.: шайба Деталей в узле: 2 цена по запросу 28 | Art.: FA85355-1 WASHER SET Деталей в узле: 2 снято с производства 29 | Art.: F2108 LOCKNUT Деталей в узле: 2 снято с производства 30 | Art.: шайба Деталей в узле: 1 цена по запросу 31 | Art.: F85965 MOUNT, UPPER SHOCK Деталей в узле: 2 снято с производства 32 | Art.: SPRING, LOCKWASHER Деталей в узле: 2 цена по запросу 33 | Art.: HEX HD. SCREW, 3/8 - 16 X 3/4 Деталей в узле: 4 цена по запросу 34 | Art.: F85615-1 ROD, GEAR SHIFT UPPER (20 INCH MODELS) Деталей в узле: 1 снято с производства 35 | Art.: MOUNT, LOWER SHOCK Деталей в узле: 1 снято с производства 36 | Art.: F85704 COUPLER, GEAR SHIFT ROD Деталей в узле: 1 цена по запросу
37 | Art.: SPRING LOCKWASHER Деталей в узле: 4 цена по запросу 38 | Art.: HEX BOLT, 5/16 - 18 X 7/8 Деталей в узле: 4 цена по запросу 39 | COVER, FRONT LEG Деталей в узле: 1 снято с производства 40 | Art.: CAP, KING PIN (20 INCH MODELS) Деталей в узле: 1 снято с производства 41 | Art.: CAP, KING PIN (25 INCH MODELS) Деталей в узле: 1 снято с производства 42 | Art.: COVER, SHOCK MOUNT LOWER (25 INCH MODELS) Деталей в узле: 1 снято с производства 43 | Art.: HEX NUT, 5/16 - 18 Деталей в узле: 4 цена по запросу 44 | Art.: F2030 HEX HD. CAP SCREW, 1/4 - 20 X 1-1/4 Деталей в узле: 6 45 | Art.: F1912 HEX HD. SCREW, 10 - 24 X 1/2 Деталей в узле: 4 снято с производства 46 | Art.: BAFFLE, AIR INTAKE Деталей в узле: 1 снято с производства 47 | Art.: F690893-1 DECAL (FORCE & MAXUM MODELS) Деталей в узле: 2 снято с производства 48 | Art.: F690374 DECAL (FORCE & MAXUM MODELS) Деталей в узле: 1 снято с производства - | Art.: 37-8180211 DECAL (BAYLINER & SPECTRUM MODELS) Деталей в узле: 2 снято с производства - | MOTOR LEG (25 INCH MODELS) Деталей в узле: 1 |
