200/225/250/275/300 4-STROKE VERADO (6 CYLINDER)
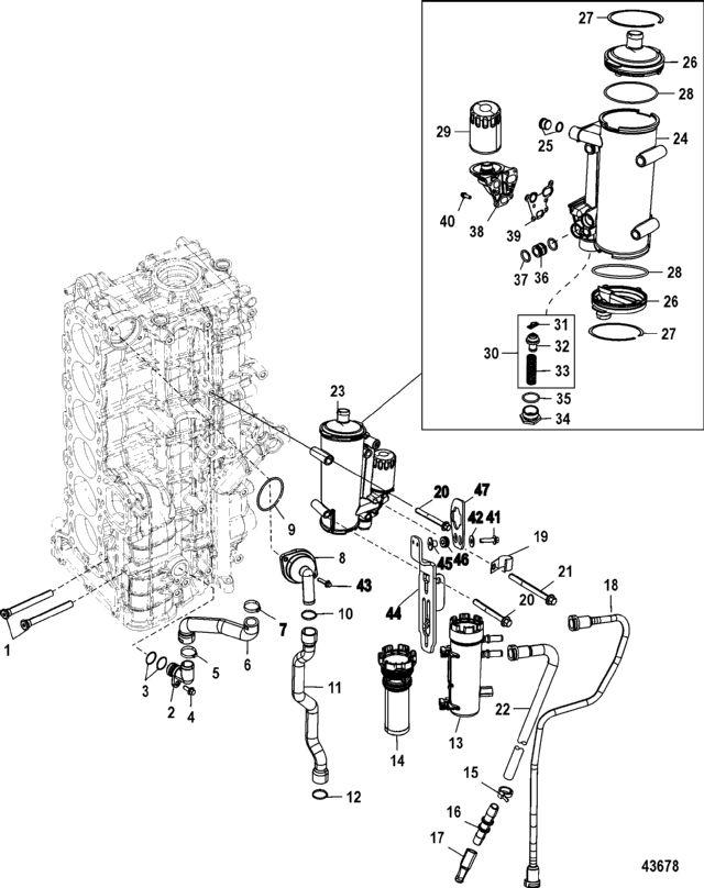
правый блок цилиндров и охладитель масла (сер.№1B830816 и позже)
правый блок цилиндров и охладитель масла (сер.№1B830816 и позже)
| № | Артикул | Наименование | Деталей в узле | Комментарий | Цена | |
| 1 | водяной дефлектор в сборе | 2 | 1640 руб. | |||
| 2 | фиттинг в сборе | 1 | 1080 руб. | |||
| 3 | уплотнительное кольцо | 2 | 420 руб. | |||
| 4 | винт (M6 x 16 мм) нержавеющая сталь | 1 | 280 руб. | |||
| 5 | зажим (38.1 мм) | 1 | 550 руб. | |||
| 6 | Шланг | 1 | 3630 руб. | |||
| 7 | зажим (34.6 мм) | 1 | цена по запросу | |||
| 8 | термостат в сборе | 1 | цена по запросу | |||
| 9 | уплотнительное кольцо | 1 | 310 руб. | |||
| 10 | зажим (36.1 мм) | 1 | цена по запросу | |||
| 11 | шланг термостата | 1 | 4850 руб. | |||
| 12 | зажим (42.5 мм) | 1 | 470 руб. | |||
| 13 | Топливный фильтр | 1 | 16320 руб. | |||
| 14 | Топливный фильтр | 1 | 5980 руб. | |||
| 15 | ленточный хомут (8") | 1 | 30 руб. | |||
| 16 | соединитель | 1 | 290 руб. | |||
| 17 | GRAB TAB | 1 | 190 руб. | |||
| 18 | Шланг топливо-подкачивающего насоса | 1 | 6440 руб. | |||
| 19 | J-образный зажим | 1 | 500 руб. | |||
| 20 | винт (M10 x 85) | 3 | цена по запросу | |||
| 21 | винт (M10 x 105) | 1 | цена по запросу | |||
| 22 | HOSE ASSMEBLY, Fuel Inlet, 8.2 Inch | 1 | 7780 руб. | |||
| 23 | MODULE, Integrated Oil, Complete | 1 | SN# 1B830816 & Up | цена по запросу | ||
| 24 | NSS | NOT SOLD SEPARATE, OIL COOLER HOUSING | 1 | |||
| 25 | пробка (18 мм) | 2 | 3240 руб. | |||
| 26 | торцевая крышка в сборе | 2 | 7590 руб. | |||
| 27 | стопорное кольцо | 1 | 3330 руб. | |||
| 28 | уплотнительное кольцо | 1 | 210 руб. | |||
| 29 | масляный фильтр (Mercury) | 1 | 1690 руб. | |||
| 30 | термостат в сборе | 1 | 13740 руб. | |||
| 31 | NSS | NOT SOLD SEPARATE, Thermostat Stop | 1 | |||
| 32 | термостат | 1 | снято с производства | |||
| 33 | NSS | Не продается по отдельности, пружина | 1 | |||
| 34 | пробка | 1 | 9180 руб. | |||
| 35 | NSS | не продается по отдельности, уплотнительное кольцо | 1 | |||
| 36 | Переходник в сборе | 1 | (Contains 2 Adaptors) | 9560 руб. | ||
| 37 | NSS | не продается по отдельности, уплотнительное кольцо | 4 | |||
| 38 | Корпус в сборе | 1 | 73580 руб. | |||
| 39 | Прокладка | 1 | 2950 руб. | |||
| 40 | винт (M6 x 18) | 2 | снято с производства | |||
| 41 | винт (M6 x 25 мм) | 2 | 320 руб. | |||
| 42 | Шайба (0.265 x 0.750 x 0.048), нержавеющая сталь | 2 | 220 руб. | |||
| 43 | винт (M6 x 25 мм) нержавеющая сталь | 2 | 280 руб. | |||
| 44 | кронштейн | 1 | 1300 руб. | |||
| 45 | вкладыш | 2 | 320 руб. | |||
| 46 | резиновая втулка | 2 | 280 руб. | |||
| 47 | кронштейн | 1 | 840 руб. | |||
| - | набор прокладок силового агрегата | 1 | 43130 руб. | |||
| - | силовая головка в сборе | 1 | 2173980 руб. | |||
| 1 | Art.: 892404A05 водяной дефлектор в сборе Деталей в узле: 2 2 | Art.: 22-885518A02 фиттинг в сборе Деталей в узле: 1 3 | Art.: 25-62701 уплотнительное кольцо Деталей в узле: 2 4 | Art.: винт (M6 x 16 мм) нержавеющая сталь Деталей в узле: 1 5 | Art.: 54-888988011 зажим (38.1 мм) Деталей в узле: 1 6 | Art.: 32-888930003 Шланг Деталей в узле: 1 7 | Art.: 54-888988008 зажим (34.6 мм) Деталей в узле: 1 цена по запросу
8 | Art.: 892864T04 термостат в сборе Деталей в узле: 1 цена по запросу
9 | Art.: 25-8M0005958 уплотнительное кольцо Деталей в узле: 1 10 | Art.: 54-888988001 зажим (36.1 мм) Деталей в узле: 1 цена по запросу
11 | Art.: 32-892865 шланг термостата Деталей в узле: 1 12 | Art.: 54-888988007 зажим (42.5 мм) Деталей в узле: 1 13 | Art.: Топливный фильтр Деталей в узле: 1 14 | Art.: Топливный фильтр Деталей в узле: 1 15 | Art.: 54-816311T ленточный хомут (8") Деталей в узле: 1 16 | Art.: 22-892356 соединитель Деталей в узле: 1 17 | Art.: 19-863156 GRAB TAB Деталей в узле: 1 18 | Шланг топливо-подкачивающего насоса Деталей в узле: 1 19 | Art.: 54-78945 J-образный зажим Деталей в узле: 1 20 | Art.: 10-88552785 винт (M10 x 85) Деталей в узле: 3 цена по запросу
21 | Art.: 10-885527105 винт (M10 x 105) Деталей в узле: 1 цена по запросу
22 | Art.: 32-8M0046557 HOSE ASSMEBLY, Fuel Inlet, 8.2 Inch Деталей в узле: 1 23 | MODULE, Integrated Oil, Complete (SN# 1B830816 & Up)Деталей в узле: 1 цена по запросу 24 | Art.: -NSS NOT SOLD SEPARATE, OIL COOLER HOUSING Деталей в узле: 1 25 | Art.: 19-891953 пробка (18 мм) Деталей в узле: 2 26 | Art.: 8M0046698 торцевая крышка в сборе Деталей в узле: 2 27 | Art.: 53-8M0039464 стопорное кольцо Деталей в узле: 1 28 | Art.: 25-8M0039516 уплотнительное кольцо Деталей в узле: 1 29 | Art.: 35-877769K01 масляный фильтр (Mercury) Деталей в узле: 1 30 | Art.: 8M0046693 термостат в сборе Деталей в узле: 1 31 | Art.: -NSS NOT SOLD SEPARATE, Thermostat Stop Деталей в узле: 1 32 | Art.: 8M0041064 термостат Деталей в узле: 1 снято с производства 33 | Art.: -NSS Не продается по отдельности, пружина Деталей в узле: 1 34 | Art.: 19-8M0046697 пробка Деталей в узле: 1 35 | Art.: -NSS не продается по отдельности, уплотнительное кольцо Деталей в узле: 1 36 | Art.: 8M0046696 Переходник в сборе ((Contains 2 Adaptors))Деталей в узле: 1 37 | Art.: -NSS не продается по отдельности, уплотнительное кольцо Деталей в узле: 4 38 | Art.: 8M0046694 Корпус в сборе Деталей в узле: 1 39 | Art.: 27-8M0034568 Прокладка Деталей в узле: 1 40 | Art.: 10-8M0041014 винт (M6 x 18) Деталей в узле: 2 снято с производства 41 | Art.: 10-82129125 винт (M6 x 25 мм) Деталей в узле: 2 42 | Art.: 12-65567 Шайба (0.265 x 0.750 x 0.048), нержавеющая сталь Деталей в узле: 2 43 | Art.: винт (M6 x 25 мм) нержавеющая сталь Деталей в узле: 2 44 | Art.: 8M0007906 кронштейн Деталей в узле: 1 45 | Art.: 23-822003 вкладыш Деталей в узле: 2 46 | Art.: 25-834985 резиновая втулка Деталей в узле: 2 47 | Art.: 8M0007908 кронштейн Деталей в узле: 1 - | Art.: 27-880552A07 набор прокладок силового агрегата Деталей в узле: 1 - | Art.: 61-895247A07 силовая головка в сборе Деталей в узле: 1 | ||||||||||||||||||||||||||||||||||||||||||||||||||
