FORCE 1989 85 H.P. "A" MODEL L-DRIVE
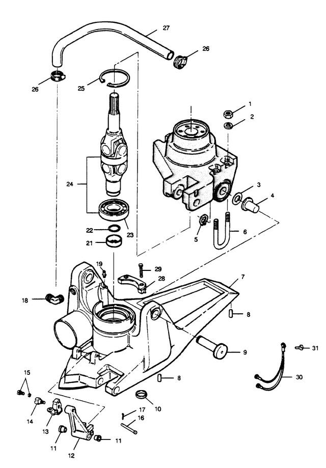
U-JOINT AND HOUSING
U-JOINT AND HOUSING
| № | Артикул | Наименование | Деталей в узле | Комментарий | Цена | |
| 1 | NUT, 3/8 - 16 | 2 | цена по запросу | |||
| 2 | шайба | 2 | цена по запросу | |||
| 3 | шайба | 2 | снято с производства | |||
| 4 | Подшипник | 2 | снято с производства | |||
| 5 | стопорное кольцо | 2 | снято с производства | |||
| 6 | U-BOLT | 1 | снято с производства | |||
| 7 | HOUSING, U-JOINT | 1 | снято с производства | |||
| 8 | PIN, LOCATING | 2 | цена по запросу | |||
| 9 | палец шарнира | 2 | снято с производства | |||
| 10 | SEAL, WATER PUMP OUTLET | 1 | цена по запросу | |||
| 11 | вкладыш | 2 | снято с производства | |||
| 12 | рычаг механизма переключения передач | 1 | снято с производства | |||
| 13 | CLAMP W/PIVOT SCREW | 1 | снято с производства | |||
| 14 | PIVOT SCREW | 1 | снято с производства | |||
| 15 | SCREW W/LOCKWASHER, 10 - 24 X 3/8 | 1 | цена по запросу | |||
| 16 | PIN, SHIFT ARM | 1 | снято с производства | |||
| 17 | шплинт | 1 | цена по запросу | |||
| 18 | ELBOW, WATER LINE | 1 | снято с производства | |||
| 19 | BALL STUD | 1 | снято с производства | |||
| 21 | Уплотнение | 1 | снято с производства | |||
| 22 | Уплотнение | 1 | цена по запросу | |||
| 23 | Подшипник | 1 | цена по запросу | |||
| 24 | UNIVERSAL JOINT W/BEARING | 1 | снято с производства | |||
| 25 | стопорное кольцо | 1 | снято с производства | |||
| 26 | зажим | 2 | цена по запросу | |||
| 27 | Шланг | 1 | цена по запросу | |||
| 28 | анод | 1 | снято с производства | |||
| 29 | SCREW, 5/8 - 18 X 1-3/4 | 2 | цена по запросу | |||
| 30 | CABLE, GROUND | 1 | снято с производства | |||
| 31 | SCREW, 10-24 X 3/8 | 5 | цена по запросу | |||
| - | U-JOINT HOUSING W/U-JOINT | 1 | снято с производства | |||
| 1 | Art.: NUT, 3/8 - 16 Деталей в узле: 2 цена по запросу 2 | Art.: шайба Деталей в узле: 2 цена по запросу 3 | Art.: F695175 шайба Деталей в узле: 2 снято с производства 4 | Art.: F695610 Подшипник Деталей в узле: 2 снято с производства 5 | Art.: F695807 стопорное кольцо Деталей в узле: 2 снято с производства 6 | Art.: F695632 U-BOLT Деталей в узле: 1 снято с производства 7 | Art.: 817980A2 HOUSING, U-JOINT Деталей в узле: 1 снято с производства 8 | Art.: PIN, LOCATING Деталей в узле: 2 цена по запросу 9 | Art.: палец шарнира Деталей в узле: 2 снято с производства 10 | Art.: F694736 SEAL, WATER PUMP OUTLET Деталей в узле: 1 цена по запросу
11 | Art.: F695189 вкладыш Деталей в узле: 2 снято с производства 12 | Art.: F695621 рычаг механизма переключения передач Деталей в узле: 1 снято с производства 13 | Art.: FK405020 CLAMP W/PIVOT SCREW Деталей в узле: 1 снято с производства 14 | Art.: F405457 PIVOT SCREW Деталей в узле: 1 снято с производства 15 | Art.: SCREW W/LOCKWASHER, 10 - 24 X 3/8 Деталей в узле: 1 цена по запросу 16 | Art.: F695620 PIN, SHIFT ARM Деталей в узле: 1 снято с производства 17 | Art.: шплинт Деталей в узле: 1 цена по запросу 18 | Art.: ELBOW, WATER LINE Деталей в узле: 1 снято с производства 19 | Art.: F98273 BALL STUD Деталей в узле: 1 снято с производства 21 | Art.: F695735 Уплотнение Деталей в узле: 1 снято с производства 22 | Art.: Уплотнение Деталей в узле: 1 цена по запросу 23 | Art.: F695527 Подшипник Деталей в узле: 1 цена по запросу
24 | Art.: F2A695141 UNIVERSAL JOINT W/BEARING Деталей в узле: 1 снято с производства 25 | Art.: F695764 стопорное кольцо Деталей в узле: 1 снято с производства 26 | Art.: зажим Деталей в узле: 2 цена по запросу
27 | Art.: Шланг Деталей в узле: 1 цена по запросу 28 | Art.: анод Деталей в узле: 1 снято с производства 29 | Art.: SCREW, 5/8 - 18 X 1-3/4 Деталей в узле: 2 цена по запросу 30 | Art.: CABLE, GROUND Деталей в узле: 1 |
