150 H.P. XR-2 MARATHON MAGNUM (V-6) (1978-1985 COMBINED BOOK)
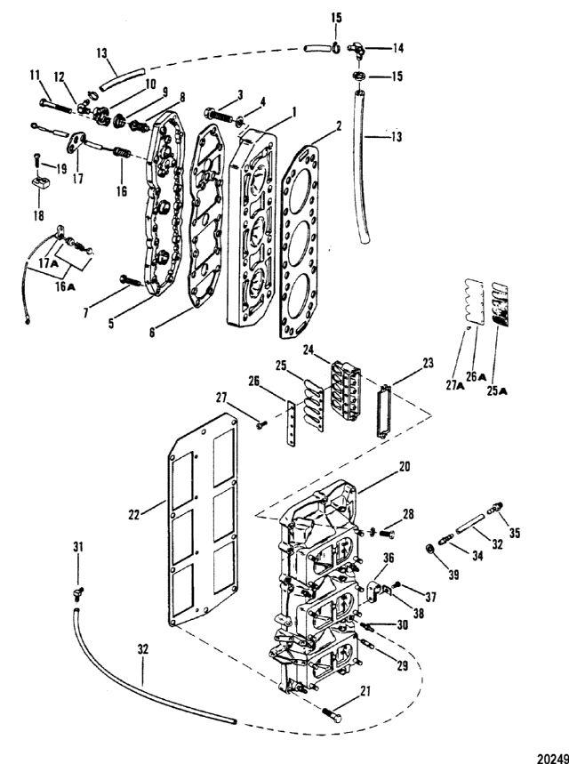
блок лепестковых клапанов и головка блока
блок лепестковых клапанов и головка блока
| № | Артикул | Наименование | Деталей в узле | Комментарий | Цена | |
| 1 | головка блока | 2 | SN# ME-6042945/MA-6038680 & Below | снято с производства | ||
| 1 | головка блока | 2 | SN# ME-6042946/MA-6038681 & Up | 49630 руб. | ||
| 2 | Прокладка | 2 | SN# ME-6042945/MA-6038680 & Below | 9330 руб. | ||
| 2 | Прокладка | 2 | SN# ME-6042946/MA-6038681 & Up | 6340 руб. | ||
| 3 | винт (2 1/2") | 24 | SN# ME-6042945/MA-6038680 & Below | 190 руб. | ||
| 3 | винт (.375-16 x 2.30) | 24 | SN# ME-6042946/MA-6038681 & Up | цена по запросу | ||
| 4 | шайба (.406 x .812 x .065) | 24 | SN# ME-6042946/MA-6038681 & Up | 150 руб. | ||
| 5 | крышка | 2 | SN# ME-6042946/MA-6038681 & Up | снято с производства | ||
| 5 | крышка | 2 | SN# ME-6042945/MA-6038680 & Below | снято с производства | ||
| 6 | Прокладка | 2 | SN# ME-6042945/MA-6038680 & Below | 720 руб. | ||
| 6 | Прокладка | 2 | SN# ME-6042946/MA-6038681 & Up | 610 руб. | ||
| 7 | винт (0.312-18 x 1.250) | 26 | SN# ME-6042945/MA-6038680 & Below | 200 руб. | ||
| 7 | винт (0.312-18 x 1.250) | 40 | SN# ME-6042946/MA-6038681 & Up | 200 руб. | ||
| 8 | термостат | 2 | 2480 руб. | |||
| 9 | прокладка термостата | 2 | 270 руб. | |||
| 10 | комплект крышки термостата | 2 | 5920 руб. | |||
| 11 | SCREW, (.312-18 x 2.00) Flange Head | AR | снято с производства | |||
| 11 | винт (.312-18 x 2) | 2 | 470 руб. | |||
| 11 | винт (0.312-18 x 1.00) | 2 | 100 руб. | |||
| 12 | латунный фиттинг - 90 градусов (0.250-18) | 1 | 4930 руб. | |||
| 13 | шланг (длина 24 1/2") | 2 | 8200 руб. | |||
| 14 | фиттинг | 1 | цена по запросу | |||
| 15 | ленточный хомут (14") | AR | 150 руб. | |||
| 16 | датчик температуры | 1 | SN# ME-6042946/MA-6038681 & Up | 11910 руб. | ||
| 16A | температурный датчик (19 1/2") | 1 | SN# ME-6042945/MA-6038680 & Below | 14590 руб. | ||
| 17 | крышка температурного датчика | 1 | SN# ME-6042946/MA-6038681 & Up | снято с производства | ||
| 17A | крышка температурного датчика | 1 | SN# ME-6042945/MA-6038680 & Below | снято с производства | ||
| 18 | TERMINAL BLOCK | 1 | SN# 6616990 & Below | 290 руб. | ||
| 19 | SCREW, (#10-16 x .440), TERMINAL BLOCK | 1 | SN# 6616990 & Below | 120 руб. | ||
| 20 | Корпус | 1 | снято с производства | |||
| 21 | винт (.250-20 x 1.25) | 1 | снято с производства | |||
| 21 | винт (0.250-20 x 1.375) | 1 | 390 руб. | |||
| 21 | винт (0.250-20 x 1.50) | 8 | снято с производства | |||
| 22 | прокладка корпуса блока лепестковых клапанов | 1 | 1220 руб. | |||
| 23 | прокладка блока лепестковых клапанов | 6 | 770 руб. | |||
| 24 | блок лепестковых клапанов | 6 | 17160 руб. | |||
| 25 | лепестковый клапан в сборе | 6 | SN# ME-6042946/MA-6038681 & Up | 9120 руб. | ||
| 25A | лепестковый клапан в сборе | 6 | SN# ME-6042945/MA-6038680 & Below | снято с производства | ||
| 26 | CLAMP, Reed | 12 | SN# ME-6042946/MA-6038681 & Up | 1060 руб. | ||
| 26A | фиксатор лепесткового клапана | 12 | SN# ME-6042945/MA-6038680 & Below | снято с производства | ||
| 27 | SCREW, (#8-32 x .375), REEDS TO REED BLOCK | 60 | SN# ME-6042946/MA-6038681 & Up | 190 руб. | ||
| 27A | SCREW, REEDS TO REED BLOCK | 60 | SN# ME-6042945/MA-6038680 & Below | снято с производства | ||
| 28 | винт блока лепестковых клапанов (.250-20 x .750) | 12 | 130 руб. | |||
| 29 | шпилька (.250-28 x 1.125) | 12 | 280 руб. | |||
| 30 | обратный клапан | 5 OR 6 | 2440 руб. | |||
| 31 | фиттинг - 90 градусов | 5 OR 6 | 1810 руб. | |||
| 32 | TUBING, (20.00 Feet Bulk), BLEED LINE | 1 | 5780 руб. | |||
| 34 | CONNECTOR (PRESS-IN) | 1 | SN# ME-6042946/MA-6038681 & Up | цена по запросу | ||
| 34 | фиттинг | 1 | (5/16-24 THREAD) | снято с производства | ||
| 35 | обратный клапан | 1 | снято с производства | |||
| 36 | зажим | 2 | 680 руб. | |||
| 37 | винт зажима (#10-16 x .375) | 2 | 120 руб. | |||
| 38 | С-образная шайба | 2 | 130 руб. | |||
| 39 | шайба | 1 | (USE W/THREADED REF. #34) | снято с производства | ||
| - | Набор прокладок | 1 | SN# ME-6042946/MA-6038681 & Up | цена по запросу | ||
| - | Набор прокладок | 1 | SN# 5866777 THRU 6042945 | снято с производства | ||
| - | больше не поставляется, набор прокладок | 1 | (Service Bulletin 81-8) SN# ME-5866776/MA-6038680 & Below | |||
| 1 | Art.: 79715 головка блока (SN# ME-6042945/MA-6038680 & Below)Деталей в узле: 2 снято с производства 1 | Art.: головка блока (SN# ME-6042946/MA-6038681 & Up)Деталей в узле: 2 2 | Art.: Прокладка (SN# ME-6042945/MA-6038680 & Below)Деталей в узле: 2 2 | Art.: Прокладка (SN# ME-6042946/MA-6038681 & Up)Деталей в узле: 2 3 | Art.: винт (2 1/2") (SN# ME-6042945/MA-6038680 & Below)Деталей в узле: 24 3 | Art.: 10-98534 винт (.375-16 x 2.30) (SN# ME-6042946/MA-6038681 & Up)Деталей в узле: 24 цена по запросу
4 | Art.: 12-25909 шайба (.406 x .812 x .065) (SN# ME-6042946/MA-6038681 & Up)Деталей в узле: 24 5 | Art.: крышка (SN# ME-6042946/MA-6038681 & Up)Деталей в узле: 2 снято с производства 5 | Art.: 1026-7270A1 крышка (SN# ME-6042945/MA-6038680 & Below)Деталей в узле: 2 снято с производства 6 | Art.: 27-65788 Прокладка (SN# ME-6042945/MA-6038680 & Below)Деталей в узле: 2 6 | Art.: 27-96278 Прокладка (SN# ME-6042946/MA-6038681 & Up)Деталей в узле: 2 7 | Art.: 10-74824 винт (0.312-18 x 1.250) (SN# ME-6042945/MA-6038680 & Below)Деталей в узле: 26 7 | Art.: 10-74824 винт (0.312-18 x 1.250) (SN# ME-6042946/MA-6038681 & Up)Деталей в узле: 40 8 | Art.: 75692 термостат Деталей в узле: 2 9 | прокладка термостата Деталей в узле: 2 10 | Art.: 90390A1 комплект крышки термостата Деталей в узле: 2 11 | Art.: 10-66023 SCREW, (.312-18 x 2.00) Flange Head Деталей в узле: AR снято с производства 11 | Art.: винт (.312-18 x 2) Деталей в узле: 2 11 | Art.: 10-35386 винт (0.312-18 x 1.00) Деталей в узле: 2 12 | Art.: латунный фиттинг - 90 градусов (0.250-18) Деталей в узле: 1 13 | шланг (длина 24 1/2") Деталей в узле: 2 14 | Art.: 22-68728 фиттинг Деталей в узле: 1 цена по запросу
15 | Art.: 61990 ленточный хомут (14") Деталей в узле: AR 16 | Art.: 97465 датчик температуры (SN# ME-6042946/MA-6038681 & Up)Деталей в узле: 1 16A | Art.: 78799 температурный датчик (19 1/2") (SN# ME-6042945/MA-6038680 & Below)Деталей в узле: 1 17 | Art.: 96282 крышка температурного датчика (SN# ME-6042946/MA-6038681 & Up)Деталей в узле: 1 снято с производства 17A | Art.: 71162 крышка температурного датчика (SN# ME-6042945/MA-6038680 & Below)Деталей в узле: 1 снято с производства 18 | Art.: 45915 TERMINAL BLOCK (SN# 6616990 & Below)Деталей в узле: 1 19 | Art.: 10-69079 SCREW, (#10-16 x .440), TERMINAL BLOCK (SN# 6616990 & Below)Деталей в узле: 1 20 | Art.: 99747A2 Корпус Деталей в узле: 1 снято с производства 21 | Art.: 10-24878 винт (.250-20 x 1.25) Деталей в узле: 1 снято с производства 21 | Art.: 10-69067 винт (0.250-20 x 1.375) Деталей в узле: 1 21 | Art.: 10-69093 винт (0.250-20 x 1.50) Деталей в узле: 8 снято с производства 22 | Art.: 27-935361 прокладка корпуса блока лепестковых клапанов Деталей в узле: 1 23 | Art.: прокладка блока лепестковых клапанов Деталей в узле: 6 24 | Art.: 75953 блок лепестковых клапанов Деталей в узле: 6 25 | Art.: 34-75362A1 лепестковый клапан в сборе (SN# ME-6042946/MA-6038681 & Up)Деталей в узле: 6 25A | Art.: 34-75672A1 лепестковый клапан в сборе (SN# ME-6042945/MA-6038680 & Below)Деталей в узле: 6 снято с производства 26 | Art.: CLAMP, Reed (SN# ME-6042946/MA-6038681 & Up)Деталей в узле: 12 26A | Art.: 34-76653 фиксатор лепесткового клапана (SN# ME-6042945/MA-6038680 & Below)Деталей в узле: 12 снято с производства 27 | Art.: SCREW, (#8-32 x .375), REEDS TO REED BLOCK (SN# ME-6042946/MA-6038681 & Up)Деталей в узле: 60 27A | Art.: 10-76497 SCREW, REEDS TO REED BLOCK (SN# ME-6042945/MA-6038680 & Below)Деталей в узле: 60 снято с производства 28 | Art.: 10-65746 винт блока лепестковых клапанов (.250-20 x .750) Деталей в узле: 12 29 | Art.: шпилька (.250-28 x 1.125) Деталей в узле: 12 30 | обратный клапан Деталей в узле: 5 OR 6 31 | Art.: 22-15133 фиттинг - 90 градусов Деталей в узле: 5 OR 6 32 | Art.: TUBING, (20.00 Feet Bulk), BLEED LINE Деталей в узле: 1 34 | Art.: CONNECTOR (PRESS-IN) (SN# ME-6042946/MA-6038681 & Up)Деталей в узле: 1 цена по запросу 34 | Art.: 22-79790 фиттинг ((5/16-24 THREAD))Деталей в узле: 1 снято с производства 35 | Art.: 21-64871A2 обратный клапан Деталей в узле: 1 снято с производства 36 | Art.: 54-23567 зажим Деталей в узле: 2 37 | Art.: 10-62568 винт зажима (#10-16 x .375) Деталей в узле: 2 38 | Art.: С-образная шайба Деталей в узле: 2 39 | Art.: 12-73473 шайба ((USE W/THREADED REF. #34))Деталей в узле: 1 снято с производства - | Art.: 27-90484A88 Набор прокладок (SN# ME-6042946/MA-6038681 & Up)Деталей в узле: 1 цена по запросу
- | Art.: 27-79583A81 Набор прокладок (SN# 5866777 THRU 6042945)Деталей в узле: 1 снято с производства - | Art.: -NLA больше не поставляется, набор прокладок ((Service Bulletin 81-8) SN# ME-5866776/MA-6038680 & Below)Деталей в узле: 1 | ||||||||||||||||||||||||||||||||||||||||||||||||||||||||||
