150/175/200 EFI (2.5L)
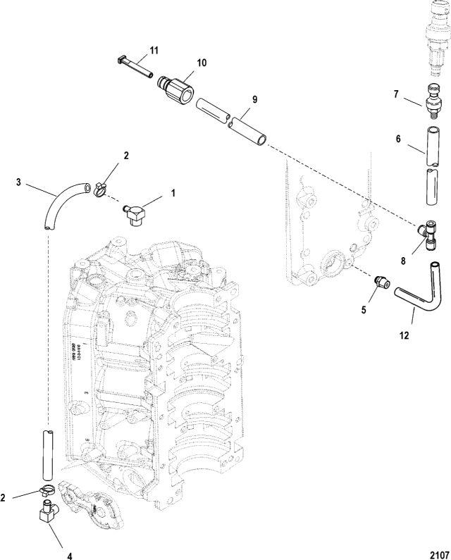
Водяные шланги
Водяные шланги
| № | Артикул | Наименование | Деталей в узле | Комментарий | Цена | |
| 1 | фиттинг | 1 | 2270 руб. | |||
| 2 | ленточный хомут (8") | 2 | 30 руб. | |||
| 3 | HOSE, (48.00 Inches Bulk) (20 IN.) | 1 | 8200 руб. | |||
| 4 | латунный фиттинг - 90 градусов (0.250-18) | 1 | 4930 руб. | |||
| 5 | фиттинг | 1 | 760 руб. | |||
| 6 | TUBING, (44.00 Inches Bulk) (12 IN.)(GRAY) | 1 | 6830 руб. | |||
| 7 | фиттинг | 1 | цена по запросу | |||
| 8 | Т-образный фиттинг | 1 | 1390 руб. | |||
| 9 | TUBING, (44.00 Inches Bulk) (44 IN.)(GRAY) | 1 | 6830 руб. | |||
| 10 | муфта | 1 | цена по запросу | |||
| 11 | пробка | 1 | 210 руб. | |||
| 12 | TUBING, (44.00 Inches Bulk) (1-1/2 IN.)(GRAY) | 1 | 6830 руб. | |||
| - | силовая головка в сборе | 1 | (150) | цена по запросу | ||
| - | силовая головка в сборе | 1 | (175/200) | цена по запросу | ||
| 1 | Art.: 22-850805 фиттинг Деталей в узле: 1 2 | Art.: 54-816311T ленточный хомут (8") Деталей в узле: 2 3 | Art.: 32-77653101 HOSE, (48.00 Inches Bulk) (20 IN.) Деталей в узле: 1 4 | Art.: 22-687271 латунный фиттинг - 90 градусов (0.250-18) Деталей в узле: 1 5 | Art.: фиттинг Деталей в узле: 1 6 | Art.: TUBING, (44.00 Inches Bulk) (12 IN.)(GRAY) Деталей в узле: 1 7 | Art.: фиттинг Деталей в узле: 1 цена по запросу
8 | Art.: 22-875207 Т-образный фиттинг Деталей в узле: 1 9 | Art.: TUBING, (44.00 Inches Bulk) (44 IN.)(GRAY) Деталей в узле: 1 10 | Art.: 22-859747 муфта Деталей в узле: 1 цена по запросу
11 | Art.: 22-859732 пробка Деталей в узле: 1 12 | Art.: TUBING, (44.00 Inches Bulk) (1-1/2 IN.)(GRAY) Деталей в узле: 1 |
