90 HP C-MODELS (1990) FORCE
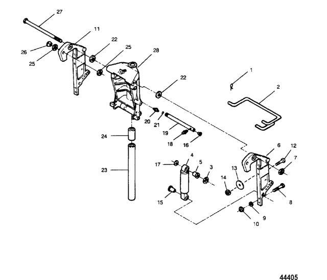
Swivel Bracket and Transom Bracket(Power Trim Models)
Swivel Bracket and Transom Bracket(Power Trim Models)
| № | Артикул | Наименование | Деталей в узле | Комментарий | Цена | |
| 1 | стержень | 1 | цена по запросу | |||
| 2 | Комплект кронштейна | 1 | цена по запросу | |||
| 3 | шайба | 4 | снято с производства | |||
| 4 | SHOCK ABSORBER ASSEMBLY | 1 | снято с производства | |||
| 5 | вкладыш | 1 | снято с производства | |||
| 6 | BRACKET, Stern, PORT | 1 | снято с производства | |||
| 7 | LOCKNUT, (.50-20) | 1 | цена по запросу | |||
| 8 | SCREW, Hex Head (.375-16 x 3.50) SS | 2 | снято с производства | |||
| 9 | шайба | 2 | снято с производства | |||
| 10 | NUT, (.375-16) SS | 2 | цена по запросу | |||
| 11 | BRACKET, Stern, STARBOARD | 1 | снято с производства | |||
| 12 | BOLT, (.50-20 x 7.00) Stainless Steel | 2 | снято с производства | |||
| 13 | шайба | 2 | снято с производства | |||
| 14 | NUT, (.50-20) | 2 | 760 руб. | |||
| 15 | вкладыш | 2 | 770 руб. | |||
| 16 | пробка пластиковая | 1 | снято с производства | |||
| 17 | шайба | 2 | снято с производства | |||
| 18 | пресс-масленка | 1 | снято с производства | |||
| 19 | TUBE ASSEMBLY, STEERING SUPPORT | 1 | снято с производства | |||
| 20 | фиттинг | 3 | снято с производства | |||
| 21 | Уплотнение | 1 | цена по запросу | |||
| 22 | шайба | 4 | снято с производства | |||
| 23 | KINGPIN (20 INCH MODELS) | 1 | цена по запросу | |||
| 24 | Подшипник | 2 | снято с производства | |||
| 25 | гайка | 2 | снято с производства | |||
| 26 | крышка пластиковая | 1 | снято с производства | |||
| 27 | BOLT, Stern Bracket Pivot | 1 | снято с производства | |||
| 28 | SWIVEL BRACKET, With Bearings And Grease Fitting | 1 | снято с производства | |||
| - | KINGPIN ASSEMBLY (25 INCH MODELS) | 1 | снято с производства | |||
| 1 | Art.: 18-F525629 стержень Деталей в узле: 1 цена по запросу
| ||||||||||||||||||||||||||||||||||||||||||||||||
| 2 | Комплект кронштейна Деталей в узле: 1 цена по запросу
| ||||||||||||||||||||||||||||||||||||||||||||||||
| 3 | Art.: 12-F1710 шайба Деталей в узле: 4 снято с производства 4 | Art.: SHOCK ABSORBER ASSEMBLY Деталей в узле: 1 снято с производства 5 | Art.: 23-F178344 вкладыш Деталей в узле: 1 снято с производства 6 | Art.: BRACKET, Stern, PORT Деталей в узле: 1 снято с производства 7 | Art.: LOCKNUT, (.50-20) Деталей в узле: 1 цена по запросу 8 | Art.: 10-F2185 SCREW, Hex Head (.375-16 x 3.50) SS Деталей в узле: 2 снято с производства 9 | Art.: FK684201 шайба Деталей в узле: 2 снято с производства 10 | Art.: NUT, (.375-16) SS Деталей в узле: 2 цена по запросу 11 | Art.: BRACKET, Stern, STARBOARD Деталей в узле: 1 снято с производства 12 | Art.: 10-F685632 BOLT, (.50-20 x 7.00) Stainless Steel Деталей в узле: 2 снято с производства 13 | Art.: шайба Деталей в узле: 2 снято с производства 14 | NUT, (.50-20) Деталей в узле: 2 15 | Art.: 23-F449362 вкладыш Деталей в узле: 2 16 | Art.: 19-F9052 пробка пластиковая Деталей в узле: 1 снято с производства 17 | Art.: 13-F1711 шайба Деталей в узле: 2 снято с производства 18 | Art.: 22-F523274 пресс-масленка Деталей в узле: 1 снято с производства 19 | Art.: 32-818066A3 TUBE ASSEMBLY, STEERING SUPPORT Деталей в узле: 1 снято с производства 20 | Art.: 22-F213274 фиттинг Деталей в узле: 3 снято с производства 21 | Art.: Уплотнение Деталей в узле: 1 цена по запросу 22 | Art.: 12-F84286-1 шайба Деталей в узле: 4 снято с производства 23 | Art.: FS85019 KINGPIN (20 INCH MODELS) Деталей в узле: 1 цена по запросу
24 | Art.: Подшипник Деталей в узле: 2 снято с производства 25 | Art.: 11-F523280 гайка Деталей в узле: 2 снято с производства 26 | Art.: 19-F9018 крышка пластиковая Деталей в узле: 1 снято с производства 27 | Art.: 10-F85037-1 BOLT, Stern Bracket Pivot Деталей в узле: 1 |
