FORCE 1990 90 H.P. "B" MODELS
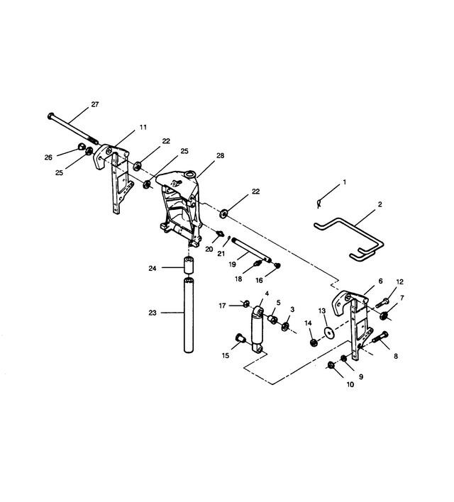
SWIVEL BRACKET AND STERN BRACKETS WITH POWER TRIM
SWIVEL BRACKET AND STERN BRACKETS WITH POWER TRIM
| № | Артикул | Наименование | Деталей в узле | Комментарий | Цена | |
| 1 | шплинт | 1 | цена по запросу | |||
| 2 | TRAILERING BRACKET | 1 | цена по запросу | |||
| 3 | шайба | 4 | снято с производства | |||
| 4 | SHOCK ABSORBER W/BUSHING | 1 | снято с производства | |||
| 5 | вкладыш | 1 | снято с производства | |||
| 6 | STERN BRACKET, PORT | 1 | снято с производства | |||
| 7 | STOP NUT | 1 | цена по запросу | |||
| 8 | HEX HD. SCREW, 3/8 - 16 X 3-1/2 S.S. | 2 | снято с производства | |||
| 9 | шайба | 2 | снято с производства | |||
| 10 | HEX NUT, 3/8 - 16 S.S. | 2 | цена по запросу | |||
| 11 | STERN BRACKET, STARBOARD | 1 | снято с производства | |||
| 12 | HEX BOLT, 1/2 - 20 X 7 S.S. | 2 | снято с производства | |||
| 13 | Пластина | 2 | снято с производства | |||
| 14 | LOCK NUT, 1/2 - 20 | 2 | 760 руб. | |||
| 15 | Подшипник | 2 | 770 руб. | |||
| 16 | пробка | 1 | снято с производства | |||
| 17 | SPRING BOWED WASHER | 2 | снято с производства | |||
| 18 | пресс-масленка | 1 | снято с производства | |||
| 19 | TUBE, STEERING SUPPORT | 1 | снято с производства | |||
| 20 | пресс-масленка | 3 | снято с производства | |||
| 21 | Уплотнение | 1 | цена по запросу | |||
| 22 | FRICTION WASHER | 4 | снято с производства | |||
| 23 | KINGPIN (20 INCH MODELS) | 1 | цена по запросу | |||
| 24 | Подшипник | 2 | снято с производства | |||
| 25 | гайка | 2 | снято с производства | |||
| 26 | Крышка | 1 | снято с производства | |||
| 27 | BOLT, STERN BRACKET PIVOT | 1 | снято с производства | |||
| 28 | SWIVEL BRACKET W/GREASE FITTINGS | 1 | снято с производства | |||
| - | KINGPIN (25 INCH MODELS) | 1 | снято с производства | |||
| 1 | Art.: F525629 шплинт Деталей в узле: 1 цена по запросу
| ||||||||||||||||||||||||||||||||||||||
| 2 | TRAILERING BRACKET Деталей в узле: 1 цена по запросу
| ||||||||||||||||||||||||||||||||||||||
| 3 | Art.: F1710 шайба Деталей в узле: 4 снято с производства 4 | Art.: SHOCK ABSORBER W/BUSHING Деталей в узле: 1 снято с производства 5 | Art.: F178344 вкладыш Деталей в узле: 1 снято с производства 6 | Art.: STERN BRACKET, PORT Деталей в узле: 1 снято с производства 7 | Art.: STOP NUT Деталей в узле: 1 цена по запросу 8 | Art.: F2185 HEX HD. SCREW, 3/8 - 16 X 3-1/2 S.S. Деталей в узле: 2 снято с производства 9 | Art.: FK684201 шайба Деталей в узле: 2 снято с производства 10 | Art.: HEX NUT, 3/8 - 16 S.S. Деталей в узле: 2 цена по запросу 11 | Art.: STERN BRACKET, STARBOARD Деталей в узле: 1 снято с производства 12 | Art.: F685632 HEX BOLT, 1/2 - 20 X 7 S.S. Деталей в узле: 2 снято с производства 13 | Art.: Пластина Деталей в узле: 2 снято с производства 14 | LOCK NUT, 1/2 - 20 Деталей в узле: 2 15 | Art.: F449362 Подшипник Деталей в узле: 2 16 | Art.: F9052 пробка Деталей в узле: 1 снято с производства 17 | Art.: F1711 SPRING BOWED WASHER Деталей в узле: 2 снято с производства 18 | Art.: F523274 пресс-масленка Деталей в узле: 1 снято с производства 19 | Art.: 32-818066A3 TUBE, STEERING SUPPORT Деталей в узле: 1 снято с производства 20 | Art.: F213274 пресс-масленка Деталей в узле: 3 снято с производства 21 | Art.: Уплотнение Деталей в узле: 1 цена по запросу 22 | Art.: F84286-1 FRICTION WASHER Деталей в узле: 4 |
