FORCE 1989 85 H.P. "A" MODELS
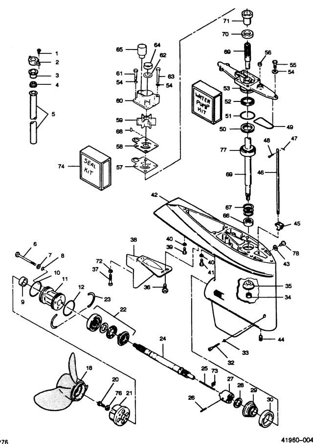
Корпус редуктора
Корпус редуктора
| № | Артикул | Наименование | Деталей в узле | Комментарий | Цена | |
| 1 | HEX CAP SCREW, 1/4 - 20 X 3/4 S.S. | 2 | цена по запросу | |||
| 2 | BRACKET, WATERLINE | 1 | снято с производства | |||
| 3 | SEAL, INLET WATERLINE, UPPER | 1 | цена по запросу | |||
| 4 | GROMMET, WATERLINE | 1 | 500 руб. | |||
| 5 | INLET WATERLINE (20 INCH MODELS) | 1 | снято с производства | |||
| 6 | HEX CAP SCREW, 5/16 - 18 X 4-1/4 S.S. | 4 | снято с производства | |||
| 7 | PLAIN WASHER S.S. | 4 | цена по запросу | |||
| 8 | SEAL, BEARING CAGE BOLTS | 4 | цена по запросу | |||
| 9 | SEAL, PROPELLER SHAFT | 1 | 4140 руб. | |||
| 10 | SEAL, O-RING PROPELLER SHAFT SPOOL | 1 | цена по запросу | |||
| 11 | SPOOL, PROPELLER SHAFT BEARING W/SEAL | 1 | снято с производства | |||
| 12 | SEAL, PROPELLER SHAFT BEARING SPOOL | 1 | цена по запросу | |||
| 20 | FILL HD. SCREW, 1/4 - 20 X 7/8 | 2 | снято с производства | |||
| 21 | ANTI-CORROSION ANODE | 1 | W/LITERATURE | снято с производства | ||
| 22 | BEVEL GEAR REAR W/BEARING CAGE, SPACER AND BEARING | 1 | снято с производства | |||
| 23 | стопорное кольцо | 2 | снято с производства | |||
| 24 | вал гребного винта | 1 | W/LITERATURE ORIGINAL FORCE P/N K523098-1 | снято с производства | ||
| 25 | PIN, GEAR SHIFT | 1 | снято с производства | |||
| 26 | SPRING PIN | 1 | снято с производства | |||
| 27 | муфта сцепления | 1 | 51140 руб. | |||
| 28 | SPACER, BEVEL GEAR FRONT .059 | A/R | снято с производства | |||
| 29 | BEVEL GEAR FRONT W/BEARING | 1 | снято с производства | |||
| 30 | BEARING CUP | 1 | не посталяется заказывайте 820456A1 | |||
| 32 | PIN, GEAR SHIFT ARM | 1 | цена по запросу | |||
| 33 | Уплотнение | 1 | цена по запросу | |||
| 34 | NUT, BEVEL PINION RETAINING | 1 | снято с производства | |||
| 35 | BEVEL PINION GEAR | 1 | снято с производства | |||
| 36 | RETAINER, SNOUT | 1 | цена по запросу | |||
| 37 | HEX SOCKET HD. CAP SCREW, 5/16 - 18 X 1 | 1 | цена по запросу | |||
| 38 | EXHAUST SNOUT | 1 | цена по запросу | |||
| 39 | HEX CAP SCREW, 5/16 - 18 X 1 | 1 | снято с производства | |||
| 40 | SPRING LOCKWASHER | 7 | цена по запросу | |||
| 41 | HEX HD. SCREW, 5/16 - 18 X 3-1/4 | 6 | 1100 руб. | |||
| 42 | GEAR HOUSING W/DRIVESHAFT BEARING LOWER | 1 | снято с производства | |||
| 43 | WASHER, GEAR HOUSING PLUG | 2 | цена по запросу | |||
| 44 | Пробка корпуса редуктора | 1 | 1960 руб. | |||
| 45 | COUPLING, GEAR SHIFT ARM W/BUSHING | 1 | снято с производства | |||
| 46 | GEAR SHIFT ROD LOWER | 1 | цена по запросу | |||
| 47 | шплинт | 1 | 100 руб. | |||
| 48 | PIN, GEARSHIFT ROD LOWER | 1 | 550 руб. | |||
| 49 | SEAL, O-RING, GEAR HOUSING COVER | 1 | цена по запросу | |||
| 50 | CRUSH RING | 1 | 7770 руб. | |||
| 51 | SEAL, DRIVESHAFT BEARING CAGE | 1 | цена по запросу | |||
| 52 | SEAL, DRIVESHAFT | 1 | 4140 руб. | |||
| 53 | GEAR HOUSING COVER | 1 | снято с производства | |||
| 54 | SPRING LOCKWASHER | 7 | цена по запросу | |||
| 55 | HEX CAP SCREW, 1/4 - 20 X 7/8 S.S. | 3 | цена по запросу | |||
| 56 | SEAL, GEAR SHIFT ROD | 1 | 880 руб. | |||
| 57 | Прокладка водяного насоса | 1 | 280 руб. | |||
| 58 | WATER PUMP BACK PLATE | 1 | 1620 руб. | |||
| 59 | WATER PUMP IMPELLER | 1 | цена по запросу | |||
| 60 | WATER PUMP BODY | 1 | 17250 руб. | |||
| 61 | HEX CAP SCREW, 1/4 - 20 X 1-5/8 S.S. | 2 | цена по запросу | |||
| 62 | DISC, WATER PUMP LOCATING | 1 | 750 руб. | |||
| 63 | HEX CAP SCREW, 1/4 - 20 X 2-5/8 S.S. | 2 | 390 руб. | |||
| 64 | уплотнение водяного насоса | 1 | 2740 руб. | |||
| 65 | SEAL, INLET WATERLINE, LOWER | 1 | W/LITERATURE | 790 руб. | ||
| 66 | BEARING, DRIVESHAFT LOWER | 1 | снято с производства | |||
| 67 | SHIM, DRIVESHAFT BEARING, UPPER .003 - BRASS | A/R | снято с производства | |||
| 68 | DRIVE KEY, WATER PUMP | 1 | 1520 руб. | |||
| 69 | DRIVESHAFT W/BEARING (20 INCH MODELS) | 1 | снято с производства | |||
| 70 | RETAINER, CRANKSHAFT SPLINE SEAL | 1 | снято с производства | |||
| 71 | SEAL, DRIVESHAFT SPLINE | 1 | 350 руб. | |||
| 72 | PLAIN WASHER | 2 | снято с производства | |||
| 73 | YOKE | 1 | 8200 руб. | |||
| 74 | Уплотнительный комплект | 1 | INCLUDES ITEMS MARKED WITH A * | цена по запросу | ||
| 75 | Комплект водяного насоса | 1 | INCLUDES ITEMS MARKED WITH A ** | цена по запросу | ||
| 76 | стопорная шайба | 2 | цена по запросу | |||
| 77 | Подшипник | 1 | цена по запросу | |||
| 78 | пробка | 2 | цена по запросу | |||
| - | GEAR HOUSING COVER SEAL | 1 | цена по запросу | |||
| - | GEAR HOUSING COVER SEAL | 1 | цена по запросу | |||
| - | GEAR SHIFT ARM PIN | 1 | цена по запросу | |||
| - | GEAR SHIFT ROD SEAL | 1 | 880 руб. | |||
| - | шайба | 3 | цена по запросу | |||
| - | HEX CAP SCREW, 1/4 - 20 X 2-5/8 S.S. | 2 | 390 руб. | |||
| - | Водяной насос | 1 | 17250 руб. | |||
| - | HEX CAP SCREW, 1/4 - 20 X 1-5/8 S.S. | 2 | цена по запросу | |||
| - | SPRING LOCKWASHER | 4 | цена по запросу | |||
| - | Прокладка водяного насоса | 1 | 280 руб. | |||
| - | Крыльчатка | 1 | цена по запросу | |||
| - | шпонка | 1 | 1520 руб. | |||
| - | PLATE, WATER PUMP | 1 | 1620 руб. | |||
| - | GEAR HOUSING COMPLETE (20 INCH MODELS) | 1 | цена по запросу | |||
| - | PROPELLER SHAFT SPOOLS SEAL | 1 | цена по запросу | |||
| - | SPACER, BEVEL GEAR FRONT .089 | A/R | снято с производства | |||
| - | SPACER, BEVEL GEAR FRONT .086 | A/R | снято с производства | |||
| - | SPACER, BEVEL GEAR FRONT .083 | A/R | снято с производства | |||
| - | SPACER, BEVEL GEAR FRONT .080 | A/R | снято с производства | |||
| - | SPACER, BEVEL GEAR FRONT .077 | A/R | снято с производства | |||
| - | SPACER, BEVEL GEAR FRONT .071 | A/R | снято с производства | |||
| - | SPACER, BEVEL GEAR FRONT .068 | A/R | снято с производства | |||
| - | SPACER, BEVEL GEAR FRONT .065 | A/R | снято с производства | |||
| - | SPACER, BEVEL GEAR FRONT .062 | A/R | снято с производства | |||
| - | SPACER, BEVEL GEAR FRONT .054 | A/R | снято с производства | |||
| - | SPACER, BEVEL GEAR FRONT .074 | A/R | снято с производства | |||
| - | SHIM, DRIVESHAFT BEARING, UPPER .010 - BLACK | A/R | снято с производства | |||
| - | SHIM, DRIVESHAFT BEARING, UPPER .005 - SILVER | A/R | снято с производства | |||
| - | BEARING CAGE BOLT SEAL | 4 | цена по запросу | |||
| - | PROPELLER SHAFT SEAL | 1 | 4140 руб. | |||
| - | PROPELLER SHAFT SPOOL SEAL | 1 | цена по запросу | |||
| - | SPACER, BEVEL GEAR FRONT .057 | A/R | снято с производства | |||
| 1 | Art.: HEX CAP SCREW, 1/4 - 20 X 3/4 S.S. Деталей в узле: 2 цена по запросу 2 | Art.: BRACKET, WATERLINE Деталей в узле: 1 снято с производства 3 | Art.: F84342 SEAL, INLET WATERLINE, UPPER Деталей в узле: 1 цена по запросу
4 | Art.: GROMMET, WATERLINE Деталей в узле: 1 5 | Art.: F523244 INLET WATERLINE (20 INCH MODELS) Деталей в узле: 1 снято с производства 6 | Art.: F1885 HEX CAP SCREW, 5/16 - 18 X 4-1/4 S.S. Деталей в узле: 4 снято с производства 7 | Art.: PLAIN WASHER S.S. Деталей в узле: 4 цена по запросу 8 | Art.: SEAL, BEARING CAGE BOLTS Деталей в узле: 4 цена по запросу 9 | Art.: F506118-1 SEAL, PROPELLER SHAFT Деталей в узле: 1 10 | Art.: F24278 SEAL, O-RING PROPELLER SHAFT SPOOL Деталей в узле: 1 цена по запросу
11 | Art.: SPOOL, PROPELLER SHAFT BEARING W/SEAL Деталей в узле: 1 снято с производства 12 | Art.: SEAL, PROPELLER SHAFT BEARING SPOOL Деталей в узле: 1 цена по запросу 20 | Art.: F1112 FILL HD. SCREW, 1/4 - 20 X 7/8 Деталей в узле: 2 снято с производства 21 | Art.: FA523485 ANTI-CORROSION ANODE (W/LITERATURE)Деталей в узле: 1 снято с производства 22 | Art.: F2A498662 BEVEL GEAR REAR W/BEARING CAGE, SPACER AND BEARING Деталей в узле: 1 снято с производства 23 | Art.: F523411 стопорное кольцо Деталей в узле: 2 снято с производства 24 | Art.: 44-817962A2 вал гребного винта (W/LITERATURE ORIGINAL FORCE P/N K523098-1)Деталей в узле: 1 снято с производства 25 | Art.: F84871-1 PIN, GEAR SHIFT Деталей в узле: 1 снято с производства 26 | SPRING PIN Деталей в узле: 1 снято с производства 27 | муфта сцепления Деталей в узле: 1 28 | Art.: F1936 SPACER, BEVEL GEAR FRONT .059 Деталей в узле: A/R снято с производства 29 | Art.: 43-818062A3 BEVEL GEAR FRONT W/BEARING Деталей в узле: 1 снято с производства 30 | Art.: F523813 BEARING CUP Деталей в узле: 1 не посталяется заказывайте 820456A1 32 | PIN, GEAR SHIFT ARM Деталей в узле: 1 цена по запросу
33 | Art.: Уплотнение Деталей в узле: 1 цена по запросу 34 | Art.: F523188-1 NUT, BEVEL PINION RETAINING Деталей в узле: 1 снято с производства 35 | Art.: 43-817830A2 BEVEL PINION GEAR Деталей в узле: 1 снято с производства 36 | Art.: RETAINER, SNOUT Деталей в узле: 1 цена по запросу
37 | Art.: HEX SOCKET HD. CAP SCREW, 5/16 - 18 X 1 Деталей в узле: 1 цена по запросу 38 | Art.: EXHAUST SNOUT Деталей в узле: 1 цена по запросу 39 | Art.: F1858 HEX CAP SCREW, 5/16 - 18 X 1 Деталей в узле: 1 снято с производства 40 | Art.: SPRING LOCKWASHER Деталей в узле: 7 цена по запросу 41 | Art.: F1491 HEX HD. SCREW, 5/16 - 18 X 3-1/4 Деталей в узле: 6 42 | Art.: FA523054 GEAR HOUSING W/DRIVESHAFT BEARING LOWER Деталей в узле: 1 снято с производства 43 | Art.: WASHER, GEAR HOUSING PLUG Деталей в узле: 2 цена по запросу 44 | Art.: FA523109 Пробка корпуса редуктора Деталей в узле: 1 45 | Art.: FA84621-1 COUPLING, GEAR SHIFT ARM W/BUSHING Деталей в узле: 1 снято с производства 46 | Art.: GEAR SHIFT ROD LOWER Деталей в узле: 1 цена по запросу 47 | Art.: F1015 шплинт Деталей в узле: 1 48 | Art.: F85372 PIN, GEARSHIFT ROD LOWER Деталей в узле: 1 49 | Art.: SEAL, O-RING, GEAR HOUSING COVER Деталей в узле: 1 цена по запросу 50 | Art.: F523961 CRUSH RING Деталей в узле: 1 51 | Art.: SEAL, DRIVESHAFT BEARING CAGE Деталей в узле: 1 цена по запросу 52 | Art.: F506118-1 SEAL, DRIVESHAFT Деталей в узле: 1 53 | Art.: F2A550706 GEAR HOUSING COVER Деталей в узле: 1 снято с производства 54 | Art.: SPRING LOCKWASHER Деталей в узле: 7 цена по запросу 55 | Art.: HEX CAP SCREW, 1/4 - 20 X 7/8 S.S. Деталей в узле: 3 цена по запросу 56 | Art.: SEAL, GEAR SHIFT ROD Деталей в узле: 1 57 | Art.: F523031 Прокладка водяного насоса Деталей в узле: 1 58 | Art.: F523562 WATER PUMP BACK PLATE Деталей в узле: 1 59 | Art.: WATER PUMP IMPELLER Деталей в узле: 1 цена по запросу
60 | Art.: WATER PUMP BODY Деталей в узле: 1 61 | Art.: F1990 HEX CAP SCREW, 1/4 - 20 X 1-5/8 S.S. Деталей в узле: 2 цена по запросу
62 | Art.: F480388 DISC, WATER PUMP LOCATING Деталей в узле: 1 63 | Art.: F1425 HEX CAP SCREW, 1/4 - 20 X 2-5/8 S.S. Деталей в узле: 2 64 | Art.: F351307 уплотнение водяного насоса Деталей в узле: 1 65 | Art.: FA523735 SEAL, INLET WATERLINE, LOWER (W/LITERATURE)Деталей в узле: 1 66 | Art.: F523057 BEARING, DRIVESHAFT LOWER Деталей в узле: 1 снято с производства 67 | Art.: F9106 SHIM, DRIVESHAFT BEARING, UPPER .003 - BRASS Деталей в узле: A/R снято с производства 68 | Art.: F523498 DRIVE KEY, WATER PUMP Деталей в узле: 1 69 | Art.: 45-817967A6 DRIVESHAFT W/BEARING (20 INCH MODELS) Деталей в узле: 1 снято с производства 70 | Art.: F438271 RETAINER, CRANKSHAFT SPLINE SEAL Деталей в узле: 1 снято с производства 71 | Art.: SEAL, DRIVESHAFT SPLINE Деталей в узле: 1 72 | Art.: F1856 PLAIN WASHER Деталей в узле: 2 снято с производства 73 | Art.: F90619-2 YOKE Деталей в узле: 1 74 | Art.: FK1063-2 Уплотнительный комплект (INCLUDES ITEMS MARKED WITH A *)Деталей в узле: 1 цена по запросу
75 | Art.: FK1069 Комплект водяного насоса (INCLUDES ITEMS MARKED WITH A **)Деталей в узле: 1 цена по запросу
76 | Art.: стопорная шайба Деталей в узле: 2 цена по запросу 77 | Art.: Подшипник Деталей в узле: 1 цена по запросу 78 | пробка Деталей в узле: 2 цена по запросу - | Art.: GEAR HOUSING COVER SEAL Деталей в узле: 1 цена по запросу - | Art.: GEAR HOUSING COVER SEAL Деталей в узле: 1 цена по запросу - | Art.: GEAR SHIFT ARM PIN Деталей в узле: 1 цена по запросу - | Art.: GEAR SHIFT ROD SEAL Деталей в узле: 1 - | Art.: шайба Деталей в узле: 3 цена по запросу - | Art.: F1425 HEX CAP SCREW, 1/4 - 20 X 2-5/8 S.S. Деталей в узле: 2 - | Art.: Водяной насос Деталей в узле: 1 - | Art.: F1990 HEX CAP SCREW, 1/4 - 20 X 1-5/8 S.S. Деталей в узле: 2 цена по запросу
- | Art.: SPRING LOCKWASHER Деталей в узле: 4 цена по запросу - | Art.: F523031 Прокладка водяного насоса Деталей в узле: 1 - | Art.: Крыльчатка Деталей в узле: 1 цена по запросу
- | Art.: F523498 шпонка Деталей в узле: 1 - | Art.: F523562 PLATE, WATER PUMP Деталей в узле: 1 - | GEAR HOUSING COMPLETE (20 INCH MODELS) Деталей в узле: 1 цена по запросу - | Art.: PROPELLER SHAFT SPOOLS SEAL Деталей в узле: 1 цена по запросу - | Art.: F2116 SPACER, BEVEL GEAR FRONT .089 Деталей в узле: A/R снято с производства - | Art.: F2115 SPACER, BEVEL GEAR FRONT .086 Деталей в узле: A/R |
