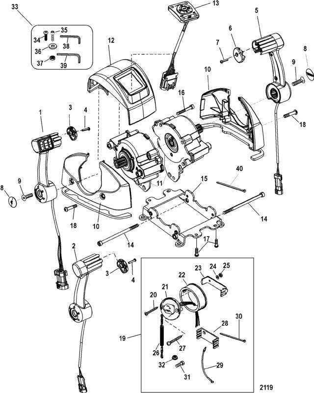
REMOTE CONTROL SYSTEMS AND COMPONENTS
Remote Control-DTS, Dual Handle/Console
Remote Control-DTS, Dual Handle/Console
| № | Артикул | Наименование | Деталей в узле | Комментарий | Цена | |
| 1 | HANDLE ASSEMBLY, Left, With Trim, Black | 1 | снято с производства | |||
| 1 | HANDLE ASSEMBLY, Dual - Left And Right - With Trim - Chrome, Handle Assembly contains both handles. | 1 | цена по запросу | |||
| 1 | HANDLE ASSEMBLY, Dual - Left And Right - With Trim - Black, Handle Assembly contains both handles. | 1 | цена по запросу | |||
| 1 | HANDLE ASSEMBLY, Left, With Trim, Chrome | 1 | снято с производства | |||
| 2 | HANDLE ASSEMBLY, Left - No Trim - Chrome | 1 | снято с производства | |||
| 3 | CAP KIT, Handle (Black) | 1 | 1730 руб. | |||
| 4 | SCREW, (M4 x 20) | 1 | 120 руб. | |||
| 5 | HANDLE ASSEMBLY, Right-Without Trim, Black | 1 | снято с производства | |||
| 5 | HANDLE ASSEMBLY, Right-Without Trim, Chrome | 1 | снято с производства | |||
| 6 | CAP KIT, Handle (Black) | 1 | 1720 руб. | |||
| 7 | SCREW, (M4 x 20) | 1 | 120 руб. | |||
| 8 | EMBLEM, Mercury | 1 | 450 руб. | |||
| 9 | Винт (M8 x 30) | 2 | 470 руб. | |||
| 10 | COVER, Side (Chrome With Gaskets) | 2 | 4380 руб. | |||
| 11 | MODULE ASSEMBLY, Shift and Throttle, Housing | 2 | 31850 руб. | |||
| 12 | COVER, Top (Chrome With Gaskets) | 1 | цена по запросу | |||
| 13 | KEYPAD ASSEMBLY, Dual | 1 | 38640 руб. | |||
| 14 | Винт (M6 x 110) | 2 | 800 руб. | |||
| 15 | NSS  | Не продается по отдельности, кронштейн | 1 | |||
| 16 | винт (M6 x 45) | 2 | 1620 руб. | |||
| 17 | Винт (M5 x 16) | 4 | цена по запросу | |||
| 18 | SCREW, (M4 x 20) | 4 | 100 руб. | |||
| 19 | SWITCH/LANYARD KIT, Stop - Dual | 1 | 9550 руб. | |||
| 20 | винт (#10-16 x 2.25) | 2 | цена по запросу | |||
| 21 | шнур аварийного выключения двигателя в сборе | 1 | 8130 руб. | |||
| 22 | ADAPTOR, Switch Assembly | 1 | цена по запросу | |||
| 23 | зажим крепления | 1 | цена по запросу | |||
| 24 | шайба (0.200 x 0.440 x 0.032) | 2 | 110 руб. | |||
| 25 | гайка (#10-32), нержавеющая сталь | 4 | 60 руб. | |||
| 26 | шнур аварийного выключения двигателя в сборе | 1 | снято с производства | |||
| 27 | винт (#10-32 x 2.50) | 2 | цена по запросу | |||
| 28 | фиксатор | 1 | 630 руб. | |||
| 29 | Кабель в сборе | 1 | 600 руб. | |||
| 30 | ленточный хомут (8") | 7 | 40 руб. | |||
| 31 | винт (#10-32 x 0.250) | 1 | 130 руб. | |||
| 32 | гайка и стопорная шайба (#10-32) | 1 | 200 руб. | |||
| 33 | PARTS BAG ASSEMBLY, Mounting | 1 | 3090 руб. | |||
| 34 | SCREW, (M4 x 20) | 4 | 100 руб. | |||
| 35 | Винт (M6 x 40) | 4 | 300 руб. | |||
| 36 | шайба | 4 | цена по запросу | |||
| 37 | Гайка (М6), нержавеющая сталь | 4 | 350 руб. | |||
| 38 | WRENCH, Allen (2.5 mm) | 1 | цена по запросу | |||
| 39 | WRENCH, Allen (5.0 mm) | 1 | цена по запросу | |||
| 40 | ленточный хомут (4") | 1 | 20 руб. | |||
| - | REMOTE CONTROL, Dual Handle-Console (Chrome) | 1 | снято с производства | |||
| - | REMOTE CONTROL, Dual-Handle-Console (Black) | 1 | цена по запросу | |||
| - | REMOTE CONTROL, Dual Handle-Console Without Trim (Chrome) | 1 | снято с производства | |||
| - | NYLINER, Flanged | 1 | 660 руб. | |||
| - | SENSOR, Throttle/Shift | 1 | 24460 руб. | |||
| 1 | Art.: 877741A16 HANDLE ASSEMBLY, Left, With Trim, Black Деталей в узле: 1 снято с производства 1 | Art.: 877741A25 HANDLE ASSEMBLY, Dual - Left And Right - With Trim - Chrome, Handle Assembly contains both handles. Деталей в узле: 1 цена по запросу 
										1 | Art.: 877741A26 HANDLE ASSEMBLY, Dual - Left And Right - With Trim - Black, Handle Assembly contains both handles. Деталей в узле: 1 цена по запросу 
										1 | Art.: 877741A15 HANDLE ASSEMBLY, Left, With Trim, Chrome Деталей в узле: 1 снято с производства 2 | Art.: 883131A05 HANDLE ASSEMBLY, Left - No Trim - Chrome Деталей в узле: 1 снято с производства 3 | Art.: 877746T CAP KIT, Handle (Black) Деталей в узле: 1 4 | Art.: 10-87775620 SCREW, (M4 x 20) Деталей в узле: 1 5 | Art.: 877742A08 HANDLE ASSEMBLY, Right-Without Trim, Black Деталей в узле: 1 снято с производства 5 | Art.: 877742A07 HANDLE ASSEMBLY, Right-Without Trim, Chrome Деталей в узле: 1 снято с производства 6 | Art.: 877748T CAP KIT, Handle (Black) Деталей в узле: 1 7 | Art.: 10-87775620 SCREW, (M4 x 20) Деталей в узле: 1 8 | Art.: 37-877750 EMBLEM, Mercury Деталей в узле: 1 9 | Art.:  Винт (M8 x 30) Деталей в узле: 2 10 | Art.: 877752T01 COVER, Side (Chrome With Gaskets) Деталей в узле: 2 11 | Art.: 877724A02 MODULE ASSEMBLY, Shift and Throttle, Housing Деталей в узле: 2 12 | Art.: 877751T01 COVER, Top (Chrome With Gaskets) Деталей в узле: 1 цена по запросу 
										13 | Art.:  KEYPAD ASSEMBLY, Dual Деталей в узле: 1 14 | Art.: 10-40088110 Винт (M6 x 110) Деталей в узле: 2 15 | Art.: -NSS Не продается по отдельности, кронштейн Деталей в узле: 1 16 | Art.: 10-4008845 винт (M6 x 45) Деталей в узле: 2 17 | Art.: 10-87775916 Винт (M5 x 16) Деталей в узле: 4 цена по запросу 
										18 | Art.: 10-877754 SCREW, (M4 x 20) Деталей в узле: 4 19 | Art.: 87-814324A2 SWITCH/LANYARD KIT, Stop - Dual Деталей в узле: 1 20 | Art.: 10-813523 винт (#10-16 x 2.25) Деталей в узле: 2 цена по запросу 
										21 | Art.: 87-814324A1 шнур аварийного выключения двигателя в сборе Деталей в узле: 1 22 | Art.: 814820 ADAPTOR, Switch Assembly Деталей в узле: 1 цена по запросу 
										23 | Art.: 814254 зажим крепления Деталей в узле: 1 цена по запросу 
										24 | Art.: 12-24676 шайба (0.200 x 0.440 x 0.032) Деталей в узле: 2 25 | Art.: 11-68219 гайка (#10-32), нержавеющая сталь Деталей в узле: 4 26 | Art.: 15920Q54 шнур аварийного выключения двигателя в сборе Деталей в узле: 1 снято с производства 27 | Art.: 10-814762 винт (#10-32 x 2.50) Деталей в узле: 2 цена по запросу 
										28 | Art.: 79146 фиксатор Деталей в узле: 1 29 | Art.: 84-11149A3 Кабель в сборе Деталей в узле: 1 30 | Art.: 54-816311T ленточный хомут (8") Деталей в узле: 7 31 | Art.: 10-24231 винт (#10-32 x 0.250) Деталей в узле: 1 32 | Art.: 11-27164 гайка и стопорная шайба (#10-32) Деталей в узле: 1 33 | Art.:  PARTS BAG ASSEMBLY, Mounting Деталей в узле: 1 34 | Art.: 10-877754 SCREW, (M4 x 20) Деталей в узле: 4 35 | Art.: 10-4008840 Винт (M6 x 40) Деталей в узле: 4 36 | Art.: 12-4002316 шайба Деталей в узле: 4 цена по запросу 
										37 | Art.: 11-401386 Гайка (М6), нержавеющая сталь Деталей в узле: 4 38 | Art.: 91-88849025 WRENCH, Allen (2.5 mm) Деталей в узле: 1 цена по запросу 
										39 | Art.: 91-88849050 WRENCH, Allen (5.0 mm) Деталей в узле: 1 цена по запросу 
										40 | Art.: 56762 ленточный хомут (4") Деталей в узле: 1  | 
